Pronađen 61 rezultat
- 13 Dec 2015, 14:54
- Forum: VEŠ MAŠINE
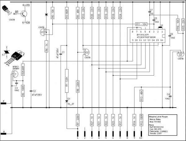
- Tema: MODUL COPRECI BYDS1310
- Odgovori: 4
- Pregledano: 1902
Re: MODUL COPRECI BYDS1310
Drago mi je da si resio. sto je bilo u kvaru ? IC ?
- 12 Dec 2015, 18:38
- Forum: VEŠ MAŠINE
- Tema: MODUL COPRECI BYDS1310
- Odgovori: 4
- Pregledano: 1902
Re: MODUL COPRECI BYDS1310
Shema je vrlo lose resolucije (ne vjerujem bas, da ce ti biti u veliko pomoc)
- 06 Dec 2012, 08:09
- Forum: Alati
- Tema: FLUX i oko fluksa
- Odgovori: 73
- Pregledano: 29438
Re: FLUX i oko fluksa
Izopropil = izopropanol se recimo tu u Sloveniji prodaje i u trgovinama s tehničkim blagom (gdje imaju boje, lakove i slično).
- 08 Dec 2011, 19:42
- Forum: Servisiranje LCD Televizora
- Tema: PHILIPS 42PFL3403/12 POTREBNA SEMA MREZNOG STEPENA (ODUSTAO)
- Odgovori: 27
- Pregledano: 6755
Re: PHILIPS 42PFL3403/12 POTREBNA SEMA MREZNOG STEPENA
D1NK80Z ... Rds= < 16 Ω; P7NK80ZFP ...Rds= < 1.8Ω. To nije baš svejedno!virtual je napisao:... umesto njega sam stavio P7NK80ZFP koi je snazni
- 15 Okt 2011, 10:54
- Forum: Servisiranje CRT Televizora
- Tema: VIVAX 2909 CY-2529PD NECE DA ZAOSCILIRA HORIZONTALN (RESENO)
- Odgovori: 24
- Pregledano: 3475
Re: VIVAX 2909 CY-2529PD NECE DA ZAOSCILIRA HORIZONTALNI STEPEN
S obzirom na komponente bi mogla biti ova prava ?!?
- 05 Okt 2011, 12:26
- Forum: Servisiranje CRT Televizora
- Tema: SONY KV29SE10K BX1L CHASSIS PET PUTA BLINKA CRVENA (ODUSTAO)
- Odgovori: 9
- Pregledano: 2620
Re: SONY KV29SE10K BX1L CHASSIS PET PUTA BLINKA CRVENA (ODUSTAO)
Ja sam siguran, da je ekran.
U SM su navedene i ove mogučnosti:
U SM su navedene i ove mogučnosti:
- 26 Sep 2011, 05:44
- Forum: Alati
- Tema: univerzalni merni instrumenti
- Odgovori: 133
- Pregledano: 39582
Re: univerzalni merni instrumenti
Shema je slaba ali i ja vidim isti otpor.
- 25 Sep 2011, 14:09
- Forum: Alati
- Tema: univerzalni merni instrumenti
- Odgovori: 133
- Pregledano: 39582
Re: univerzalni merni instrumenti
BlackForce,
marka nije Kaiser nego Kaise !
Kaise SK110
marka nije Kaiser nego Kaise !
Kaise SK110
- 26 Avg 2011, 21:00
- Forum: VEŠ MAŠINE
- Tema: Gorenje WA50050 - Ne grija vodu (REŠENO)
- Odgovori: 7
- Pregledano: 4002
Re: Gorenje WA50050 - Ne grija vodu
Pozdrav, Malo sam sam pogriješio i gubio nekoliko vremena, ali sa svake greške se nešto naučimo, jer je u stvari bio kvar već otklonjen sa zamjenom elektronike. :tuptup: Nisam imao vremenskog diagrama elektronike i nisam računao s time, da se grijać uključi mnogo kasnije nego što sam pretpostavljao....
- 23 Avg 2011, 18:49
- Forum: FRIŽIDERI I ZAMRZIVAČI
- Tema: Dixell XH260L Rešeno
- Odgovori: 9
- Pregledano: 1631
Re: Dixell XH260L
Ervin, kolikor vidim iz pripete datoteke:
za XH260V je digitalni vhod 22,23 (poglavje 14.2).
Ti pa sprašuješ za:
XH260L tu pa je digitalni vhod 16,17 (poglavje 14.1)
LP Jaša
za XH260V je digitalni vhod 22,23 (poglavje 14.2).
Ti pa sprašuješ za:
XH260L tu pa je digitalni vhod 16,17 (poglavje 14.1)
LP Jaša
- 23 Avg 2011, 17:53
- Forum: VEŠ MAŠINE
- Tema: Gorenje WA50050 - Ne grija vodu (REŠENO)
- Odgovori: 7
- Pregledano: 4002
Re: Gorenje WA50050 - Ne grija vodu
Kad pokrenem program, na grijacu nemam jos faze, pocinje se punjenje vodom, kad se voda napuni i masina pocinje okretati bubanj, dolazi faza na grijac. Tako da pretpostavljam, da nivostat radi. (Mislim, da rele spoji fazu na grijac, jedino ako je elektronika napravljena tako, da dolazi faza na grija...
- 23 Avg 2011, 17:21
- Forum: VEŠ MAŠINE
- Tema: Gorenje WA50050 - Ne grija vodu (REŠENO)
- Odgovori: 7
- Pregledano: 4002
Re: Gorenje WA50050 - Ne grija vodu
Kontakte konektora na grijacu sam ocistio, dok konektor na strani kontrolera izgleda OK. Provjerio sam ih i sa ohm metrom i sve izgleda dobro ?!?
LP Jasa
LP Jasa
- 23 Avg 2011, 17:11
- Forum: VEŠ MAŠINE
- Tema: Gorenje WA50050 - Ne grija vodu (REŠENO)
- Odgovori: 7
- Pregledano: 4002
Gorenje WA50050 - Ne grija vodu (REŠENO)
Perilica ne zagrije vodu. Stvar je u tome, da kad izbereš program i voda se napuni faza (L) se spoji na jedan dio grijaca ali drugi dio grijaca se ne spoji na nulu (N). Ako meris napon protiv kucista (PE) na oba kontakta grijaca je 230V ali medju kontakta grijaca nema napona (naravno jer drugi dio o...
- 06 Apr 2011, 02:50
- Forum: Servisiranje Digitalnih Kamera Fotoaparata
- Tema: kamera JVC GRD73 - javlja E03
- Odgovori: 1
- Pregledano: 2842
kamera JVC GRD73 - javlja E03
Kamera JVC GR-D73 [ GRD73 ]
Kada je uključiš javlja ( E03 ) UNIT IN SAFEGUARD MODE, "EJECT AND REINSERT TAPE"
Ako kazetu izvadiš i uvadiš nema nikakve razlike.
Ima li tko iskustva dali se ide o kakvi poznati fori? Pretpostavljam da je problem kada bi trebalo pokrenuti traku.
Kada je uključiš javlja ( E03 ) UNIT IN SAFEGUARD MODE, "EJECT AND REINSERT TAPE"
Ako kazetu izvadiš i uvadiš nema nikakve razlike.
Ima li tko iskustva dali se ide o kakvi poznati fori? Pretpostavljam da je problem kada bi trebalo pokrenuti traku.
- 13 Mar 2011, 14:45
- Forum: Servisiranje CRT Televizora
- Tema: Gorenje BTV864 ORBITER (odustao)
- Odgovori: 32
- Pregledano: 4596
Re: Gorenje BTV864 ORBITER
I ja se slažem sa kolegama da je ako nema 55V i 27V iz horizontale vjerovatno stradao IC401 [ TDA3576B ]. To je bio standardni i vrlo česti kvar kod K11 šasije. Ja bih preventivno promjenio i trimer R410 [ 2k2 ] jer je naravno pored proboja kaskade i zbog njega crkavao ovaj TDA. Nažalost TDA3576B ni...
- 15 Feb 2011, 10:35
- Forum: Alati
- Tema: MASTECH MY6013A KAPACITET metar
- Odgovori: 28
- Pregledano: 6214
Re: INSRUMENT ZA KAPACITET
Zdravo!
Kakva su vaša iskustva sa sličnim RLC metrima? Dali ima koristi od njih? Ja osobno upotrebljavam jedino ESR metar za elektrolite.
LP Jaša
Kakva su vaša iskustva sa sličnim RLC metrima? Dali ima koristi od njih? Ja osobno upotrebljavam jedino ESR metar za elektrolite.
LP Jaša
- 10 Feb 2011, 01:54
- Forum: Alati
- Tema: univerzalni merni instrumenti
- Odgovori: 133
- Pregledano: 39582
Re: univerzalni merni instrumenti
Dali neko koristi ovaj intrument ??? I kakva su misljenja o istom ??? Model je VA 503...Pozdrav.Dukica. Imam ga ali ga ni ja ne upotrebljavam često. Ali moram reči, da ga ne volim zbog mehaničkih činjenica, ne zbog električkih. Međutim, kontakti pincete nisu baš dobro napravljeni. Trebali bi biti o...
- 01 Feb 2011, 06:22
- Forum: Servisiranje LCD Televizora
- Tema: LCD TV PHILIPS 42PFL7403D - Ne pali (Odustao)
- Odgovori: 7
- Pregledano: 3214
Re: LCD TV PHILIPS 42PFL7403D - Ne pali
Koju cifru imate u suffixu modela...
42PFL7403D/xx
SM za Philips šasija Q5291ELA ( Q529.1E LA )
Jer pored ove sasije moze da bude i LC8.1U LA ili LC8.2A LA
Nadam se, da ce vam koristiti.
LP Jaša
42PFL7403D/xx
SM za Philips šasija Q5291ELA ( Q529.1E LA )
Jer pored ove sasije moze da bude i LC8.1U LA ili LC8.2A LA
Nadam se, da ce vam koristiti.
LP Jaša
- 24 Jan 2011, 19:51
- Forum: Servisiranje CRT Televizora
- Tema: NEO 2121 POTREBAN DUMP RIJEŠENO
- Odgovori: 7
- Pregledano: 1723
Re: NEO 2121 POTREBAN DUMP
Vehidc, dali si onda sredio?
Tu je jos nekoliko i ovi su NEPROVERENI ! - skinuti sa interneta !!
Tu je jos nekoliko i ovi su NEPROVERENI ! - skinuti sa interneta !!
- 20 Jan 2011, 04:29
- Forum: Servisiranje CRT Televizora
- Tema: Goldstar CB20A80G PC31A beži sa kanala
- Odgovori: 6
- Pregledano: 1609
Re: goldstar 20a80g beži sa kanala
Provjerite:
Q18 (2SC3198)
FR403 (5R6 / 0,5W) ili (1R / 0,5W)
LP Jaša
Q18 (2SC3198)
FR403 (5R6 / 0,5W) ili (1R / 0,5W)
LP Jaša
