Satellite Finder
Pravila foruma
Naslov teme treba da bude u formatu: PROIZVOĐAČ, MODEL, KRATAK OPIS KVARA
Nakon rešenog kvara zatvoriti temu >> >UPUTSTVO< u suprotnom ništa ne činiti.
RAZNA UPUTSTVA
Naslov teme treba da bude u formatu: PROIZVOĐAČ, MODEL, KRATAK OPIS KVARA
Nakon rešenog kvara zatvoriti temu >> >UPUTSTVO< u suprotnom ništa ne činiti.
RAZNA UPUTSTVA
-
Joca
- ___

- Postovi: 410
- Pridružen: 09 Okt 2006, 14:39
- Location: Bezdan
- Contact person: Jovica
- Specialty: tv
- Lokacija: Bezdan
- Kontakt:
Satellite Finder
Dali neko od kolega zna gde mogu nabaviti ovaj uredjaj i po kojoj ceni nemora bas ovaj moze slican .
- Prilog
-
- sat_finder$.JPG (10.04 KiB) Pregledano 3475 puta.
Ja licno neznam gde ima da se kupi ali ako si voljan da pravis evo seme pa srecno
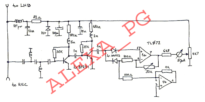
Na slici u prilogu je sema Sat Finder-a. Antenski kabal se otkaci sa LNB-a i prikljuci na REC a drugim komadom kabla spojiti Sat Finder sa LNB-om. Na taj nacin sklop se napaja iz sat. prijemnika preko VF prigusnice. U praksi sat. prijemnik nije neophodan ali se onda treba koristiti neki drugi izvor za napajanje .
Ulazni dio cini filter propusnog opsega. Donja f je 700MHz a gornja 1300MHz. Nakon dvostepenog pojacanja i detektora koga cine germanijumske diode AA113 signal ide na OP a sa njega na skretni kalem. Potenciometrom 50K se podesava osetljivost Sat Findera, a sa 4K7 podesavate “nulu” na instrumentu. Na pin 1 OP moze se prikljuciti zumer kome se jacina tona mijenja sa jacinom signala. Zavojnice u kolektorima su vazdusne sa 2 odnosno 5 namotaja. Precnik zavojnice 4mm a precnik zice 0.7mm.
SEMA I TEKST : ALEXA_PG
Na slici u prilogu je sema Sat Finder-a. Antenski kabal se otkaci sa LNB-a i prikljuci na REC a drugim komadom kabla spojiti Sat Finder sa LNB-om. Na taj nacin sklop se napaja iz sat. prijemnika preko VF prigusnice. U praksi sat. prijemnik nije neophodan ali se onda treba koristiti neki drugi izvor za napajanje .
Ulazni dio cini filter propusnog opsega. Donja f je 700MHz a gornja 1300MHz. Nakon dvostepenog pojacanja i detektora koga cine germanijumske diode AA113 signal ide na OP a sa njega na skretni kalem. Potenciometrom 50K se podesava osetljivost Sat Findera, a sa 4K7 podesavate “nulu” na instrumentu. Na pin 1 OP moze se prikljuciti zumer kome se jacina tona mijenja sa jacinom signala. Zavojnice u kolektorima su vazdusne sa 2 odnosno 5 namotaja. Precnik zavojnice 4mm a precnik zice 0.7mm.
SEMA I TEKST : ALEXA_PG
- Prilog
-
- satfinder.jpg (162.26 KiB) Pregledano 3449 puta.
Zadnja izmena: stojkePN, dana 10 Jun 2007, 23:00, ukupno menjano 2 puta.
Sto vise ucim sve vise vidim koliko neznam :plaz:
Re: Satellite Finder
aleksa ,ako si jos aktuelan na forumu mozes li mi reci gdje to ima u Podgoricu ja sam iz Bara kupio bih taj finder?
Pozdrav.
Pozdrav.
- alexa_pg
- Site Admin

- Postovi: 6119
- Pridružen: 22 Avg 2006, 08:10
- Location: Podgorica
- Specialty: tv-multimedia
Re: Satellite Finder
Prodavnica Italvideo u ulici Bratstva i jedinstva. Zgrada preko puta Doma vojske.
tel 020 624780 ili na mob. 069 314703
tel 020 624780 ili na mob. 069 314703
"I ja volim ljude ali ih sve manje podnosim"
Re: Satellite Finder
Hvala alexa poznat mi je Italvideo tu sam uzeo null modem sa adapterom na USB veoma povoljno a trazo sam ga po Srbiji i Bosni niko to nije imao osim Italvidea bas je divan taj vlasnik sve mi objasnijo i sad radi super.
Pozdrav iz kisnog Bara.
Pozdrav iz kisnog Bara.


