Matura 9530T pro comfort problem
Urednici: goranfri,nike,sim,Honorarac
Pravila foruma
BT-expert info - BTexpert forumi
U naslov teme prvo pisati ime proizvođača, zatim oznake modela bez crtica i razmaka i kratak opis kvara. U post obavezno upisati ID ili EAN oznake sa poleđine aparata u suprotnom tema će biti obrisana.
Praktikujemo da na kraju opišemo kako smo rešili problem. Zatim zatvorimo temu >UPUTSTVO<
PRILIKOM POSTAVLJANJA PITANJA U VEZI ELEKTRONSKOG MODULA OBAVEZNO POPIŠITE SVE OZNAKE sa ploče i sa nalepnica, dobro bi došla i po koja fotografija.
BT-expert info - BTexpert forumi
U naslov teme prvo pisati ime proizvođača, zatim oznake modela bez crtica i razmaka i kratak opis kvara. U post obavezno upisati ID ili EAN oznake sa poleđine aparata u suprotnom tema će biti obrisana.
Praktikujemo da na kraju opišemo kako smo rešili problem. Zatim zatvorimo temu >UPUTSTVO<
PRILIKOM POSTAVLJANJA PITANJA U VEZI ELEKTRONSKOG MODULA OBAVEZNO POPIŠITE SVE OZNAKE sa ploče i sa nalepnica, dobro bi došla i po koja fotografija.
Matura 9530T pro comfort problem
MODEL p6328610
priv-nr-6858
best-nr-152.015. 4
Fertig nr-739 00235
na modulu pise ovako
AKO TYP 540A
546 566
124 861 120
PT 04E3J2
Modul AKO TYP 540 A
546 566
124 861 121
PT04 lampica na vratima ne svetli .
DA budem iskren prvi put vidim ovu masinu ali desava se sledece prvo sam primetio da su na motoru otisle cetkice zamenio ih novim i sad kad pustim masinu vreme na displeju samo treperi i ne pocinje da radi . ne izbacuje nikakvu gresku u smislu ERR 20 TO JE GRESKA KAD SE SKINE BRAVICA NA OVOJ MASINI .
priv-nr-6858
best-nr-152.015. 4
Fertig nr-739 00235
na modulu pise ovako
AKO TYP 540A
546 566
124 861 120
PT 04E3J2
Modul AKO TYP 540 A
546 566
124 861 121
PT04 lampica na vratima ne svetli .
DA budem iskren prvi put vidim ovu masinu ali desava se sledece prvo sam primetio da su na motoru otisle cetkice zamenio ih novim i sad kad pustim masinu vreme na displeju samo treperi i ne pocinje da radi . ne izbacuje nikakvu gresku u smislu ERR 20 TO JE GRESKA KAD SE SKINE BRAVICA NA OVOJ MASINI .
Re: Matura 9530T pro comfort problem
proveri dobro konektiranje dzekova sa modulon kako i sam konektor motora,proveri takodje taho generator i njegov magnet.zatim proveri dali radi mikro brava i lampica na vratima masine.
Re: Matura 9530T pro comfort problem
Jel cetkice dobro klize u leziste da ne koce po malo pa da ti prave problem trebao si sa vodenog glanspapira da ocistis malo i rotor i posle toga lepo ocistis kanale rotora.
I opisi malo bolje kvar zasto su te zvali za masinu i koji problem ima pa onda pises sta si menjao.
I opisi malo bolje kvar zasto su te zvali za masinu i koji problem ima pa onda pises sta si menjao.
TOCE
- milan
- Preminuo
- Postovi: 4426
- Pridružen: 19 Avg 2006, 22:38
- Location: Novi Sad
- Specialty: tv-multimedia
Re: Matura 9530T pro comfort problem

PRILIKOM POSTAVLJANJA PITANJA U VEZI ELEKTRONSKOG MODULA OBAVEZNO POPIŠITE SVE OZNAKE sa ploče i sa nalepnica,
U post obavezno upisati ID ili EAN oznake sa poleđine aparata u suprotnom tema će biti obrisana.
Re: Matura 9530T pro comfort problem
pozadi na masini nema nikakva nalepnica da budem iskren prvi put se srecem sa tom masinom, ali kad sam otvorio bravicu i isimulirao kontakt upalila se lampica na vratima i na displeju je izbacila E20 . kad probam bravicu direktno vezem nulu i fazu bravica normalno zatvori kontakt .
- milan
- Preminuo
- Postovi: 4426
- Pridružen: 19 Avg 2006, 22:38
- Location: Novi Sad
- Specialty: tv-multimedia
Re: Matura 9530T pro comfort problem
Uporno pokusavam da dodjem do brojeva, ali nesto vi ne saradjujete.
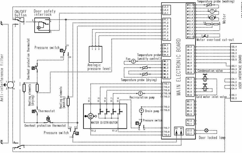
Evo neke seme vidi da li odgovara?
Evo neke seme vidi da li odgovara?
Re: Matura 9530T pro comfort problem
Nasao sam Nalepnicu ovako
MODEL p6328610
priv-nr-6858
best-nr-152.015. 4
Fertig nr-739 00235
na modulu pise ovako
AKO TYP 540A
546 566
124 861 120
PT 04E3J2
Znaci kad aktiviram sam bravicu upali se lampica i na displeju ispise E20
a evo i slika :
MODEL p6328610
priv-nr-6858
best-nr-152.015. 4
Fertig nr-739 00235
na modulu pise ovako
AKO TYP 540A
546 566
124 861 120
PT 04E3J2
Znaci kad aktiviram sam bravicu upali se lampica i na displeju ispise E20
a evo i slika :
- milan
- Preminuo
- Postovi: 4426
- Pridružen: 19 Avg 2006, 22:38
- Location: Novi Sad
- Specialty: tv-multimedia
Re: Matura 9530T pro comfort problem
Da li ti je ispravna ta bravica ili nije, sada kada si je rasturio mozes da je izmeris.
Isprati i te veze od nje do ploce, zato sam ti i stavio semu.
Na ploci ima sigrno triak, tiristor ili sta vec, rele, sto aktivira bravicu kad dobije impuls da su vrata zatvorena.
To sad vec pisem i ono sto se podrazumeva, pa da skratim.
Isprati i te veze od nje do ploce, zato sam ti i stavio semu.
Na ploci ima sigrno triak, tiristor ili sta vec, rele, sto aktivira bravicu kad dobije impuls da su vrata zatvorena.
To sad vec pisem i ono sto se podrazumeva, pa da skratim.
Re: Matura 9530T pro comfort problem
Probao sam sve dole na bravicu mi dolzi 230V kad ukljucim bravicu direktno ona radi preko posebnog kabla , kad je pritisnem rucno ona izbaci error 20 to jest E20
- milan
- Preminuo
- Postovi: 4426
- Pridružen: 19 Avg 2006, 22:38
- Location: Novi Sad
- Specialty: tv-multimedia
Re: Matura 9530T pro comfort problem
To je jako retka mashina ovde, ako neradis elektroniku, odnesi nekom tu elektroniku da pogleda.
Re: Matura 9530T pro comfort problem
evo sad nadjoh na nekom nemackom sajtu da e20 znaci da vrata nisu zatvorena . ali nije mi jasno ako na bravici dobijem 230 V zasto nece da je aktivira a kad je pustim na direktan kabl ona normalno ukljuci .
-
- bela tehnika
- Postovi: 720
- Pridružen: 19 Apr 2008, 13:34
- Location: jugoistocna srbija
- Specialty: whitegoods
Re: Matura 9530T pro comfort problem
Stegni kontakte konektora bravice,posto kazes da dolazi 220V.
- GTI
- bela tehnika
- Postovi: 567
- Pridružen: 14 Jan 2009, 22:53
- Location: Subotica
- Warranty service: LG, Samsung, Vivax, Galanz, Venting, Crypton
- Specialty: whitegoods
- Lokacija: Subotica
Re: Matura 9530T pro comfort problem
Bice da se tu javlja neki "fals" napon (na bravici).Vezi paralelno sa bravicom jednu sijalicu da vidis da li ce se upaliti u momentu kad bravica dobije impuls za ukljucenje.
Pored svega,moguce je da samo treba obrisati greske iz dijagnostickog moda (imao sam slucaj jedne AEG masine,zamenjene cetkice,a ona i dalje ispisuje gresku.Posle brisanja greske proradila...)
Pored svega,moguce je da samo treba obrisati greske iz dijagnostickog moda (imao sam slucaj jedne AEG masine,zamenjene cetkice,a ona i dalje ispisuje gresku.Posle brisanja greske proradila...)
Majstore,pošto je to i.............koliko će to da košta?!
Re: Matura 9530T pro comfort problem
Mora da postoji tu neka druga zackoljica po semi sam pratio sve je u redu probao veze sve i one su dobre na bravicu mi dolazi 230 V i to onih pravih jer je vezana tinjalica na nju i kad sam aktiviram to jest zatvorim kontakt ona se upali ali mi onda na displeju ispise E20 . a dok ne aktiviram sam kontakt na displeju sve vreme blinka vreme . Posto je kolega pomenuo brisanje gresaka iz modula na koji nacin se to radi ? da probam i to a ako ne da odustajem
Re: Matura 9530T pro comfort problem
Nosio sam modul kod elektronicara po njemu sve je u redu ali kad sam namontirao modul na masinu vise mi do bravice ne dolazi 230 V kolko ja znam odavno smo presli tih 10 V ! 

-
- bela tehnika
- Postovi: 398
- Pridružen: 07 Apr 2009, 13:44
- Location: Beograd
- Contact person: Ivan
- Specialty: whitegoods
Re: Matura 9530T pro comfort problem
Ja lično u poslednje vreme izbegavam da se bakćem s tim krševima koji stignu od preko neispravni. Kad god sam uzeo da radim takav aparat na kraju mi je preselo. Nema ko da ti da opis kvara niti kako je do njega došlo, a to je kod savremenih mašina već pola puta do pravilne dijagnoze. Ovako moraš sam da maturiraš i magistriraš aparat koji vidiš prvi put u životu (verovatno i poslednji). Manuali (ako ih nekim čudom nađeš) svi na germanskim jezicima, diskusije po nemačkim sajtovima, a ako i nađeš kvar - dela nema nigde ni za lek, svuda te gledaju belo gde god da tražiš, ma horor za servisera... Zato, kod ovakvog aparata ja pogledam četkice, grejač, pumpu, bravicu, ventil, ako nije do toga - doviđenja! 

Re: Matura 9530T pro comfort problem
ja dajem stvarno gajbu ako neko moze da nadje korisnicko upustvo za ovu masinu .
-
- Preminuo
- Postovi: 760
- Pridružen: 14 Nov 2008, 20:04
- Location: Sremska Mitrovica
- Contact person: Damir
- Specialty: whitegoods
Re: Matura 9530T pro comfort problem
Kod: Označi sve
http://www.electrolux-ui.com:8080/1998%5C124%5C988870de.pdf
-
- Slične teme
- Odgovori
- Pregledano
- Zadnji post
-
- 8 Odgovori
- 3222 Pregledano
-
Zadnji post napisao darko080372
14 Apr 2008, 09:58
-
- 9 Odgovori
- 5088 Pregledano
-
Zadnji post napisao IvanBG
02 Avg 2009, 13:47
-
- 17 Odgovori
- 6300 Pregledano
-
Zadnji post napisao goranfri
06 Mar 2010, 20:58
-
- 15 Odgovori
- 3214 Pregledano
-
Zadnji post napisao glozanski
30 Apr 2010, 11:32
-
- 28 Odgovori
- 11775 Pregledano
-
Zadnji post napisao megebata
26 Dec 2015, 12:30
-
-
Ves masina Gorenje WA1422 problem preskace programe
napisao Miki_R » 17 Dec 2010, 17:21 » u VEŠ MAŠINE - 36 Odgovori
- 12050 Pregledano
-
Zadnji post napisao Miki_R
14 Okt 2011, 19:29
-
-
- 8 Odgovori
- 5334 Pregledano
-
Zadnji post napisao Fiesta
16 Apr 2011, 21:21
-
- 6 Odgovori
- 1340 Pregledano
-
Zadnji post napisao Ivek
14 Okt 2011, 11:56