Pozdrav,
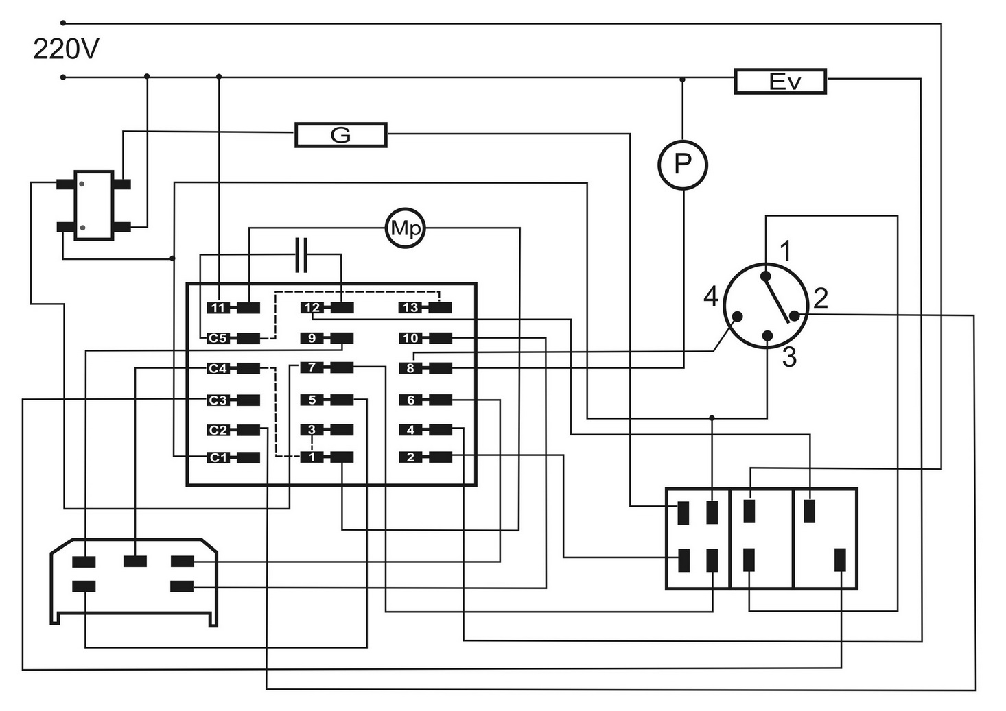
molio bih za šemu veš mašine Candy L 4.04 ( Junior )
potrebna mi je zbog povezivanja termostata.
Hvala.
Candy Junior 4.04
Urednici: goranfri,nike,sim,Honorarac
Pravila foruma
BT-expert info - BTexpert forumi
U naslov teme prvo pisati ime proizvođača, zatim oznake modela bez crtica i razmaka i kratak opis kvara. U post obavezno upisati ID ili EAN oznake sa poleđine aparata u suprotnom tema će biti obrisana.
Praktikujemo da na kraju opišemo kako smo rešili problem. Zatim zatvorimo temu >UPUTSTVO<
PRILIKOM POSTAVLJANJA PITANJA U VEZI ELEKTRONSKOG MODULA OBAVEZNO POPIŠITE SVE OZNAKE sa ploče i sa nalepnica, dobro bi došla i po koja fotografija.
BT-expert info - BTexpert forumi
U naslov teme prvo pisati ime proizvođača, zatim oznake modela bez crtica i razmaka i kratak opis kvara. U post obavezno upisati ID ili EAN oznake sa poleđine aparata u suprotnom tema će biti obrisana.
Praktikujemo da na kraju opišemo kako smo rešili problem. Zatim zatvorimo temu >UPUTSTVO<
PRILIKOM POSTAVLJANJA PITANJA U VEZI ELEKTRONSKOG MODULA OBAVEZNO POPIŠITE SVE OZNAKE sa ploče i sa nalepnica, dobro bi došla i po koja fotografija.
Re: Candy Junior 4.04
Imam ono sto sam sam "skidao" sa ves masine i crtao.Nadam se da ce ti pomoci
-
- Slične teme
- Odgovori
- Pregledano
- Zadnji post
-
- 5 Odgovori
- 2753 Pregledano
-
Zadnji post napisao vladimirbp
14 Feb 2009, 14:15
-
- 6 Odgovori
- 2943 Pregledano
-
Zadnji post napisao GOKA
07 Jun 2009, 15:56
-
- 12 Odgovori
- 2188 Pregledano
-
Zadnji post napisao IvanBG
25 Jul 2009, 15:55
-
- 71 Odgovori
- 14781 Pregledano
-
Zadnji post napisao drogi
07 Jul 2014, 08:26
-
- 6 Odgovori
- 2367 Pregledano
-
Zadnji post napisao banex
01 Apr 2011, 20:30
-
- 5 Odgovori
- 1201 Pregledano
-
Zadnji post napisao nuk
08 Sep 2011, 19:57
-
- 3 Odgovori
- 939 Pregledano
-
Zadnji post napisao Honorarac
03 Sep 2011, 00:04
-
- 21 Odgovori
- 4781 Pregledano
-
Zadnji post napisao darko080372
12 Apr 2012, 09:23

