Hisense WFHV7014 problem sa programatorom
Urednici: goranfri,nike,sim,Honorarac
Pravila foruma
BT-expert info - BTexpert forumi
U naslov teme prvo pisati ime proizvođača, zatim oznake modela bez crtica i razmaka i kratak opis kvara. U post obavezno upisati ID ili EAN oznake sa poleđine aparata u suprotnom tema će biti obrisana.
Praktikujemo da na kraju opišemo kako smo rešili problem. Zatim zatvorimo temu >UPUTSTVO<
PRILIKOM POSTAVLJANJA PITANJA U VEZI ELEKTRONSKOG MODULA OBAVEZNO POPIŠITE SVE OZNAKE sa ploče i sa nalepnica, dobro bi došla i po koja fotografija.
BT-expert info - BTexpert forumi
U naslov teme prvo pisati ime proizvođača, zatim oznake modela bez crtica i razmaka i kratak opis kvara. U post obavezno upisati ID ili EAN oznake sa poleđine aparata u suprotnom tema će biti obrisana.
Praktikujemo da na kraju opišemo kako smo rešili problem. Zatim zatvorimo temu >UPUTSTVO<
PRILIKOM POSTAVLJANJA PITANJA U VEZI ELEKTRONSKOG MODULA OBAVEZNO POPIŠITE SVE OZNAKE sa ploče i sa nalepnica, dobro bi došla i po koja fotografija.
Hisense WFHV7014 problem sa programatorom
Kolege potrebna mi je šema povezivanja za Hisense veš mašinu model:WFHV7014 ili servisno uputstvo.
Pokušao sam ovde na forumu da pronađem ali za Hisense nema ništa.
Pretražio internet uzduž i popreko i uspeo naći samo dva servisna uputstva za Hisense ali nisu upotrebljiva za ovu veš mašinu jer je skroz drugi raspored konektora.
S obzirom da mi nije veš mašina u blizini ne mogu da snimim šemu povezivanja pa molim nekog od kolega ko ima šemu da mi prosledi ili slika na samoj mašini kako je brava vrata povezana.
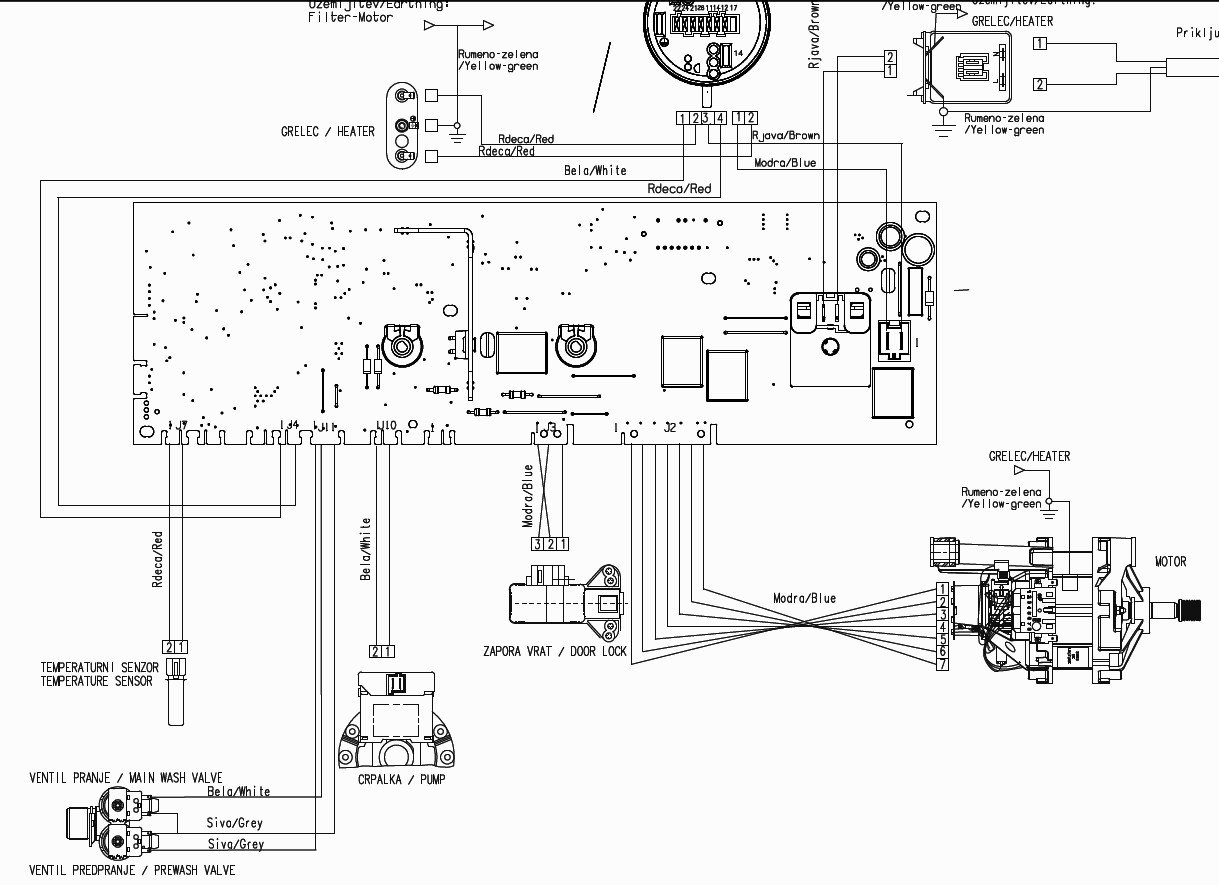
Ne mogu da provalim na koji konektor i kako se povezuje brava vrata ove mašine. Nije klasika kao kod ostalih mašina. Nema trijak za tu namenu i rele. Međutim, Postoji jedan rele K3 koji je povezan sa dvopolnim konektorom S5 (priključci označeni sa L i N) za koji ne znam namenu i koji mi je jedini ostao nedefinisan. Ovaj K3 rele se koristi i kod motora sa 5 izvoda koliko sam uspeo da provalim.
Izvinjavam se administratoru ako sam nešto pogrešio u postavljanju teme jer mi je ovo prvi put.
Podaci programatora (slika je u prilogu):
DSG A24
:1954864 HW:A24 SW:V6260
PCB: CEM-1 KB-5150
1954864
Pokušao sam ovde na forumu da pronađem ali za Hisense nema ništa.
Pretražio internet uzduž i popreko i uspeo naći samo dva servisna uputstva za Hisense ali nisu upotrebljiva za ovu veš mašinu jer je skroz drugi raspored konektora.
S obzirom da mi nije veš mašina u blizini ne mogu da snimim šemu povezivanja pa molim nekog od kolega ko ima šemu da mi prosledi ili slika na samoj mašini kako je brava vrata povezana.
Ne mogu da provalim na koji konektor i kako se povezuje brava vrata ove mašine. Nije klasika kao kod ostalih mašina. Nema trijak za tu namenu i rele. Međutim, Postoji jedan rele K3 koji je povezan sa dvopolnim konektorom S5 (priključci označeni sa L i N) za koji ne znam namenu i koji mi je jedini ostao nedefinisan. Ovaj K3 rele se koristi i kod motora sa 5 izvoda koliko sam uspeo da provalim.
Izvinjavam se administratoru ako sam nešto pogrešio u postavljanju teme jer mi je ovo prvi put.
Podaci programatora (slika je u prilogu):
DSG A24
:1954864 HW:A24 SW:V6260
PCB: CEM-1 KB-5150
1954864
- jaro
- bela tehnika

- Postovi: 1286
- Pridružen: 21 Jun 2009, 11:53
- Location: stara pazova
- Contact person: jaro
- Specialty: whitegoods
Re: Hisense WFHV7014 problem sa programatorom
Bolhe slikaj sa obe strane, a prethodno pivezi sve za sta si siguran , pre cemo resiti.
Bez alata nema zanata!.....a bez znanja dzaba ti alat!
Re: Hisense WFHV7014 problem sa programatorom
Jaro
Siguran sam za sve ostale konektore osim ovog S5 kao što sam već i napisao.
Mislim da se taj odnosi na bravu vrata za koju nisam uspeo da nađem logičan konektor.
Inače snimio sam deo šeme regulatora koji se odnosi na releje motora i ovaj S5 konektor ali iz nje mi ništa nije logično gde bi se brava mogla povezati.
Treba da je precrtam pa ću je sutra okačiti. Možda nekom iz nje bude jasnije gde i kako se veže brava vrata.
Siguran sam za sve ostale konektore osim ovog S5 kao što sam već i napisao.
Mislim da se taj odnosi na bravu vrata za koju nisam uspeo da nađem logičan konektor.
Inače snimio sam deo šeme regulatora koji se odnosi na releje motora i ovaj S5 konektor ali iz nje mi ništa nije logično gde bi se brava mogla povezati.
Treba da je precrtam pa ću je sutra okačiti. Možda nekom iz nje bude jasnije gde i kako se veže brava vrata.
- miodrag popovic
- gx

- Postovi: 3307
- Pridružen: 08 Nov 2006, 21:08
- Location: Srbija
- Phone number: 00381638773821
- Specialty: tv
- Lokacija: Pančevo Braće Jovanović 56
Re: Hisense WFHV7014 problem sa programatorom
Slikaj i drugu stranu elektronike.Možda ide kao i kod gorenja,bez triaka,releja.
Bilo je i većih problema pa ih nismo rešili
Re: Hisense WFHV7014 problem sa programatorom
Ok.
Evo i donje strane sa oznakama releja i konektora i šema koju sam skinuo sa ploče sa mojim komentarom.
Pozdrav za sve
Evo i donje strane sa oznakama releja i konektora i šema koju sam skinuo sa ploče sa mojim komentarom.
Pozdrav za sve
Re: Hisense WFHV7014 problem sa programatorom
Miodraže ako imaš tu šemu od Gorenja bez releja i trijaka možeš li da mi pošalješ.miodrag popovic je napisao: ↑06 Apr 2023, 00:08Slikaj i drugu stranu elektronike.Možda ide kao i kod gorenja,bez triaka,releja.
Verovatno je ista šema jer je Hisense kupio Gorenje.
Primetio sam da Gorenje promeni samo model a u stvari je to Hisense veš mašina i verovatno koriste isti programator.
Pozdrav
- miodrag popovic
- gx

- Postovi: 3307
- Pridružen: 08 Nov 2006, 21:08
- Location: Srbija
- Phone number: 00381638773821
- Specialty: tv
- Lokacija: Pančevo Braće Jovanović 56
Re: Hisense WFHV7014 problem sa programatorom
Evo.Veći konektor od motora,pa ako se snađeš,bolje od ovog ne mogu
Bilo je i većih problema pa ih nismo rešili
Re: Hisense WFHV7014 problem sa programatorom
Tacno si napisao bravicu ukljucuje triak motora.
- bracans
- bela tehnika

- Postovi: 466
- Pridružen: 19 Apr 2014, 12:49
- Location: Novi Sad
- Specialty: whitegoods
Re: Hisense WFHV7014 problem sa programatorom * REŠENO *
29 artikala hisense wfhv 7014 nosi oznaku.
Ovo je za:
Proizvod (Art.No) 737928
Tip WFHV7014-JUW401
Model WHP74ES
Dodatan ID VWJ070242U0W
Država RS
Ovo je za:
Proizvod (Art.No) 737928
Tip WFHV7014-JUW401
Model WHP74ES
Dodatan ID VWJ070242U0W
Država RS
Re: Hisense WFHV7014 problem sa programatorom
Hvala svima na trudu.
Rešili ste mi problem i dilemu oko povezivanja brave vrata.
Posebno se zahvaljujem "bracans" na šemi koja mi je upravo potvrdila ispravnost mojih zaključaka po pitanju priključka brave.
Još jednom hvala svima.
Programator je popravljen i testiran. Save radi ok.
Problem je bio samo u pregorelom trijaku ventila za pranje.
Pošto sam novi na forumu. Ne znam da li ja zatvaram post ili to radi administrator.
Molim administratora za kratko uputstvo i da li trebam da zatvorim ovaj post.
Pozdrav
Rešili ste mi problem i dilemu oko povezivanja brave vrata.
Posebno se zahvaljujem "bracans" na šemi koja mi je upravo potvrdila ispravnost mojih zaključaka po pitanju priključka brave.
Još jednom hvala svima.
Programator je popravljen i testiran. Save radi ok.
Problem je bio samo u pregorelom trijaku ventila za pranje.
Pošto sam novi na forumu. Ne znam da li ja zatvaram post ili to radi administrator.
Molim administratora za kratko uputstvo i da li trebam da zatvorim ovaj post.
Pozdrav
- KASA1
- Site Admin

- Postovi: 3856
- Pridružen: 14 Feb 2011, 10:28
- Location: Zagreb
- Specialty: tv-multimedia
Re: Hisense WFHV7014 problem sa programatorom
Klikneš jednostavno na kvačicu u postu s rješenjem.
http://www.fanzo.org/forum/viewtopic.ph ... 37#p285137
http://www.fanzo.org/forum/viewtopic.ph ... 37#p285137
"Čovječe, pazi da ne ideš malen ispod zvijezda!"
-
- Slične teme
- Odgovori
- Pregledano
- Zadnji post
-
-
GORENJE WA50109 problem sa programatorom -RESHENO
napisao macedo » 18 Apr 2016, 08:56 » u VEŠ MAŠINE - 5 Odgovori
- 12250 Pregledano
-
Zadnji post napisao macedo
18 Apr 2016, 20:39
-
-
-
Privileg Basic111 P6297343 problem sa programatorom
napisao ROAMER » 29 Jun 2016, 15:23 » u VEŠ MAŠINE - 14 Odgovori
- 4688 Pregledano
-
Zadnji post napisao rotor
07 Avg 2016, 23:15
-
-
- 29 Odgovori
- 2062 Pregledano
-
Zadnji post napisao orion52
28 Jun 2025, 12:35
-
- 8 Odgovori
- 3393 Pregledano
-
Zadnji post napisao darko080372
14 Apr 2008, 09:58
-
- 9 Odgovori
- 5404 Pregledano
-
Zadnji post napisao IvanBG
02 Avg 2009, 13:47
-
- 17 Odgovori
- 6660 Pregledano
-
Zadnji post napisao goranfri
06 Mar 2010, 20:58
-
- 15 Odgovori
- 3552 Pregledano
-
Zadnji post napisao glozanski
30 Apr 2010, 11:32
-
- 28 Odgovori
- 12368 Pregledano
-
Zadnji post napisao megebata
26 Dec 2015, 12:30

