AEG Lavatherm 59840 Greska E51
Urednici: goranfri,nike,sim,Honorarac
Pravila foruma
BT-expert info - BTexpert forumi
U naslov teme prvo pisati ime proizvođača, zatim oznake modela bez crtica i razmaka i kratak opis kvara. U post obavezno upisati ID ili EAN oznake sa poleđine aparata u suprotnom tema će biti obrisana.
Praktikujemo da na kraju opišemo kako smo rešili problem. Zatim zatvorimo temu >UPUTSTVO<
PRILIKOM POSTAVLJANJA PITANJA U VEZI ELEKTRONSKOG MODULA OBAVEZNO POPIŠITE SVE OZNAKE sa ploče i sa nalepnica, dobro bi došla i po koja fotografija.
BT-expert info - BTexpert forumi
U naslov teme prvo pisati ime proizvođača, zatim oznake modela bez crtica i razmaka i kratak opis kvara. U post obavezno upisati ID ili EAN oznake sa poleđine aparata u suprotnom tema će biti obrisana.
Praktikujemo da na kraju opišemo kako smo rešili problem. Zatim zatvorimo temu >UPUTSTVO<
PRILIKOM POSTAVLJANJA PITANJA U VEZI ELEKTRONSKOG MODULA OBAVEZNO POPIŠITE SVE OZNAKE sa ploče i sa nalepnica, dobro bi došla i po koja fotografija.
-
dark.cvrchak
- _

- Postovi: 5
- Pridružen: 15 Dec 2016, 00:49
- Location: Beograd
- Specialty: consumer
AEG Lavatherm 59840 Greska E51
PNC: 916096176(00)
Aug 2007
Model: 116404030
SN: 24978
History:
kupio sam ovu masinu kao polovnu, radila je bez problema neka 2 meseca a onda je pocela sve cesce da izbacuje gresku opisanu ispod.
Problem:
po pustanju u rad, masina krene da okrece bubanj. Posle par sekundi (nekad odmah, nekad posle minut i vise), motor krene da bruji i primetno se vise muci sa okretanjem. Zatim stane uz gresku E50. Iscitavanjem iz menija dobijam da je u pitanju E51 (Motor power triac short circuited. Motor faulty. Wiring faulty. Electronic board faulty).
Pokusano:
ne deluje kao da motor probija ka masi
zamenjen kondenzator
motor direktno nakacen na napon radi bez problema (oba smera, isprobano po 10-15 min)
zamenjen rele, zamenjen triac
Posto motor zasebno radi bez ikakvih problema, da li je moguce da nesto brljavi oko trigerovanja triaka? Pretpostavljam da bi bilo korisno nakaciti ga na osciloskop i videti tacno sta se tu desava, ali isti nemam :)
Aug 2007
Model: 116404030
SN: 24978
History:
kupio sam ovu masinu kao polovnu, radila je bez problema neka 2 meseca a onda je pocela sve cesce da izbacuje gresku opisanu ispod.
Problem:
po pustanju u rad, masina krene da okrece bubanj. Posle par sekundi (nekad odmah, nekad posle minut i vise), motor krene da bruji i primetno se vise muci sa okretanjem. Zatim stane uz gresku E50. Iscitavanjem iz menija dobijam da je u pitanju E51 (Motor power triac short circuited. Motor faulty. Wiring faulty. Electronic board faulty).
Pokusano:
ne deluje kao da motor probija ka masi
zamenjen kondenzator
motor direktno nakacen na napon radi bez problema (oba smera, isprobano po 10-15 min)
zamenjen rele, zamenjen triac
Posto motor zasebno radi bez ikakvih problema, da li je moguce da nesto brljavi oko trigerovanja triaka? Pretpostavljam da bi bilo korisno nakaciti ga na osciloskop i videti tacno sta se tu desava, ali isti nemam :)
-
vlada69
- gx

- Postovi: 1519
- Pridružen: 14 Okt 2012, 13:40
- Location: Kupinovo
- Contact person: Vlada
- Specialty: tv-multimedia
Re: AEG Lavatherm 59840 Greska E51
Da li motor ima tahogenerator?
-
dark.cvrchak
- _

- Postovi: 5
- Pridružen: 15 Dec 2016, 00:49
- Location: Beograd
- Specialty: consumer
Re: AEG Lavatherm 59840 Greska E51
na samom motoru? nema, obican indukcioni sa 3 izvoda
-
junuzovic
- ___

- Postovi: 594
- Pridružen: 14 Dec 2011, 21:04
- Location: Bosna i Hercegovina
- Specialty: computers
Re: AEG Lavatherm 59840 Greska E51
Daj sliku motora i njegovog konektora.
-
dark.cvrchak
- _

- Postovi: 5
- Pridružen: 15 Dec 2016, 00:49
- Location: Beograd
- Specialty: consumer
- milan
- Preminuo
- Postovi: 4426
- Pridružen: 19 Avg 2006, 22:38
- Location: Novi Sad
- Specialty: tv-multimedia
Re: AEG Lavatherm 59840 Greska E51
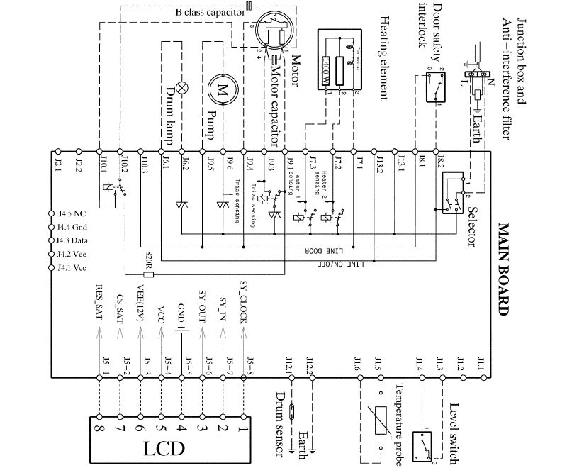
Konektori 6 i 12, isprati po semi.
Gresku moras ponistiti svaki put, to verovatno znas.
Gresku moras ponistiti svaki put, to verovatno znas.
-
junuzovic
- ___

- Postovi: 594
- Pridružen: 14 Dec 2011, 21:04
- Location: Bosna i Hercegovina
- Specialty: computers
Re: AEG Lavatherm 59840 Greska E51
Probaj meriti napon na konektoru sa ploče. Kada uključiš motor direktno probaj opteretiti remenicu pa vidi.Ako je motor u redu i kondenzator onda je problem na elektronici , napajanje motora nije dobro..
-
Matori2
- _

- Postovi: 155
- Pridružen: 22 Feb 2008, 17:43
- Location: Srbija
- Contact person: milan
- Specialty: whitegoods
- Lokacija: Dublje
Re: AEG Lavatherm 59840 Greska E51
Imao sam problem slicne prirode i mislim da je i masina slicna,neko je menjao kais (remen) i nije dobro uspanovao,motor je na jednu stranu okretao a kad promeni smer remen se utegne pocne brujanje i izbaci gresku.
Kome radionica lici na apoteku, taj verovatno leci elektroniku brufenima....
-
dark.cvrchak
- _

- Postovi: 5
- Pridružen: 15 Dec 2016, 00:49
- Location: Beograd
- Specialty: consumer
Re: AEG Lavatherm 59840 Greska E51
ne kontam ovo za konektore, sta sa njima?milan je napisao:Konektori 6 i 12, isprati po semi.
Gresku moras ponistiti svaki put, to verovatno znas.
gresku ponistim pre bilo kakve provere :)
motor radi bez problema (obe strane, sa sve okretanjem bubnja) ako mu na konektor direktno dovedem 220v. Danas je okretao po 15tak min na jednu stranu i isto toliko na drugu. Ako to isto pokusam preko test programa na masini, krene ok, pa zabruji i teze okrece, da bi na kraju stao uz E51junuzovic je napisao:Probaj meriti napon na konektoru sa ploče. Kada uključiš motor direktno probaj opteretiti remenicu pa vidi.Ako je motor u redu i kondenzator onda je problem na elektronici , napajanje motora nije dobro..
Pretpostavljam da jeste nesto sa elektronikom, zato sam i zamenio i triak i rele, ali bez uspeha
-
dark.cvrchak
- _

- Postovi: 5
- Pridružen: 15 Dec 2016, 00:49
- Location: Beograd
- Specialty: consumer
Re: AEG Lavatherm 59840 Greska E51
Bump
ako ovo ne bude islo, kontam da mi nema druge nego da se upustim u izradu sopstvenog kontrolera - koliko sam ukacio, stavljanje kompletno nove ploce se ne isplati preterano, a masinu je greota rashodovati :)
ako ovo ne bude islo, kontam da mi nema druge nego da se upustim u izradu sopstvenog kontrolera - koliko sam ukacio, stavljanje kompletno nove ploce se ne isplati preterano, a masinu je greota rashodovati :)
Re: AEG Lavatherm 59840 Greska E51
Ista greska e51 molim pomoc
-
dejanpanjkov
- _

- Postovi: 1
- Pridružen: 12 Feb 2020, 19:50
- Location: sid
- Specialty: whitegoods
Re: AEG Lavatherm 59840 Greska E51 * REŠENO *
prelemi ovaj otpornik
- KASA1
- Site Admin

- Postovi: 3856
- Pridružen: 14 Feb 2011, 10:28
- Location: Zagreb
- Specialty: tv-multimedia
Re: AEG Lavatherm 59840 Greska E51
Prelemljivanjem otpora problem riješen? 
"Čovječe, pazi da ne ideš malen ispod zvijezda!"
-
- Slične teme
- Odgovori
- Pregledano
- Zadnji post
-
- 26 Odgovori
- 12199 Pregledano
-
Zadnji post napisao bakicivan1991
28 Feb 2021, 18:29
-
- 6 Odgovori
- 1512 Pregledano
-
Zadnji post napisao borat
23 Nov 2024, 11:30
-
-
AEG Electrolux Lavamat L88819 Greška E59 ODUSTAO
napisao djolejr » 06 Feb 2018, 12:03 » u VEŠ MAŠINE - 5 Odgovori
- 2812 Pregledano
-
Zadnji post napisao jaro
10 Feb 2018, 07:45
-
-
- 5 Odgovori
- 2001 Pregledano
-
Zadnji post napisao KASA1
19 Nov 2022, 09:36
-
- 14 Odgovori
- 4431 Pregledano
-
Zadnji post napisao GTI
02 Feb 2011, 20:14
-
-
AEG Elektrolux 74800 Lavamat nema napajanja RESENO
napisao milanmerlin » 29 Mar 2011, 21:52 » u VEŠ MAŠINE - 5 Odgovori
- 1830 Pregledano
-
Zadnji post napisao milanmerlin
01 Apr 2011, 21:45
-
-
- 5 Odgovori
- 1359 Pregledano
-
Zadnji post napisao Hazbo
17 svi 2012, 17:54
-
- 6 Odgovori
- 1507 Pregledano
-
Zadnji post napisao Hazbo
19 Sep 2012, 14:37
