VeliBor
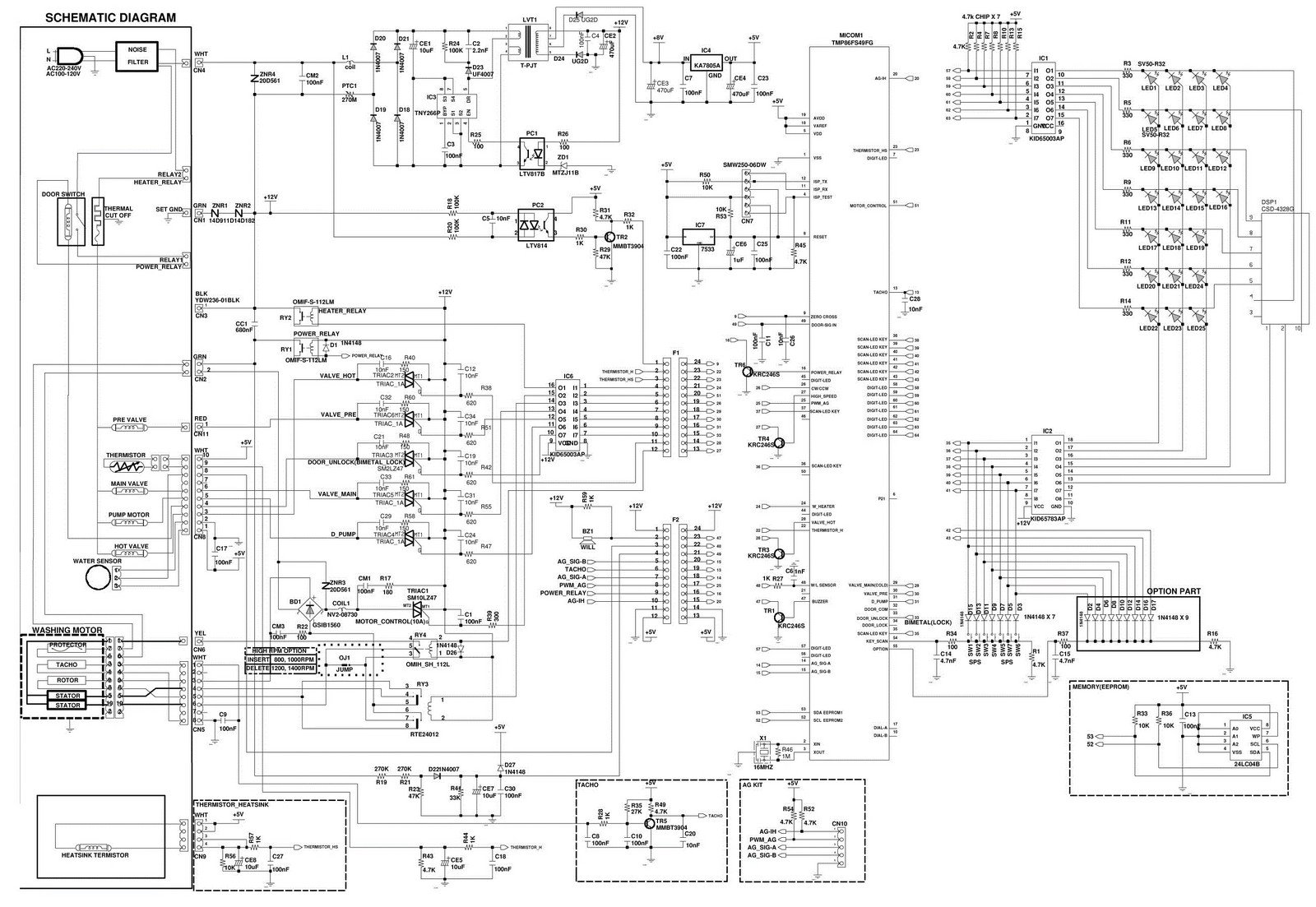
Dobro vece, da li mi mozete pomoci potrebna mi je sema spajanja van masine na stolu I da li se uopste moze upaliti "na prazno" nasao sam 100oma otpornik sto ide s greca, unaprijed hvala.
by
VeliBor
Hvala puno, vec sam nasao u postu semu zamijenio otpornik jacim (drugoga nisam imao) ali nista isto kao da ide nigdje spaja se s blok kondenzatorom a dalje nema, pa mi nije jasno da li jos neka caka za paljenje. Prikljucio napojni kabal na plocu ali ima relej cini mi se, pise power state tu raditi?

