Da li je neko popravljao ovu sudo masinu.
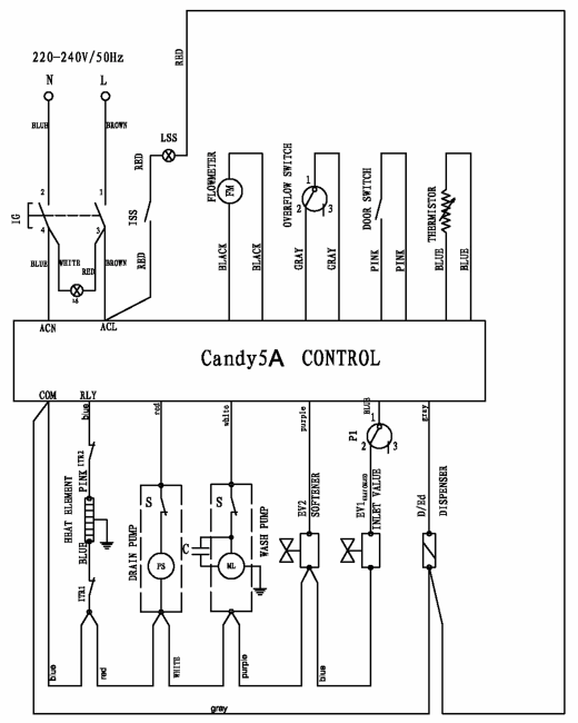
Odradi ceo program ali ne greje vodu .Pokusao sam da nadjem grejac i mislim da se on nalazi na jednom gumenom crevu( ne kao kod klasicnih sudo masina) izmerio sam otpornost i vrednost je 23 oma.Izolacija na zicama za protokomer je bila ostecena i ja sam je izolir trakom popravio .Masina normalno prima i izbacuje vodu ali ne greje.
Dobro bi mi dosao neki savet ili shema.
Hvala
Sudo masina candy csf4570e
Urednici: goranfri,nike,sim,Honorarac
Pravila foruma
BT-expert info - BTexpert forumi
U naslov teme prvo pisati ime proizvođača, zatim oznake modela bez crtica i razmaka i kratak opis kvara. U post obavezno upisati ID ili EAN oznake sa poleđine aparata u suprotnom tema će biti obrisana.
Praktikujemo da na kraju opišemo kako smo rešili problem. Zatim zatvorimo temu >UPUTSTVO<
PRILIKOM POSTAVLJANJA PITANJA U VEZI ELEKTRONSKOG MODULA OBAVEZNO POPIŠITE SVE OZNAKE sa ploče i sa nalepnica, dobro bi došla i po koja fotografija.
BT-expert info - BTexpert forumi
U naslov teme prvo pisati ime proizvođača, zatim oznake modela bez crtica i razmaka i kratak opis kvara. U post obavezno upisati ID ili EAN oznake sa poleđine aparata u suprotnom tema će biti obrisana.
Praktikujemo da na kraju opišemo kako smo rešili problem. Zatim zatvorimo temu >UPUTSTVO<
PRILIKOM POSTAVLJANJA PITANJA U VEZI ELEKTRONSKOG MODULA OBAVEZNO POPIŠITE SVE OZNAKE sa ploče i sa nalepnica, dobro bi došla i po koja fotografija.
-
zika shlus
- _

- Postovi: 1
- Pridružen: 23 Apr 2012, 09:33
- Location: bepgrad
-
- Slične teme
- Odgovori
- Pregledano
- Zadnji post
-
- 3 Odgovori
- 2130 Pregledano
-
Zadnji post napisao KASA1
17 Feb 2021, 09:31
-
- 10 Odgovori
- 3676 Pregledano
-
Zadnji post napisao deratizator
14 Dec 2009, 14:19
-
- 8 Odgovori
- 5649 Pregledano
-
Zadnji post napisao nesonisevic
23 Avg 2017, 18:08
-
- 9 Odgovori
- 3772 Pregledano
-
Zadnji post napisao zoxi19
15 Sep 2017, 20:32
-
- 6 Odgovori
- 2596 Pregledano
-
Zadnji post napisao duri
01 Mar 2019, 19:13
-
- 16 Odgovori
- 5196 Pregledano
-
Zadnji post napisao jpirovic
16 Sep 2015, 21:07
-
-
** SOFTVER SUDO-MAŠINE ** ovde možete postaviti
napisao fanzo » 01 Avg 2009, 02:41 » u MAŠINE ZA SUDOVE - 0 Odgovori
- 3859 Pregledano
-
Zadnji post napisao fanzo
01 Avg 2009, 02:41
-
-
-
** ŠEME SUDO-MAŠINE ** ovde možete postaviti
napisao fanzo » 01 Avg 2009, 02:42 » u MAŠINE ZA SUDOVE - 17 Odgovori
- 16145 Pregledano
-
Zadnji post napisao orion52
29 Sep 2022, 11:07
-
