Elite AS-12ER13 problem i greska F6
Urednici: goranfri,nike,sim,Honorarac
Pravila foruma
BT-expert info - BTexpert forumi
U naslov teme prvo pisati ime proizvođača, zatim oznake modela bez crtica i razmaka i kratak opis kvara. U post obavezno upisati ID ili EAN oznake sa poleđine aparata u suprotnom tema će biti obrisana.
Praktikujemo da na kraju opišemo kako smo rešili problem. Zatim zatvorimo temu >UPUTSTVO<
PRILIKOM POSTAVLJANJA PITANJA U VEZI ELEKTRONSKOG MODULA OBAVEZNO POPIŠITE SVE OZNAKE sa ploče i sa nalepnica, dobro bi došla i po koja fotografija.
BT-expert info - BTexpert forumi
U naslov teme prvo pisati ime proizvođača, zatim oznake modela bez crtica i razmaka i kratak opis kvara. U post obavezno upisati ID ili EAN oznake sa poleđine aparata u suprotnom tema će biti obrisana.
Praktikujemo da na kraju opišemo kako smo rešili problem. Zatim zatvorimo temu >UPUTSTVO<
PRILIKOM POSTAVLJANJA PITANJA U VEZI ELEKTRONSKOG MODULA OBAVEZNO POPIŠITE SVE OZNAKE sa ploče i sa nalepnica, dobro bi došla i po koja fotografija.
-
martinrigs
- _

- Postovi: 7
- Pridružen: 17 Okt 2023, 19:02
- Location: srbija
- Specialty: whitegoods
Elite AS-12ER13 problem i greska F6
Drugari
imam pomenutu klimu oko 15 godina,besprekorno je radila do prosle jeseni,
masina u klimi je Galanz,
pocetkom prosle jeseni upalim klimu da se dogrejemo u prelaznom periodu,
upali se cujem spoljnu jedinicu,unutrasnja zabruji,izbaci gresku F6 i ugasi se,
tako se ponasa i na hladjenju i grejanju,
promenim obe sonde unutrasnje jedinice i nista,
citajuci po ovom forumu,naidjem da moze da bude i motor unutrasnje jedinice,
odustanem od rasturanja....
i ovog leta posto su bile vrucine,probam je i klima radi besprekorno,probam i na grejanju radi,
radila je skoro 2 meseca odlicno,sada kada je opet doslao hladan period reko da se dogrejemo,
kao ono....opet ista stvar greska F6 i gasi se,
rasturim spoljnju jedinicu nadjem sondu na unimeru pokazuje 3,18 Kb otpornost,
malo sam zagrejao sondu i pokusao da upalim klimu...i nista nije uspelo,
posto nisam majstor vec hobista i u nedostatku majstora u gradu,
nekoliko koliko je ostalo ne mogu platiti,pa eto pokusavam sam da resim,
potreban mi je savet,jel je neki problem u spoljasnjoj jedinici sonda,solenoid ili kondezator...
ili je motor unutrasnje jedinice,ali me cudi kako kada je toplo radi.....
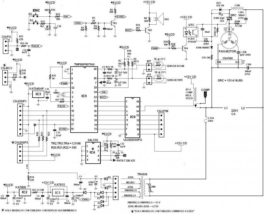
u prilogu elektricna sema spoljnje jedinice!!!
svaki savet dobrodosao!!!
imam pomenutu klimu oko 15 godina,besprekorno je radila do prosle jeseni,
masina u klimi je Galanz,
pocetkom prosle jeseni upalim klimu da se dogrejemo u prelaznom periodu,
upali se cujem spoljnu jedinicu,unutrasnja zabruji,izbaci gresku F6 i ugasi se,
tako se ponasa i na hladjenju i grejanju,
promenim obe sonde unutrasnje jedinice i nista,
citajuci po ovom forumu,naidjem da moze da bude i motor unutrasnje jedinice,
odustanem od rasturanja....
i ovog leta posto su bile vrucine,probam je i klima radi besprekorno,probam i na grejanju radi,
radila je skoro 2 meseca odlicno,sada kada je opet doslao hladan period reko da se dogrejemo,
kao ono....opet ista stvar greska F6 i gasi se,
rasturim spoljnju jedinicu nadjem sondu na unimeru pokazuje 3,18 Kb otpornost,
malo sam zagrejao sondu i pokusao da upalim klimu...i nista nije uspelo,
posto nisam majstor vec hobista i u nedostatku majstora u gradu,
nekoliko koliko je ostalo ne mogu platiti,pa eto pokusavam sam da resim,
potreban mi je savet,jel je neki problem u spoljasnjoj jedinici sonda,solenoid ili kondezator...
ili je motor unutrasnje jedinice,ali me cudi kako kada je toplo radi.....
u prilogu elektricna sema spoljnje jedinice!!!
svaki savet dobrodosao!!!
- sim
- gxu

- Postovi: 1179
- Pridružen: 09 Jul 2009, 21:43
- Location: Krusevac
- Warranty service: Bela tehnika
- Contact person: Ivan
- Phone number: 0038162303936
- Specialty: whitegoods
Re: Elite AS-12ER13 problem i greska F6
Za početak ukljuci klimu na hladjenju i vidi da li pocinje unutrasnja jedinica da izduvava. Pre toga otvori krilce i probaj prstima turbinu da li se lako okrece?
SIMkom
-
martinrigs
- _

- Postovi: 7
- Pridružen: 17 Okt 2023, 19:02
- Location: srbija
- Specialty: whitegoods
Re: Elite AS-12ER13 problem i greska F6
Postovani
hvala na odgovoru,
prstima se lako vrte peraja motora,
medjutim kada sam pustio klimu na hladjenje kompresor napolju se upalio,
lampom sam gledao peraja motora i oni se vrlo sporo okrecu,bukvalno kao da ih vrtim prstima,
i tako jedno 5-6 sekundi,onda se cuje klik,kao da se sistem ugasio,i izbaci gresku F6!!!
tu sam i ja nesto sumnjao,jer letos kada je upalim na hladjenje,motor unutrasnje jedinice jako izduvava odmah!!!
da napomenem da se sada u prostoriji gde je unutrasnja jedinica lozi,tako da je i toplije nego u letnjem periodu,kada klima lepo radi!!!
hvala na odgovoru,
prstima se lako vrte peraja motora,
medjutim kada sam pustio klimu na hladjenje kompresor napolju se upalio,
lampom sam gledao peraja motora i oni se vrlo sporo okrecu,bukvalno kao da ih vrtim prstima,
i tako jedno 5-6 sekundi,onda se cuje klik,kao da se sistem ugasio,i izbaci gresku F6!!!
tu sam i ja nesto sumnjao,jer letos kada je upalim na hladjenje,motor unutrasnje jedinice jako izduvava odmah!!!
da napomenem da se sada u prostoriji gde je unutrasnja jedinica lozi,tako da je i toplije nego u letnjem periodu,kada klima lepo radi!!!
Re: Elite AS-12ER13 problem i greska F6
Zameni blok kondenzator u unutrasnu jedinicu od 1 il 1,5 uf
TOCE
-
martinrigs
- _

- Postovi: 7
- Pridružen: 17 Okt 2023, 19:02
- Location: srbija
- Specialty: whitegoods
Re: Elite AS-12ER13 problem i greska F6
Postovani,
hvala na odgovoru i pomoci,
Izvadio sam elektonsku plocicu,uz put vidim da je izgleda izgoreo jedan otpornik,
moze li se proveriti bez odlemljivanja,otpornik ima miris na izgorelo
otpornik se oljustio pa ne mogu da ga indetifikujem,jel treba osim njega da se menja i taj blok kondezator,
ako mislite da treba,molim da mi obelezite na slici koji je u pitanju!!!
hvala na odgovoru i pomoci,
Izvadio sam elektonsku plocicu,uz put vidim da je izgleda izgoreo jedan otpornik,
moze li se proveriti bez odlemljivanja,otpornik ima miris na izgorelo
otpornik se oljustio pa ne mogu da ga indetifikujem,jel treba osim njega da se menja i taj blok kondezator,
ako mislite da treba,molim da mi obelezite na slici koji je u pitanju!!!
- KASA1
- Site Admin

- Postovi: 3753
- Pridružen: 14 Feb 2011, 10:28
- Location: Zagreb
- Specialty: tv-multimedia
Re: Elite AS-12ER13 problem i greska F6
Otpornik je možda i ispravan, izmjeri mu vrijednost,... što se tiče kondenzatora, ako se radi o bloku od 1 ili 1.5µF, onda je to ovaj veći crni:
"Čovječe, pazi da ne ideš malen ispod zvijezda!"
-
martinrigs
- _

- Postovi: 7
- Pridružen: 17 Okt 2023, 19:02
- Location: srbija
- Specialty: whitegoods
Re: Elite AS-12ER13 problem i greska F6
U prilogu slika tog crnog blok kondezatora,nisam siguran kako njega ispitati,
i treba mi potvrda da li njega menjati,ili neki drugi,
inace otpornik na podruciju 200K na unimeru pokazuje 28.0
ali merenje vrseno na plocici,nije skidan sa plocice,
ako bih ga trebao menjati,mozete li ga identifikovati po ovim ostacima!!!
i treba mi potvrda da li njega menjati,ili neki drugi,
inace otpornik na podruciju 200K na unimeru pokazuje 28.0
ali merenje vrseno na plocici,nije skidan sa plocice,
ako bih ga trebao menjati,mozete li ga identifikovati po ovim ostacima!!!
- sim
- gxu

- Postovi: 1179
- Pridružen: 09 Jul 2009, 21:43
- Location: Krusevac
- Warranty service: Bela tehnika
- Contact person: Ivan
- Phone number: 0038162303936
- Specialty: whitegoods
Re: Elite AS-12ER13 problem i greska F6
Cime meris koji unimer imas?
Ako nisi siguran bolje ga zameni nije skup. Nisi napisao odakle si da bi ti preporucili prodavnicu. 1,5 mikrofarada. Blok
Ako nisi siguran bolje ga zameni nije skup. Nisi napisao odakle si da bi ti preporucili prodavnicu. 1,5 mikrofarada. Blok
SIMkom
-
martinrigs
- _

- Postovi: 7
- Pridružen: 17 Okt 2023, 19:02
- Location: srbija
- Specialty: whitegoods
Re: Elite AS-12ER13 problem i greska F6
Postovani
iz Zajecara sam,mislim i da nemamo prodavnicu elektronskih komponenti,
narucicu i blok kondezator i otpornik,samo imam problem da indetifikujem otpornik jer se preljustio,
mislim da je ovo sema od ove ploce,ali se bas ne snalazim da nadjem osteceni otpornik na semi,
pa ako moze pomoc!!
inace imam najobicniji pijacarski mali unimer digitalni!!!!
iz Zajecara sam,mislim i da nemamo prodavnicu elektronskih komponenti,
narucicu i blok kondezator i otpornik,samo imam problem da indetifikujem otpornik jer se preljustio,
mislim da je ovo sema od ove ploce,ali se bas ne snalazim da nadjem osteceni otpornik na semi,
pa ako moze pomoc!!
inace imam najobicniji pijacarski mali unimer digitalni!!!!
- alexa_pg
- Site Admin

- Postovi: 6041
- Pridružen: 22 Avg 2006, 08:10
- Location: Podgorica
- Specialty: tv-multimedia
Re: Elite AS-12ER13 problem i greska F6
Uvađeni kolega,
Tako se ne popravljaju el. uređaji.
Ako instrumenat pokaže neku vrijednost, treba napisati i čega ["na unimeru pokazuje 28.0"]
Konkretan otpornik ima vrijednost 27K
Na šemi u prilogu ti je zaokružen otpornik 27K i kondenzator 1.5uF 450V
Tako se ne popravljaju el. uređaji.
Ako instrumenat pokaže neku vrijednost, treba napisati i čega ["na unimeru pokazuje 28.0"]
Konkretan otpornik ima vrijednost 27K
Na šemi u prilogu ti je zaokružen otpornik 27K i kondenzator 1.5uF 450V
"I ja volim ljude ali ih sve manje podnosim"
- KASA1
- Site Admin

- Postovi: 3753
- Pridružen: 14 Feb 2011, 10:28
- Location: Zagreb
- Specialty: tv-multimedia
Re: Elite AS-12ER13 problem i greska F6
Ako je na području od 200K izmjerio 28 onda je u okviru nominalne vrijednosti i nije ga nužno mijenjati.
Kako vjerojatno na tom instrumentu nemaš mogućnost mjerenja kapaciteta, zamijeni blok po preporuci, bez mjerenja.
Kako vjerojatno na tom instrumentu nemaš mogućnost mjerenja kapaciteta, zamijeni blok po preporuci, bez mjerenja.
"Čovječe, pazi da ne ideš malen ispod zvijezda!"
-
martinrigs
- _

- Postovi: 7
- Pridružen: 17 Okt 2023, 19:02
- Location: srbija
- Specialty: whitegoods
Re: Elite AS-12ER13 problem i greska F6
Hvala vam svima na pomoci i odgovorima,
izvinjavam se na nekim eventualnim greskama,
ipak sam povremeni hobi elektronicar,a par godina se nisam ni susretao sa elekktronikom,
u gradu nemam za kupiti blok kondezator,
pa cu ga naruciti sa interneta,
posle zamene cu se javiti kako je sve proslo!!!
izvinjavam se na nekim eventualnim greskama,
ipak sam povremeni hobi elektronicar,a par godina se nisam ni susretao sa elekktronikom,
u gradu nemam za kupiti blok kondezator,
pa cu ga naruciti sa interneta,
posle zamene cu se javiti kako je sve proslo!!!
- sim
- gxu

- Postovi: 1179
- Pridružen: 09 Jul 2009, 21:43
- Location: Krusevac
- Warranty service: Bela tehnika
- Contact person: Ivan
- Phone number: 0038162303936
- Specialty: whitegoods
Re: Elite AS-12ER13 problem i greska F6
Moz s da stavis i okrugli koji ima po svim prodavnicama. Ne mora da bude blok. Samo sto mora da se izvedu 2 zice i to posle da se uglavi u klimi.
SIMkom
-
martinrigs
- _

- Postovi: 7
- Pridružen: 17 Okt 2023, 19:02
- Location: srbija
- Specialty: whitegoods
Re: Elite AS-12ER13 problem i greska F6
Stigao kondezator,zaletovan novi na plocici i klima sklopljena,
upaljena i ista stvar,na hladjenju se pokrene i za nekoliko sekundi zabruji i izbaci gresku F6,
na grejanju spoljna radi duze,ali kada dodje do aktivacije unutrasnje kao zabruji nesto i izbaci gresku,
probana i na ventilator opciji i sve isto,probao sam da je palim i na razlicitim brzinama ventilatora,
vise nisam znao sta da radim,resetovao daljinski opet isto,vrteo prstima turbinu u onutrasnjoj jedinici i nista,nema luftova,lako se okrece,
turbina se i prilikom rada okrece,ali nekako sporo i na kraju zabruji pred paljenjem greske,
kada se upali greska moram 2 puta na daljinskom da kliknem na gasenju da bi se ugasila,
na prvom koraku samo izbrise gresku i pojavi temperaturu,i drugim klikom gasim klimu,
u jednom trenutku kada sam to uradio displej se ugasio ali klima je ostala da radi i ventilator je krenuo da radi punom brzinom,
kliknuo sam na daljinskom da je upalim(i ako je ona radila)pojavio se displej i klima je pocela da radi,bila je na grejanju i krenula da greje,
testirao sam je vise sati i na grejanju i na hladjenju,koristio sve brzine ventilatora i radila je kao sat,
e sada zbog cega se opravila i do kada ce to da traje nemam predstavu,
ako neko ima neki savet ili ako trebam jos nesto istestirati!!!
P.S dok pisem post,upalih je da je proverim i radi,ali do kada.....
upaljena i ista stvar,na hladjenju se pokrene i za nekoliko sekundi zabruji i izbaci gresku F6,
na grejanju spoljna radi duze,ali kada dodje do aktivacije unutrasnje kao zabruji nesto i izbaci gresku,
probana i na ventilator opciji i sve isto,probao sam da je palim i na razlicitim brzinama ventilatora,
vise nisam znao sta da radim,resetovao daljinski opet isto,vrteo prstima turbinu u onutrasnjoj jedinici i nista,nema luftova,lako se okrece,
turbina se i prilikom rada okrece,ali nekako sporo i na kraju zabruji pred paljenjem greske,
kada se upali greska moram 2 puta na daljinskom da kliknem na gasenju da bi se ugasila,
na prvom koraku samo izbrise gresku i pojavi temperaturu,i drugim klikom gasim klimu,
u jednom trenutku kada sam to uradio displej se ugasio ali klima je ostala da radi i ventilator je krenuo da radi punom brzinom,
kliknuo sam na daljinskom da je upalim(i ako je ona radila)pojavio se displej i klima je pocela da radi,bila je na grejanju i krenula da greje,
testirao sam je vise sati i na grejanju i na hladjenju,koristio sve brzine ventilatora i radila je kao sat,
e sada zbog cega se opravila i do kada ce to da traje nemam predstavu,
ako neko ima neki savet ili ako trebam jos nesto istestirati!!!
P.S dok pisem post,upalih je da je proverim i radi,ali do kada.....
-
- Slične teme
- Odgovori
- Pregledano
- Zadnji post
-
- 8 Odgovori
- 2409 Pregledano
-
Zadnji post napisao dalens
20 Jun 2019, 20:02
-
- 2 Odgovori
- 955 Pregledano
-
Zadnji post napisao bojan nis\
10 Sep 2009, 22:41
-
- 12 Odgovori
- 7766 Pregledano
-
Zadnji post napisao Honorarac
22 Okt 2010, 22:19
-
- 27 Odgovori
- 7086 Pregledano
-
Zadnji post napisao Stolle
08 Dec 2013, 19:59
-
- 5 Odgovori
- 4512 Pregledano
-
Zadnji post napisao gelevski
25 Mar 2012, 15:10
-
- 1 Odgovori
- 2964 Pregledano
-
Zadnji post napisao mrle88
30 Jun 2012, 16:12
-
- 1 Odgovori
- 2099 Pregledano
-
Zadnji post napisao hagula
10 Avg 2012, 21:17
-
-
AUX ASWH12-A4/SAR1DI inverter , greska E5- RESENO
napisao kosticc.milan » 08 Jan 2013, 13:18 » u KLIMA UREĐAJI - 5 Odgovori
- 6851 Pregledano
-
Zadnji post napisao kosticc.milan
10 Jan 2013, 12:58
-

