Panasonic klima CSA125KE-gasi se spoljna jedinica-RESENO!
Urednici: goranfri,nike,sim,Honorarac
Pravila foruma
BT-expert info - BTexpert forumi
U naslov teme prvo pisati ime proizvođača, zatim oznake modela bez crtica i razmaka i kratak opis kvara. U post obavezno upisati ID ili EAN oznake sa poleđine aparata u suprotnom tema će biti obrisana.
Praktikujemo da na kraju opišemo kako smo rešili problem. Zatim zatvorimo temu >UPUTSTVO<
PRILIKOM POSTAVLJANJA PITANJA U VEZI ELEKTRONSKOG MODULA OBAVEZNO POPIŠITE SVE OZNAKE sa ploče i sa nalepnica, dobro bi došla i po koja fotografija.
BT-expert info - BTexpert forumi
U naslov teme prvo pisati ime proizvođača, zatim oznake modela bez crtica i razmaka i kratak opis kvara. U post obavezno upisati ID ili EAN oznake sa poleđine aparata u suprotnom tema će biti obrisana.
Praktikujemo da na kraju opišemo kako smo rešili problem. Zatim zatvorimo temu >UPUTSTVO<
PRILIKOM POSTAVLJANJA PITANJA U VEZI ELEKTRONSKOG MODULA OBAVEZNO POPIŠITE SVE OZNAKE sa ploče i sa nalepnica, dobro bi došla i po koja fotografija.
-
vasicmi
- _

- Postovi: 24
- Pridružen: 01 Okt 2008, 18:15
- Location: Srbija.Nis
- Warranty service: VOX,VIVAX,TCL,TESLA
- Contact person: Milenko Vasic
Panasonic klima CSA125KE-gasi se spoljna jedinica-RESENO!
Naisao sam na isti problem kod dve starije Panasonic klime Model unutr.CS-A125KE/R22/spoljna jed.CS-A125KE.Kada se ukljuci na hladjene radi samo jedan minut i onda se iskljuci compresor i ventilator spoljne jedinice istovremeno a unutrasnja radi normalno.Nakon 5 minuta ponovo se ukljuci spoljna jedinica i radi jedan minut i opet se iskljuci.
Proverena je elektronika kod elektronicara,sonde na unutrasnjoj ispravne,motor ventilatora un.jed.ispravan,gas u sistemu ok.kompresor vuce struju normalnu oko 5,6 A.Kada ih pustim na grejanje rade vise od pola sata.Kada je ukljucim na hladjenje uvece oko 19 h radi do pola sata a onda iskljuci spoljnu jed.Kada ih pustim oko podneva rade samo po jedan minut.
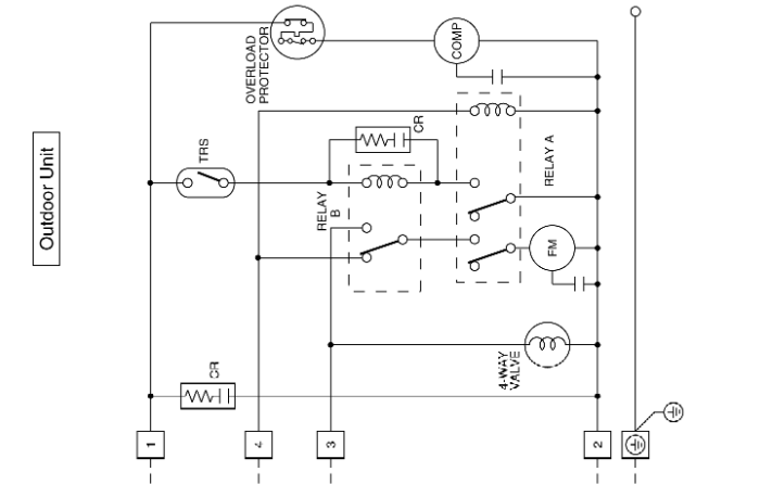
U spoljnoj jedinici imaju dva releja A i B .
Molim za pomoc.
ZAMENIO SAM ELEKTRONIKU I KLIMA RADI !HVALA SVIMA KOJI SU POMAGALI SVOJIM SAVETIMA!
Proverena je elektronika kod elektronicara,sonde na unutrasnjoj ispravne,motor ventilatora un.jed.ispravan,gas u sistemu ok.kompresor vuce struju normalnu oko 5,6 A.Kada ih pustim na grejanje rade vise od pola sata.Kada je ukljucim na hladjenje uvece oko 19 h radi do pola sata a onda iskljuci spoljnu jed.Kada ih pustim oko podneva rade samo po jedan minut.
U spoljnoj jedinici imaju dva releja A i B .
Molim za pomoc.
ZAMENIO SAM ELEKTRONIKU I KLIMA RADI !HVALA SVIMA KOJI SU POMAGALI SVOJIM SAVETIMA!
Zadnja izmena: vasicmi, dana 16 Sep 2015, 23:59, ukupno menjano 4 puta.
- nike
- gxu

- Postovi: 2898
- Pridružen: 21 Mar 2010, 11:35
- Location: Split HR
- Warranty service: Atosa Arisco Ozti Fimar Roller-Grill Systemair Fiocchetti Prismafood Cappone Hendi Omniwash Icetech ItalI-Ice
- Contact person: NIKE
- Specialty: whitegoods
- Lokacija: Split, HR
Re: Panasonic klima CSA125KE-gasi se spoljna jedinica
Kada se ukljuci na hladjene radi samo jedan minut i onda se iskljuci compresor i ventilator spoljne jedinice istovremeno
60 Secs. Forced Operation Control
• Once the compressor is activated, it
does not stop within the first 60 secs.
Kako znaš?gas u sistemu ok
"Blago budalama, njima je lako jer ne misle tako!" PV
-
vasicmi
- _

- Postovi: 24
- Pridružen: 01 Okt 2008, 18:15
- Location: Srbija.Nis
- Warranty service: VOX,VIVAX,TCL,TESLA
- Contact person: Milenko Vasic
Re: Panasonic klima CSA125KE-gasi se spoljna jedinica
Pritisci i isparenja normalni,comp.vuce normalnu amperazu.Opet sam bio pre neki dan kad je bilo hladno medjutim spoljna jedinica ne radi vise od jednog minuta.Nakon 3-5 minuta opet se sama ukljuci i tako nekoliko puta.Od 55 pregleda niko osim nike da me nesto posavetuje.Inace sam telefonom zvao nekoliko servisa sto ovl.za Panasonic sto ovako pa cak i Blue electronic znaju za takav slucaj ali nisu na elektronici konstatovali problem i nemaju informaciju kako je resen taj problem.Za sada sam nemocan.Na pocetku price i do pre dva dana,sto ce reci dvojica servisera, rekli su mi "ubaci univerzalnu electronicu".
Hvala unapred svakom ko zeli da pomogne.
Hvala unapred svakom ko zeli da pomogne.
- bimba1958
- bela tehnika

- Postovi: 465
- Pridružen: 20 Jun 2011, 16:03
- Location: Srbija
- Contact person: Mića
- Specialty: whitegoods
- Lokacija: Srbija
Re: Panasonic klima CSA125KE-gasi se spoljna jedinica
da se i ja uklljucim:moze se tu pobrojati vise stvari:pocevsi od sondi ,releja (samog kompresora-motora)razdelnog ventila(majstror Bata je imao problem),zapusenja(iskljuci zastita motora),elektronike i na kraju moze biti neka banalnost.Treba ici postupno, i na kraju ne naci nista i samo izludeti???Nisam ti puno pomogao,ali sve to treba proveriti.
Teorija bez eksperimenta ne vodi nicemu.
-
stanko1980
- _

- Postovi: 36
- Pridružen: 08 Feb 2011, 18:13
- Location: Crvenka
- Specialty: tv
Re: Panasonic klima CSA125KE-gasi se spoljna jedinica
Ja sam imao isto takvih problema sa jednom panasonic klimom nesecam se koji je model, problem je bio u spoljnom ventilatoru elektronika nije registrovala njegov rad vuko je manju struju. kad sam umesto njega zakacio sijalicu kompresor je normalno radio. dodao sam jos jedan kondenzator na ventilator(originalni ispravan cak i zamenjen i isto se ponasala) i posle toga je radila normalno...
- nike
- gxu

- Postovi: 2898
- Pridružen: 21 Mar 2010, 11:35
- Location: Split HR
- Warranty service: Atosa Arisco Ozti Fimar Roller-Grill Systemair Fiocchetti Prismafood Cappone Hendi Omniwash Icetech ItalI-Ice
- Contact person: NIKE
- Specialty: whitegoods
- Lokacija: Split, HR
Re: Panasonic klima CSA125KE-gasi se spoljna jedinica
vasicmi je napisao:Pritisci i isparenja normalni,comp.vuce normalnu amperazu..
Zato sam te pitao kako znaš! Sa pritiscima ne znaš ništa osim da je unutra prisutan plin.Kada ih pustim na grejanje rade vise od pola sata.Kada je ukljucim na hladjenje uvece oko 19 h radi do pola sata a onda iskljuci spoljnu jed
Rekuperiraj i izvaži! Ako je plin točan u gram, zamijeni kondenzator ventilatora vanjske jedinice i provjeri ležaje tog ventilatora!
Opiši ili slikaj smještaj vanjske jedinice!
"Blago budalama, njima je lako jer ne misle tako!" PV
- frigoservisbata
- bela tehnika

- Postovi: 486
- Pridružen: 11 Jun 2009, 14:42
- Location: Vrsac
Re: Panasonic klima CSA125KE-gasi se spoljna jedinica
Koliki je otpor tih sondi sto su ispravne i na koji nacin si ih merio?
Bolje je biti malo lud, nego malo pametan.
- frigoservisbata
- bela tehnika

- Postovi: 486
- Pridružen: 11 Jun 2009, 14:42
- Location: Vrsac
Re: Panasonic klima CSA125KE-gasi se spoljna jedinica
I sta sad?Sto ne odgovaras na pitanje?Svi nesto pitaju,traze a kad im postavis pitanje nema ih.....vasicmi je napisao:Od 55 pregleda niko osim nike da me nesto posavetuje.
Hvala unapred svakom ko zeli da pomogne.
Bolje je biti malo lud, nego malo pametan.
- Damiru
- ___

- Postovi: 924
- Pridružen: 19 Avg 2006, 15:26
- Location: Srbija
- Contact person: Damir
- Specialty: tv-multimedia
- Lokacija: Kovilj, 127.0.0.1
- Kontakt:
Re: Panasonic klima CSA125KE-gasi se spoljna jedinica
Jedan amaterski odgovor iz prakse - hoće kompresor da se isključi kad sunce sija u njega direkt, pa je temperatura previsoka...
A sa Batom se potpuno slažem. Gomila ljudi ide od foruma do foruma i samo nešto traži, a retko neko negde da pomogne... Čak se često ista pitanja postavljaju na više sličnih, pa ko se prvi upeca...
A sa Batom se potpuno slažem. Gomila ljudi ide od foruma do foruma i samo nešto traži, a retko neko negde da pomogne... Čak se često ista pitanja postavljaju na više sličnih, pa ko se prvi upeca...
Commitment is pushing yourself when no one else is around.
-
vasicmi
- _

- Postovi: 24
- Pridružen: 01 Okt 2008, 18:15
- Location: Srbija.Nis
- Warranty service: VOX,VIVAX,TCL,TESLA
- Contact person: Milenko Vasic
Re: Panasonic klima CSA125KE-gasi se spoljna jedinica
Pokusao sam da ubacim neke slike sto je Nike trazio ali me nesto zeza comp.Inace sto se tice kondenz.motora ventilatora njega sam najpre zamenio kada sam vratio elektroniku nazad.Sonde su 13,40 i 17,56 na sobnoj temperaturi 28 stepeni.
U guzvi sam a comp mi se nesto gasi a sam pali,ali problem jos nisam resio na dva panasonica.
U guzvi sam a comp mi se nesto gasi a sam pali,ali problem jos nisam resio na dva panasonica.
- Prilog
-
- fanzo a.jpg (12.45 KiB) Pregledano 8777 puta.
- frigoservisbata
- bela tehnika

- Postovi: 486
- Pridružen: 11 Jun 2009, 14:42
- Location: Vrsac
Re: Panasonic klima CSA125KE-gasi se spoljna jedinica
Te vrednosti sto si izmerio na toj temperaturi su valjda ok.,ali kolike su kad menjas temperaturu,da li si pokusao da zamenis sonde?Jedna treba da bude 20K,a druga15K.Da li kada se iskljuci spoljna jedinica gubis kompletno napajanje do nje,ili ne?Meni kvar vuce na sonde,ako nisu one onda je ploca.Cesto sam imao takve slucaje i skoro uvek su sonde bile u pitanju,osim kod Samsunga gde je skoro uvek ploca u pitanju....Inace te klime ,tj ti modeli su jako,jako kvalitetni i skoro se nikad ne kvare,hlade perfektno,kompresori izuzetni ma vrh..vredi ih popraviti.............
Bolje je biti malo lud, nego malo pametan.
- nike
- gxu

- Postovi: 2898
- Pridružen: 21 Mar 2010, 11:35
- Location: Split HR
- Warranty service: Atosa Arisco Ozti Fimar Roller-Grill Systemair Fiocchetti Prismafood Cappone Hendi Omniwash Icetech ItalI-Ice
- Contact person: NIKE
- Specialty: whitegoods
- Lokacija: Split, HR
Re: Panasonic klima CSA125KE-gasi se spoljna jedinica
@vasicmi
Slabo se ti trudiš sa odgovorima na postavljena pitanja. Ako se već javljaš, onda i odgovori na pitanja koja su postavljena ili napiši da nisi u mogućnosti trenutno ili trajno da na njih odgovoriš. Ovako, gubimo volju da ti pomažemo. A i brate, od 2008 na ovamo, nit puno pišeš, a kad pišeš, samo pitaš za rješenja!
Nije valjda da ništa ne znaš šta bi drugima koristilo?
Ta klima ima u vanjskoj jedinici ugrađen TRS (Thermal reed Switch) koji kontrolira otapanje kod grijanja.
Kako ti kažeš da grijanje prestaje nakon 30min, a taj prekidač kontrolira otapanje baš nakon 30 minuta, onda pogledaj stanje tog prekidača i premosti ga obrnutom funkcijom, pa probaj dali onda klima normalno hladi!
Ona prva minuta kod hlađenja ima veze sa funkcijom:
Compressor Protection Control
Kakve veze te dvi funkcije imaju preko TRS prekidaća ne znam ali izgleda da bi tu mogla biti caka!
Nakon toga očekujemo da se javiš i napišeš da si riješio ili nisi riješio i ako jesi, kako!
Te dvije klime sa istim problemom, jesu li na istoj adresi i istom izvoru napajanja?
Slabo se ti trudiš sa odgovorima na postavljena pitanja. Ako se već javljaš, onda i odgovori na pitanja koja su postavljena ili napiši da nisi u mogućnosti trenutno ili trajno da na njih odgovoriš. Ovako, gubimo volju da ti pomažemo. A i brate, od 2008 na ovamo, nit puno pišeš, a kad pišeš, samo pitaš za rješenja!
Nije valjda da ništa ne znaš šta bi drugima koristilo?
Ta klima ima u vanjskoj jedinici ugrađen TRS (Thermal reed Switch) koji kontrolira otapanje kod grijanja.
Kako ti kažeš da grijanje prestaje nakon 30min, a taj prekidač kontrolira otapanje baš nakon 30 minuta, onda pogledaj stanje tog prekidača i premosti ga obrnutom funkcijom, pa probaj dali onda klima normalno hladi!
Ona prva minuta kod hlađenja ima veze sa funkcijom:
Compressor Protection Control
Kakve veze te dvi funkcije imaju preko TRS prekidaća ne znam ali izgleda da bi tu mogla biti caka!
Nakon toga očekujemo da se javiš i napišeš da si riješio ili nisi riješio i ako jesi, kako!
Te dvije klime sa istim problemom, jesu li na istoj adresi i istom izvoru napajanja?
"Blago budalama, njima je lako jer ne misle tako!" PV
-
vasicmi
- _

- Postovi: 24
- Pridružen: 01 Okt 2008, 18:15
- Location: Srbija.Nis
- Warranty service: VOX,VIVAX,TCL,TESLA
- Contact person: Milenko Vasic
Re: Panasonic klima CSA125KE-gasi se spoljna jedinica
Naravno da sam probao sa zamenom ali nije vredelo.frigoservisbata je napisao:Te vrednosti sto si izmerio na toj temperaturi su valjda ok.,ali kolike su kad menjas temperaturu,da li si pokusao da zamenis sonde?Jedna treba da bude 20K,a druga15K.Da li kada se iskljuci spoljna jedinica gubis kompletno napajanje do nje,ili ne?Meni kvar vuce na sonde,ako nisu one onda je ploca.Cesto sam imao takve slucaje i skoro uvek su sonde bile u pitanju,osim kod Samsunga gde je skoro uvek ploca u pitanju....Inace te klime ,tj ti modeli su jako,jako kvalitetni i skoro se nikad ne kvare,hlade perfektno,kompresori izuzetni ma vrh..vredi ih popraviti.............
-
vasicmi
- _

- Postovi: 24
- Pridružen: 01 Okt 2008, 18:15
- Location: Srbija.Nis
- Warranty service: VOX,VIVAX,TCL,TESLA
- Contact person: Milenko Vasic
Re: Panasonic klima CSA125KE-gasi se spoljna jedinica
Ne, nisu ni u istom gradu.nike je napisao:
Te dvije klime sa istim problemom, jesu li na istoj adresi i istom izvoru napajanja?
-
vasicmi
- _

- Postovi: 24
- Pridružen: 01 Okt 2008, 18:15
- Location: Srbija.Nis
- Warranty service: VOX,VIVAX,TCL,TESLA
- Contact person: Milenko Vasic
Re: Panasonic klima CSA125KE-gasi se spoljna jedinica
Zaboravih odgovor za Batu.Prekida se napajanje spoljnje kad dodje do iskljucenja.
-
vasicmi
- _

- Postovi: 24
- Pridružen: 01 Okt 2008, 18:15
- Location: Srbija.Nis
- Warranty service: VOX,VIVAX,TCL,TESLA
- Contact person: Milenko Vasic
Re: Panasonic klima CSA125KE-gasi se spoljna jedinica
Ploce su bile kod vrhunskog profesionalca pa je donosio i ventilator od spoljne jedinice doduse ne od Panasonica.Tek nakon toga me je pozvao i predao ploce.frigoservisbata je napisao:Te vrednosti sto si izmerio na toj temperaturi su valjda ok.,ali kolike su kad menjas temperaturu,da li si pokusao da zamenis sonde?Jedna treba da bude 20K,a druga15K.Da li kada se iskljuci spoljna jedinica gubis kompletno napajanje do nje,ili ne?Meni kvar vuce na sonde,ako nisu one onda je ploca.Cesto sam imao takve slucaje i skoro uvek su sonde bile u pitanju,osim kod Samsunga gde je skoro uvek ploca u pitanju....Inace te klime ,tj ti modeli su jako,jako kvalitetni i skoro se nikad ne kvare,hlade perfektno,kompresori izuzetni ma vrh..vredi ih popraviti.............
-
vasicmi
- _

- Postovi: 24
- Pridružen: 01 Okt 2008, 18:15
- Location: Srbija.Nis
- Warranty service: VOX,VIVAX,TCL,TESLA
- Contact person: Milenko Vasic
Re: Panasonic klima CSA125KE-gasi se spoljna jedinica
Ne citiraj cijeli post kad se referiraš samo na dio posta. Citiraj samo ono na šta odgovaraš.nike je napisao:@vasicmi
Slabo se ti trudiš sa odgovorima na postavljena pitanja. Ako se već javljaš, onda i odgovori na pitanja koja su postavljena ili napiši da nisi u mogućnosti trenutno ili trajno da na njih odgovoriš. Ovako, gubimo volju da ti pomažemo. A i brate, od 2008 na ovamo, nit puno pišeš, a kad pišeš, samo pitaš za rješenja!
Nije valjda da ništa ne znaš šta bi drugima koristilo?
CUT
Za ovaj uvodni deo svaka cast Nike,priznajem,potpuno si u pravu
- frigoservisbata
- bela tehnika

- Postovi: 486
- Pridružen: 11 Jun 2009, 14:42
- Location: Vrsac
Re: Panasonic klima CSA125KE-gasi se spoljna jedinica
Ovo je sonda(tj.termo prekidac) koju je nike rekao da ima i resio ti je verovatno kvar...
Zadnja izmena: frigoservisbata, dana 31 Avg 2015, 00:18, ukupno menjano 1 put.
Bolje je biti malo lud, nego malo pametan.
-
vasicmi
- _

- Postovi: 24
- Pridružen: 01 Okt 2008, 18:15
- Location: Srbija.Nis
- Warranty service: VOX,VIVAX,TCL,TESLA
- Contact person: Milenko Vasic
Re: Panasonic klima CSA125KE-gasi se spoljna jedinica
Bato probao sam i kad je izvadim napolje,i da spojim direktno /bez nje/ i stavljao sam drugu ne vredi...frigoservisbata je napisao:Ovo je sonda koju je nike rekao da ima i resio ti je verovatno kvar...
- nike
- gxu

- Postovi: 2898
- Pridružen: 21 Mar 2010, 11:35
- Location: Split HR
- Warranty service: Atosa Arisco Ozti Fimar Roller-Grill Systemair Fiocchetti Prismafood Cappone Hendi Omniwash Icetech ItalI-Ice
- Contact person: NIKE
- Specialty: whitegoods
- Lokacija: Split, HR
Re: Panasonic klima CSA125KE-gasi se spoljna jedinica
Jeli ti govoriš o temperaturnim sondama ili o TRS prekidaću?
"Blago budalama, njima je lako jer ne misle tako!" PV
-
- Slične teme
- Odgovori
- Pregledano
- Zadnji post
-
- 9 Odgovori
- 2128 Pregledano
-
Zadnji post napisao stigor
10 Jul 2012, 19:15
-
-
Midea MSG12AR gasi se spoljna jedinica - REŠENO
napisao tehniko » 28 Jan 2014, 16:13 » u KLIMA UREĐAJI - 7 Odgovori
- 3858 Pregledano
-
Zadnji post napisao GTI
02 Feb 2014, 00:34
-
-
- 18 Odgovori
- 4224 Pregledano
-
Zadnji post napisao tehniko
02 Mar 2013, 22:41
-
-
spoljna i unutrasnje jedinice koliko maksimalna duzina cevi
napisao stole » 24 Jun 2008, 13:49 » u KLIMA UREĐAJI - 7 Odgovori
- 5583 Pregledano
-
Zadnji post napisao buzdumra
11 Jul 2008, 14:52
-
-
- 15 Odgovori
- 3193 Pregledano
-
Zadnji post napisao puger
20 Dec 2007, 20:48
-
- 11 Odgovori
- 2381 Pregledano
-
Zadnji post napisao salermo
05 Jul 2013, 21:30
-
- 11 Odgovori
- 5330 Pregledano
-
Zadnji post napisao dejan-dexi
31 Jan 2014, 20:42
-
-
Vanjska jedinica klime umjesto rash.agregata
napisao lenas_bk » 10 Jul 2017, 06:09 » u KLIMA UREĐAJI - 3 Odgovori
- 2331 Pregledano
-
Zadnji post napisao Polaris
14 Jul 2018, 20:01
-
