Pregrejanje i pothladjenje

Forum za klime.

Urednici: goranfri,nike,sim,Honorarac

Pravila foruma
BT-expert info - BTexpert forumi
U naslov teme prvo pisati ime proizvođača, zatim oznake modela bez crtica i razmaka i kratak opis kvara. U post obavezno upisati ID ili EAN oznake sa poleđine aparata u suprotnom tema će biti obrisana.
Praktikujemo da na kraju opišemo kako smo rešili problem. Zatim zatvorimo temu >UPUTSTVO<
PRILIKOM POSTAVLJANJA PITANJA U VEZI ELEKTRONSKOG MODULA OBAVEZNO POPIŠITE SVE OZNAKE sa ploče i sa nalepnica, dobro bi došla i po koja fotografija.
sakisa88
_
_
Postovi: 57
Pridružen: 01 Dec 2015, 23:33
Location: Vrsac

Pregrejanje i pothladjenje

Post napisao sakisa88 » 03 Dec 2015, 02:36

Dobar dan zelim svima.
Nov sam na forumu. Hteo bih objasnjenje :zbog cega je bitno pregrejanje i pothladjenje,kako ga meriti,zasto je cifra od 4K bitna(koliko je to u stepenima?)...
Posto nema objasnjenja, odnosno tema povodom ovoga,a veoma je bitna kod rada rashladnih sistema ,voleo bih kada bih se nesto vise napisalo povodom ovoga.
Unapred hvala svima na forumu. :uca: :tooo:

Avatar
bracans
bela tehnika
bela tehnika
Postovi: 461
Pridružen: 19 Apr 2014, 12:49
Location: Novi Sad
Specialty: whitegoods

Re: Pregrejanje i pothladjenje

Post napisao bracans » 03 Dec 2015, 06:58

zasto je cifra od 4K bitna(koliko je to u stepenima?)
Sakisa nisi slusao na casu, o ovome ima dosta napisano na internetu, i kako to da neznas sta je K?

Kelvin je osnovna jedinica u SI sistemu za temperaturu, ako mislis koliko je to u Celzijusu izracunaj sam °C = K - 273,15
Raspon od jednog Kelvina jednak je rasponu od jednog stepena Celzijusa, to 4K koje ti spominjes nije temperatura, vec raspon, razlika temperatura.

a sve ostalo ces saznati ako malo odradis domaci zadatak i konsultujes internet.
Za moju svaštaru na googl pretrazi kucati moj electro cool blog.

sakisa88
_
_
Postovi: 57
Pridružen: 01 Dec 2015, 23:33
Location: Vrsac

Re: Pregrejanje i pothladjenje

Post napisao sakisa88 » 03 Dec 2015, 12:42

Naravno da znam sta je K(kelvin) ali mi nije jasno pominje se 4K ,a 4K=-269,15°C.
Ne kapiram ja to :-D :-D :-D :-D :-D

Avatar
bracans
bela tehnika
bela tehnika
Postovi: 461
Pridružen: 19 Apr 2014, 12:49
Location: Novi Sad
Specialty: whitegoods

Re: Pregrejanje i pothladjenje

Post napisao bracans » 03 Dec 2015, 14:36

pominje se 4K
da u toj tvojoj prici pominje se 4K ali ne kao temperatura od tih -269,15 C vec kao razlika temperatura od 4K ili 4C. Vidim da pocinjes, na danfossovom sajtu imas uputstva za pocetnike u ovoj oblasti. Pa kolega prostudiraj i vrati se ovamo. Mislim da sam te bar malo usmerio u kom smeru da razmisljas.

Pod pregrijanjem se podrazumijeva razlika između temperature, koja je izmjerena na osjetniku termostatskog ekspanzijskog ventila i temperature isparavanja. Temperatura isparavanja određuje se preko manometra na usisnoj strani. Pregrijanje se mjeri u stupnjevima Kelvina (K) i koristi se kao signal za regulaciju ubrizgavanja kapljevine kroz termostatski ekspanzijski ventil u isparivač.

Pothlađenje se definira kao razlika između temperature kapljevine i tlaka/temperature kondenzacije na ulazu u ekspanzijski ventil. Pothlađenje se mjeri u stupnjevima Kelvina (K). Pothlađenje rashladnog sredstva je potrebno, kako bi se izbjegli mjehurići pare ispred termostatskog ekspanzijskog ventila. Mjehurići pare smanjuju učinak termostatskog ekspanzijskog ventila, odnosno, smanjuju dovod kapljevine do isparivača. Pothlađenje od 4-5oK je u većini slučajeva dovoljno.
Za moju svaštaru na googl pretrazi kucati moj electro cool blog.

sakisa88
_
_
Postovi: 57
Pridružen: 01 Dec 2015, 23:33
Location: Vrsac

Re: Pregrejanje i pothladjenje

Post napisao sakisa88 » 03 Dec 2015, 17:06

Hvala
Znaci ako dobijemo pregrejanje od 4K dobili smo dobar protok tecnosti kroz ekspanzioni ventil ,a ako imamo podhladjenje od 4K dobili smo protok tecnosti kroz ekspanzioni ventil bez mehurica,koji kako pise, smanjuju protok tecnosti ,odnosno isparivac nece dobiti dovoljnu kolicinu tecnosti koja treba da ispari.

Interesuje me jos...da li se pod temperaturom isparavanja misli na temperaturu kojom ce freon hladiti vodu,u slucaju cilera,znaci ako je temperatura isparavanja 5°C znaci da je minimalna temperatura vode koju ce ohladiti ciler 5°C???

Hvala svima koji se jave ...nov sam u ovome,doduse imam nesto malo iskustva ali vidim da ne znam dovoljno.
Skoro sam poceo da radim u jednoj firmi kao majstor na odrzavanju kotlova,cilera itd..

Avatar
bracans
bela tehnika
bela tehnika
Postovi: 461
Pridružen: 19 Apr 2014, 12:49
Location: Novi Sad
Specialty: whitegoods

Re: Pregrejanje i pothladjenje

Post napisao bracans » 03 Dec 2015, 17:16

Zanimljiv posao, zelim ti da brzo savladas sve ove pojmove, odakle si, cime se bavi ta firma ako nije tajna. :)
Za moju svaštaru na googl pretrazi kucati moj electro cool blog.

sakisa88
_
_
Postovi: 57
Pridružen: 01 Dec 2015, 23:33
Location: Vrsac

Re: Pregrejanje i pothladjenje

Post napisao sakisa88 » 03 Dec 2015, 17:35

Hvala...naravno da je zanimljiv...zao mi je sto ranije nisam nasao ovaj forum...ima stvarno svega sto se tice ovog posla. :)

sakisa88
_
_
Postovi: 57
Pridružen: 01 Dec 2015, 23:33
Location: Vrsac

Re: Pregrejanje i pothladjenje

Post napisao sakisa88 » 03 Dec 2015, 17:41

Poslao sam ti mail bracans... :pivopije:

Avatar
bracans
bela tehnika
bela tehnika
Postovi: 461
Pridružen: 19 Apr 2014, 12:49
Location: Novi Sad
Specialty: whitegoods

Re: Pregrejanje i pothladjenje

Post napisao bracans » 03 Dec 2015, 17:48

Skontao sam interesuje te kontrola ventila slicnih danfoss AKV ventilima, vidi na danfoss sajtu imaju detaljna objasnjenja kako se te stvari podesavaju, podeli sa nama iskustva bicemo ti zahvalni, ja sam elektromehanicar u jednoj drzavnoj polu zdravstvenoj polu socijalnoj ustanovi, dobrodosao, sad ce i stari morski lavovi foruma da se pojave, zima je malo se ususkali. :pivopije:
Za moju svaštaru na googl pretrazi kucati moj electro cool blog.

sakisa88
_
_
Postovi: 57
Pridružen: 01 Dec 2015, 23:33
Location: Vrsac

Re: Pregrejanje i pothladjenje

Post napisao sakisa88 » 03 Dec 2015, 20:09

Nemogu video da postavim...inace video sadrzi snimljenu animaciju mada se i ovde vidi sve.
Prilog
komp (2)[20-07-41].JPG

sakisa88
_
_
Postovi: 57
Pridružen: 01 Dec 2015, 23:33
Location: Vrsac

Re: Pregrejanje i pothladjenje

Post napisao sakisa88 » 03 Dec 2015, 20:20

bracans ....vise kao danfoss ETS ventil postoji na sistemu kod nas...

Avatar
bracans
bela tehnika
bela tehnika
Postovi: 461
Pridružen: 19 Apr 2014, 12:49
Location: Novi Sad
Specialty: whitegoods

Re: Pregrejanje i pothladjenje

Post napisao bracans » 03 Dec 2015, 22:00

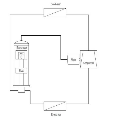
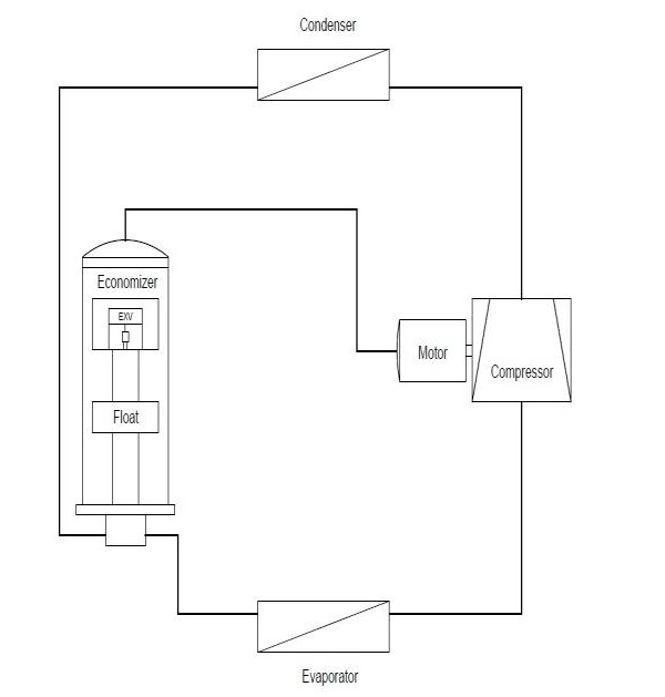
Evo ti slike tvog tipa ekonomajzera, dve principijalne, treca je dijagram termodinamickog ciklusa. U sustini razdvaja tecnu i gasovitu stranu rashladnog sredstva.Dize granice radnog pritiska kompresora, bez da se radi na njegovoj robusnosti. U vecini slucajeva se radi o vijcanim kompresorima ali moze i u centrifugalnim.
Prilog
princip1.jpg
princip1.jpg (29 KiB) Pregledano 4344 puta.
princip2.jpg
termodinamika.jpg
Za moju svaštaru na googl pretrazi kucati moj electro cool blog.

sakisa88
_
_
Postovi: 57
Pridružen: 01 Dec 2015, 23:33
Location: Vrsac

Re: Pregrejanje i pothladjenje

Post napisao sakisa88 » 03 Dec 2015, 22:30

tako je...nas je vijcani kompresor...dodatno podhladjivanje tecnosti se postize otvaranjem economizer feed valve(pogledaj moju sliku) ali to dodatno podhladjivanje se ukljucuje tek na opterecenju kompresora od 75%

sakisa88
_
_
Postovi: 57
Pridružen: 01 Dec 2015, 23:33
Location: Vrsac

Re: Pregrejanje i pothladjenje

Post napisao sakisa88 » 03 Dec 2015, 23:09

Interesuje me jos...da li se pod temperaturom isparavanja misli na temperaturu kojom ce freon hladiti vodu,u slucaju cilera,znaci ako je temperatura isparavanja 5°C znaci da je minimalna temperatura vode koju ce ohladiti ciler 5°C???

Pun sam pitanja..........novajlija sta ces :) :) :) :) :) :) :) :) :)

Avatar
nike
gxu
gxu
Postovi: 2898
Pridružen: 21 Mar 2010, 11:35
Location: Split HR
Warranty service: Atosa Arisco Ozti Fimar Roller-Grill Systemair Fiocchetti Prismafood Cappone Hendi Omniwash Icetech ItalI-Ice
Contact person: NIKE
Specialty: whitegoods
Lokacija: Split, HR

Re: Pregrejanje i pothladjenje

Post napisao nike » 04 Dec 2015, 09:04

sakisa88 je napisao:Hvala
Znaci ako dobijemo pregrejanje od 4K dobili smo dobar protok tecnosti kroz ekspanzioni ventil ,a ako imamo podhladjenje od 4K dobili smo protok tecnosti kroz ekspanzioni ventil bez mehurica,koji kako pise, smanjuju protok tecnosti ,odnosno isparivac nece dobiti dovoljnu kolicinu tecnosti koja treba da ispari.
Malo si ovde pobrkao pojmove. 4K pregrijanja znači daje isparivač optimalno iskorišten. Više od toga bi značilo da je veći dio isparivača nego što je minimalno potrebno neiskorišten. Manje od toga bi značilo da je realna opasnost da dio rashladnog sredstva ne ispari u isparivaču pa u tekućem stanju dođe u kompresor i tamo napravi štetu. Inaće, najbolje iskorišten isparivač je bez pregrijanja, ali onda imamo problem tekučine u kompresoru. Zato je tu Termoexpanzijski ventil da kontrolira doziranje tekućine u isparivač održavajući minimalno potrebno pregrijanje.

Kod kapilarnih sistema, pregrijanje na kraju ciklusa je minimalno kao i kod termoekspanzijskog ventila, i određeno je količinom plina u sistemu (kritično punjenje) a na početku ciklusa je pregrijanje preveliko i isparivač nije u potpunosti iskorišten kao u sistemu sa TXV.

Pothlađenje je potrebno da se sprijeći pojava mjehurića isparenog plina prije TXV koja može nastati zbog pada tlaka uslijed trenja rashladnog sredstva kroz cijevi i druge elemente sistema od kondenzatora do TXV. Uslijed tog pada tlaka, mijenja se temperatura kondenzacije, pa dio tekućeg rashladnog sredstva isparava ponovo dok se ne spusti temperatura mješavine na odgovarajuću temperaturu zasićenja za taj tlak u toj točki. U slučaju kad imamo dovoljno visoko pothlađenje, nema tog isparavanja zbog pada tlaka. Kad je samo tekućina na ulazu u TXV, onda je njegov kapacitet maksimalan.

Zato se ispravno punjenje sistema kojemu je kapilara ekspanzijski element vrši mjerenjem pregrijanja na kraju ciklusa, a onom sistemu sa TXV-om se pravilna napunjenost kontrolira mjerenjem pothlađenja.


Interesuje me jos...da li se pod temperaturom isparavanja misli na temperaturu kojom ce freon hladiti vodu,u slucaju cilera,znaci ako je temperatura isparavanja 5°C znaci da je minimalna temperatura vode koju ce ohladiti ciler 5°C???
Temperatura isparavanja je određena konstrukcijom izmjenjivača (toplinska vodljivost i površina), njegovim iskorištenjem sa freonske strane i strane vode ( maseni protok, pregrijanje) i temperaturom medija tj. vode na ulazu u isparivač. Taj interval se zove TD (temperature diferential) izmjenjivača.
Kod ispravno dimenzioniranog izmjenjivača za chiller je oko 10K.
Znaći da će temperatura isparavanja biti 10K niža od temperature vode na ulazu u izmjenjivač. Temperatura vode na izlazu iz izmjenjivača (polaz) će biti 5K niža od temperature na ulazu (Povrat) kada je protok vode dimenzioniran i izveden da bude 5K temperaturne razlike.
"Blago budalama, njima je lako jer ne misle tako!" PV

sakisa88
_
_
Postovi: 57
Pridružen: 01 Dec 2015, 23:33
Location: Vrsac

Re: Pregrejanje i pothladjenje

Post napisao sakisa88 » 04 Dec 2015, 10:42

Sad sam bas pogledao na chileru... ima pregrejanje od 10-11°C,a pothladjenje je razlicito i varira od nekih 4-10°C. Merenje tih parametara kao i temeraturu zasicenja i temperaturu na odredjenim mestima(tecnost,gas)imamo na displeju chilera.

sakisa88
_
_
Postovi: 57
Pridružen: 01 Dec 2015, 23:33
Location: Vrsac

Re: Pregrejanje i pothladjenje

Post napisao sakisa88 » 04 Dec 2015, 16:19

Nike ,
Nije mi bas to jasno ...po tvom obrazlozenju bi trebala temperatura isparavanja da bude -4°C(posto je sistem projektovan na 6°C ulaz,a izlaz 12°C) Jel tako? Pritisak na usisu je 2,36 bar (danas sam pogledao,jedino nisam pogledao koliko je u tom trenutku bio opterecen motor) sto odgovara tacno +4°C isparenje. ? :)

Avatar
bracans
bela tehnika
bela tehnika
Postovi: 461
Pridružen: 19 Apr 2014, 12:49
Location: Novi Sad
Specialty: whitegoods

Re: Pregrejanje i pothladjenje

Post napisao bracans » 04 Dec 2015, 16:58

Pssst :) ne govori nike.u pritisak isparavanja dobices po nosu kao ja, kazi temperaturu isparavanja. Ispravnije je, tu je nike u pravu.
Za moju svaštaru na googl pretrazi kucati moj electro cool blog.

Avatar
nike
gxu
gxu
Postovi: 2898
Pridružen: 21 Mar 2010, 11:35
Location: Split HR
Warranty service: Atosa Arisco Ozti Fimar Roller-Grill Systemair Fiocchetti Prismafood Cappone Hendi Omniwash Icetech ItalI-Ice
Contact person: NIKE
Specialty: whitegoods
Lokacija: Split, HR

Re: Pregrejanje i pothladjenje

Post napisao nike » 04 Dec 2015, 17:58

@sakisa
Kako može ulaz u isparivač biti 6°C a izlaz 12°C ako je u pitanju hlađenje? Kužiš li ti sebe? :shock:
Ili si u kunfuziji kao i Konfuzije (čuveni Balkanski filozof).

Osim toga, TXV osjeća pregrijanje na izlazu iz isparivača. Gdje taj tvoj ufeđaj mmeri pregrijanje. U sistemu ima više bitnih pregrijanja. Na isparivaču,na ulazu u kompresor i na njegovom izlazu. Sve su to stanja plina koji je pregrijan. I svi su povezani ali i posebni.
Plin može biti samo pregrijan.
Tekučina može biti samo pothlađena.
Jedino mješavina plin-tekučina može biti zasićena.

Preporučujem proučavanje nauke o topini. Bez toga, teško da će biti smislene diskusije u rashladu.
"Blago budalama, njima je lako jer ne misle tako!" PV

sakisa88
_
_
Postovi: 57
Pridružen: 01 Dec 2015, 23:33
Location: Vrsac

Re: Pregrejanje i pothladjenje

Post napisao sakisa88 » 04 Dec 2015, 18:03

Dobro brate....pogresio sam....obrnuto je... izlaz iz isparivaca 6 a ulaz 12..izvini nece se greske vise desavati :) :) :) nisam napisao pritisak isparenja vec pritisak na usisu...sto odgovara 4C temp isparenja. :) brcans...ne pravim ja greskice ko ti :) :) :) :) :)

Odgovori

Natrag na “KLIMA UREĐAJI”