SAMSUNG RS21FCSM PROBLEM...RESENO
Urednici: goranfri,nike,sim,Honorarac
Pravila foruma
BT-expert info - BTexpert forumi
U naslov teme prvo pisati ime proizvođača, zatim oznake modela bez crtica i razmaka i kratak opis kvara. U post obavezno upisati ID ili EAN oznake sa poleđine aparata u suprotnom tema će biti obrisana.
Praktikujemo da na kraju opišemo kako smo rešili problem. Zatim zatvorimo temu >UPUTSTVO<
PRILIKOM POSTAVLJANJA PITANJA U VEZI ELEKTRONSKOG MODULA OBAVEZNO POPIŠITE SVE OZNAKE sa ploče i sa nalepnica, dobro bi došla i po koja fotografija.
BT-expert info - BTexpert forumi
U naslov teme prvo pisati ime proizvođača, zatim oznake modela bez crtica i razmaka i kratak opis kvara. U post obavezno upisati ID ili EAN oznake sa poleđine aparata u suprotnom tema će biti obrisana.
Praktikujemo da na kraju opišemo kako smo rešili problem. Zatim zatvorimo temu >UPUTSTVO<
PRILIKOM POSTAVLJANJA PITANJA U VEZI ELEKTRONSKOG MODULA OBAVEZNO POPIŠITE SVE OZNAKE sa ploče i sa nalepnica, dobro bi došla i po koja fotografija.
SAMSUNG RS21FCSM PROBLEM...RESENO
imam jedan problem sa uredjajem SAMSUNG RS 21 FCSM.
radi se o tome da mi ne ukljucuje ventilator u komori frizidera,u stvari par puta mi je ukljucio ali posle nije hteo ,ventilator u delu zamrzivaca radi ok ali ovaj nekad upali nekad ne,,,
Da li je neko imao slican problem i sta moze da bude u pitanju.
Zamolio bi ako neko ima semu od istog da postav..Hvala unapred..
Pozdrav
radi se o tome da mi ne ukljucuje ventilator u komori frizidera,u stvari par puta mi je ukljucio ali posle nije hteo ,ventilator u delu zamrzivaca radi ok ali ovaj nekad upali nekad ne,,,
Da li je neko imao slican problem i sta moze da bude u pitanju.
Zamolio bi ako neko ima semu od istog da postav..Hvala unapred..
Pozdrav
Zadnja izmena: Bachura, dana 19 svi 2011, 14:46, ukupno menjano 1 put.
Re: SAMSUNG RS21FCSM PROBLEM...
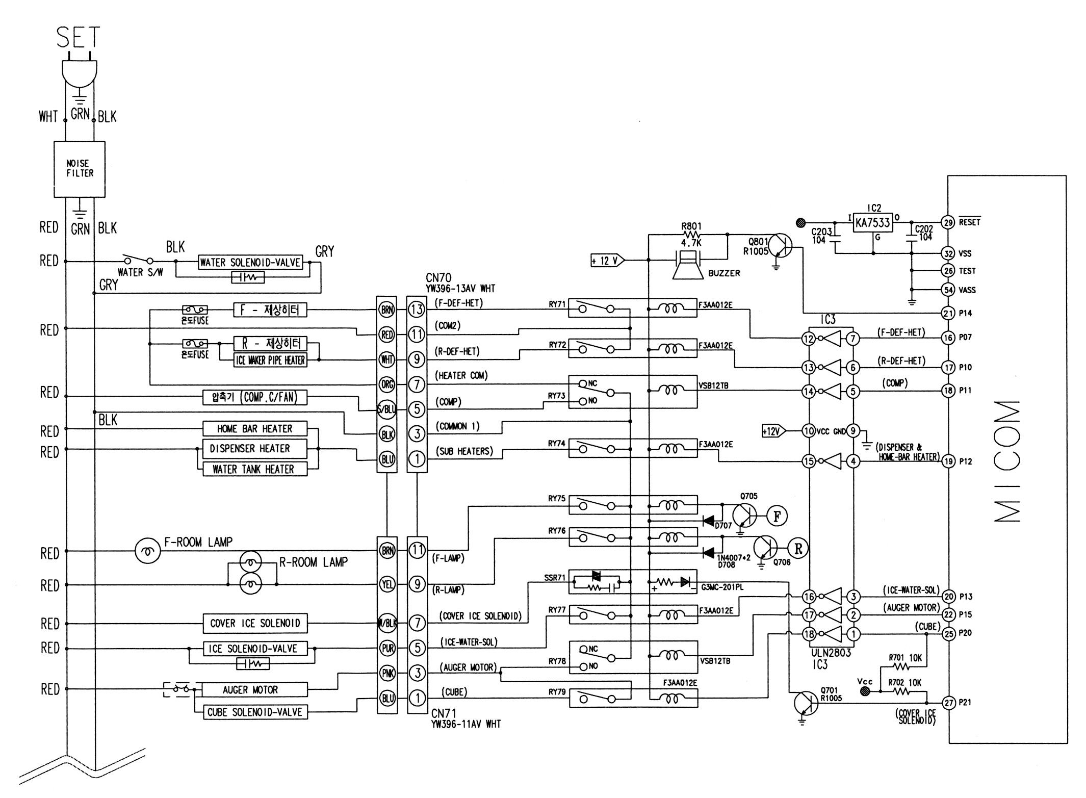
Hvala na brzom odgovoru..milan je napisao:Sema
Re: SAMSUNG RS21FCSM PROBLEM...
Sumnjam na sondu koja se nalazi na zutom kablu,,zna li ko gde se ona moze naci...ko vrsi prodaju delova za isti...
- goranfri
- bela tehnika

- Postovi: 1581
- Pridružen: 02 Sep 2008, 01:16
- Location: Beograd
- Warranty service: Icematic Simag Scotsman LaSanMarco Brema LaCimbali Joly
Manitowoc - Specialty: whitegoods
- Lokacija: Beograd
Re: SAMSUNG RS21FCSM PROBLEM...
Probaj u BG elektronic , oni su kao ovlašćeni servis , valjda.
Re: SAMSUNG RS21FCSM PROBLEM...
Zar je moguce da niko nije imao iskustva sa ovim aparatom....
- goranfri
- bela tehnika

- Postovi: 1581
- Pridružen: 02 Sep 2008, 01:16
- Location: Beograd
- Warranty service: Icematic Simag Scotsman LaSanMarco Brema LaCimbali Joly
Manitowoc - Specialty: whitegoods
- Lokacija: Beograd
Re: SAMSUNG RS21FCSM PROBLEM...
Radio sam ja jedan skoro , gubio gas pa je donešen u servis i urađen je.
U frižideru ventilator ne radi stalno . Šta tu u stvari nije u redu ? Nije dobra temperatura u frižideru ili šta ?
Moraš da lepo opišeš problem i kažeš šta si probao pa tek onda da ti nešto pomognemo.
U frižideru ventilator ne radi stalno . Šta tu u stvari nije u redu ? Nije dobra temperatura u frižideru ili šta ?
Moraš da lepo opišeš problem i kažeš šta si probao pa tek onda da ti nešto pomognemo.
Re: SAMSUNG RS21FCSM PROBLEM...
Pazi,temperatura nije ok zato sto ne radi ventilator al po isparivacu vidim da je ok ,na displeju pokazuje oko 17 a nakon nekog vremena pokazuje 7,tako mi kaze stranka...sto poretpostavljam da je u momentu kad proradi ventilator,,e sad zasto staje izasto tako radi ne znam,,,
- goranfri
- bela tehnika

- Postovi: 1581
- Pridružen: 02 Sep 2008, 01:16
- Location: Beograd
- Warranty service: Icematic Simag Scotsman LaSanMarco Brema LaCimbali Joly
Manitowoc - Specialty: whitegoods
- Lokacija: Beograd
Re: SAMSUNG RS21FCSM PROBLEM...
Moguće je da sonda zeza. Probaj da je zameniš pa vidi šta će biti.
Re: SAMSUNG RS21FCSM PROBLEM...
Proveri dobro shta je u stvari problem.Verovatno kad postigne temperaturu i iskljuci ukljucuje sa zakashnjenjem tj predugo odmara.Ja sam imao takav problem sa samsungom ali drugi model.
Re: SAMSUNG RS21FCSM PROBLEM...
Problem je sto ne iskljucuje uopste,znaci podesena temperatura je 5 stepeni a on ne dolazi do te temperature vec samo oko 7 a posle je digne na 12 ,15..
Prvi put kad sam bio na displeju je blinkala cifra 5,,Pretpostavljam zbog toga sto je izmerio mnogo nizu temperaturu od zadate,,probacu da nabavim sondu pa da vidim sta ce da kaze,,
Hvala svima na odgovorima ,javim se kad zamenim..
Prvi put kad sam bio na displeju je blinkala cifra 5,,Pretpostavljam zbog toga sto je izmerio mnogo nizu temperaturu od zadate,,probacu da nabavim sondu pa da vidim sta ce da kaze,,
Hvala svima na odgovorima ,javim se kad zamenim..
- nike
- gxu

- Postovi: 2898
- Pridružen: 21 Mar 2010, 11:35
- Location: Split HR
- Warranty service: Atosa Arisco Ozti Fimar Roller-Grill Systemair Fiocchetti Prismafood Cappone Hendi Omniwash Icetech ItalI-Ice
- Contact person: NIKE
- Specialty: whitegoods
- Lokacija: Split, HR
Re: SAMSUNG RS21FCSM PROBLEM...
Daj odluči se kako radi ventilator. Šta to ne isključuje? Ventilator ili kompresor?Bachura je napisao:Problem je sto ne iskljucuje uopste,znaci podesena temperatura je 5 stepeni a on ne dolazi do te temperature vec samo oko 7 a posle je digne na 12 ,15..
Prvi put kad sam bio na displeju je blinkala cifra 5,,Pretpostavljam zbog toga sto je izmerio mnogo nizu temperaturu od zadate,,probacu da nabavim sondu pa da vidim sta ce da kaze,,
Hvala svima na odgovorima ,javim se kad zamenim..
Dali isključuje ventilator frižidera kad postigne neku temperaturu ili radi non-stop a temperatura varira? Čime ti mjeriš stvarnu temperaturu u frižideru? Dali je ona u skladu sa očitanjima sonde na displeju?Bachura je napisao:Pazi,temperatura nije ok zato sto ne radi ventilator al po isparivacu vidim da je ok ,na displeju pokazuje oko 17 a nakon nekog vremena pokazuje 7,tako mi kaze stranka...sto poretpostavljam da je u momentu kad proradi ventilator,,e sad zasto staje izasto tako radi ne znam,,,
Paralelno s ventilatorom spoji neku tinjalicu neka viri vani i provjeri dali ventilator dobiva napon onda kada treba. Provjeri vizualno dali se vrti svaki put kad tinjalica zasija. Provjeri kolika je diferencija termostata. Provjeri dali se ventilator uključuje /isključuje uvijek na istoj temperaturi (prikazanoj na displeju i/ili izmjerenoj .
Brate mili, ovaj tvoj pristup problemu je konfuzan. Lijepo uzmi sebi vremena pa polako ustanovi šta radi a šta ne radi i onda napiši to ovdje da svi razumijemo o čemu se točno radi.
Koliko vidim u Milanovoj šemi ima i klapna (motor damper). To bi trebalo regulirati temperaturu u odjeljku frižidera zatvarajući /otvarajući protok zraka iz zamrzivača. Na njoj/uz nju je i grijač. Provjeri dali to radi i kako radi.
To okrivljavanje sonde, po meni, za sad, ne drži vodu.
"Blago budalama, njima je lako jer ne misle tako!" PV
Re: SAMSUNG RS21FCSM PROBLEM...
Nike,ventilator je problem jer ne ukljucuje to sam vec i naveo,a zamrzivac ima svoj isparivac a frizider svoj..kazem opet sumnjam na sondu zato sto ventilator nema svoj rad znaci ponekad radi a kad mu otvorim vrata par puta vise ne radi zato sami rekao da sumnjam na sondu,dal mu daje pogresne informacije,,zamenicu sondu pa javljam..
- nike
- gxu

- Postovi: 2898
- Pridružen: 21 Mar 2010, 11:35
- Location: Split HR
- Warranty service: Atosa Arisco Ozti Fimar Roller-Grill Systemair Fiocchetti Prismafood Cappone Hendi Omniwash Icetech ItalI-Ice
- Contact person: NIKE
- Specialty: whitegoods
- Lokacija: Split, HR
Re: SAMSUNG RS21FCSM PROBLEM...
Ako je shema koju je Milan postao točna, onda taj side by side frižider-zamrzivač nema dva isparivača jer tada ne bi imao damper. Damper služi da kontrolira temperaturu u frižderu cirkulirajući zrak iz zamrzivaća. Isparivač se nalazi u zamrzivaču iza polica i tamo je dubina polica manja nego u frižideru. Hladni zrak iz zamrzivaća se pomoću dumpera distribuira u frižideru odozgo.
"Blago budalama, njima je lako jer ne misle tako!" PV
- nike
- gxu

- Postovi: 2898
- Pridružen: 21 Mar 2010, 11:35
- Location: Split HR
- Warranty service: Atosa Arisco Ozti Fimar Roller-Grill Systemair Fiocchetti Prismafood Cappone Hendi Omniwash Icetech ItalI-Ice
- Contact person: NIKE
- Specialty: whitegoods
- Lokacija: Split, HR
Re: SAMSUNG RS21FCSM PROBLEM...
Dakle, iz SM, se vidi da ima dva isparivaća i da su motori ventilatora istosmjerni BLDC12V (isti kao i na kompjuterima).
http://bldcfan.100webspace.net/
Obe sonde su tip 502A.
Uređaj ima Exhibition mode.
Ja bi prvo provjerio samodijagnostiku u normalnom radu i šta ona signalizira.
Nakon toga, ako ništa ne signalizira, provjerio bi dali ventilator isparivača frižidera radi neprestano i bez ikakvih problema u Exhibition modu bar 1-2 sata.
Tako eliminiraš dali je problem u ventilatoru, njegovom pregrijavanju, kontrolnom krugu ventilatora ili nije.
Ako nije onda pogledati otpor i napon sonde (dok sondu držim u dubokom ledu, gdje se smrznula u zamrzivaču, pa sve dok se ne zagrije na sobnu temperaturu) i usporediti sa podacima u tablici za sondu. Promjene napona i otpora moraju biti kontinuirane, bez ikakvih skokova. Možeš i zamijeniti mjesta sondama (iste su) pa vidi dali se situacija ponavlja tj. problem se seli sa sondom ili ne.
Dalje ovisi šta se iz ovog gore izrodi.
http://bldcfan.100webspace.net/
Obe sonde su tip 502A.
Uređaj ima Exhibition mode.
Ja bi prvo provjerio samodijagnostiku u normalnom radu i šta ona signalizira.
Nakon toga, ako ništa ne signalizira, provjerio bi dali ventilator isparivača frižidera radi neprestano i bez ikakvih problema u Exhibition modu bar 1-2 sata.
Tako eliminiraš dali je problem u ventilatoru, njegovom pregrijavanju, kontrolnom krugu ventilatora ili nije.
Ako nije onda pogledati otpor i napon sonde (dok sondu držim u dubokom ledu, gdje se smrznula u zamrzivaču, pa sve dok se ne zagrije na sobnu temperaturu) i usporediti sa podacima u tablici za sondu. Promjene napona i otpora moraju biti kontinuirane, bez ikakvih skokova. Možeš i zamijeniti mjesta sondama (iste su) pa vidi dali se situacija ponavlja tj. problem se seli sa sondom ili ne.
Dalje ovisi šta se iz ovog gore izrodi.
"Blago budalama, njima je lako jer ne misle tako!" PV
Re: SAMSUNG RS21FCSM PROBLEM...
nike je napisao:Dakle, iz SM, se vidi da ima dva isparivaća i da su motori ventilatora istosmjerni DC12V.
Obe sonde su tip 502A.
Uređaj ima Exhibition mode.
Ja bi prvo provjerio samodijagnostiku u normalnom radu i šta ona signalizira.
Nakon toga, ako ništa ne signalizira, provjerio bi dali ventilator isparivača frižidera radi neprestano i bez ikakvih problema u Exhibition modu bar 1-2 sata.
Tako eliminiraš dali je problem u ventilatoru, njegovom pregrijavanju, kontrolnom krugu ventilatora ili nije.
Ako nije onda pogledati otpor i napon sonde (dok sondu držim u dubokom ledu, gdje se smrznula u zamrzivaču, pa sve dok se ne zagrije na sobnu temperaturu) i usporediti sa podacima u tablici za sondu. Promjene napona i otpora moraju biti kontinuirane, bez ikakvih skokova. Možeš i zamijeniti mjesta sondama (iste su) pa vidi dali se situacija ponavlja tj. problem se seli sa sondom ili ne.
Dalje ovisi šta se iz ovog gore izrodi.
U redu uradicu kako si opisao,,hvala na trudu,,cujemo se kad odradim sve....
Pozdrav..
- goranfri
- bela tehnika

- Postovi: 1581
- Pridružen: 02 Sep 2008, 01:16
- Location: Beograd
- Warranty service: Icematic Simag Scotsman LaSanMarco Brema LaCimbali Joly
Manitowoc - Specialty: whitegoods
- Lokacija: Beograd
Re: SAMSUNG RS21FCSM PROBLEM...
Ima dva isparivača vezana na red. Prvo hladi frižider pa onda zamrzivač i oba imaju ventilator iznad isparivača.
- nike
- gxu

- Postovi: 2898
- Pridružen: 21 Mar 2010, 11:35
- Location: Split HR
- Warranty service: Atosa Arisco Ozti Fimar Roller-Grill Systemair Fiocchetti Prismafood Cappone Hendi Omniwash Icetech ItalI-Ice
- Contact person: NIKE
- Specialty: whitegoods
- Lokacija: Split, HR
Re: SAMSUNG RS21FCSM PROBLEM...
In the normal operation, MICOM No. 40, 41 and 42 applies a constant frequency; and
MICOM defects the signal to check the failure of motor.
(frequency(Hz)×12 = motor rpm)
1-3) When the motor rpm is in 600∼700, it will stop automatically and it tries to resume after 10 seconds. If the motor is
not working properly after 5 time trials, it will rest for 10 minutes, then try to resume again. This process will be
done continuously.
Note) If there is an abnormal situation for the motor, the self-diagnostics will show the corresponding LED segment.
MICOM defects the signal to check the failure of motor.
(frequency(Hz)×12 = motor rpm)
1-3) When the motor rpm is in 600∼700, it will stop automatically and it tries to resume after 10 seconds. If the motor is
not working properly after 5 time trials, it will rest for 10 minutes, then try to resume again. This process will be
done continuously.
Note) If there is an abnormal situation for the motor, the self-diagnostics will show the corresponding LED segment.
"Blago budalama, njima je lako jer ne misle tako!" PV
Re: SAMSUNG RS21FCSM PROBLEM...
Evo ovako,odradio sam 2 testa i ovo su rezultati istih.
Test 1 http://www.iimmgg.com/image/37bc9e8eef2 ... f344a026f9
Test 2 http://www.iimmgg.com/image/dceada33d3f ... 12329b6941
Test 1 http://www.iimmgg.com/image/37bc9e8eef2 ... f344a026f9
Test 2 http://www.iimmgg.com/image/dceada33d3f ... 12329b6941
- nike
- gxu

- Postovi: 2898
- Pridružen: 21 Mar 2010, 11:35
- Location: Split HR
- Warranty service: Atosa Arisco Ozti Fimar Roller-Grill Systemair Fiocchetti Prismafood Cappone Hendi Omniwash Icetech ItalI-Ice
- Contact person: NIKE
- Specialty: whitegoods
- Lokacija: Split, HR
Re: SAMSUNG RS21FCSM PROBLEM...
Iz druge slike se vidi da u tom trenutku je bilo u tijeku otapanje i frižidera i zamrzivaća.
Rad frižidera je bio namješten na low temperature modu. Nijedan izlaz ventilatora nije bio aktivan, kompresor i ventilator kondezatora nije bio aktivan.
Potrebno je uređaj postavit u Pull down mode i provjerit šta je sve aktivno tada (kao na slici 2) i dali tada sve što je aktivno i radi.
U normalnom radu, ventilator se gasi kad se otvore vrata.
3) When door open is detected, the MICOM have the relevant Fan Motor stop and the relevant Room Lamp light up.
Depending on the state of Door Open/Close, there are following operations; Lamp On/Off, Fan Motor On/Off and Door
open alarm. So, check relevant items upon A/S.
Rad frižidera je bio namješten na low temperature modu. Nijedan izlaz ventilatora nije bio aktivan, kompresor i ventilator kondezatora nije bio aktivan.
Potrebno je uređaj postavit u Pull down mode i provjerit šta je sve aktivno tada (kao na slici 2) i dali tada sve što je aktivno i radi.
U normalnom radu, ventilator se gasi kad se otvore vrata.
3) When door open is detected, the MICOM have the relevant Fan Motor stop and the relevant Room Lamp light up.
Depending on the state of Door Open/Close, there are following operations; Lamp On/Off, Fan Motor On/Off and Door
open alarm. So, check relevant items upon A/S.
"Blago budalama, njima je lako jer ne misle tako!" PV
-
- Slične teme
- Odgovori
- Pregledano
- Zadnji post
-
-
Samsung RL33SBMS No Frost problem stalan rad!
napisao Cokoladni » 20 Avg 2014, 23:53 » u FRIŽIDERI I ZAMRZIVAČI - 7 Odgovori
- 3371 Pregledano
-
Zadnji post napisao frigoservisbata
25 Avg 2014, 22:41
-
-
-
Samsung RSA1ZHPE Side By Side problem sa ventilatorom kondenzatora C-Fan Error
napisao nikolaj » 24 Sep 2025, 21:02 » u FRIŽIDERI I ZAMRZIVAČI - 0 Odgovori
- 160 Pregledano
-
Zadnji post napisao nikolaj
24 Sep 2025, 21:02
-
-
-
ZAMRZIVACKONCAR 310L PROBLEM COMPRESOR(RESENO)
napisao milkovski08 » 02 Okt 2008, 03:26 » u FRIŽIDERI I ZAMRZIVAČI - 5 Odgovori
- 2068 Pregledano
-
Zadnji post napisao milkovski08
03 Okt 2008, 22:23
-
-
- 12 Odgovori
- 4334 Pregledano
-
Zadnji post napisao djtesla
19 Jul 2009, 23:02
-
- 10 Odgovori
- 2622 Pregledano
-
Zadnji post napisao spok
15 Okt 2011, 19:38
-
-
Maneurop MT22(220V) problem start - REŠENO
napisao frigoservisbata » 20 Apr 2012, 23:15 » u FRIŽIDERI I ZAMRZIVAČI - 4 Odgovori
- 1358 Pregledano
-
Zadnji post napisao frigoservisbata
16 Jun 2012, 21:43
-
-
- 25 Odgovori
- 5074 Pregledano
-
Zadnji post napisao bimba1958
09 Jul 2014, 11:11
-
-
manometar niskog pritiska- problem - REŠENO
napisao vaca87 » 10 Okt 2015, 01:08 » u FRIŽIDERI I ZAMRZIVAČI - 23 Odgovori
- 4356 Pregledano
-
Zadnji post napisao bracans
13 Okt 2015, 21:40
-

