Potrebna sema za susilicu Gorenje wt881 RESENO
Urednici: goranfri,nike,sim,Honorarac
Pravila foruma
BT-expert info - BTexpert forumi
U naslov teme prvo pisati ime proizvođača, zatim oznake modela bez crtica i razmaka i kratak opis kvara. U post obavezno upisati ID ili EAN oznake sa poleđine aparata u suprotnom tema će biti obrisana.
Praktikujemo da na kraju opišemo kako smo rešili problem. Zatim zatvorimo temu >UPUTSTVO<
PRILIKOM POSTAVLJANJA PITANJA U VEZI ELEKTRONSKOG MODULA OBAVEZNO POPIŠITE SVE OZNAKE sa ploče i sa nalepnica, dobro bi došla i po koja fotografija.
BT-expert info - BTexpert forumi
U naslov teme prvo pisati ime proizvođača, zatim oznake modela bez crtica i razmaka i kratak opis kvara. U post obavezno upisati ID ili EAN oznake sa poleđine aparata u suprotnom tema će biti obrisana.
Praktikujemo da na kraju opišemo kako smo rešili problem. Zatim zatvorimo temu >UPUTSTVO<
PRILIKOM POSTAVLJANJA PITANJA U VEZI ELEKTRONSKOG MODULA OBAVEZNO POPIŠITE SVE OZNAKE sa ploče i sa nalepnica, dobro bi došla i po koja fotografija.
- Miki_R
- _

- Postovi: 120
- Pridružen: 01 Apr 2010, 16:15
- Location: Juzni Banat - Glogonj
- Contact person: Miki Ravnjanski
- Specialty: whitegoods
- Lokacija: https://www.google.rs/maps/place/Servis ... 064,20.527
Potrebna sema za susilicu Gorenje wt881 RESENO
Zamolio bih ukoliko neko zna gde mogu pronaci semu za susilicu Gorenje WT881 Kondenzacionu
tipe:sp600/110
ser.N : 24730909
model wt681
Naveo sam ove oznake jer sam njih nasao na netu...
E sad...ja sam nasao i kupio programator CROUZET
TYPE T900
906/6585
660203/1
tipe:sp600/110
ser.N : 24730909
model wt681
Naveo sam ove oznake jer sam njih nasao na netu...
E sad...ja sam nasao i kupio programator CROUZET
TYPE T900
906/6585
660203/1
Zadnja izmena: Miki_R, dana 24 Dec 2016, 08:46, ukupno menjano 3 puta.
- bracans
- bela tehnika

- Postovi: 461
- Pridružen: 19 Apr 2014, 12:49
- Location: Novi Sad
- Specialty: whitegoods
Re: Potrebna sema za susilicu Gorenje wt681
Evo da ti pomognem malo koliko mogu 
Za moju svaštaru na googl pretrazi kucati moj electro cool blog.
- Miki_R
- _

- Postovi: 120
- Pridružen: 01 Apr 2010, 16:15
- Location: Juzni Banat - Glogonj
- Contact person: Miki Ravnjanski
- Specialty: whitegoods
- Lokacija: https://www.google.rs/maps/place/Servis ... 064,20.527
Re: Potrebna sema za susilicu Gorenje wt681
Hvala puno Igore...Svaka pomoc je dobrodosla...
- bracans
- bela tehnika

- Postovi: 461
- Pridružen: 19 Apr 2014, 12:49
- Location: Novi Sad
- Specialty: whitegoods
Re: Potrebna sema za susilicu Gorenje wt681
Koliko vidim iz servisnog kataloga programator je SP ZBN8368 EATON
Za moju svaštaru na googl pretrazi kucati moj electro cool blog.
- Miki_R
- _

- Postovi: 120
- Pridružen: 01 Apr 2010, 16:15
- Location: Juzni Banat - Glogonj
- Contact person: Miki Ravnjanski
- Specialty: whitegoods
- Lokacija: https://www.google.rs/maps/place/Servis ... 064,20.527
Re: Potrebna sema za susilicu Gorenje wt681
Moja originalna susilica je Gorenje WT981...
Ali buduci da je stradala i jedna i druga elektronika bez mogucnosti popravke,ja hocu da je preradim na mehanicki programator...pa sam kupio ovaj crouzetov po ceni od 1250 dinara medjutim nemam semu...a one oznake koje sam postavio su sa masine koju sam nasao na netu da ispostujem pravila...
Dakle da li je wt681 ili wt881 ili neki drugi model meni je nebitno...treba mi sema za gore pomenuti kupljen programator...
Ako ce mi problem resiti taj sp zbn eaton kupicu i njega...cak je on i jeftiniji...
Ali buduci da je stradala i jedna i druga elektronika bez mogucnosti popravke,ja hocu da je preradim na mehanicki programator...pa sam kupio ovaj crouzetov po ceni od 1250 dinara medjutim nemam semu...a one oznake koje sam postavio su sa masine koju sam nasao na netu da ispostujem pravila...
Dakle da li je wt681 ili wt881 ili neki drugi model meni je nebitno...treba mi sema za gore pomenuti kupljen programator...
Ako ce mi problem resiti taj sp zbn eaton kupicu i njega...cak je on i jeftiniji...
- bracans
- bela tehnika

- Postovi: 461
- Pridružen: 19 Apr 2014, 12:49
- Location: Novi Sad
- Specialty: whitegoods
Re: Potrebna sema za susilicu Gorenje wt681
Pa za onu masinu koju si trazio nasao sam ti koji programator i semu, ako ne mozes naci original mogu ti ja naci u Novom Sadu. Znaci najbolje je vratiti susilicu u prvobitno stanje po meni. Gorenje wt981 aj napisi koji art broj ako mozes pa da vidim za nju koji programator da sada ne lutam po servisnim katalozima.
Za moju svaštaru na googl pretrazi kucati moj electro cool blog.
- Miki_R
- _

- Postovi: 120
- Pridružen: 01 Apr 2010, 16:15
- Location: Juzni Banat - Glogonj
- Contact person: Miki Ravnjanski
- Specialty: whitegoods
- Lokacija: https://www.google.rs/maps/place/Servis ... 064,20.527
Re: Potrebna sema za susilicu Gorenje wt681
Mogu naci sve za wt981,ali se ne isplati...prevazilazi svaku razumnu cenu popravke...
Potrebna mi je sema...samo sema za programator cije sam oznake popisao...
Potrebna mi je sema...samo sema za programator cije sam oznake popisao...
- Miki_R
- _

- Postovi: 120
- Pridružen: 01 Apr 2010, 16:15
- Location: Juzni Banat - Glogonj
- Contact person: Miki Ravnjanski
- Specialty: whitegoods
- Lokacija: https://www.google.rs/maps/place/Servis ... 064,20.527
Re: Potrebna sema za susilicu Gorenje wt881
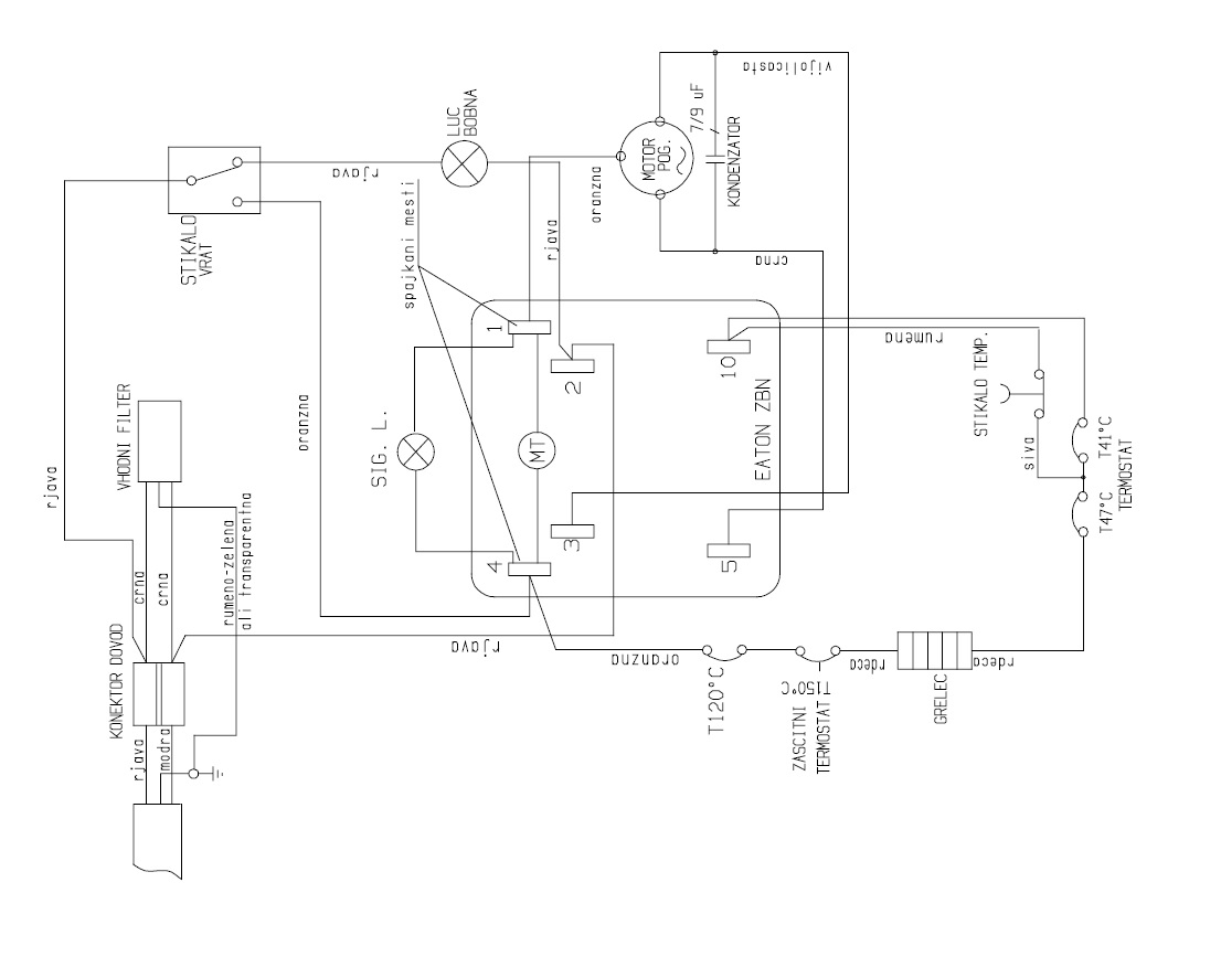
Sema je pronadjena za potreban programator,zahvaljujem se svima na dobroj volji koji su ucestvovali u pomoci,a najvise mom prijatelju Darku Bulatovicu (darko080372) koji mi je i nabavio originalnu semu...
-
- Slične teme
- Odgovori
- Pregledano
- Zadnji post
-
-
Rerna ugradna CANDY FHP 609 x potrebna šema ploče
napisao MioDrag nikolic » 10 Dec 2021, 14:26 » u OSTALI APARATI - 13 Odgovori
- 3446 Pregledano
-
Zadnji post napisao borat
11 Dec 2021, 16:20
-
-
- 0 Odgovori
- 1888 Pregledano
-
Zadnji post napisao sim
26 Jan 2022, 14:45
-
- 3 Odgovori
- 2026 Pregledano
-
Zadnji post napisao jaro
31 Jul 2012, 20:41
-
-
Mikrotalasna Bosch HMT75M451-Potrebna informacija REŠENO
napisao dejan-dexi » 10 Nov 2013, 20:23 » u OSTALI APARATI - 9 Odgovori
- 2147 Pregledano
-
Zadnji post napisao dejan-dexi
26 Nov 2013, 21:25
-
-
- 7 Odgovori
- 2330 Pregledano
-
Zadnji post napisao majstorlaza
05 Sep 2012, 23:06
-
-
GORENJE GH660B problem sa ventilatorom(RIJEŠENO)
napisao junuzovic » 19 Jul 2013, 09:55 » u OSTALI APARATI - 13 Odgovori
- 3669 Pregledano
-
Zadnji post napisao Stolle
22 Jul 2013, 19:31
-
-
- 5 Odgovori
- 4067 Pregledano
-
Zadnji post napisao elektrosok
28 Mar 2015, 08:53
-
-
Gorenje IT 612 SY2B indukciona ploca greska E5 [ODUSTAO]
napisao bokin021 » 09 Apr 2016, 16:02 » u OSTALI APARATI - 12 Odgovori
- 9812 Pregledano
-
Zadnji post napisao cudan
20 Mar 2023, 11:22
-
