Dodavanje back light na tastaturu telefona *RESENO*
Urednik: alexa_pg
Pravila foruma
Naslov teme treba da bude u formatu: PROIZVOĐAČ, MODEL, KRATAK OPIS KVARA
Nakon rešenog kvara zatvoriti temu >> >UPUTSTVO< u suprotnom ništa ne činiti.
RAZNA UPUTSTVA
Naslov teme treba da bude u formatu: PROIZVOĐAČ, MODEL, KRATAK OPIS KVARA
Nakon rešenog kvara zatvoriti temu >> >UPUTSTVO< u suprotnom ništa ne činiti.
RAZNA UPUTSTVA
Dodavanje back light na tastaturu telefona *RESENO*
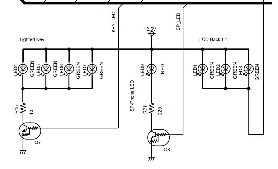
Radi se o mom bezicnom telefonu. Otvorio sam da ga ocistim pa vidim providna tastatura, a ima i mesta za led diode. Skinuo semu i propratio. Na ploci je falio tranzistor Q7, otpornik R15 i dodao Led diode i to radi super
Tranzistor sam pozajmio sa pozicije Q8 jer je isti i vratio tako da mi fali jedan. Originalna oznaka je PSVTDTC143X. Sta mogu da stavim kao njegovu zamenu 
Zadnja izmena: stojkePN, dana 27 Sep 2012, 20:13, ukupno menjano 1 put.
Sto vise ucim sve vise vidim koliko neznam :plaz:
- Stolle
- Preminuo
- Postovi: 19098
- Pridružen: 12 Avg 2006, 23:35
- Location: Srbija
- Specialty: tv-multimedia
- Lokacija: Dimitrovgrad
Re: Dodavanje back light na tastaturu telefona
Piše, DTC143, samo ako može da stane.
"29 poslednjih dana u mesecu je najteže"
Re: Dodavanje back light na tastaturu telefona
Videcu da li imam neki DTC143 da ubacim ako ne improvizovacu sa nekim NPN tranzistorom i 2 otpora
Ima jedna tema vezana za ovaj tranzistor.
http://www.fanzo.org/forum/viewtopic.php?f=34&t=20110

Ima jedna tema vezana za ovaj tranzistor.
http://www.fanzo.org/forum/viewtopic.php?f=34&t=20110
Sto vise ucim sve vise vidim koliko neznam :plaz:
-
Joca
- ___

- Postovi: 410
- Pridružen: 09 Okt 2006, 14:39
- Location: Bezdan
- Contact person: Jovica
- Specialty: tv
- Lokacija: Bezdan
- Kontakt:
Re: Dodavanje back light na tastaturu telefona
Imas ih u starim video recorderima i plejerima.
Re: Dodavanje back light na tastaturu telefona
Nisam uspeo da nadjem na plocama od video rekordera ali nema veze. Napravio sam od smd tranzistora i 2 otpornika i to radi.
1AM-(2N3904)
R1-4K7
R2-10K
1AM-(2N3904)
R1-4K7
R2-10K
- Prilog
-
DTC143X.pdf- (634.11 KiB) Preuzeto 224 puta.
-
- dtc.JPG (11.59 KiB) Pregledano 3205 puta.
Sto vise ucim sve vise vidim koliko neznam :plaz:
