Telefon SIEMENS GIGASET A140 - Pokazuje zauzece (RESENO)
Urednik: alexa_pg
Pravila foruma
Naslov teme treba da bude u formatu: PROIZVOĐAČ, MODEL, KRATAK OPIS KVARA
Nakon rešenog kvara zatvoriti temu >> >UPUTSTVO< u suprotnom ništa ne činiti.
RAZNA UPUTSTVA
Naslov teme treba da bude u formatu: PROIZVOĐAČ, MODEL, KRATAK OPIS KVARA
Nakon rešenog kvara zatvoriti temu >> >UPUTSTVO< u suprotnom ništa ne činiti.
RAZNA UPUTSTVA
Telefon SIEMENS GIGASET A140 - Pokazuje zauzece (RESENO)
Potrebna mi je sema za telefon siemens gigaset a 140 .Cim se prikljuci na ptt liniju pokazuje zauzece.Ne moze se prekinuti veza. POMOC.
Re: TELEFON SIEMENS GIGASET A 140
Proveri grec na ulazu od telefonske linje,a takodje strada dual mosfet PHC2300.Najcesce oni prave blokadu linije,usled prenapona,koji dodje preko telelefonske mreze - grmljavina,grom itd.
Re: TELEFON SIEMENS GIGASET A 140
Proverio sam,grec je dobar.Dva smd tranzistora iza greca, gledano od ulaza ptt linije,oba su dobra.U tom delu ima smd ic sa 8 niozica sa oznakom 4900,nozice 5,6,7,8 letovane su zajedno kao hladnjak.Na jednom od tranzistora izmedju baze i emitera pokazuje otpor od 330 oma .Otkacen tranzistor pokazuje normalno.Da li se moze negde skinuti sema za ovaj telefon siemens gigaset a 140?
Re: TELEFON SIEMENS GIGASET A 140
Semu neznam gde bi mogao skinuti,taj 4900,ti je PHC2300,skini pdf za njega ,pa ce ti biti sve jasno,obicno on strada i to samo jedan od dva tranzistora,ako ga skines sa ploce,nestace ti blokada linije.Kad vidis koji je tranistor stradao,P ili N MOS,moze se zameniti klasicnim odgovarajucim MOS-tranzistorom.PHC2300 ces tesko naci za kupiti,izuzev da ga skines sa nekog rashodovoanog siemensa,ima ga u skoro svim serijama.
Re: TELEFON SIEMENS GIGASET A140
PHC2300=FQS4900 moze se zameniti sa BSS 92 P FET I BSS89 N FET.Zhvaljujem se na pomoci.
Re: TELEFON SIEMENS GIGASET A140
tako je ,srecan rad
-
Joca
- ___

- Postovi: 410
- Pridružen: 09 Okt 2006, 14:39
- Location: Bezdan
- Contact person: Jovica
- Specialty: tv
- Lokacija: Bezdan
- Kontakt:
Re: Telefon SIEMENS GIGASET A140 - Pokazuje zauzece (RESENO)
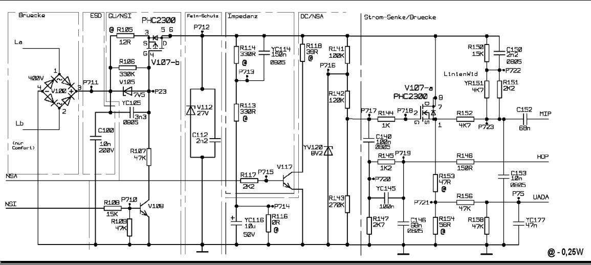
Evo seme ulaza za Simens Gigaset 100 mozda ce trebati nekom.
-
- Slične teme
- Odgovori
- Pregledano
- Zadnji post
-
-
Telefon SIEMENS GIGASET 3000, 4000 - Service Manual (RESENO)
napisao bogoljub » 01 Jul 2008, 11:29 » u Servisiranje Telefona Fiksni/GSM/GPS/Fax/Kopir - 3 Odgovori
- 2705 Pregledano
-
Zadnji post napisao bogoljub
07 Jul 2008, 10:40
-
-
-
Telefon ALCATEL ONE TOUCH FIRST 25 - Potreban dump (RESENO)
napisao mancic » 13 Feb 2008, 15:24 » u Servisiranje Telefona Fiksni/GSM/GPS/Fax/Kopir - 2 Odgovori
- 1394 Pregledano
-
Zadnji post napisao mancic
18 Feb 2008, 15:15
-
-
-
Telefon PANASONIC KXTCD961SLB - Izgubio vezu (RESENO)
napisao vedranc » 19 svi 2008, 12:13 » u Servisiranje Telefona Fiksni/GSM/GPS/Fax/Kopir - 9 Odgovori
- 2686 Pregledano
-
Zadnji post napisao vedranc
20 svi 2008, 11:17
-
-
-
Telefon PANASONIC KXTCC106CB - Slusalka mrtva (RESENO)
napisao makedonec » 02 Okt 2008, 12:24 » u Servisiranje Telefona Fiksni/GSM/GPS/Fax/Kopir - 4 Odgovori
- 2752 Pregledano
-
Zadnji post napisao makedonec
04 Okt 2008, 00:27
-
-
-
Telefon PANASONIC KXTCM516BXB - Pomoc (RESENO)
napisao golftdi » 14 Dec 2008, 14:16 » u Servisiranje Telefona Fiksni/GSM/GPS/Fax/Kopir - 5 Odgovori
- 3658 Pregledano
-
Zadnji post napisao golftdi
20 Dec 2008, 00:19
-
-
-
Telefon PANASONIC KXF130BX - Shema (RESENO)
napisao xho » 06 svi 2009, 14:44 » u Servisiranje Telefona Fiksni/GSM/GPS/Fax/Kopir - 2 Odgovori
- 2360 Pregledano
-
Zadnji post napisao xho
06 svi 2009, 21:58
-
-
-
Telefon PANASONIC KXTCD150FX - Nova slušalica (RESENO)
napisao ahim » 14 Nov 2009, 12:27 » u Servisiranje Telefona Fiksni/GSM/GPS/Fax/Kopir - 2 Odgovori
- 2352 Pregledano
-
Zadnji post napisao ahim
14 Nov 2009, 21:35
-
-
-
Telefon Panasonic KXTCD150FXC-RESENO
napisao darko080372 » 02 Feb 2010, 14:49 » u Servisiranje Telefona Fiksni/GSM/GPS/Fax/Kopir - 6 Odgovori
- 3253 Pregledano
-
Zadnji post napisao darko080372
26 Feb 2010, 19:30
-


