Kako da otvorim BRD i SCH file

Pravila foruma
Praktikujemo da na kraju opišemo kako smo rešili problem. Zatim zatvorimo temu >UPUTSTVO<
Avatar
vlatkocopa
gx
gx
Postovi: 3030
Pridružen: 04 Jun 2008, 22:41
Location: Makedonija-Kumanovo
Contact person: Vlado
Phone number: 0038931420808
Specialty: tv

Kako da otvorim BRD i SCH file

Post napisao vlatkocopa » 08 Feb 2014, 11:46

Resio da pravim SPI programator i ne mogu da otvorim fajlove.Posto se bas ne razumem u programe,molio bi da neko od kolega pomogne,konkretno za ovo.
Prilog
SPI Flash Programmer v2.rar
(318.38 KiB) Preuzeto 169 puta.
Za sjaj u očima, rumenilo u licu i lepršav hod - koristite kozmetiku -Šljivovica a moze i domaca jabukovaca ..:))

Avatar
alexa_pg
Site Admin
Site Admin
Postovi: 6029
Pridružen: 22 Avg 2006, 08:10
Location: Podgorica
Specialty: tv-multimedia

Re: Kako da otvorim BRD i SCH file

Post napisao alexa_pg » 08 Feb 2014, 12:06

Da bi otvorio ova dva fajla na svom racunaru moras instalirati program Eagle
Isti imas skinuti ovdje http://www.cadsoftusa.com/download-eagle/

Kad imas neki fajl za koji ne znas cime da ga otvoris, probaj ga otvoriti sa Notepad-om. Ja licno koristim Notepad++
U zaglavlju fajla najcesce pise cime se otvara taj fajl, odnosno kom programu pripada.
Evo kako izgleda zaglavlje otvoreno u Notepad++

Kod: Označi sve

<?xml version="1.0" encoding="utf-8"?>
<!DOCTYPE eagle SYSTEM "eagle.dtd">
<eagle version="6.1">
<drawing>
Koliko kosta ova plocica da je uradi Tehnik a koliko mu kosta gotov i ispitan programator?
Ako narucimo vise komada mozda bude i jeftinije.
"I ja volim ljude ali ih sve manje podnosim"

Avatar
vlatkocopa
gx
gx
Postovi: 3030
Pridružen: 04 Jun 2008, 22:41
Location: Makedonija-Kumanovo
Contact person: Vlado
Phone number: 0038931420808
Specialty: tv

Re: Kako da otvorim BRD i SCH file

Post napisao vlatkocopa » 08 Feb 2014, 12:24

I ja sam mislio da ga pitam,ali bio je off line,cim se pojavu cu da mu zvrcnem.
:pivopije:
Za sjaj u očima, rumenilo u licu i lepršav hod - koristite kozmetiku -Šljivovica a moze i domaca jabukovaca ..:))

Avatar
vlatkocopa
gx
gx
Postovi: 3030
Pridružen: 04 Jun 2008, 22:41
Location: Makedonija-Kumanovo
Contact person: Vlado
Phone number: 0038931420808
Specialty: tv

Re: Kako da otvorim BRD i SCH file

Post napisao vlatkocopa » 08 Feb 2014, 12:48

Instalirao i opet nece :-(
Za sjaj u očima, rumenilo u licu i lepršav hod - koristite kozmetiku -Šljivovica a moze i domaca jabukovaca ..:))

Avatar
alexa_pg
Site Admin
Site Admin
Postovi: 6029
Pridružen: 22 Avg 2006, 08:10
Location: Podgorica
Specialty: tv-multimedia

Re: Kako da otvorim BRD i SCH file

Post napisao alexa_pg » 08 Feb 2014, 13:23

Ne znam zasto kod tebe nece. Da nisi skinuo i instalirao nizu verziju od 6.1
Evo kod mene radi sa verzijom 6.5
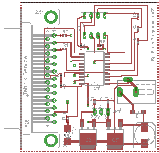
Sema.png
Sema.png (29.27 KiB) Pregledano 2446 puta.
PCB.png
"I ja volim ljude ali ih sve manje podnosim"

Avatar
vlatkocopa
gx
gx
Postovi: 3030
Pridružen: 04 Jun 2008, 22:41
Location: Makedonija-Kumanovo
Contact person: Vlado
Phone number: 0038931420808
Specialty: tv

Re: Kako da otvorim BRD i SCH file

Post napisao vlatkocopa » 08 Feb 2014, 13:25

Ma istu 6.5,restartirao comp i nece :roll:
Za sjaj u očima, rumenilo u licu i lepršav hod - koristite kozmetiku -Šljivovica a moze i domaca jabukovaca ..:))

Avatar
alexa_pg
Site Admin
Site Admin
Postovi: 6029
Pridružen: 22 Avg 2006, 08:10
Location: Podgorica
Specialty: tv-multimedia

Re: Kako da otvorim BRD i SCH file

Post napisao alexa_pg » 08 Feb 2014, 14:23

Prijavi li racunar bar neku gresku, dobijes li neku poruku na ekranu?
"I ja volim ljude ali ih sve manje podnosim"

Avatar
vlatkocopa
gx
gx
Postovi: 3030
Pridružen: 04 Jun 2008, 22:41
Location: Makedonija-Kumanovo
Contact person: Vlado
Phone number: 0038931420808
Specialty: tv

Re: Kako da otvorim BRD i SCH file

Post napisao vlatkocopa » 08 Feb 2014, 14:26

Ma jok,sve se instalira ok i nece,aj ako ne zvacu nekog od prijatelja koji se bave sa programima... :pivopije:
Za sjaj u očima, rumenilo u licu i lepršav hod - koristite kozmetiku -Šljivovica a moze i domaca jabukovaca ..:))

Avatar
stojkePN
___
___
Postovi: 1594
Pridružen: 11 Feb 2007, 04:55
Location: Srbija-Paraćin

Re: Kako da otvorim BRD i SCH file

Post napisao stojkePN » 08 Feb 2014, 15:16

Kod mene otvara u Eagle, verzija 6.3.0 :pivopije:

http://circuitish.com/projects/spi-flas ... mmer-v2-2/
Hardware and PCB were designed with Cadsoft Eagle 6.1 version .
Sto vise ucim sve vise vidim koliko neznam :plaz:

Avatar
spiki
_
_
Postovi: 23
Pridružen: 20 Sep 2012, 11:20
Location: Novi Sad

Re: Kako da otvorim BRD i SCH file

Post napisao spiki » 08 Feb 2014, 16:04

Probao sad u Eagle 6.1 na Linuxu i radi 1:1...
There are only 10 types of people in the world:
those who understand binary, and those who don't.

Avatar
bogoslav
gx
gx
Postovi: 995
Pridružen: 10 Dec 2006, 01:41
Location: Nikšić
Phone number: 0038268000267
Specialty: tv-multimedia
Lokacija: niksic

Re: Kako da otvorim BRD i SCH file

Post napisao bogoslav » 08 Feb 2014, 21:54

alexa_pg je napisao:a koliko mu kosta gotov i ispitan programator?
I ja se prijavljujem za kupovinu :pivopije:

Avatar
vlatkocopa
gx
gx
Postovi: 3030
Pridružen: 04 Jun 2008, 22:41
Location: Makedonija-Kumanovo
Contact person: Vlado
Phone number: 0038931420808
Specialty: tv

Re: Kako da otvorim BRD i SCH file

Post napisao vlatkocopa » 08 Feb 2014, 21:57

Culi smo se sa Vanetom i obeco da ce da obnovi temu i da vidimo koiko ima kandidata da se poruci gotov iz Kine,a mozda i samo plocica,sve zavisi kako se dogovorimo :pivopije:
Za sjaj u očima, rumenilo u licu i lepršav hod - koristite kozmetiku -Šljivovica a moze i domaca jabukovaca ..:))

Odgovori
  • Slične teme
    Odgovori
    Pregledano
    Zadnji post

Natrag na “Windows - softverski problemi”