VRSTA PRENOSNOG RAČUNARA: laptop
FIRMA: Acer
MODEL: Extensa 5635
MODEL DODATNO:
OS PLATFORMA: Win7
PROCESOR: Intel core duo procesor T6570
PUNJAČ: PA-1650-02 Lite On
NAPON PUNJAČA: 19V/3,42A)
*********************************************
SIMPTOMI:
Blinka lampica na punjacu,al punjac radi na drugom laptopu,ne blinka i puni praznu bateriju
DETALJAN OPIS KVARA:
Ne radi laptop nikako,samo blinka lampica na punjacu,izgleda punjac ima neku zastitu,inace radi na drugok laptopu,al na ovome nece da ukljuci,vjerovatno je neki spoj u laptopu,poslje 19V.
PREDUZETE RADNJE:
Probo sam plocubez RAMa,HDDa na stolu samo panel ukljucen i isto,nema napona na ploci,gdje dolazi kabal sa djeka,gdje spojen punjac.
Jel nesto ascare da ne gubim vrijeme
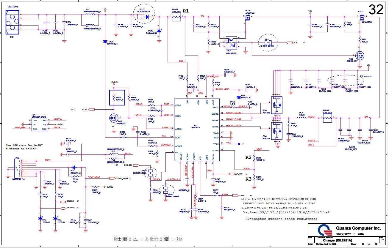
Slika u prilogu zumiraj da bi vidio oznaceno


