Pozdrav
CD Blaupunkt Bronx mp75(RESENOOO)
Urednik: Barbarella56
Pravila foruma
Na ovom delu foruma ZABRANJENO JE:
-Postavljanje kalkulatora iz serijskog broja,
-Izracunavanje kodova iz serijskog broja,
-Objavljivanje dampova bez koda.
Sva ostala pitanja iz oblasti servisiranja ARK-a,CD-a su dozvoljena.
Praktikujemo da na kraju opišemo kako smo rešili problem. Zatim zatvorimo temu >UPUTSTVO<
Na ovom delu foruma ZABRANJENO JE:
-Postavljanje kalkulatora iz serijskog broja,
-Izracunavanje kodova iz serijskog broja,
-Objavljivanje dampova bez koda.
Sva ostala pitanja iz oblasti servisiranja ARK-a,CD-a su dozvoljena.
Praktikujemo da na kraju opišemo kako smo rešili problem. Zatim zatvorimo temu >UPUTSTVO<
- vlatkocopa
- gx

- Postovi: 3034
- Pridružen: 04 Jun 2008, 22:41
- Location: Makedonija-Kumanovo
- Contact person: Vlado
- Phone number: 0038931420808
- Specialty: tv
CD Blaupunkt Bronx mp75(RESENOOO)
Problem je sto nema izlaz (ton).U izlazu je TDA7454 i posto mogu da ga nabavim tek za dve nedelje,a musteriji se zuri..
.Po semama sto sam pregledao izgleda mi da je TDA7386 99% identican,pa pitam ako je neko imao slicnog iskustva,dali bih mogao da ga zamenim?
Pozdrav
Pozdrav
Zadnja izmena: vlatkocopa, dana 24 Nov 2008, 20:32, ukupno menjano 1 put.
Za sjaj u očima, rumenilo u licu i lepršav hod - koristite kozmetiku -Šljivovica a moze i domaca jabukovaca ..:))
- milan
- Preminuo
- Postovi: 4426
- Pridružen: 19 Avg 2006, 22:38
- Location: Novi Sad
- Specialty: tv-multimedia
Re: CD Blaupunkt Bronx mp75
Na semi za taj model nalazi se TDA7386, po tome moze i bice onda originalna izvedba.Ta dva IC pored razlike u snazi
(sto je i nebitno) razlikuju se u pinu 25.
(sto je i nebitno) razlikuju se u pinu 25.
- vlatkocopa
- gx

- Postovi: 3034
- Pridružen: 04 Jun 2008, 22:41
- Location: Makedonija-Kumanovo
- Contact person: Vlado
- Phone number: 0038931420808
- Specialty: tv
Re: CD Blaupunkt Bronx mp75
Hvala Milane,bas cu da obratim paznju na tu nogu-da ne zeznem nesto...pa cu da javim,posto aparat u meniju ima neku opciju da se iskljuci unutrasnje pojacalo.
Pozdrav
Pozdrav
Za sjaj u očima, rumenilo u licu i lepršav hod - koristite kozmetiku -Šljivovica a moze i domaca jabukovaca ..:))
Re: CD Blaupunkt Bronx mp75
A jesi li probao da oslobodis 22 nozicu tojes Mute 
- Prilog
-
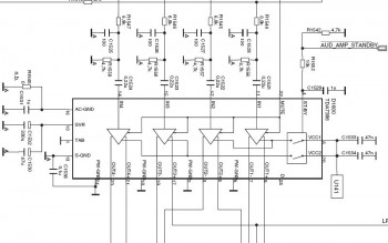
- 4X35W TDA7454.jpg (24.86 KiB) Pregledano 1428 puta.
-
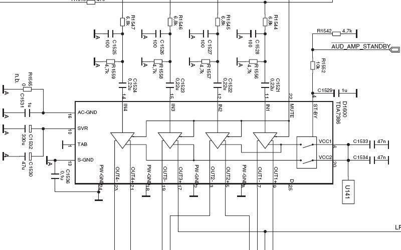
- TDA7454.jpg (28.15 KiB) Pregledano 1430 puta.
TOCE
- vlatkocopa
- gx

- Postovi: 3034
- Pridružen: 04 Jun 2008, 22:41
- Location: Makedonija-Kumanovo
- Contact person: Vlado
- Phone number: 0038931420808
- Specialty: tv
Re: CD Blaupunkt Bronx mp75
To je prvo sto sam pokusao 
Za sjaj u očima, rumenilo u licu i lepršav hod - koristite kozmetiku -Šljivovica a moze i domaca jabukovaca ..:))
- vlatkocopa
- gx

- Postovi: 3034
- Pridružen: 04 Jun 2008, 22:41
- Location: Makedonija-Kumanovo
- Contact person: Vlado
- Phone number: 0038931420808
- Specialty: tv
Re: CD Blaupunkt Bronx mp75
Zamenio novi TDA7386,otkacena nozica 22 (mute) i opet nece ni da bekne...
Buni me 16-ta noga na semi od originalnog TDA7454,nesto ide kao preko nekog prekidaca na masu i pise std/heff(nemam pojma sta je to ? ),a na semi TDA7386 ide preko bloka 0,1mf na masu.Popodne cu da malo razmotrim u cemu je rec.
Buni me 16-ta noga na semi od originalnog TDA7454,nesto ide kao preko nekog prekidaca na masu i pise std/heff(nemam pojma sta je to ? ),a na semi TDA7386 ide preko bloka 0,1mf na masu.Popodne cu da malo razmotrim u cemu je rec.
Za sjaj u očima, rumenilo u licu i lepršav hod - koristite kozmetiku -Šljivovica a moze i domaca jabukovaca ..:))
- Stolle
- Preminuo
- Postovi: 19098
- Pridružen: 12 Avg 2006, 23:35
- Location: Srbija
- Specialty: tv-multimedia
- Lokacija: Dimitrovgrad
Re: CD Blaupunkt Bronx mp75
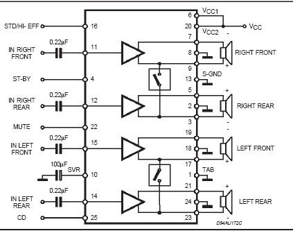
P1 : Vcc=14.4 V, f=1 kHz, RL=4Ohm, THD=10%
P2 : Vcc=13.7 V, f=1 kHz, RL=4Ohm, saturated square wave output
P3 : Vcc=14.4 V, f=1 kHz, RL=4Ohm, saturated square wave output
P4 : Vcc=14.4 V, f=1 kHz, RL=2Ohm, saturated square wave output
RIPPLE = SVR
TYPE.......manuf..P1..P2 EIAJ..P3 MAX...P4 MAX...GAIN ..min-max Vcc..1 pin.-10 pin..16 pin ......25 pin
TDA7386.....ST....28..40........45..........NO..........26........8-18..........TAB..SVR....AC-GND.....NC
TDA7454.....ST....25..35........40..........60...........26........8-18..........TAB..SVR..STD/HI-EFF CLIP DET
A gde ga probaš?U autu?
Da ti možda neki zvučnik nema kontakt sa masom?
P2 : Vcc=13.7 V, f=1 kHz, RL=4Ohm, saturated square wave output
P3 : Vcc=14.4 V, f=1 kHz, RL=4Ohm, saturated square wave output
P4 : Vcc=14.4 V, f=1 kHz, RL=2Ohm, saturated square wave output
RIPPLE = SVR
TYPE.......manuf..P1..P2 EIAJ..P3 MAX...P4 MAX...GAIN ..min-max Vcc..1 pin.-10 pin..16 pin ......25 pin
TDA7386.....ST....28..40........45..........NO..........26........8-18..........TAB..SVR....AC-GND.....NC
TDA7454.....ST....25..35........40..........60...........26........8-18..........TAB..SVR..STD/HI-EFF CLIP DET
A gde ga probaš?U autu?
Da ti možda neki zvučnik nema kontakt sa masom?
"29 poslednjih dana u mesecu je najteže"
- vlatkocopa
- gx

- Postovi: 3034
- Pridružen: 04 Jun 2008, 22:41
- Location: Makedonija-Kumanovo
- Contact person: Vlado
- Phone number: 0038931420808
- Specialty: tv
Re: CD Blaupunkt Bronx mp75
Ma daj bre Stolle,pa nisam bas toliki moron
da nisam sve proverio.Problem je bio u 16-toj nozi,imala je direktan spoj na masu
E sad nisam imao vremena da je pratim tacno gde ide (dupla stampa,a i zajebavaju nas oko struje-pola Kumanova cas ima-cas nema struju po 2-3 sata ), ai mozda je povezano sa onom funkcijom u meniju da se iskljuci unutrasnjo pojacalo..???,pa sam popizdeo i samo otfikario nogu sa integralca TDA7386 i radi bre ko singerica....
Hvala kolegama na pomoci
Hvala kolegama na pomoci
Za sjaj u očima, rumenilo u licu i lepršav hod - koristite kozmetiku -Šljivovica a moze i domaca jabukovaca ..:))
-
- Slične teme
- Odgovori
- Pregledano
- Zadnji post
-
-
Blaupunkt San RemoRD168
napisao mcrnko » 07 svi 2008, 18:01 » u AUTO RADIO - CD - DVD- NAVIGACIJE i slično - 1 Odgovori
- 983 Pregledano
-
Zadnji post napisao nikola
07 svi 2008, 18:48
-
-
-
Problem sa auto-radiom Blaupunkt CAR300
napisao zivanzivkovic » 19 Jul 2008, 21:07 » u AUTO RADIO - CD - DVD- NAVIGACIJE i slično - 28 Odgovori
- 5463 Pregledano
-
Zadnji post napisao stojkePN
13 Sep 2008, 19:27
-
-
-
Blaupunkt RNS3 gasi se(rešeno)
napisao kisko » 19 Sep 2008, 23:26 » u AUTO RADIO - CD - DVD- NAVIGACIJE i slično - 9 Odgovori
- 2593 Pregledano
-
Zadnji post napisao kisko
21 Sep 2008, 23:39
-
-
-
Blaupunkt Nurnberg shema [RESENO]
napisao bgzoka » 02 Okt 2008, 15:26 » u AUTO RADIO - CD - DVD- NAVIGACIJE i slično - 8 Odgovori
- 2213 Pregledano
-
Zadnji post napisao bgzoka
06 Okt 2008, 22:37
-
-
-
Blaupunkt San Remo RD-168 [RESENO]
napisao bgzoka » 24 Sep 2009, 13:54 » u AUTO RADIO - CD - DVD- NAVIGACIJE i slično - 9 Odgovori
- 2318 Pregledano
-
Zadnji post napisao bgzoka
17 Jan 2010, 17:47
-
-
-
Blaupunkt LUXEMBOURG-C30,neispravan tuner
napisao servis-peric » 13 Nov 2009, 18:42 » u AUTO RADIO - CD - DVD- NAVIGACIJE i slično - 3 Odgovori
- 1530 Pregledano
-
Zadnji post napisao milan
19 Nov 2009, 21:32
-
-
-
Blaupunkt munchen CD43
napisao sveta » 26 Nov 2009, 17:30 » u AUTO RADIO - CD - DVD- NAVIGACIJE i slično - 20 Odgovori
- 3564 Pregledano
-
Zadnji post napisao milan
09 Dec 2009, 17:16
-
-
-
BLAUPUNKT TORONTO RDM 128-na displeju SERVICE
napisao sveta » 10 svi 2010, 10:53 » u AUTO RADIO - CD - DVD- NAVIGACIJE i slično - 4 Odgovori
- 1796 Pregledano
-
Zadnji post napisao kalaba
13 svi 2010, 13:34
-
