Potrebna pomoc za auto radio - RESENO!!!!
Urednik: Barbarella56
Pravila foruma
Na ovom delu foruma ZABRANJENO JE:
-Postavljanje kalkulatora iz serijskog broja,
-Izracunavanje kodova iz serijskog broja,
-Objavljivanje dampova bez koda.
Sva ostala pitanja iz oblasti servisiranja ARK-a,CD-a su dozvoljena.
Praktikujemo da na kraju opišemo kako smo rešili problem. Zatim zatvorimo temu >UPUTSTVO<
Na ovom delu foruma ZABRANJENO JE:
-Postavljanje kalkulatora iz serijskog broja,
-Izracunavanje kodova iz serijskog broja,
-Objavljivanje dampova bez koda.
Sva ostala pitanja iz oblasti servisiranja ARK-a,CD-a su dozvoljena.
Praktikujemo da na kraju opišemo kako smo rešili problem. Zatim zatvorimo temu >UPUTSTVO<
Potrebna pomoc za auto radio - RESENO!!!!
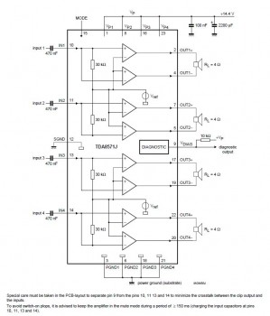
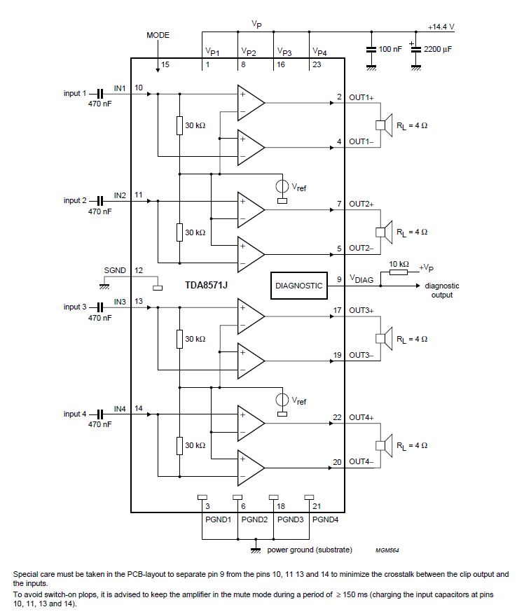
Imam sledeci problem sa auto radio marke COLOSSEUS, donet mi je jer je lik pomesao plus i minus i izgoreo je izlazno pojacalo koje koristi kolo TDA8571J, nisam imao mnogo izbora osim da ga zamenim novim, posle zamene kola desava mi se jedna stvarno cudna stvar, kad se ukjluci radio dobijem ton normalan na sva cetrir izlaza kad pocinjem da pojacavam dodje na nekih 35 od max. 47 koliko pokazuje na displeju i tu se automatski prekida ton displej se smanji i u zvucniku dobijem brujanje, ugasim ga probam ponovo i opet isto, ima li neko da je imao ovakav problem ako jeste molio bih da mi pomogne stvarno neznam u cemu je problem? Pozdrav!!!!
Zadnja izmena: makkki79, dana 13 Mar 2009, 20:50, ukupno menjano 1 put.
Maki
Re: Potrebna pomoc za auto radio
Na kakvo si ga napajanje prikacio 

Sto vise ucim sve vise vidim koliko neznam :plaz:
-
- _
- Postovi: 34
- Pridružen: 11 Okt 2007, 23:59
- Location: Bosna
- Contact person: Adnan
- Specialty: computers
- Lokacija: Lukavac, BiH
Re: Potrebna pomoc za auto radio
moras imati dosta A da ga poneses na max volume. i ja sam ima problema sa tim, a odnesem u auto i ono radi.
Re: Potrebna pomoc za auto radio
Prikljucio sam ga na stabilisan ispravljac sa regulacijom napona sa strujom od nekih 5A, probacu da ga prikljucim direktno u auto pa cu videti, u svakom slucaju hvala na savetu!
Maki
- dzafer
- gx
- Postovi: 2522
- Pridružen: 21 Sep 2006, 13:13
- Location: BIH SARAJEVO-ILIDŽA
- Specialty: tv-multimedia
Re: Potrebna pomoc za auto radio
na taj ispravljac bi morao da radi
ipak pregledaj oko izlaznog ic da ti nije slucajno nesto od stampe je u prekidu ili neki otpornik da je stradao
ipak pregledaj oko izlaznog ic da ti nije slucajno nesto od stampe je u prekidu ili neki otpornik da je stradao
džale
Bez alata nema zanata, a bez znanja ni najbolji alat neće pomoći.
Bez alata nema zanata, a bez znanja ni najbolji alat neće pomoći.
Re: Potrebna pomoc za auto radio
Povezao sam ga u auto i potpuno isto se desava, posto na mom ispravljacu imam digitalni voltemetar i ampermetar kad prikljucim radio na napon od 14V on se upali dobije ton i pocne da vuce negde oko 0,7A kad pocinjem da pojacavam i kad dodje do neke granice odmah se prekine ton i struja skoci na nekih 3,5A i kolo pocinje da se greje ugasim radio na prekidac na zvucnicima se cuje na kratko pistanje-zujanje upalim ga opet on radi dok ga ne pojacam i opet isto, oko kola bukvalno nema nista par elkosa koje sam promenio i opet nista, sve sam zivo proverio i nece pa nece ima li neko da je imao slican problem molio bih vas da mi pomognete jer stvarno vise nisam pametan? Pozdrav!!!!
Maki
Re: Potrebna pomoc za auto radio
Hmm kakvog li je kvaliteta IC...
Mada doziveo je sok sa kratkospajanjem mozda i neka dioda malo probila pa kad povuce vise struje ona zezne stvar

Mada doziveo je sok sa kratkospajanjem mozda i neka dioda malo probila pa kad povuce vise struje ona zezne stvar

Sto vise ucim sve vise vidim koliko neznam :plaz:
Re: Potrebna pomoc za auto radio
Kolo je ispravno 100%, skinuo sam sa drugog radia isto kolo i ubacim ga u ovaj radio i opet se potpuno isto desava sto znaci da je kolo ovo novo sasvim ok, probao sam jos jednu varijantu skinuo sam kolo sa radia i na ulazima gde ulaze u kolo prikljucio drugo NF pojacalo i radi pojacam ga na max. i radi nema da se gasi cim vratim kolo nazad opet isto, sve me je navelo na to da je kolo neispravno ali kad sam ubacio i drugo onda definitivno nije problem sa kolom a sta je nemam pojma!
Maki
- rubin_miki
- Preminuo
- Postovi: 3382
- Pridružen: 13 Avg 2006, 00:22
- Location: Prilep Makedonija
- Specialty: tv-multimedia
- Kontakt:
Re: Potrebna pomoc za auto radio
si ti stavio na akky ili samo na napajanje 5 ampera??
ce da izadjem na televizor,a????
http://www.macedonium.org/makedonija.swf
http://www.macedonium.org/makedonija.swf
- dzafer
- gx
- Postovi: 2522
- Pridružen: 21 Sep 2006, 13:13
- Location: BIH SARAJEVO-ILIDŽA
- Specialty: tv-multimedia
Re: Potrebna pomoc za auto radio
rubin_miki je napisao:si ti stavio na akky ili samo na napajanje 5 ampera??
makkki79 je napisao:Povezao sam ga u auto i potpuno isto se desava,
džale
Bez alata nema zanata, a bez znanja ni najbolji alat neće pomoći.
Bez alata nema zanata, a bez znanja ni najbolji alat neće pomoći.
- Proko
- gx
- Postovi: 375
- Pridružen: 14 Avg 2006, 23:33
- Location: http://proko.rs
- Phone number: 38122310545
Re: Potrebna pomoc za auto radio
Sudeći po tome kako si opisao, pojačalo ti prelazi u divlje oscilacije. Možda je u prekidu blokada na izlazu (RC), ili si prilikom zamene neku vezu prekinuo. Najlakše ćeš to videti pomoću osciloskopa.
Ja ni baterije na daljincu ne menjam bez osciloskopa...
Ja ni baterije na daljincu ne menjam bez osciloskopa...
Da se sa vernicima može argumentovano razgovarati, vernika ne bi ni bilo...
Re: Potrebna pomoc za auto radio
Proko, hoces li mi malo detaljnije objasniti na koju blokadu na izlazu mislis i gde i kako prikaciti osciloskop da bih video dali pojacalo divlja, osciloskop imam ali mi nije jasno kako to da odradim? Pozdrav i hvala na strucnom odgovoru!!!
Maki
- Proko
- gx
- Postovi: 375
- Pridružen: 14 Avg 2006, 23:33
- Location: http://proko.rs
- Phone number: 38122310545
Re: Potrebna pomoc za auto radio
Pogledaj bilo koji data sheet, kada je u pitanju NF izlazni pojačavač, na izlaz se stavlja serijska veza otpornika i kondenzatora. Obično je to 1-2ohma i 0.1-1uF. Tako se visoke frekvencija drže pod kontrolom jer svaka žica, a i sam zvučnik (ukoliko nije piezo) ima induktivni karakter, i praktično ostavlja otvoren izlaz za visoke frekvencije. Naravno, nije to jedina "mudrost" u vezi pojačavača, ali prekidanjem te veze skoro obavezno dolazi do divljih oscilacija, koje se obično " aktiviraju" povećanjem pojačanja, i blokiraju pojačalo, a mogu dovesti i do njegovog uništenja.
A što se tiče osciloskopa...razmisli još jednom...
A što se tiče osciloskopa...razmisli još jednom...
Da se sa vernicima može argumentovano razgovarati, vernika ne bi ni bilo...
Re: Potrebna pomoc za auto radio
Proko, neces verovati ali je istina oko ovog kola nema ni jedan element niti bilo kakva blokada RC prema izlazu, sa kola direktno izlazi idu na konektor bez ikakvih elemenata koji blokiraju da kolo divlja kao sto si rekao, a sto se tice osciloskopa veruj mi da me je toliko iscrpeo ovaj nazovi "radio" da stvarno ne mogu da provalim kako da ga prikljucim, pa te zato jes jednom molim da mi pomognes da resim ovaj problem? Jos jednom hvala na svim strucnim odgovorima koje mi dajes! Pozdrav!!!
Maki
- Proko
- gx
- Postovi: 375
- Pridružen: 14 Avg 2006, 23:33
- Location: http://proko.rs
- Phone number: 38122310545
Re: Potrebna pomoc za auto radio
Moguće da je taj problem proizvođač rešio unutar kola, ali ipak nije na odmet pogledati "šta ima" na izlazu. Osciloskop priključiš kao i uvek(!):
štipaljku za masu na masu pojačala, a sondu na tačku, koju želiš da posmatraš.
U ovom slučaju je to izlazni vod, koji ide prema zvučniku. U tvojem slučaju, idu dva voda prema svakom zvučniku, tj svi vodovi su aktivni (zato što je pojačalo u mosnom spoju), tako da prvo pogledaš jedan izlaz, pa onda drugi i tako svih 8. Ovo treba raditi kada pojačalo "prestane" da radi, tako da moraš biti brz, da ga ne bi uništio. Ukoliko na bilo kojem izlazu primetiš VF oscilacije, to je dovoljno da se pojačalo blokira, i previše greje.
Slični simptomi se mogu javiti i kada je jedna žica od zvučnika na masi. Zvučnik radi, jer ga napaja drugi izlaz, a istovremeno se onaj prvi izlaz greje. A greje se i onaj drugi, jer se preko zvučnika zatvara strujno kolo za jednosmernu komponentu (koja je 6V) prema masi. I u ovom slučaju možeš videto sa ociloskopom jesu li svi izlazi na potencijalu U/2, tj. 6V.
štipaljku za masu na masu pojačala, a sondu na tačku, koju želiš da posmatraš.
U ovom slučaju je to izlazni vod, koji ide prema zvučniku. U tvojem slučaju, idu dva voda prema svakom zvučniku, tj svi vodovi su aktivni (zato što je pojačalo u mosnom spoju), tako da prvo pogledaš jedan izlaz, pa onda drugi i tako svih 8. Ovo treba raditi kada pojačalo "prestane" da radi, tako da moraš biti brz, da ga ne bi uništio. Ukoliko na bilo kojem izlazu primetiš VF oscilacije, to je dovoljno da se pojačalo blokira, i previše greje.
Slični simptomi se mogu javiti i kada je jedna žica od zvučnika na masi. Zvučnik radi, jer ga napaja drugi izlaz, a istovremeno se onaj prvi izlaz greje. A greje se i onaj drugi, jer se preko zvučnika zatvara strujno kolo za jednosmernu komponentu (koja je 6V) prema masi. I u ovom slučaju možeš videto sa ociloskopom jesu li svi izlazi na potencijalu U/2, tj. 6V.
Da se sa vernicima može argumentovano razgovarati, vernika ne bi ni bilo...
Re: Potrebna pomoc za auto radio
Proko ima samo jos jedno pitanje i prestajem da smaram, nisam bas toliko vest sa osciloskopom pa me intresuje koliko treba da podesim vremensku bazu u mikro ili mili sekundama a koliko naponsku osetljivost u milivoltima ili voltima na osciloskopu da bih video taj signal? Jos jednom veliki pozdrav!
Maki
Re: Potrebna pomoc za auto radio - RESENO!!!!
PROBLEM RESEN, a kvar je bio u tome da se kolo napajalo na cetiri nozice sa + i cetiri nozice sa -, plus je bio dobar a masa na jednoj strani kola je bila losa, kad sam proverio omski bilo je ok. tu me je i zbunilo, medjutim kad sam sve cetiri nozice od minusa prespojio zicom i to sve na masu radio je proradio, hvala svima koji su mi pomogli sa svojim savetima!!!
Maki
-
- Slične teme
- Odgovori
- Pregledano
- Zadnji post
-
-
Potrebna sema auto-radio Blaupunkt Freiburg SQM 26 (Reseno)
napisao goran » 23 Jun 2011, 19:57 » u AUTO RADIO - CD - DVD- NAVIGACIJE i slično - 2 Odgovori
- 2362 Pregledano
-
Zadnji post napisao goran
24 Jun 2011, 16:23
-
-
-
Problem sa izlaznim IC za auto radio Medion MD4366 Reseno
napisao tatamin » 28 Jul 2012, 19:31 » u AUTO RADIO - CD - DVD- NAVIGACIJE i slično - 5 Odgovori
- 3317 Pregledano
-
Zadnji post napisao tatamin
05 Avg 2012, 23:08
-
-
-
auto radio sony cdx-5290rds
napisao xipsilon » 19 Jun 2009, 07:09 » u AUTO RADIO - CD - DVD- NAVIGACIJE i slično - 2 Odgovori
- 1553 Pregledano
-
Zadnji post napisao xipsilon
19 Jun 2009, 14:51
-
-
-
shema za auto radio FORD sound 2000
napisao xipsilon » 04 Sep 2009, 23:25 » u AUTO RADIO - CD - DVD- NAVIGACIJE i slično - 7 Odgovori
- 2891 Pregledano
-
Zadnji post napisao cubica
17 Sep 2009, 22:56
-
-
-
Auto radio Eurovox MOD2680KA3 problemi sa eprom
napisao ROAMER » 14 Dec 2017, 06:02 » u AUTO RADIO - CD - DVD- NAVIGACIJE i slično - 20 Odgovori
- 9279 Pregledano
-
Zadnji post napisao ROAMER
19 Dec 2017, 10:36
-
-
-
Auto radio displej
napisao Pavlovic 21 » 04 Avg 2021, 07:10 » u AUTO RADIO - CD - DVD- NAVIGACIJE i slično - 7 Odgovori
- 3948 Pregledano
-
Zadnji post napisao Pavlovic 21
07 Avg 2021, 14:59
-
-
-
Blaupunkt auto radio,potreban cod
napisao JRRade » 21 Dec 2024, 07:12 » u AUTO RADIO - CD - DVD- NAVIGACIJE i slično - 5 Odgovori
- 6219 Pregledano
-
Zadnji post napisao JRRade
06 Jan 2025, 17:52
-
-
-
AUTO CD KDG343- POTREBNA SEMA
napisao katicbranko » 31 Jan 2012, 20:35 » u AUTO RADIO - CD - DVD- NAVIGACIJE i slično - 2 Odgovori
- 2061 Pregledano
-
Zadnji post napisao katicbranko
31 Jan 2012, 21:13
-