Opel Astra 2.0D 1997 Airbag-[RESENO]
Urednik: Barbarella56
Pravila foruma
Praktikujemo da na kraju opišemo kako smo rešili problem. Zatim zatvorimo temu >UPUTSTVO<
Praktikujemo da na kraju opišemo kako smo rešili problem. Zatim zatvorimo temu >UPUTSTVO<
Opel Astra 2.0D 1997 Airbag-[RESENO]
Lampica svetli ali nisam imao sa cime da odradim dijagnostiku ,dali mogu sa ovim da vidim gresku i da je otklonim na sledecem : SRS Unit GM 90 569 340 BQ Siemens 5WK4 175 ,14/97 01 unutra je po svemu sudeci HC11E9 a pise ovako M 926776 ,ZC432386CFN4 ,O-CE, QQHN9701!
I dali je dovoljno sledece za obd2 4gnd,7k-line ,16vcc -inerf max232 modifikovan! Hvala unapred
I dali je dovoljno sledece za obd2 4gnd,7k-line ,16vcc -inerf max232 modifikovan! Hvala unapred
- Prilog
-
tool.rar- (18.98 KiB) Preuzeto 330 puta.
Zadnja izmena: zlix, dana 19 Dec 2007, 21:29, ukupno menjano 1 put.
- rubin_miki
- Preminuo
- Postovi: 3382
- Pridružen: 13 Avg 2006, 00:22
- Location: Prilep Makedonija
- Specialty: tv-multimedia
- Kontakt:
od aira na opelima ti je pin 12-K-line.da, sa ovim programom mozes napraviti dijagnostiku i videti zasto ti svetli...motorolu nemas potrebe dirati OSIM ako nema CRASH-data t.j. ako nema sudar i jastuci izbaceni....znaci, samo dijag, otklanjanje problema i brisanje greske.............
ce da izadjem na televizor,a????
http://www.macedonium.org/makedonija.swf
http://www.macedonium.org/makedonija.swf
Jos mi cova nije doterao auto da vidim kod greske ,aman ubedjuje me da mu modul nevalja ,sad je vec druga prica ("sin je vozio pa je zakacio srndaca" a airbagovi nisu otvorili samo lampica gori ) !
KAKO da vezem napajanje na ovaj modul i vidim dump sa motorcrackom ,nemam s cime da skinem mcu !???
Hvala unapred !!!
KAKO da vezem napajanje na ovaj modul i vidim dump sa motorcrackom ,nemam s cime da skinem mcu !???
Hvala unapred !!!
- Vojvoda
- ___

- Postovi: 2285
- Pridružen: 17 Dec 2006, 22:14
- Location: Srbija
- Contact person: Mirko
- Specialty: tv-multimedia
- Lokacija: Beograd, Karaburma
Kod Opela, a i kod većine ostalih marki automobila prilikom paljenja motora kontrolne lampice treba da gore i par trenutaka kasnije da se pogase ISTOVREMENO. Ako se lampa za air-bag gasi pre ili kasnije onda je neko petljao po elektronici, tj. auto je bio lupan pa popravljan, a nije mu zamenjen senzor i uložak aktiviranog air-bag uređaja već je nešto prespojeno pa se lampica naknadno (ili pre) gasi. Još jasnija situacija je kad se lampica ne gasi. Onda ili imaš kvar na instalaciji, što je malo verovatno, ili je air-bag odradio svoje pa je auto popravljen a elektronika nije dirana, što potvrđuje i priča o srndaću.
Dakle, auto je bio havarisan, ili kod pređašnjeg vlasnika ili je sin tresnuo negde pa sredio auto da tata ne vidi.
Dakle, auto je bio havarisan, ili kod pređašnjeg vlasnika ili je sin tresnuo negde pa sredio auto da tata ne vidi.
Budženje je majka zanata.
Ko dobro budži, bolje pare uzima.
http://www.youtube.com/watch?v=WBao61sI ... ture=share
Ko dobro budži, bolje pare uzima.
http://www.youtube.com/watch?v=WBao61sI ... ture=share
- fanzo
- Site Admin

- Postovi: 16038
- Pridružen: 02 Avg 2006, 06:41
- Location: Bački Petrovac, Srbija
- Phone number: 0038121781575
- Specialty: tv-multimedia
- Lokacija: Bački Petrovac
Mislim da bi lampice trebalo da se gase jedna po jedna...nadam se da si napravio štamparsku grešku.
Ako je bila havarija i popravka nije propisno završena , airbag svetlo bi sijalo stalno ili bilo stalno ugašeno , što je znak neispravnosti , ako će neko hteti da otalja ovaj posao onda će lampicu od na primer airbag-a vezati na (primer) AKU , što prouzrokuje istovremeno gašenje obe , što bi i navodilo na sumnju da je neko nešto budžio.
Ako je bila havarija i popravka nije propisno završena , airbag svetlo bi sijalo stalno ili bilo stalno ugašeno , što je znak neispravnosti , ako će neko hteti da otalja ovaj posao onda će lampicu od na primer airbag-a vezati na (primer) AKU , što prouzrokuje istovremeno gašenje obe , što bi i navodilo na sumnju da je neko nešto budžio.
- rubin_miki
- Preminuo
- Postovi: 3382
- Pridružen: 13 Avg 2006, 00:22
- Location: Prilep Makedonija
- Specialty: tv-multimedia
- Kontakt:
moze, moze, samo jos da das sve informacije o modulu i motoroli..otkud ja znam koja je motorola unutra pa da dajem neke informacije kako da vezes??
kako ja da dekodiram mobilni aj te molim objasni? ili prvo kontrapitanje bice-koji mobilni??
i daj prvo zakaci na dijagnozu i vidi koje ce sve greske izbaciti, koje ce pobrisati a koje ce ostaviti..
kako ja da dekodiram mobilni aj te molim objasni? ili prvo kontrapitanje bice-koji mobilni??
i daj prvo zakaci na dijagnozu i vidi koje ce sve greske izbaciti, koje ce pobrisati a koje ce ostaviti..
ce da izadjem na televizor,a????
http://www.macedonium.org/makedonija.swf
http://www.macedonium.org/makedonija.swf
ok Hvala Rubine & Miki koji god da je-unapred ! Gore je vec napisano koji je bosch-siemens GM90569340BQ
5WK4 175
Made in Germany
BQS02538287 14/97 01
procesor unutra
M 926776
ZC432386CFN4
O-CE
mask QQHN9701----------ovo bi trbalo biti hc11E9 52 plcc kristal na 7 i 8 masa na 1
na konektoru modula pise J2111
dva reda ,prvi 15 nozica
drugi 7 nozica ostalih 8 je prazno
pored motorole ima UAA1280T
a malo dalje SIEMENS
700001FAEGW0
V1-2
moze li sad pomoc kako da ga citam i ispravim ako treba?
5WK4 175
Made in Germany
BQS02538287 14/97 01
procesor unutra
M 926776
ZC432386CFN4
O-CE
mask QQHN9701----------ovo bi trbalo biti hc11E9 52 plcc kristal na 7 i 8 masa na 1
na konektoru modula pise J2111
dva reda ,prvi 15 nozica
drugi 7 nozica ostalih 8 je prazno
pored motorole ima UAA1280T
a malo dalje SIEMENS
700001FAEGW0
V1-2
moze li sad pomoc kako da ga citam i ispravim ako treba?
- rubin_miki
- Preminuo
- Postovi: 3382
- Pridružen: 13 Avg 2006, 00:22
- Location: Prilep Makedonija
- Specialty: tv-multimedia
- Kontakt:
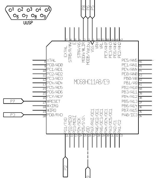
I:\DUMPs\Opel\90 569 340 BQ 5WK4175 HC11E9
kako vidis, ima cicak info i za njega, budi bez brige....
ajd sad prikljuci ovako motodrolju, procitaj i salji dump da ti ocistim dump....
ne obaziri se na oznacene brojeve na slici, to su oznake za moj programator, gledaj rx, tx, reset, napajanje od 5v masa i tako dalje, ovo je dovoljno za svako ko radi malo sa motorolama da razume sta dalje treba......
pozz
kako vidis, ima cicak info i za njega, budi bez brige....
ajd sad prikljuci ovako motodrolju, procitaj i salji dump da ti ocistim dump....
ne obaziri se na oznacene brojeve na slici, to su oznake za moj programator, gledaj rx, tx, reset, napajanje od 5v masa i tako dalje, ovo je dovoljno za svako ko radi malo sa motorolama da razume sta dalje treba......
pozz
- Prilog
-
- hc11e9.JPG (43.78 KiB) Pregledano 5639 puta.
ce da izadjem na televizor,a????
http://www.macedonium.org/makedonija.swf
http://www.macedonium.org/makedonija.swf
- Vojvoda
- ___

- Postovi: 2285
- Pridružen: 17 Dec 2006, 22:14
- Location: Srbija
- Contact person: Mirko
- Specialty: tv-multimedia
- Lokacija: Beograd, Karaburma
Ma svašta ljudi rade prilikom popravke havarisanih vozila. Drugar se bavi tim poslom pa zato znam i šta se dešava. Proveriću ovo oko redosleda gašenja lampica na novoj ASTRI kod teče pa će da napišem detaljno, ali mislim da sam u pravu jer prilikom starta motora lampice za ulje i akumulator se gase odmah a ostale kontrolne lampe nakon par trenutaka.
Budženje je majka zanata.
Ko dobro budži, bolje pare uzima.
http://www.youtube.com/watch?v=WBao61sI ... ture=share
Ko dobro budži, bolje pare uzima.
http://www.youtube.com/watch?v=WBao61sI ... ture=share
Ma ok je sve to , i sto mi Rubin poslao, znao sam da vezem, no mi problem stvara 2 pin na m...drolji , vezan je na 5v izgleda direkt ispod procesora ,a nisam bio siguran ,pa sam mislio ako neko ima raspored nozica za ceo air modul da mu odatle dovedem napajanje i premerim 2 pin ,no sad vidim da je uzalud i da ga moram preseci i vezati na gnd kako bi ga iscitao ,a sto se tice resetovanja i brisanja koda greske ,ako je covek siguran da je samo ovo onda nema problema imam alat zakacim se na pin 12 k-line i reseno !
hvala na svemiu do sada ,nadam se da je sledece sto cu kucati -r.s.no!
hvala na svemiu do sada ,nadam se da je sledece sto cu kucati -r.s.no!
- Vojvoda
- ___

- Postovi: 2285
- Pridružen: 17 Dec 2006, 22:14
- Location: Srbija
- Contact person: Mirko
- Specialty: tv-multimedia
- Lokacija: Beograd, Karaburma
Dakle što se tiče lampica, nakon davanja kontakta ključem upale se sve lampice i posle par trenutaka se kontrolne pogase gotovo istovremeno, dok se lampice za ulje i akumulator gase tek nakon paljenja motora tj. ne može se air bag spojiti na njih ali može na neke druge. Fora je u tome što se čini mi se air bag lampa gasi poslednja od svih kontrolnih lampi, tako da je lako provaliti da li je neko tu petljao nešto.
U ovom slučaju ili je auto lupan pa popravljen a air bag i senzor nisu zamenjeni (udarac u srndaća bi trebalo da aktivira air bag) ili je tu nešto neispravno. U svakom slučaju auto treba odvesti u ovlašćen servis i odraditi dijagnostiku pa koliko košta da košta. Te stvari nisu za zezanje.
U ovom slučaju ili je auto lupan pa popravljen a air bag i senzor nisu zamenjeni (udarac u srndaća bi trebalo da aktivira air bag) ili je tu nešto neispravno. U svakom slučaju auto treba odvesti u ovlašćen servis i odraditi dijagnostiku pa koliko košta da košta. Te stvari nisu za zezanje.
Budženje je majka zanata.
Ko dobro budži, bolje pare uzima.
http://www.youtube.com/watch?v=WBao61sI ... ture=share
Ko dobro budži, bolje pare uzima.
http://www.youtube.com/watch?v=WBao61sI ... ture=share
izgleda da je neko pre ovog cove tumbao auto, jer uopste nema lampice za air izvadjena je a dumpovi su u prilogu,resio sam to i nije neki trik jedino onaj pin 2 je malo zaj...n ako se nema komplet alat !
pass za ove dampove na pm kome treba nek se javi
hvala svima na pomoci ! RESENO

pass za ove dampove na pm kome treba nek se javi
hvala svima na pomoci ! RESENO
- Prilog
-
iscitan+sredjen.rar- (508 bajtova) Preuzeto 246 puta.
- rubin_miki
- Preminuo
- Postovi: 3382
- Pridružen: 13 Avg 2006, 00:22
- Location: Prilep Makedonija
- Specialty: tv-multimedia
- Kontakt:
cek, nejavljam se iz servisa nego odmaram kuci i citam..si sredio dump ili sutra da sredjujem, jos ga nisam ni skinuo da znam sta da radim?
ce da izadjem na televizor,a????
http://www.macedonium.org/makedonija.swf
http://www.macedonium.org/makedonija.swf
- rubin_miki
- Preminuo
- Postovi: 3382
- Pridružen: 13 Avg 2006, 00:22
- Location: Prilep Makedonija
- Specialty: tv-multimedia
- Kontakt:
ok..za dalje, da znate da posedujem veeeeliku bazu dumpova za air, ako treba nekome, nek pisti i vristi 
ce da izadjem na televizor,a????
http://www.macedonium.org/makedonija.swf
http://www.macedonium.org/makedonija.swf
- Vojvoda
- ___

- Postovi: 2285
- Pridružen: 17 Dec 2006, 22:14
- Location: Srbija
- Contact person: Mirko
- Specialty: tv-multimedia
- Lokacija: Beograd, Karaburma
Model na kome sam ja posmatrao redosled gašenja lampica je benzinac 1.4 nov, kupljen preko Zastave letos. Možda je fabrika u međuvremenu nešto menjala, tek kod ovog auta i ne možeš startovati motor pre no što se ugasi jedna od lampica a ta se gasi ubedljivo poslednja od svih.zozontv1 je napisao:Ne znam da li se benzinac i dizel u tom pogledu razlikuju, ali
kod benzinca se lampice gase kad se motor "upali", doduse ne sve istovremeno.
Budženje je majka zanata.
Ko dobro budži, bolje pare uzima.
http://www.youtube.com/watch?v=WBao61sI ... ture=share
Ko dobro budži, bolje pare uzima.
http://www.youtube.com/watch?v=WBao61sI ... ture=share
-
- Slične teme
- Odgovori
- Pregledano
- Zadnji post
-
-
opel astra F ne puni dovoljno alternator?
napisao Mega Elektro SU » 18 Dec 2008, 23:13 » u Autoelektronika - 15 Odgovori
- 4528 Pregledano
-
Zadnji post napisao Vojvoda
11 Jan 2009, 15:45
-
-
-
Opel astra F '92-98. reostat ventilatora kabine [info]
napisao Majstor Duja » 16 Feb 2010, 17:58 » u Autoelektronika - 6 Odgovori
- 7790 Pregledano
-
Zadnji post napisao lcresic
19 Okt 2016, 11:04
-
-
- 9 Odgovori
- 5232 Pregledano
-
Zadnji post napisao ELREMO
26 Sep 2013, 22:33
-
-
Opel Kadet 1.2 neravnomjeran ler gas (reseno)
napisao xipsilon » 21 Avg 2010, 21:31 » u Autoelektronika - 7 Odgovori
- 1996 Pregledano
-
Zadnji post napisao xipsilon
28 Nov 2010, 18:41
-
-
-
OPEL CORSA 1.3I NE PALI POLUZAGREJANA RESENO
napisao Djoko Hristovski » 18 Jan 2011, 08:12 » u Autoelektronika - 11 Odgovori
- 4699 Pregledano
-
Zadnji post napisao GTI
29 svi 2011, 23:28
-
-
- 5 Odgovori
- 3052 Pregledano
-
Zadnji post napisao peja71
20 Feb 2013, 08:27
-
- 25 Odgovori
- 6669 Pregledano
-
Zadnji post napisao zoki_klima
02 svi 2009, 01:04
-
- 7 Odgovori
- 1725 Pregledano
-
Zadnji post napisao Damiru
11 svi 2009, 12:56

