Senzor za sediste
Urednik: Barbarella56
Pravila foruma
Praktikujemo da na kraju opišemo kako smo rešili problem. Zatim zatvorimo temu >UPUTSTVO<
Praktikujemo da na kraju opišemo kako smo rešili problem. Zatim zatvorimo temu >UPUTSTVO<
- vlatkocopa
- gx
- Postovi: 3030
- Pridružen: 04 Jun 2008, 22:41
- Location: Makedonija-Kumanovo
- Contact person: Vlado
- Phone number: 0038931420808
- Specialty: tv
Senzor za sediste
Dali neko zna na kom principu radi onaj senzor na sedistu sto prijavi da je vozac ili suvozac seo i da nije vezao pojas?
Senzor mi traze za u tahi vozila sto ih prate preko GPS,da znaju dali taxi ide pun ili prazan.
Molim za pomoc.
Senzor mi traze za u tahi vozila sto ih prate preko GPS,da znaju dali taxi ide pun ili prazan.
Molim za pomoc.
Za sjaj u očima, rumenilo u licu i lepršav hod - koristite kozmetiku -Šljivovica a moze i domaca jabukovaca ..:))
- vlatkocopa
- gx
- Postovi: 3030
- Pridružen: 04 Jun 2008, 22:41
- Location: Makedonija-Kumanovo
- Contact person: Vlado
- Phone number: 0038931420808
- Specialty: tv
Re: Senzor za sediste
Ma nije moguce da niko nema neku ideju....




Za sjaj u očima, rumenilo u licu i lepršav hod - koristite kozmetiku -Šljivovica a moze i domaca jabukovaca ..:))
- rubin_miki
- Preminuo
- Postovi: 3382
- Pridružen: 13 Avg 2006, 00:22
- Location: Prilep Makedonija
- Specialty: tv-multimedia
- Kontakt:
Re: Senzor za sediste
kako nema ideju? rasturis neku kvalitetniju tastaturu za PC i odma ce ti biti jasnije..sigurno, jeftino, kvalitetno... 

ce da izadjem na televizor,a????
http://www.macedonium.org/makedonija.swf
http://www.macedonium.org/makedonija.swf
- vlatkocopa
- gx
- Postovi: 3030
- Pridružen: 04 Jun 2008, 22:41
- Location: Makedonija-Kumanovo
- Contact person: Vlado
- Phone number: 0038931420808
- Specialty: tv
Re: Senzor za sediste
Hmm...tema za razmisljanje....
Samo sto to treba montirati izmedju sundzera,pa se bojim da zajedno sa njim ne propada i ne ostvari kontakt.... 


Za sjaj u očima, rumenilo u licu i lepršav hod - koristite kozmetiku -Šljivovica a moze i domaca jabukovaca ..:))
- Vojvoda
- ___
- Postovi: 2285
- Pridružen: 17 Dec 2006, 22:14
- Location: Srbija
- Contact person: Mirko
- Specialty: tv-multimedia
- Lokacija: Beograd, Karaburma
Re: Senzor za sediste
Možeš pokrasti i neki alarm pa rešiti taj problem, samo tu treba i malko elektronike. Recimo da postaviš neke foto senzore u stubove vrata a negde na sred prednje konzole dve foto diode usmerene ka tim senzorima. Čim se otvore vrata i upali osvetljenje u autu, aktivira se i ta skalamerija. Kad neko uđe i sedne, vozač ili suvozač, on će prekinuti snop i ti imaš indikaciju da je neko seo na određeno sedište. Samim tim drugi deo elektronike za pojas se aktivira i dok ne vežeš pojas ne možeš ga deaktivirati. Ovo na pojasu možeš rešiti sa el-magnetnim senzorom koji se recimo koristi u sklopu kućnog alarma za obezbeđenje vrata i prozora.
Daj malo mašti na volju i pokradi par proizvoda pa ćeš već sklepati nešto.
Daj malo mašti na volju i pokradi par proizvoda pa ćeš već sklepati nešto.
Budženje je majka zanata.
Ko dobro budži, bolje pare uzima.
http://www.youtube.com/watch?v=WBao61sI ... ture=share
Ko dobro budži, bolje pare uzima.
http://www.youtube.com/watch?v=WBao61sI ... ture=share
Re: Senzor za sediste
Ja bi to resio sa senzorom ispod patosnice.Svako mora da spusti dole noge jedino ako vozac ne :sex: na sediste pa noge nisu dole
Ili rasturis tapacir na zadnja vrata i jedna i druga u jedan tapacir ugradis predajnik u drugi prijemnik ic i nema da promasi.Kablovi idu kroz grkljan crveno svaka vrata ih imaju nema sta da izmisljas posebno.Jedino neznam kako mislis da to prikacis na GPS
Ima li on neki ulaz na sebi ili 

Ili rasturis tapacir na zadnja vrata i jedna i druga u jedan tapacir ugradis predajnik u drugi prijemnik ic i nema da promasi.Kablovi idu kroz grkljan crveno svaka vrata ih imaju nema sta da izmisljas posebno.Jedino neznam kako mislis da to prikacis na GPS


Sto vise ucim sve vise vidim koliko neznam :plaz:
Re: Senzor za sediste
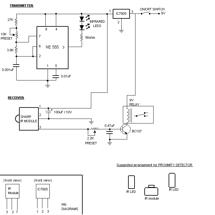
Evo jedne lepe i jednostavne seme.Samo na rejej vezes kontra da je aktivan kada se prekine snop 

- Prilog
-
- NE555_Sharp_Modele_Infrared_beam_barrier_sensor.gif (9.38 KiB) Pregledano 2298 puta.
Sto vise ucim sve vise vidim koliko neznam :plaz:
- vlatkocopa
- gx
- Postovi: 3030
- Pridružen: 04 Jun 2008, 22:41
- Location: Makedonija-Kumanovo
- Contact person: Vlado
- Phone number: 0038931420808
- Specialty: tv
Re: Senzor za sediste
Jao bre....
carevi ste...
Ma o svemu sam razmisljao,samo necete da verujete da su ovde ljudi u stanju i da se voze na pola dupeta,samo da manje plate...
Ma losa vremena...jedino ostaje senzor ispod dupeta i to sa zadrskom,posto su nam putevi rupa do rupe,pa buni gps,svaki sekund kaze,te ima putnika,te nema.....
.
Od mene cekaju da smislim bolje senzore i zdravje Boze....montiracu kompletni gps uredjaj...oni su do sad sredili oko kilometraze(kolko se vozi na sat,dali je ukljucen fiskalni aparat)...jedino zajeb..a ono ispod dupeta....
Pozdrav kolegama




Ma o svemu sam razmisljao,samo necete da verujete da su ovde ljudi u stanju i da se voze na pola dupeta,samo da manje plate...




Od mene cekaju da smislim bolje senzore i zdravje Boze....montiracu kompletni gps uredjaj...oni su do sad sredili oko kilometraze(kolko se vozi na sat,dali je ukljucen fiskalni aparat)...jedino zajeb..a ono ispod dupeta....

Pozdrav kolegama

Za sjaj u očima, rumenilo u licu i lepršav hod - koristite kozmetiku -Šljivovica a moze i domaca jabukovaca ..:))
- vlatkocopa
- gx
- Postovi: 3030
- Pridružen: 04 Jun 2008, 22:41
- Location: Makedonija-Kumanovo
- Contact person: Vlado
- Phone number: 0038931420808
- Specialty: tv
Re: Senzor za sediste
Kolega,a jel ima neka semica u fazonu ultra zvuka(kad bi moglo da predajnik i prijemnik budu u jednom kucistu,ovako mora da se vadi tapacir na oboja zadnja vrata,pa da meri kad se poremeti zrak),posto je ovako sa ir diodama problem kako resiti suvozacko sediste,jer ga vozac blokira....
GPS je kulturno resen,potrebno mu je +12v na jednom od ulaza i da dojavi da ima putnika u vozilu.
Unapred zahvalan
GPS je kulturno resen,potrebno mu je +12v na jednom od ulaza i da dojavi da ima putnika u vozilu.
Unapred zahvalan
Za sjaj u očima, rumenilo u licu i lepršav hod - koristite kozmetiku -Šljivovica a moze i domaca jabukovaca ..:))
- vlatkocopa
- gx
- Postovi: 3030
- Pridružen: 04 Jun 2008, 22:41
- Location: Makedonija-Kumanovo
- Contact person: Vlado
- Phone number: 0038931420808
- Specialty: tv
Re: Senzor za sediste
Uhhh....Stojke koji sam ja moron,zaneo se sa ovim ultrazvukom kao demek da pojednostavim,a tek sada vidim da prijemnik stoji izmedju dve IR i da je tako cela stvar resena u jednom kucistu..... :zid: :zid: :zid: Sorry
Hvala i pozdrav

Hvala i pozdrav

Za sjaj u očima, rumenilo u licu i lepršav hod - koristite kozmetiku -Šljivovica a moze i domaca jabukovaca ..:))
Re: Senzor za sediste

Ako te zanima nesto na ultrazvuk nacicemo


Sto vise ucim sve vise vidim koliko neznam :plaz:
- vlatkocopa
- gx
- Postovi: 3030
- Pridružen: 04 Jun 2008, 22:41
- Location: Makedonija-Kumanovo
- Contact person: Vlado
- Phone number: 0038931420808
- Specialty: tv
Re: Senzor za sediste
Jel sema proverena??? 

Za sjaj u očima, rumenilo u licu i lepršav hod - koristite kozmetiku -Šljivovica a moze i domaca jabukovaca ..:))
- vlatkocopa
- gx
- Postovi: 3030
- Pridružen: 04 Jun 2008, 22:41
- Location: Makedonija-Kumanovo
- Contact person: Vlado
- Phone number: 0038931420808
- Specialty: tv
Re: Senzor za sediste
Hvala jos jednom
Uradicu po shemi,pa se javjam....

Za sjaj u očima, rumenilo u licu i lepršav hod - koristite kozmetiku -Šljivovica a moze i domaca jabukovaca ..:))
- vlatkocopa
- gx
- Postovi: 3030
- Pridružen: 04 Jun 2008, 22:41
- Location: Makedonija-Kumanovo
- Contact person: Vlado
- Phone number: 0038931420808
- Specialty: tv
Re: Senzor za sediste
Uradio sam po shemi,doduse umesto sharp prijemnika koristio TSOP1737,podesio predajnik na 38khz (trimerom kojim se podesava osetljivost),ali radi samo na nekih 20-30cm.E sad buni me zasto kad povezem samo prijemnik na izlazu mi daje oko 4.5v i okida tranzistor (umesto relea sam stavio led radi vizuelne kontrole)kad se osvetli predajnikom ona se ugasi i to treba sa vece blizine.Dali sam pogresio sto sam stavio drugi tip prijemnika ili ima neki drugi stos ?
Pozdrav
Pozdrav

Za sjaj u očima, rumenilo u licu i lepršav hod - koristite kozmetiku -Šljivovica a moze i domaca jabukovaca ..:))
- cacko85
- gx
- Postovi: 1746
- Pridružen: 03 Dec 2008, 17:51
- Location: Macedonia
- Contact person: Slavche
- Specialty: tv-multimedia
- Lokacija: Sveti Nikole
- Kontakt:
Re: Senzor za sediste
Mislim da je do prijemnika da on ima na izlaz 4.5V imao sam mogucnos to da utvrdim u puno slucajeva. Mislim ugradao sam u neki BEKO mislim da bese, kao zamena za original koi je neka
sta ti znam oznaka i kod nas ni sam mogao da nadzem pa sam stavio ovi univerzal ali morao sam da stavim elko na izlaz vezan seriski za da prekine jedonasocna komponenta radi koja je bila prisutna i TV ni je reagirao na daljinac. Po ugradivanja na elko TV prima od daljinac. U ove slucaju ne mi teknuje sta da uradis.
Probaj u alfa dali imat SHARP.


Probaj u alfa dali imat SHARP.

www.facebook.com/slavceelectronics
- vlatkocopa
- gx
- Postovi: 3030
- Pridružen: 04 Jun 2008, 22:41
- Location: Makedonija-Kumanovo
- Contact person: Vlado
- Phone number: 0038931420808
- Specialty: tv
Re: Senzor za sediste
OK. Fala puno 

Za sjaj u očima, rumenilo u licu i lepršav hod - koristite kozmetiku -Šljivovica a moze i domaca jabukovaca ..:))
-
- Slične teme
- Odgovori
- Pregledano
- Zadnji post
-
-
Caddy 1999 , 1.9 sdi koji otpornik za senzor temp -Rešeno
napisao goranfri » 20 Dec 2014, 11:46 » u Autoelektronika - 20 Odgovori
- 5553 Pregledano
-
Zadnji post napisao goranfri
24 Dec 2014, 10:17
-
-
- 0 Odgovori
- 2144 Pregledano
-
Zadnji post napisao servissatel
12 Jan 2021, 12:39