Peugeot 307 2005, crkava F8 potrebna šema [REŠENO]
Napisan post: 14 Mar 2013, 20:45
Колеги, извинявам се, че пиша на български във вашия форум. Но така се надявам да бъда най-добре разбран
Ако някой разбира и има желание да го преведе ... Големи благодарности !!
Гори от време на време предпазителя F8. Търся истинската схема за да видя, според нея, какво се захранва от F8. Когато е изгорял няма стартер. Когато колата работи и извадя F8 продължава да работи без никакви индикации на дисплея, че има изгорял предпазител.
..
Автосервиза вече е взел паре /мъни/ за смяна на някакво реле, но проблема продължава.
С ваша помощ разчитам да разгадая причината. Благодаря Ви!
VIN AUTO VF33CNFUC8414xxxx, 1.6 Petrol
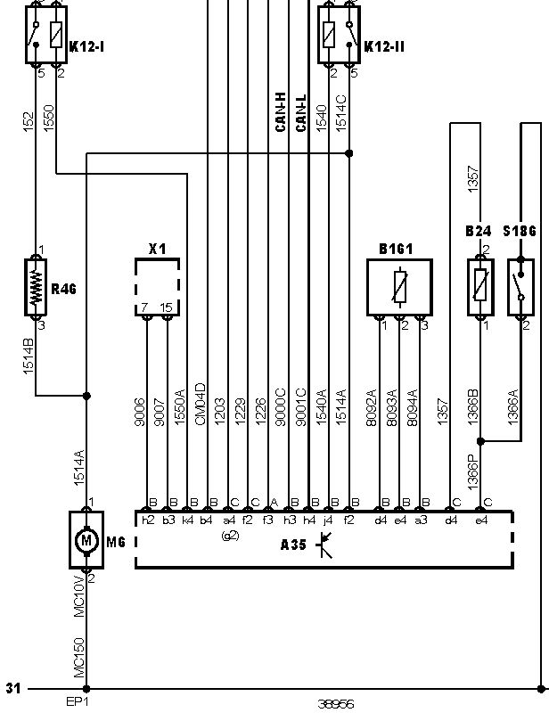
Гледал съм схемите тук > http://peugeot.mainspot.net/wiring307/index.shtml . Четох в други форуми за причините за изгарянето на F8. Твърди се, че това е стартера (шалтера), но не го виждам схемно ?! A11-II multifunction control module 2
K12-IEngine coolantblower motor relay 1
A-35 Engine control module ECM

..
Автосервиза вече е взел паре /мъни/ за смяна на някакво реле, но проблема продължава.
С ваша помощ разчитам да разгадая причината. Благодаря Ви!
VIN AUTO VF33CNFUC8414xxxx, 1.6 Petrol
Гледал съм схемите тук > http://peugeot.mainspot.net/wiring307/index.shtml . Четох в други форуми за причините за изгарянето на F8. Твърди се, че това е стартера (шалтера), но не го виждам схемно ?! A11-II multifunction control module 2
K12-IEngine coolantblower motor relay 1
A-35 Engine control module ECM