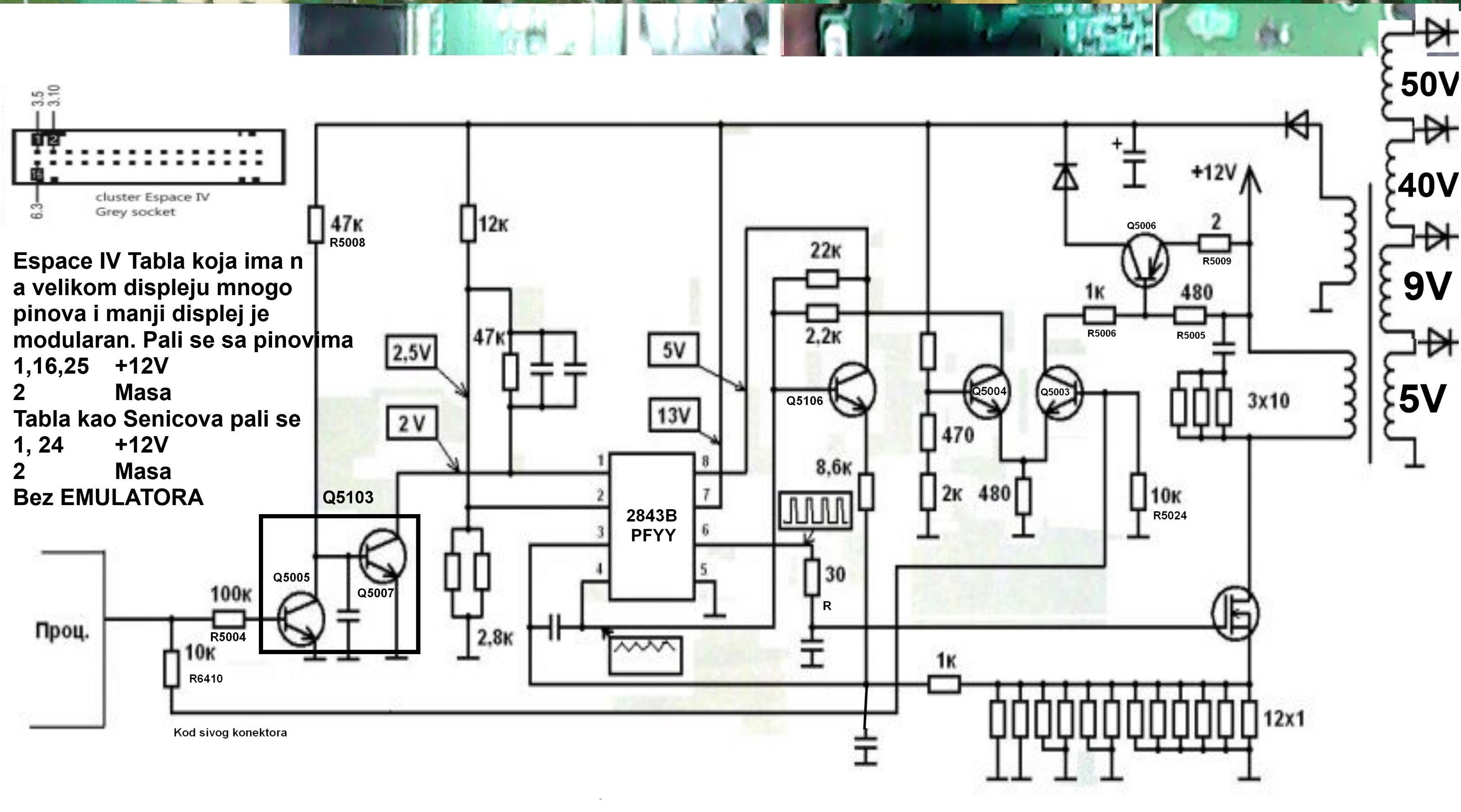
RENO SCENIC instrument tabla
Urednik: Barbarella56
Pravila foruma
Praktikujemo da na kraju opišemo kako smo rešili problem. Zatim zatvorimo temu >UPUTSTVO<
Praktikujemo da na kraju opišemo kako smo rešili problem. Zatim zatvorimo temu >UPUTSTVO<
- micot
- _

- Postovi: 62
- Pridružen: 15 Jan 2008, 20:19
- Location: SKOPJE-MAKEDONIJA
- Contact person: Miodrag
- Phone number: 00389023074774
- Specialty: tv-multimedia
- Lokacija: Skoplje-Makedonija
RENO SCENIC instrument tabla
Na tabli su nili izgoreni osigurac,i 12 komada 1 Ohm otpornici,paralelno vezanih.Promenio sam sve,prikljucio na auto i tabla je proradila,bez nikakvih anomalija.Vozio covek nekih 2 sata i javja mi se da je opet isti problem,ne radi instrument tabla.Proverio sam da su otpornici ok,otisao je samo osigurac 5A,prikljucio sad se cuje zvuk od zavojnice za displej,i greje FET nenormalno brzo,a sve radi.Dali neko od kolega je imao neki slican problem.Unapred hvala
Re: RENO SCENIC indstrument tabla
Zameni i fet, ali sa istim originalnim i trebalo bi da bude sve kako treba.
Sto vise ucim sve vise vidim koliko neznam :plaz:
Re: RENO SCENIC indstrument tabla
hladan lem u smps. Zato se pregreva i gori tranzistor.
cuby
cuby
samo laž treba državnu podršku, istina stoji sama od sebe uspravno! 
- micot
- _

- Postovi: 62
- Pridružen: 15 Jan 2008, 20:19
- Location: SKOPJE-MAKEDONIJA
- Contact person: Miodrag
- Phone number: 00389023074774
- Specialty: tv-multimedia
- Lokacija: Skoplje-Makedonija
Re: RENO SCENIC indstrument tabla
fet sam merio,ok je.Jedino da probam sa novim
-
RadovanPetkovic
- _

- Postovi: 58
- Pridružen: 07 Avg 2018, 17:18
- Location: kikinda
- Specialty: automotive
Re: RENO SCENIC indstrument tabla
Podeliću svoje iskustvo sa ovim tablama a mislim da nije malo i da će nekome pomoći ko bude pažljivo čitao i shvatio šta sam hteo reći.
Čvrsto sam ubeđen da SMD tehnologiji nije mesto u automobilima a zašto ? Pa uporedio bih kao kada bi manekena lepo obučenog poslao u okno rudnika pa makar da samo vodi knjige. Glavni problem je što je ploča te table prepuna hladnih lemova posle 5 do 10 godina rada. U kabini temperature idu od -20 do +70 možda i više. Posle toliko godina lemovi nisu ni za k..... Sve što čitate na forumima su nečija iskustva što cenim i ja sam tako učio. Ali do sada neznam jesam jedan čip PWM zamenio i to table koje su dolazile posle drugih majstora, Mosfet možda jedan na početku. Vi kada zamenite delove kao na forumima što preporučuju rešite problem lemljenja a isto bi i rešili ako bi prelemili kvalitetno stare delove. Kako to ? Silni paralelisani otpornici od 1 oma kada imaju loš lem podignu svoju vrednost, zaštita PWM oscilatora zablokira čip jer "vidi" preopterećenje (jedan od kvarova, ima ih ihaj...). Kada zamenite nove vi verovatno dobro zalemite otpornike i imate pravu vrednost....
Tabla je tako napravljena da sama sebe štiti i čim "vidi" neku nepravilnost procesor neće da uključi oscilator napajanja. Suština je KVALITETNO prelemiti skoro sve ili osnovne (iskustvom stečene) elemente. Ne koristiti ništa osim kvalitetnih pasta za SMD tehnologiju i malo tinola posle svega dobro oprati čitavu tablu nekim sredstvom za pranje (svako ima svoje favorite) pa isprati vodom i potom Femom ili na suncu osušiti. Takva kao nova tabla će jedino bez problema raditi. Najveća provera je kada se emulatorom uključi tabla mehanički se uvija i drvenim štapom svaki SMD element pokuša pomeriti. Ako se tabla ne ugasi sve je OK. Tako ćete i naći loše lemove.
Navešću vam šta sam menjao kao neispravno a to nigde nema na forumima. Procesor, eprom, zener diodu (kućište kao smd tranzistor), Fet par koji daje oscilacije displeju, displeji, drajverski integralac za mali displej, stabilizator 5v i NPN tranzistor do tog stabilizatora. Čak nisam ni menjao kondenzatore kao što neki preporučuju. Svaki elemenat kada sumnjate da je crkao izvadite i ispitate ako je ispravan nema potrebe menjati. Znači morate imati iskustva i alata a samo slušati i menjati preporučene delove nije profesionalno. Jer svaka tabla je priča za sebe.
Kada ste ispred stola sa puno kolača i torti mislite li da su jedino najbolje torta što će vam neko preporučiti ili ćete probati sve i sami odlučiti šta je najukusnije?
Napomena. Plavi naponi na kontrolnim tačkama su kada je tabla ugašena a pod naponom
Crveni naponi na kontrolnim tačkama su kada je tabla uključena emulatorom
P.S.: Duvaljka neće dobro zalemiti delove (iz iskustva bar kod mene) dok se lemilicom i pastom svaki SMD otpornik lemi čim se pomeri u prvim sekundma lemljenja HLADAN LEM NEVIDLJIVI i lupama ili mikroskopom. Ja koristim duvaljku samo za skidanje SMD elemenata i kada se ćip dobro zalemi da se ponovo preduvaju pinovi radi "sigurnijeg lema" i da oduva pastu ispod čipa. Do sad nisam ni jednu rešio kvalitetno sa duvaljkom.
Čvrsto sam ubeđen da SMD tehnologiji nije mesto u automobilima a zašto ? Pa uporedio bih kao kada bi manekena lepo obučenog poslao u okno rudnika pa makar da samo vodi knjige. Glavni problem je što je ploča te table prepuna hladnih lemova posle 5 do 10 godina rada. U kabini temperature idu od -20 do +70 možda i više. Posle toliko godina lemovi nisu ni za k..... Sve što čitate na forumima su nečija iskustva što cenim i ja sam tako učio. Ali do sada neznam jesam jedan čip PWM zamenio i to table koje su dolazile posle drugih majstora, Mosfet možda jedan na početku. Vi kada zamenite delove kao na forumima što preporučuju rešite problem lemljenja a isto bi i rešili ako bi prelemili kvalitetno stare delove. Kako to ? Silni paralelisani otpornici od 1 oma kada imaju loš lem podignu svoju vrednost, zaštita PWM oscilatora zablokira čip jer "vidi" preopterećenje (jedan od kvarova, ima ih ihaj...). Kada zamenite nove vi verovatno dobro zalemite otpornike i imate pravu vrednost....
Tabla je tako napravljena da sama sebe štiti i čim "vidi" neku nepravilnost procesor neće da uključi oscilator napajanja. Suština je KVALITETNO prelemiti skoro sve ili osnovne (iskustvom stečene) elemente. Ne koristiti ništa osim kvalitetnih pasta za SMD tehnologiju i malo tinola posle svega dobro oprati čitavu tablu nekim sredstvom za pranje (svako ima svoje favorite) pa isprati vodom i potom Femom ili na suncu osušiti. Takva kao nova tabla će jedino bez problema raditi. Najveća provera je kada se emulatorom uključi tabla mehanički se uvija i drvenim štapom svaki SMD element pokuša pomeriti. Ako se tabla ne ugasi sve je OK. Tako ćete i naći loše lemove.
Navešću vam šta sam menjao kao neispravno a to nigde nema na forumima. Procesor, eprom, zener diodu (kućište kao smd tranzistor), Fet par koji daje oscilacije displeju, displeji, drajverski integralac za mali displej, stabilizator 5v i NPN tranzistor do tog stabilizatora. Čak nisam ni menjao kondenzatore kao što neki preporučuju. Svaki elemenat kada sumnjate da je crkao izvadite i ispitate ako je ispravan nema potrebe menjati. Znači morate imati iskustva i alata a samo slušati i menjati preporučene delove nije profesionalno. Jer svaka tabla je priča za sebe.
Kada ste ispred stola sa puno kolača i torti mislite li da su jedino najbolje torta što će vam neko preporučiti ili ćete probati sve i sami odlučiti šta je najukusnije?
Napomena. Plavi naponi na kontrolnim tačkama su kada je tabla ugašena a pod naponom
Crveni naponi na kontrolnim tačkama su kada je tabla uključena emulatorom
P.S.: Duvaljka neće dobro zalemiti delove (iz iskustva bar kod mene) dok se lemilicom i pastom svaki SMD otpornik lemi čim se pomeri u prvim sekundma lemljenja HLADAN LEM NEVIDLJIVI i lupama ili mikroskopom. Ja koristim duvaljku samo za skidanje SMD elemenata i kada se ćip dobro zalemi da se ponovo preduvaju pinovi radi "sigurnijeg lema" i da oduva pastu ispod čipa. Do sad nisam ni jednu rešio kvalitetno sa duvaljkom.
Re: RENO SCENIC indstrument tabla
pohvala za opis i slike
samo za smd mozda i niste u pravu ,. zamislite da su klasicne komponente one imaju tezinu i nisu otporne na vibracije !
radilo 10god ,. sta mi hocemo , mora malo i kod majstora
samo za smd mozda i niste u pravu ,. zamislite da su klasicne komponente one imaju tezinu i nisu otporne na vibracije !
radilo 10god ,. sta mi hocemo , mora malo i kod majstora
proradijo mi net zahvaljujuci fanzi
- skyline-GTR
- gx

- Postovi: 1369
- Pridružen: 26 Avg 2006, 22:26
- Location: Bosna i Hercegovina
- Contact person: Ibrahim
- Lokacija: Bosanska Krupa
Re: RENO SCENIC indstrument tabla
@gospodin Petkovic, ovaj dio texta citiram jer se sa istim neslazem iz samo jednog razloga (neznam i neulazim u to dali je vama to profesija i dali zivite od tog posla odnosno taj isti popravak naplatite) dok je ovaca bit ce i vune. Kako bi serviseri zivjeli da nije ovakvih budalestina?RadovanPetkovic je napisao: ↑22 Dec 2018, 12:31Glavni problem je što je ploča te table prepuna hladnih lemova posle 5 do 10 godina rada. U kabini temperature idu od -20 do +70 možda i više. Posle toliko godina lemovi nisu ni za k.....
Sve ostalo sto ste napisali potpisivam pogotovo onaj dio za puhalicu :) .... i jos bih rekao forumska rijesenja su copy paste iz prostog razloga sto danas bunari svako po elektronici i kako bi on znao da ce ta tabla proraditi nakon lemljenja kad taj isti nema blage veze kako ispitati instrumentom komponentu i skontati da ista nije u daljnjem spoju zbog hladnog lema :)
Pozz...
Danas je tesko biti budala,jebiga prevelika konkurencija
-
RadovanPetkovic
- _

- Postovi: 58
- Pridružen: 07 Avg 2018, 17:18
- Location: kikinda
- Specialty: automotive
Re: RENO SCENIC indstrument tabla
Možda se neko neslaže sa mojim zapažanjima ili iskustvima..... Elektronikom se bavim veoma dugo a godina imam dosta. Volim svoja iskustva da podelim nekoga će navesti na razmišljanje, možda nekome pomogne da dođe do novih ideja i iskustava, kao što volim da čujem i tuđa iskustva (sve što navodi na razmišljanje).....
Govorim suštinu (za mene) koju sam ja sam iskustvom stekao. Ne tvrdim da su moja zapažanja 100% tačna. Uvek volim da razmenjujem iskustva jer tako se uči i na svojim greškama. Netreba ih se stideti i skrivati. Sa toliko godina i iskustva u elektronici svaki dan učim nešto novo, kada nebude tako vreme je za penziju ili menjanje profesije .
Da je SMD idealna nebi pokušavali sa novim tehnikama kao što su hibridni računari u gelu, lemljenje (tačkasto varenje) aluminijumskim žicama ..... Veliki problem je i BGA lemljenje, gde nema pinova već lemnih kuglica ispod čipa.... Tu je već umetnost popravljati to, pored skupe opreme.....
Normalno da proizvođaču nije u interesu da napravi večan auto, ali ja govorim iz ugla servisera koji vidi nedostatke i loše stvari u tehnici koje svakodnevno pokušavam popraviti....
Pokušao sam i da objasnim kako se razne nebuloze pišu po forumima i kako su ljudi ubeđeni da je to suština.....
Ovo što sam pisao verovatno neće ništa značiti onima koji neznaju ispitati delove, ali za njih post i nije pisan. Čak i najjednostavnije kvar izgleda tako kada ga neko brzo i efikasno reši, lako je biti i doktor kada znaš tačnu diagnozu ostalo je fizički rad..... Zato je neko dobar serviser a neko ostaje samo fiziči radnik.
Što se tiče ove table mogu da podelim još jedno iskustvo u traženju jedne od grešaka, kada tabla proradi pa prestane sa radom, malo oće pa neće.
Većinom prekida sa radom kada se štampana ploča nategne ili usuče. Uzme se drveni štapić za roštilj na primer (neki izolator) uključi sa tabla i dok radi lagano se štapićem dodiruju SMD otpornici , tranzistori .... kada se ugasi (prestane sa radom) u tom delu prelemiti SMD komponente.... pa tako sve dalje i dalje dok tabla počne raditi uprkos uvijanju i savijanju. Ako i dalje prestaje sa radom problem je oko procesora on mora da se prelemi.
Napomena: Đžaba veština i znanje ako nemaš kvalitetne žice za lemljenje i PRAVI fluks za takvo lemljenje. Dok ga nisam nabavio uništio sam dosta elektronike jer se lem prespaja, lepi gde netreba..... Kod pravog fluksa i lem žice sam rastopljeni lem se skuplja gde treba a gde ne ne zadržava se, a koriste se debeli vrhovi lemilice koji prespajaju po nekoliko nožica..... Takvi vrgovi su idelni jer za sobom "vuku" višak lema a ostavljaju taman koliko treba za lemljenje oko minijaturnih pinova čipa.
Bez ovakve paste netreba se upuštati u SMD lemljenje
Govorim suštinu (za mene) koju sam ja sam iskustvom stekao. Ne tvrdim da su moja zapažanja 100% tačna. Uvek volim da razmenjujem iskustva jer tako se uči i na svojim greškama. Netreba ih se stideti i skrivati. Sa toliko godina i iskustva u elektronici svaki dan učim nešto novo, kada nebude tako vreme je za penziju ili menjanje profesije .
Da je SMD idealna nebi pokušavali sa novim tehnikama kao što su hibridni računari u gelu, lemljenje (tačkasto varenje) aluminijumskim žicama ..... Veliki problem je i BGA lemljenje, gde nema pinova već lemnih kuglica ispod čipa.... Tu je već umetnost popravljati to, pored skupe opreme.....
Normalno da proizvođaču nije u interesu da napravi večan auto, ali ja govorim iz ugla servisera koji vidi nedostatke i loše stvari u tehnici koje svakodnevno pokušavam popraviti....
Pokušao sam i da objasnim kako se razne nebuloze pišu po forumima i kako su ljudi ubeđeni da je to suština.....
Ovo što sam pisao verovatno neće ništa značiti onima koji neznaju ispitati delove, ali za njih post i nije pisan. Čak i najjednostavnije kvar izgleda tako kada ga neko brzo i efikasno reši, lako je biti i doktor kada znaš tačnu diagnozu ostalo je fizički rad..... Zato je neko dobar serviser a neko ostaje samo fiziči radnik.
Što se tiče ove table mogu da podelim još jedno iskustvo u traženju jedne od grešaka, kada tabla proradi pa prestane sa radom, malo oće pa neće.
Većinom prekida sa radom kada se štampana ploča nategne ili usuče. Uzme se drveni štapić za roštilj na primer (neki izolator) uključi sa tabla i dok radi lagano se štapićem dodiruju SMD otpornici , tranzistori .... kada se ugasi (prestane sa radom) u tom delu prelemiti SMD komponente.... pa tako sve dalje i dalje dok tabla počne raditi uprkos uvijanju i savijanju. Ako i dalje prestaje sa radom problem je oko procesora on mora da se prelemi.
Napomena: Đžaba veština i znanje ako nemaš kvalitetne žice za lemljenje i PRAVI fluks za takvo lemljenje. Dok ga nisam nabavio uništio sam dosta elektronike jer se lem prespaja, lepi gde netreba..... Kod pravog fluksa i lem žice sam rastopljeni lem se skuplja gde treba a gde ne ne zadržava se, a koriste se debeli vrhovi lemilice koji prespajaju po nekoliko nožica..... Takvi vrgovi su idelni jer za sobom "vuku" višak lema a ostavljaju taman koliko treba za lemljenje oko minijaturnih pinova čipa.
Bez ovakve paste netreba se upuštati u SMD lemljenje
- skyline-GTR
- gx

- Postovi: 1369
- Pridružen: 26 Avg 2006, 22:26
- Location: Bosna i Hercegovina
- Contact person: Ibrahim
- Lokacija: Bosanska Krupa
Re: RENO SCENIC indstrument tabla
Taj flux jel vise narandzast ili zut?
Danas je tesko biti budala,jebiga prevelika konkurencija
-
RadovanPetkovic
- _

- Postovi: 58
- Pridružen: 07 Avg 2018, 17:18
- Location: kikinda
- Specialty: automotive
Re: RENO SCENIC indstrument tabla
Žut nešto kao ušećereni med samo gladak ne granulast....
Verovatno ima skupljih boljih pasta ali ova je za cenu idealna, možda zatreba vodenastija ili LIQID pasta ali su dosta skuplje.
Verovatno ima skupljih boljih pasta ali ova je za cenu idealna, možda zatreba vodenastija ili LIQID pasta ali su dosta skuplje.
- skyline-GTR
- gx

- Postovi: 1369
- Pridružen: 26 Avg 2006, 22:26
- Location: Bosna i Hercegovina
- Contact person: Ibrahim
- Lokacija: Bosanska Krupa
Re: RENO SCENIC indstrument tabla
Nisi razumio poentu pitanja al nema veze, evo na slici se moze vidjeti. Model je isti, tamnija pasta pocinje sa cijenom od 3 eura dok ta zuta od 8eura pa gore, kontam da nije razlika u orginalu i kopiji tj kvalitetu? Kako kome ali meni je flux jako bitna stvar prilikom rada
Danas je tesko biti budala,jebiga prevelika konkurencija
-
RadovanPetkovic
- _

- Postovi: 58
- Pridružen: 07 Avg 2018, 17:18
- Location: kikinda
- Specialty: automotive
Re: RENO SCENIC indstrument tabla
Još jedna preporuka kako prelemiti kvalitetno SMD štampe. Uz sav trud lemilicom (i duvaljkom) prelemiti svaki deo rešavale su se ploče ali po nekad nije uspevalo uz svu upornost.
Ovom metodom sam uspeo par tabli povratiti iz mrtvih.
https://www.youtube.com/watch?v=euGm8n7xytY
Ovom metodom sam uspeo par tabli povratiti iz mrtvih.
https://www.youtube.com/watch?v=euGm8n7xytY
Re: RENO SCENIC indstrument tabla
Da ozivimo ovu temu da ne otvaram novu. Imam problem sa ovom tablom.Samo se cuje kuckanje i trepere nekoliko simbola brzo i jedva vidljivo.Rekao bi da je sat, pise kao 00:00.
Kad je dosla neko je vec bio menjao fet. 12 otprnika od 1 om su bili maltene svi razlemljeni, ali ispravni. Promenio sam fet i prelemio rucno sve smd u mrezi.Premerio sam sve delove, al sve je ispravno. Ima li neko ideju?Nisam jedino menjao kolo.
Slika je sa drugog foruma.Kod ovog je izmedju pinova 1 i 4 70 oma, kod mene je 680 oma u oba smera.Neki kolega na tom forumu tvrdi da tu ne sme biti nikakvog otpora.Ako je to tako moguce da mi to opterecuje napajanje, odnosno ovaj DC-DC konvertor.
Kad je dosla neko je vec bio menjao fet. 12 otprnika od 1 om su bili maltene svi razlemljeni, ali ispravni. Promenio sam fet i prelemio rucno sve smd u mrezi.Premerio sam sve delove, al sve je ispravno. Ima li neko ideju?Nisam jedino menjao kolo.
Slika je sa drugog foruma.Kod ovog je izmedju pinova 1 i 4 70 oma, kod mene je 680 oma u oba smera.Neki kolega na tom forumu tvrdi da tu ne sme biti nikakvog otpora.Ako je to tako moguce da mi to opterecuje napajanje, odnosno ovaj DC-DC konvertor.
Re: RENO SCENIC instrument tabla
aaa..sad vidim pisao si ovde..ja mislim da to nije dobro..mada bude i manji otpor i opterecuje mrezu...probaj pusti bez tog jednog pina pa vidi da li mali sat lepo radi i trebalo bi i da veliki radi ali nece ti raditi segmenti gde se ispisuju greske..cini mi se da bi tako..ako imas onaj CAN emulator, onda mozes i na stolu sve da probas, samo za start treba preko 3A...najbolje neki accu ako nemas dovoljno sa lab staba.
mada..imao sam na zalost dosta slucajeva gde i mreza crkne, sredis je..a onda vidis i displej veliki crkao..kao sad tebi sto je izgleda.
A imao sam pre neki dan da je veliki displej crkao a sve na merenju je dobro na njemu...a ne radi, mreza ok, a mrkli mrak na displeju..
Stare ta auta i table..i sve vise ima crklih displeja..
Mozes da probas ''cuby'' pljas metodu kad se uveris da displej ne valja..da probas sa nekim jacim elektrolitom da raskines taj spoj...mada, retko to prodje.
cuby
mada..imao sam na zalost dosta slucajeva gde i mreza crkne, sredis je..a onda vidis i displej veliki crkao..kao sad tebi sto je izgleda.
A imao sam pre neki dan da je veliki displej crkao a sve na merenju je dobro na njemu...a ne radi, mreza ok, a mrkli mrak na displeju..
Stare ta auta i table..i sve vise ima crklih displeja..
Mozes da probas ''cuby'' pljas metodu kad se uveris da displej ne valja..da probas sa nekim jacim elektrolitom da raskines taj spoj...mada, retko to prodje.
cuby
samo laž treba državnu podršku, istina stoji sama od sebe uspravno! 
Re: RENO SCENIC instrument tabla
Otkačio sam nogicu 4 i zakačio na auto.Sad DC-DC konvertor ispravno radi i proradio mi je desni displej.Znači levi je bio crko i gušio napajanje.
-
- Slične teme
- Odgovori
- Pregledano
- Zadnji post
-
-
PEUGEOT 205GTi brzinomer ili instrument tabla [REŠENO]
napisao Damiru » 05 Feb 2011, 16:29 » u Autoelektronika - 9 Odgovori
- 2850 Pregledano
-
Zadnji post napisao Damiru
16 Feb 2011, 14:59
-
-
- 17 Odgovori
- 3871 Pregledano
-
Zadnji post napisao cubica
09 Apr 2009, 21:17
-
- 17 Odgovori
- 9193 Pregledano
-
Zadnji post napisao cubica
23 Jun 2019, 02:16
-
-
Renault grande Scenic MKII 1,5dCI ne radi ventilator kabine
napisao miodrag popovic » 29 Jun 2024, 20:26 » u Autoelektronika - 11 Odgovori
- 3704 Pregledano
-
Zadnji post napisao miodrag popovic
08 Jul 2024, 16:28
-
-
-
Provera Instrument table bez automobila
napisao RadovanPetkovic » 29 Feb 2020, 13:05 » u Autoelektronika - 0 Odgovori
- 2577 Pregledano
-
Zadnji post napisao RadovanPetkovic
29 Feb 2020, 13:05
-
-
-
Provera Step Motora instrument table
napisao RadovanPetkovic » 30 Mar 2020, 15:57 » u Autoelektronika - 2 Odgovori
- 2578 Pregledano
-
Zadnji post napisao RadovanPetkovic
30 Mar 2020, 16:58
-
-
-
Reno Laguna (kartica za otklj.i zakljuc vrata)
napisao ceda » 01 Dec 2010, 10:23 » u Autoelektronika - 12 Odgovori
- 4797 Pregledano
-
Zadnji post napisao kalaba
07 Sep 2019, 09:45
-
-
-
reno clio 1,4l 8v 2001 sirius 32n sa klimom
napisao zkutnja8 » 21 svi 2014, 22:31 » u Autoelektronika - 5 Odgovori
- 3091 Pregledano
-
Zadnji post napisao cubica
23 svi 2014, 14:49
-

