Post
napisao MbyLegend » 07 Feb 2016, 11:48
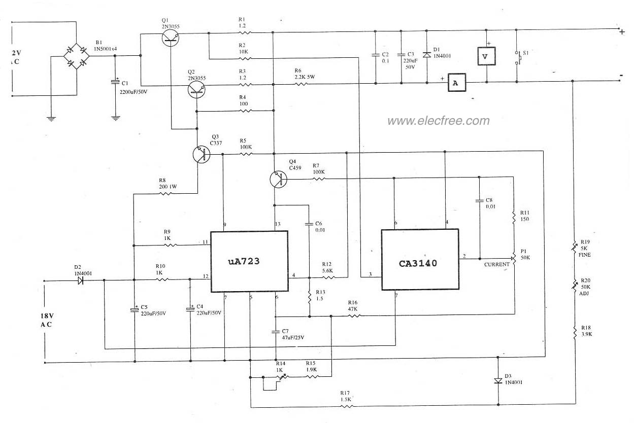
Evo nasao sam i ja dvije seme, navodno od modela PS-303 ali je prikazano sa dva neka kola V3 i V6 (schematic (1)). Sema odgovara plocici koja se nalazi u uredjaju, ali na njoj nema oznaka komponenti. Na drugoj semi (schematic), na tom mjestu sam zatekao osjecene zice (vidi se na slici 2), tu sam ja predpostavio da ide grec (po semi i ide).Ta sema (schematic) odgovara kompletnom uredjaju na kome je kao A1 prikazana plocica iz druge seme (schematic (1). Na trafou imam 2 izlaza, 20V i 14V naizmjenicno.
EDIT:
Upravo sam nasao spisak komponenti za semu ovog uredjaja i nju dostavljam u prilogu. Tek sada sam vidjeo da je i ona bila na stranici gdje sam i ove seme nasao. U njoj je prikazano da ipak idu dva kola LM723. Spisak elemenata je pod EA-NGSB1a
Seme i spisak u prilogu:
-
Prilog
-
Seme PS-303.rar
- (277.66 KiB) Preuzeto 251 put.
Zadnja izmena:
MbyLegend, dana 07 Feb 2016, 13:26, ukupno menjano 1 put.
Ne zivim da bih radio, radim da bih prezivjeo...