Potrebna mi je sema ove lemilice,stradala je rucka i zamenjena je novom,na novu kupljenu sve radi ali mi malo podbacuje temperaturu,na max od 420 stepeni mislim da je oko 300 (merio sam trenutno sa sondom kineskog unimera pa rezultat sa rezervom),ali sto se tice topljenja kalaja mislim da je tu negde sa rezultatom jer na max jedva da istopi kalaj.Ukratko hteo bih da je kalibrisem i malo poteram grejanje u plus sto se tice maksimuma temperature.
Lemilica izgleda ovako
Hvala unapred
Lemilica CT-936CL - sema-RESENO
Urednik: alexa_pg
Lemilica CT-936CL - sema-RESENO
Zadnja izmena: baracuda, dana 28 svi 2020, 19:27, ukupno menjano 1 put.
- vlatkocopa
- gx

- Postovi: 3034
- Pridružen: 04 Jun 2008, 22:41
- Location: Makedonija-Kumanovo
- Contact person: Vlado
- Phone number: 0038931420808
- Specialty: tv
Re: Lemilica CT-936CL - sema
Tesko da ces kalibrisati u stanici
Isti sam imao slucaj sa novom ruckom (razlikuju se temperaturne sonde),mislim da sam uspeo da povecam temperaturu dodavanjem paralelno 2,2oma na sondi u rucki,ali je bila loseg kvaliteta nije potrajala ni 2 meseca,kao demek Soldering Iron :(Pa sam presao na Extol 70W(platio 50e) na kojoj ima spolja na stanici rupica da se izvrsi kalibracija (bila je negde tema po forumu gde sam pitao za misljenje) i za sada sam prezadovoljan.Evo nasao link...
http://www.kupialat.mk/index.php?route= ... t_id=43324
http://www.kupialat.mk/index.php?route= ... t_id=43324
Za sjaj u očima, rumenilo u licu i lepršav hod - koristite kozmetiku -Šljivovica a moze i domaca jabukovaca ..:))
Re: Lemilica CT-936CL - sema
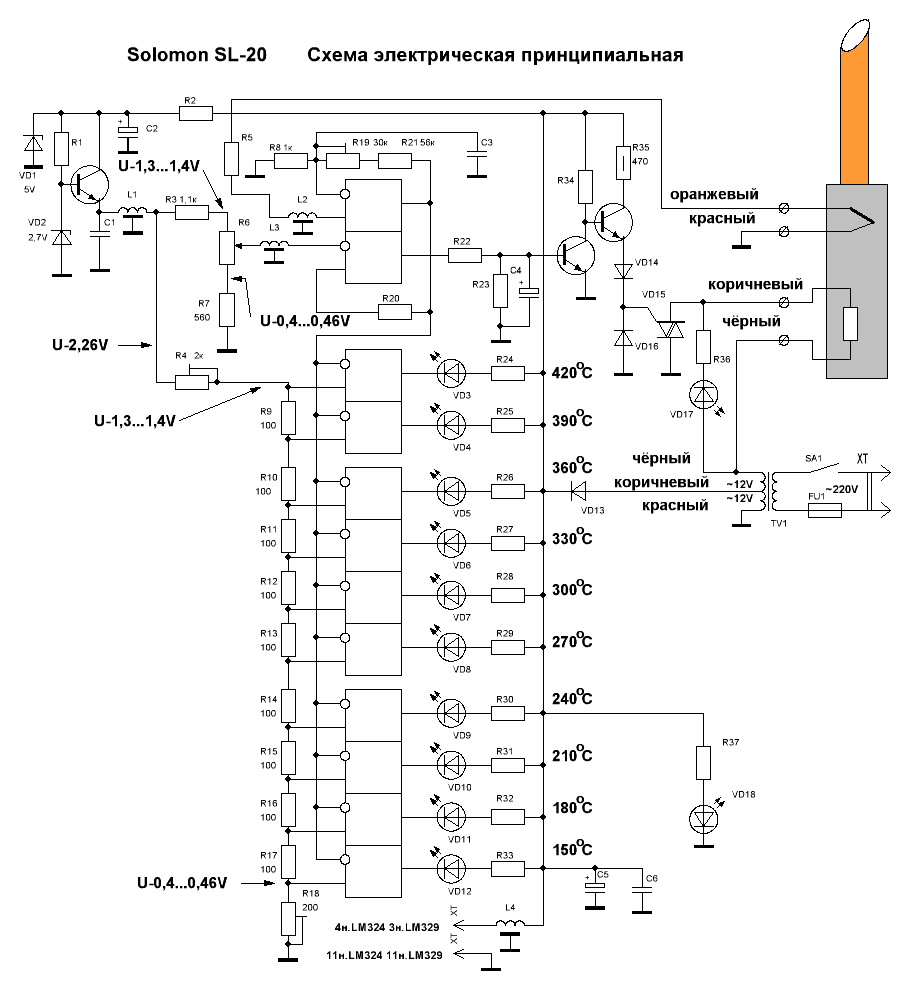
Na drugoj koju imam zamenjena je elektronika sa seme "poor mans project"-kesatnet,i sa ovom ruckom (napravljen je sasijski din za prebacivanje rucke) u samoj elektronici postoji potenciometar gde se regulise pretpojacanje na operacioni pojacavac-komparator LM324,pa sam mislio da ako postoji sema za ovu uradim isto,ali ne bih da razdesavam bilo sta bez seme.Ima nekih sema na internetu od modela 936 ali nisam siguran koji model je ova posto ima diode umesto brojnog displeja.Jos uvek je nisam otvarao,valjalo bi savet od nekog koji ima slicnu u vec je to radio,da nepocinjem bezveze i bez rezultata.Inace rucka je ZD-937 sa keramickim grejacem i supljim vrhom.Da dodam jos nesto sto sam nasao-Solomon SL-20CMC
Ovo je verovatno original moje kopije pa me interesuju potenciometri na slici zasta koji sluzi,ali opet valjala bi mi sema...
Re: Lemilica CT-936CL - sema
Da zavrsim pricu mozda nekom zatreba
Ostalo je na meni...
Da dodam,uz malo igranja dosao sam do sledecih zakljucaka.Postoje 3 potenciometra,jedan je izdvojen, ostala dva su 1k i 30k.Moze da se malo upari stap sa lemilicom-za ovaj model a za ostale ne mogu reci nista zbog termopara.Prvo se podesi glavni potenciometar na pola-na kucistu,zatim se prvo podesava izdvojeni potenciometar gde se indikacija smanjuje na displeju i pali grejac.Ostala dva potenciometra sluze da se podesi linearnost porasta temperature.Ovo sam brzinski radio sa ciljem da pojacam grejanje i nisam vodio racuna o indikaciji,rezultat na kraju je temperatura oko 360-370 stepeni,a indikacija mi je 1 dioda pre kraja sa potenciometrom na kucistu na maksimumu.Verujem da ovo moze bolje,ali meni zavrsava i ovo jer mi se stap greje do nivoa koji mi je potreban...Na drugima je da probaju ako moze ovo i bolje.Inace moja kopija je apsolutno identicna sa plavim originalom na prethodnoj slici.
Da dodam,uz malo igranja dosao sam do sledecih zakljucaka.Postoje 3 potenciometra,jedan je izdvojen, ostala dva su 1k i 30k.Moze da se malo upari stap sa lemilicom-za ovaj model a za ostale ne mogu reci nista zbog termopara.Prvo se podesi glavni potenciometar na pola-na kucistu,zatim se prvo podesava izdvojeni potenciometar gde se indikacija smanjuje na displeju i pali grejac.Ostala dva potenciometra sluze da se podesi linearnost porasta temperature.Ovo sam brzinski radio sa ciljem da pojacam grejanje i nisam vodio racuna o indikaciji,rezultat na kraju je temperatura oko 360-370 stepeni,a indikacija mi je 1 dioda pre kraja sa potenciometrom na kucistu na maksimumu.Verujem da ovo moze bolje,ali meni zavrsava i ovo jer mi se stap greje do nivoa koji mi je potreban...Na drugima je da probaju ako moze ovo i bolje.Inace moja kopija je apsolutno identicna sa plavim originalom na prethodnoj slici.
Zadnja izmena: baracuda, dana 28 svi 2020, 22:23, ukupno menjano 3 puta.
- Stolle
- Preminuo
- Postovi: 19098
- Pridružen: 12 Avg 2006, 23:35
- Location: Srbija
- Specialty: tv-multimedia
- Lokacija: Dimitrovgrad
Re: Lemilica CT-936CL - sema
Evo još malo.
SL10
SL20
SL30
SL10
SL20
SL30
- Prilog
-
Solomon.pdf- (479.38 KiB) Preuzeto 173 puta.
"29 poslednjih dana u mesecu je najteže"
-
- Slične teme
- Odgovori
- Pregledano
- Zadnji post
-
- 15 Odgovori
- 4968 Pregledano
-
Zadnji post napisao tbag
20 Sep 2010, 19:07
-
- 26 Odgovori
- 6463 Pregledano
-
Zadnji post napisao stojkePN
13 Okt 2008, 01:26
-
- 7 Odgovori
- 2739 Pregledano
-
Zadnji post napisao Stolle
26 Okt 2008, 12:48
-
- 77 Odgovori
- 22163 Pregledano
-
Zadnji post napisao Stolle
26 Jul 2020, 10:41
-
- 10 Odgovori
- 3391 Pregledano
-
Zadnji post napisao branimir
19 Nov 2023, 08:56
-
- 11 Odgovori
- 3178 Pregledano
-
Zadnji post napisao RadovanPetkovic
03 Feb 2020, 19:33
-
-
ZD-8922 kombinovana bazna lemilica, valja li čemu?
napisao CrazY_Milojko » 28 Avg 2022, 11:42 » u Alati - 3 Odgovori
- 1999 Pregledano
-
Zadnji post napisao KASA1
01 Sep 2022, 21:42
-
-
- 4 Odgovori
- 521 Pregledano
-
Zadnji post napisao KASA1
07 Jul 2025, 09:01

