ESR metar-potrebna sema
Urednik: alexa_pg
ESR metar-potrebna sema
Ima li ko semu ESR metra, ali samo onu varijantu sa led diodama, ne treba mi varijanta sa analognim ni sa digitalnim displejem, zahvalan na pomoci?
Maki
Re: ESR metar-potrebna sema
Taj proizvod (esr sa ledicama) je jos uvek komercijalan proizvod tako da ne verujem da ces ovde naci semu za to.
Kontaktiraj kolegu, mozda ima neki na lageru ako si voljan da porucis.
Kontaktiraj kolegu, mozda ima neki na lageru ako si voljan da porucis.
Re: ESR metar-potrebna sema
Ja sam napravio ovog iz tog Ruskog foruma >>KLIK<<makkki79 je napisao:Ima li ko semu ESR metra, ali samo onu varijantu sa led diodama, ne treba mi varijanta sa analognim ni sa digitalnim displejem, zahvalan na pomoci?
LP Srečko
Samouk
Re: ESR metar-potrebna sema
I kako se pokazao, dali dobro radi, dali vredi da ga pravimo?Srečko je napisao:Ja sam napravio ovog iz tog Ruskog foruma
Re: ESR metar-potrebna sema
Nasao sam neke dve semice na netu ali sa jednom led diodom LED 2 a ova druga led dioda tj. LED 3 je signalizacija napajanja uredjaja ako se ne varam, sta mislite jel moze ovo da pije vodu?
- Prilog
-
- elko test.GIF (12.45 KiB) Pregledano 8134 puta.
Maki
- alexa_pg
- Site Admin

- Postovi: 6076
- Pridružen: 22 Avg 2006, 08:10
- Location: Podgorica
- Specialty: tv-multimedia
Re: ESR metar-potrebna sema
Ako mislis da li ce da radi, hoce. Ne svidja mi se sto ima samo jednu diodu te tako rezulatat mjerenja je ispravan - neispravan. Ako se zna kako se ponasaju C u zavisnosti od kapaciteta i probojnog napona ovaj nacin je najlosiji.
"I ja volim ljude ali ih sve manje podnosim"
Re: ESR metar-potrebna sema
alex mozda bi mogao stavit jos jedan tranzistor i vu-metar ili analogac 
proradijo mi net zahvaljujuci fanzi
- alexa_pg
- Site Admin

- Postovi: 6076
- Pridružen: 22 Avg 2006, 08:10
- Location: Podgorica
- Specialty: tv-multimedia
Re: ESR metar-potrebna sema
Moze, ali bi ja onda radije radio "makedenca", onaj sto si ti pravio a sema je u "ALATI *Expert Tim*"
"I ja volim ljude ali ih sve manje podnosim"
Re: ESR metar-potrebna sema
jeste dobar ,. tamo ima provereni sema za razne alate , pa neka se uclani i neka pravi sta hoce makedonac je dobar
a ima tamo i jos puuno svega sto si i ti okacijo kao i drugi clanovi i bas se cudim zasto neko nebi se uclanijo i skino jednu takvu semu napravijo slican ili isti pa pregleda elko. za 2 min. sve u tv. ja kapacitet metar i nekoristim pala prasina na njega
, mozda mu nije greda da kupi neki proveren od proke dobar je svi se hvale ., dok ima nekih samo se trgovci hvale
,a sve sto ima tamo od sema ja cu ovde brisat jer nesme da se dupliraju.
, mozda mu nije greda da kupi neki proveren od proke dobar je svi se hvale ., dok ima nekih samo se trgovci hvale
,a sve sto ima tamo od sema ja cu ovde brisat jer nesme da se dupliraju.
proradijo mi net zahvaljujuci fanzi
- ivica-servis
- Udaljen sa foruma zbog nedoličnog ponašanja
- Postovi: 75
- Pridružen: 18 Nov 2010, 00:32
- Location: Vranje
- Contact person: Ivica
- Specialty: tv
Re: ESR metar-potrebna sema
makkki79 je napisao:Ima li ko semu ESR metra, ali samo onu varijantu sa led diodama, ne treba mi varijanta sa analognim ni sa digitalnim displejem, zahvalan na pomoci?
download/file.php?id=31225
I dodje starac vodenim skuterom u mirno more gde deca uce da plivaju i dize talase...
Re: ESR metar-potrebna sema
Pozdrav svima... Planiram da napravim esr metar, pa sam naleteo na ovu temu i na poslednju postavljenu semu.. Nije tolko komplikovana, ali me muci oscilator na 160 kHz... Izracunao sam da induktivnost prvog kalema treba da bude oko 989mH, al kako ja da namotam te kalemove?? Nalazio sam dosta programa za racunanje potrebnog broja namotaja, al je to za kalemove sa vazdusnim jezgrom... Dali neko ima neko resenje?? :)
Re: ESR metar-potrebna sema
Vidim da niko nema resenje ili nece da kaze
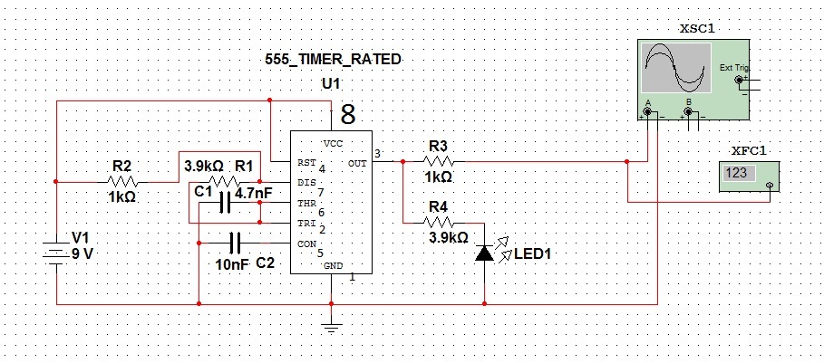
Ja sam smislio nesto.. dali bi mogao da zamenim taj oscilator sa 555 i tako izbegnem motanje kalema???
Re: ESR metar-potrebna sema
Ja imam nešto tako:https://www.banggood.com/Original-Hilan ... rehouse=CN
radi ko grom, a jedan kolega ga upropastio, jer je priključip napunjen kondič.
radi ko grom, a jedan kolega ga upropastio, jer je priključip napunjen kondič.
-
- Slične teme
- Odgovori
- Pregledano
- Zadnji post
-
- 8 Odgovori
- 3714 Pregledano
-
Zadnji post napisao krllebg
13 Jan 2011, 12:51
-
- 16 Odgovori
- 9520 Pregledano
-
Zadnji post napisao mladen82
01 Jul 2015, 08:24
-
- 5 Odgovori
- 2692 Pregledano
-
Zadnji post napisao branimir
24 svi 2023, 19:01
-
- 96 Odgovori
- 50165 Pregledano
-
Zadnji post napisao kenanh
19 Dec 2016, 20:44
-
- 17 Odgovori
- 6079 Pregledano
-
Zadnji post napisao alexa_pg
27 svi 2021, 11:10
-
- 3 Odgovori
- 2389 Pregledano
-
Zadnji post napisao Sapun
26 Okt 2008, 16:56
-
- 28 Odgovori
- 6055 Pregledano
-
Zadnji post napisao tonimk
08 svi 2012, 20:58
-
- 77 Odgovori
- 16081 Pregledano
-
Zadnji post napisao KASA1
06 Jan 2024, 19:13


