Post
napisao pejo1989 » 09 Dec 2016, 20:14
pozdrav...
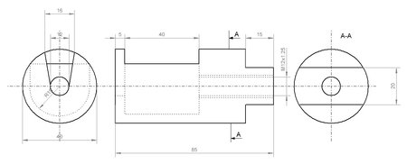
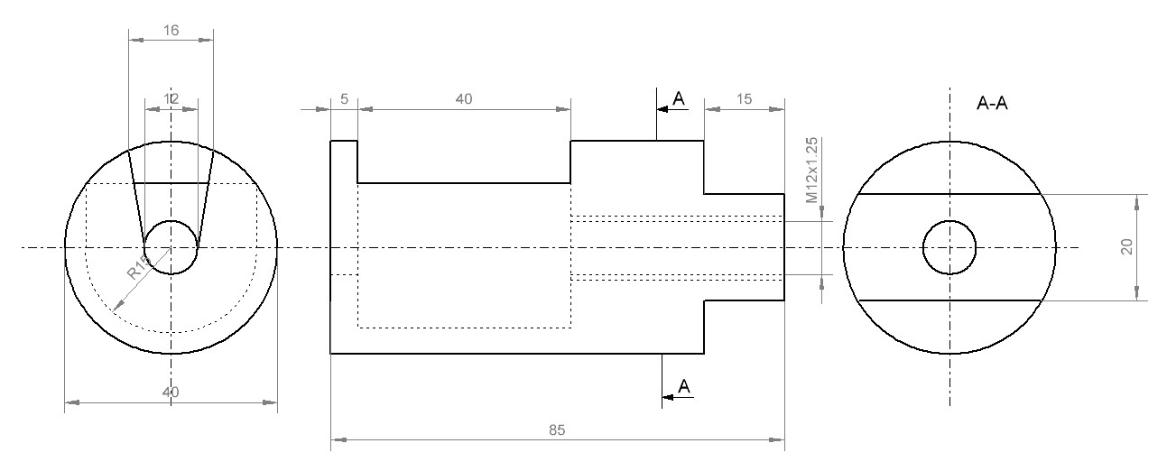
evo šema za radapciger,sa kojim skidamo remenicu može nekome pomoc....

-
Prilog
-

- PULLEY 01.jpg (28.91 KiB) Pregledano 1511 puta.
-

Zadnja izmena:
alexa_pg, dana 10 Dec 2016, 18:50, ukupno menjano 1 put.
Razlog: Naslov promijenjen radi lakšeg prepoznavanja
Svako treba da gleda svoja posla..