STK 2048

problemi i kvarovi na audio i Hi-Fi kućnim aparatima

Urednici: alexa_pg,KASA1

Pravila foruma
Naslov teme treba da bude u formatu: PROIZVOĐAČ, MODEL, KRATAK OPIS KVARA
Nakon rešenog kvara zatvoriti temu >> >UPUTSTVO< u suprotnom ništa ne činiti.
RAZNA UPUTSTVA
Avatar
dela
_
_
Postovi: 13
Pridružen: 11 Feb 2008, 08:52
Location: Kavadarci
Contact person: Ilija
Phone number: 0038975970413
Specialty: audio
Lokacija: Kavadarci

STK 2048

Post napisao dela » 16 Mar 2011, 17:38

Pozdrav kolege
Imam neki prob sa STK2048 rimsko 2 jeli isto sa 2058 rimsko 4 samo so razlicite snage ili ne
nemogu da nagjem na net nista za njih nikakvu semu ili bilo sta
one su sa Technics pojacavace samo razlicite serije

pozdrav
https://SecreLocal.com - Confidential Dating - No Selfie - Anonymous Casual Dating - [url=https://SecreLocal.com/girls.html] What Is The Best Dating Chat [/url]

Joca
___
___
Postovi: 410
Pridružen: 09 Okt 2006, 14:39
Location: Bezdan
Contact person: Jovica
Specialty: tv
Lokacija: Bezdan
Kontakt:

Re: STK 2048

Post napisao Joca » 16 Mar 2011, 19:13

Tesko ces ih zameniti.

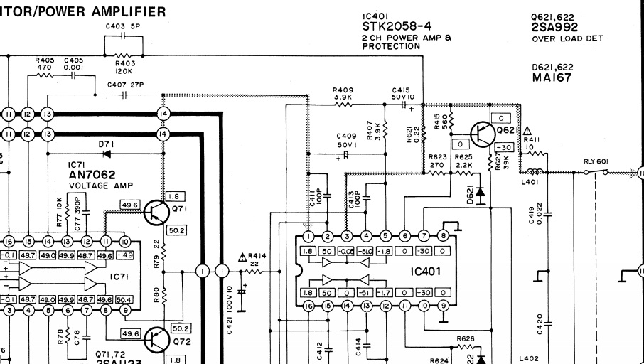
QUESTION NO. P59-7: I cannot seem to find a STK2038 integrated
amplifier on the market. Can I replace it with a STK2038 II?
STK2058 II is an improved version of the STK2058. Many STK Series
parts have "Mark 2" equivelants. Circuits designed for the original STK
part will work with the "Mark 2" upgrades, but the "Mark 2"s cannot always
be replaced by the earlier versions.
The STK 2028>2038>2048>2058>2068 (Flat & MK IV) have 16 pins where the
MK II of theese ICs have 22 pins also see SVI2003 & SVI2004A (16 pin,
integral prot circuit pins 6,7,10,11).
Prilog
STK2048-2.jpg
STK2058-4.jpg

Avatar
dela
_
_
Postovi: 13
Pridružen: 11 Feb 2008, 08:52
Location: Kavadarci
Contact person: Ilija
Phone number: 0038975970413
Specialty: audio
Lokacija: Kavadarci

Re: STK 2048

Post napisao dela » 18 Mar 2011, 22:39

probacu
pa sta bude
https://SecreLocal.com - Confidential Dating - No Selfie - Anonymous Casual Dating - [url=https://SecreLocal.com/girls.html] What Is The Best Dating Chat [/url]

Odgovori

Natrag na “Servisiranje AUDIO Tehnike”