Magnetofon Revox PR99MK II
Pravila foruma
Naslov teme treba da bude u formatu: PROIZVOĐAČ, MODEL, KRATAK OPIS KVARA
Nakon rešenog kvara zatvoriti temu >> >UPUTSTVO< u suprotnom ništa ne činiti.
RAZNA UPUTSTVA
Naslov teme treba da bude u formatu: PROIZVOĐAČ, MODEL, KRATAK OPIS KVARA
Nakon rešenog kvara zatvoriti temu >> >UPUTSTVO< u suprotnom ništa ne činiti.
RAZNA UPUTSTVA
- bogoslav
- gx

- Postovi: 995
- Pridružen: 10 Dec 2006, 01:41
- Location: Nikšić
- Phone number: 0038268000267
- Specialty: tv-multimedia
- Lokacija: niksic
Magnetofon Revox PR99MK II
"PLAY" i premotavanje rade samo dok se drže pritisnuta dugmad. Nijesam nikad radio ove uređaje,tako da nemam nikakvog iskustva sa njima. Ako ko ima kakav savjet može slobodno reći, ja se neću naljutiti. Cijena ovih magnetofona je oko 1500€.
- milan
- Preminuo
- Postovi: 4426
- Pridružen: 19 Avg 2006, 22:38
- Location: Novi Sad
- Specialty: tv-multimedia
Revox koji sam radio ima mehaniku koja kada odradi, dalje drze releji odnosno magneti.
Neki moraju da imaju i kratkospojnike na uticnicama (DIN) da bi mogla
mehanika da radi, jer imaju i daljinske komande, pa se time anulira i
koristi se rucna komanda.Imam kompletnu dokumentaciju za Revox pa
ti je mogu staviti za ovaj model gore u expert.Napisi sta hoces.
Ovaj model nisam radio.
Neki moraju da imaju i kratkospojnike na uticnicama (DIN) da bi mogla
mehanika da radi, jer imaju i daljinske komande, pa se time anulira i
koristi se rucna komanda.Imam kompletnu dokumentaciju za Revox pa
ti je mogu staviti za ovaj model gore u expert.Napisi sta hoces.
Ovaj model nisam radio.
- SaleSk
- ___

- Postovi: 656
- Pridružen: 04 Nov 2006, 21:08
- Location: Skopje
- Warranty service: Siemens, Konica Minolta, Kodak, B Braun, Dade Behring, Johnson & Johnson, Drew, TerumoBCT
- Kontakt:
to mu dodje isto kao i kod videorekordera....:) ja sam ubacivao "praznu" kasetu, a senzor sam obljepljivao zrnim izolirom i tako simulises da ustvari ide traka....nekad mozes samo da ubacis lift bez kasete....tako da pretpostavljam da moze i to cudo da radi bez trake , samo moras da ga prevaris 
Dusevni bolesnik nikada ne napada bez razloga. U tome se razlikuje od normalnih ljudi.
- milan
- Preminuo
- Postovi: 4426
- Pridružen: 19 Avg 2006, 22:38
- Location: Novi Sad
- Specialty: tv-multimedia
"FADER START" nije komanda za to, neznam kako si to uopste mogao to
tu da izvedes.
Kratkospojnik treba na REMOTE CONTROL.
Ali opet ti navodim da taj model nisam radio.
Model koji sam radio ako nije prikljucen na daljinsko upravljanje
(remote control) onda tu ide u uticnicu kratko spojnik izmedju dva izvoda
da bi mogla da radi lokalna tastaura(komande)
Fader start je takodje daljinska komanda, za utisavanje kada se blizi
kraj snimka ili na pocetku snimka, ili oboje zavisi od modela.
Da li imas kompletnu dokumentaciju za taj model.Ako nemas da ti stavim
ili da pogledam da li postoji link da skines.
SM koji ja imam je 107Mb.
tu da izvedes.
Kratkospojnik treba na REMOTE CONTROL.
Ali opet ti navodim da taj model nisam radio.
Model koji sam radio ako nije prikljucen na daljinsko upravljanje
(remote control) onda tu ide u uticnicu kratko spojnik izmedju dva izvoda
da bi mogla da radi lokalna tastaura(komande)
Fader start je takodje daljinska komanda, za utisavanje kada se blizi
kraj snimka ili na pocetku snimka, ili oboje zavisi od modela.
Da li imas kompletnu dokumentaciju za taj model.Ako nemas da ti stavim
ili da pogledam da li postoji link da skines.
SM koji ja imam je 107Mb.
- milan
- Preminuo
- Postovi: 4426
- Pridružen: 19 Avg 2006, 22:38
- Location: Novi Sad
- Specialty: tv-multimedia
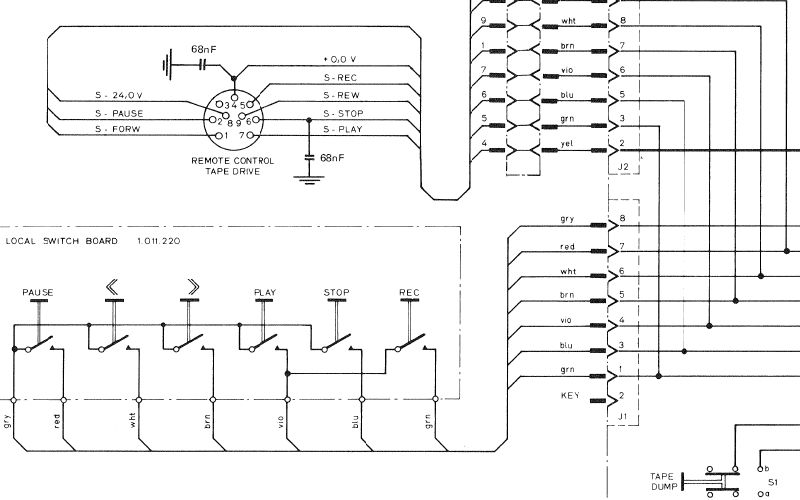
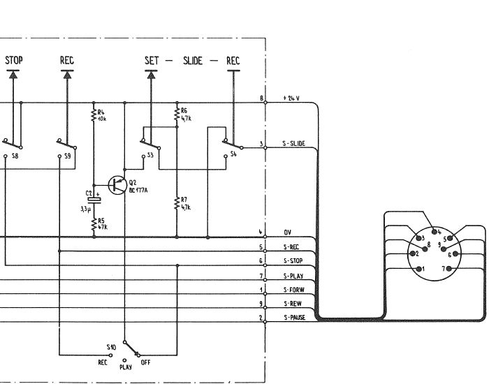
E jeb*ga, upustili smo se u nesto sto uopste neznam da li vazi za taj Revox.
Revox koji sam radio ima drugaciju daljinsku kontrolu i konektor sa 10
pina, znaci skroz drugacije, i tamo su 1 i 2 trebali da budu kratkospojeni da bi komanda ostala ukljucena(da se ne drzi stalno taster).To za ovaj
tvoj Revox nevazi.
Ako se uporede seme od onoga moga i ovoga tvoga (da je to uslov
da bi mogao da radi) analodno onom mom, kod tebe treba staviti diodu
izmedju 8 i 6 da bi se simulirao tranzistor Q2.Ako to uopste ima veze.
Komanda kod tvog Revoxa TAPE DUMP na prednjij ploci, neznam da li
i ona ima veza, jer se prvi put srecem sa njom, vidim po semi i ona
ima neke veze sa pojedinim komandama.
Revox koji sam radio ima drugaciju daljinsku kontrolu i konektor sa 10
pina, znaci skroz drugacije, i tamo su 1 i 2 trebali da budu kratkospojeni da bi komanda ostala ukljucena(da se ne drzi stalno taster).To za ovaj
tvoj Revox nevazi.
Ako se uporede seme od onoga moga i ovoga tvoga (da je to uslov
da bi mogao da radi) analodno onom mom, kod tebe treba staviti diodu
izmedju 8 i 6 da bi se simulirao tranzistor Q2.Ako to uopste ima veze.
Komanda kod tvog Revoxa TAPE DUMP na prednjij ploci, neznam da li
i ona ima veza, jer se prvi put srecem sa njom, vidim po semi i ona
ima neke veze sa pojedinim komandama.
- Prilog
-
- daljinska kontrola.jpg (41.44 KiB) Pregledano 1024 puta.
-
- lokalna tastatura.jpg (56.59 KiB) Pregledano 1025 puta.
