TV RECOR CTV4320PS nece da upali
Pravila foruma
Naslov teme treba da bude u formatu: PROIZVOĐAČ, MODEL, KRATAK OPIS KVARA
Nakon rešenog kvara zatvoriti temu >> >UPUTSTVO< u suprotnom ništa ne činiti.
HOME -- SERVISERI -- DALJINSKI -- RAZNA UPUTSTVA
Naslov teme treba da bude u formatu: PROIZVOĐAČ, MODEL, KRATAK OPIS KVARA
Nakon rešenog kvara zatvoriti temu >> >UPUTSTVO< u suprotnom ništa ne činiti.
HOME -- SERVISERI -- DALJINSKI -- RAZNA UPUTSTVA
TV RECOR CTV4320PS nece da upali
FIRMA: TV RECOR
MODEL: CTV4320PS
CHASSIS(oznaka šasije):
PCB(oznake na štampanoj ploči):
MCU(procesor): pca84c444p
EEPROM:
VERTIKALA:
AUDIO:
VIDEO:
SMPS (mreža):
FBT (vn trafo):
TUNER:
KVAR: nece da se upali
OPIS KVARA: kad pokusam da upalim led diodu se gasi, ponekad se pali ali posle nekoliko minuta kad ga izgasnim nece da se upali smenuo sam elektrolite ispitao horizontalni izlaz (ispravan je) i nista opet nece,
dali je mozno da je defekt u kontroler pca84c444p i kako da ga ispitam
(sad mislim da sam dobro napisao novu temu )
MODEL: CTV4320PS
CHASSIS(oznaka šasije):
PCB(oznake na štampanoj ploči):
MCU(procesor): pca84c444p
EEPROM:
VERTIKALA:
AUDIO:
VIDEO:
SMPS (mreža):
FBT (vn trafo):
TUNER:
KVAR: nece da se upali
OPIS KVARA: kad pokusam da upalim led diodu se gasi, ponekad se pali ali posle nekoliko minuta kad ga izgasnim nece da se upali smenuo sam elektrolite ispitao horizontalni izlaz (ispravan je) i nista opet nece,
dali je mozno da je defekt u kontroler pca84c444p i kako da ga ispitam
(sad mislim da sam dobro napisao novu temu )
Zadnja izmena: sacma, dana 27 Jul 2009, 14:28, ukupno menjano 2 puta.
- tom
- gxu

- Postovi: 2297
- Pridružen: 23 Apr 2007, 20:01
- Location: Strumica
- Contact person: TOME
- Specialty: tv
- Lokacija: Makedonija
Re: TV RECOR CTV4320PS
Pridružio se: Ned Nov 30, 2008 3:53 pm
Kako nisi našao vremena da pročitaš pravila kako se postavlja tema
Ovako teško da dobiješ željenu pomoć...
Kako nisi našao vremena da pročitaš pravila kako se postavlja tema
Ovako teško da dobiješ željenu pomoć...

TOME
- rubin_miki
- Preminuo
- Postovi: 3382
- Pridružen: 13 Avg 2006, 00:22
- Location: Prilep Makedonija
- Specialty: tv-multimedia
- Kontakt:
Re: TV RECOR CTV4320PS
ajd da ne otvaram shemu sad da vidim pozicije, promeni tranzistor koji sluzi za stabilizaciju napajanja za TDA koji bese, 8305, tranz se nalazi tacno izmedju lima od MF i tonskog IC-a..ima i zenericu i 1n4148 sto rade zajedno, sve to menjaj...
sledeci put odma zakljucavam ovakvu nepotpunu temu.....
sledeci put odma zakljucavam ovakvu nepotpunu temu.....
ce da izadjem na televizor,a????
http://www.macedonium.org/makedonija.swf
http://www.macedonium.org/makedonija.swf
Re: TV RECOR CTV4320PS
izvinjavam sto nisam procitao pravila za nove teme
- Majstor Duja
- Neaktivan
- Postovi: 3136
- Pridružen: 23 Avg 2006, 17:29
- Location: Novi Sad - centar
- Warranty service: http://www.elektrocentar.com
- Contact person: Goran Duic
- Specialty: tv-multimedia
Re: TV RECOR CTV4320PS
sacma je napisao:izvinjavam sto nisam procitao pravila za nove teme
Idi na prvu temu i klikni na [EDIT] i ispravi je u skladu s pravilima ili lock....
Rule #1 "Always stand for what you believe, even if it means standing alone."
- BD-electronic
- gx

- Postovi: 1348
- Pridružen: 10 Avg 2006, 10:54
- Location: N.Travnik BiH-SFRJ
- Warranty service: LG,Elit,Morgans,Verso,Elta,Qteck
- Contact person: Dejan
- Phone number: 0038730793402
- Specialty: tv-multimedia
- Kontakt:
Re: TV RECOR CTV4320PS nece da upali
Imaš dva elkosa između mrežnog i vn trafoa koji su vrijednosti 470 mf 25 v. njih obavezno promjeni, provjeri tranz za pobudu može da ide bc 640 i zenericu uz njega.
Re: TV RECOR CTV4320PS nece da upali
problem je resen tranzistor sa oznakom c639 bio je izgoren zamenio sam ga so tranzistor bc 639 ali nije bila tocna zamena orginalni tranzistor je bio ed1402,
imam tranzistor na koj pise 68c9 kukiste mu je TO-92 tri pina dali neko zna koj tranzistor je to
hvala
imam tranzistor na koj pise 68c9 kukiste mu je TO-92 tri pina dali neko zna koj tranzistor je to
hvala
- Stolle
- Preminuo
- Postovi: 19098
- Pridružen: 12 Avg 2006, 23:35
- Location: Srbija
- Specialty: tv-multimedia
- Lokacija: Dimitrovgrad
Re: TV RECOR CTV4320PS nece da upali
Da nije BC368?
A što se postavljanja tiče, samo si iskopirao šablon ali nisi ga i popunio.
A što se postavljanja tiče, samo si iskopirao šablon ali nisi ga i popunio.
"29 poslednjih dana u mesecu je najteže"
- dzafer
- gx

- Postovi: 2522
- Pridružen: 21 Sep 2006, 13:13
- Location: BIH SARAJEVO-ILIDŽA
- Specialty: tv-multimedia
Re: TV RECOR CTV4320PS nece da upali
mislim da je tranzistor za st.bye S8050 (moze BC639) i dioda zpd 10v. ne sjecam se tacno pozicije
džale
Bez alata nema zanata, a bez znanja ni najbolji alat neće pomoći.
Bez alata nema zanata, a bez znanja ni najbolji alat neće pomoći.
- milan
- Preminuo
- Postovi: 4426
- Pridružen: 19 Avg 2006, 22:38
- Location: Novi Sad
- Specialty: tv-multimedia
Re: TV RECOR CTV4320PS
To je tranzistor sa pozicijom Q607rubin_miki je napisao:ajd da ne otvaram shemu sad da vidim pozicije, promeni tranzistor koji sluzi za stabilizaciju napajanja za TDA koji bese, 8305, tranz se nalazi tacno izmedju lima od MF i tonskog IC-a..ima i zenericu i 1n4148 sto rade zajedno, sve to menjaj...
sledeci put odma zakljucavam ovakvu nepotpunu temu.....
- Stolle
- Preminuo
- Postovi: 19098
- Pridružen: 12 Avg 2006, 23:35
- Location: Srbija
- Specialty: tv-multimedia
- Lokacija: Dimitrovgrad
Re: TV RECOR CTV4320PS nece da upali
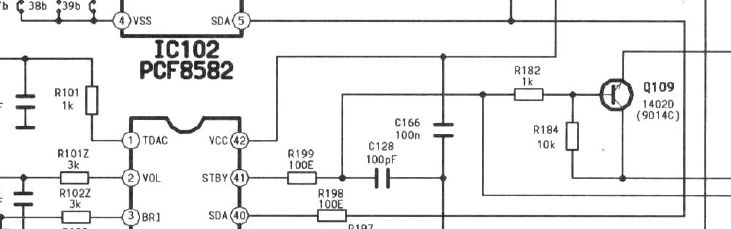
Rekao bih da je Q109...
- Prilog
-
- 1.jpg (26 KiB) Pregledano 1086 puta.
"29 poslednjih dana u mesecu je najteže"
- tom
- gxu

- Postovi: 2297
- Pridružen: 23 Apr 2007, 20:01
- Location: Strumica
- Contact person: TOME
- Specialty: tv
- Lokacija: Makedonija
Re: TV RECOR CTV4320PS nece da upali
I ja mislim takomilan je napisao:....To je tranzistor sa pozicijom Q607
- Prilog
-
- RECOR,RC4020_RC4021_RC4120.jpg (19.17 KiB) Pregledano 1067 puta.
TOME
- rubin_miki
- Preminuo
- Postovi: 3382
- Pridružen: 13 Avg 2006, 00:22
- Location: Prilep Makedonija
- Specialty: tv-multimedia
- Kontakt:
Re: TV RECOR CTV4320PS nece da upali
to je Q607, kako sam rekao nalazi se bas tamo gde sam rekao, evo ga pored mene, sveze stavljen BD139.....mnogo price oko prastarog svima poznatog tv-a..
ce da izadjem na televizor,a????
http://www.macedonium.org/makedonija.swf
http://www.macedonium.org/makedonija.swf
-
- Slične teme
- Odgovori
- Pregledano
- Zadnji post
-
-
TV RECOR CTV4320PS Chassis RC4021A - Ne zaustavlja (RESENO)
napisao cacko85 » 13 Dec 2008, 20:18 » u Servisiranje CRT Televizora - 15 Odgovori
- 2454 Pregledano
-
Zadnji post napisao Majstor Duja
15 Dec 2008, 10:11
-
-
-
TV GORENJE Chassis 11AK37-13 - Nece da upali (RESENO)
napisao staka » 11 Feb 2008, 23:05 » u Servisiranje CRT Televizora - 10 Odgovori
- 3027 Pregledano
-
Zadnji post napisao staka
27 Feb 2008, 10:01
-
-
-
BIRA K2927AXT- neće da upali RJEŠENO
napisao rem » 12 svi 2010, 23:20 » u Servisiranje CRT Televizora - 26 Odgovori
- 4432 Pregledano
-
Zadnji post napisao rem
27 svi 2010, 00:54
-
-
-
BLAUPUNKT FM10020DS NECE DA UPALI(REŠENO)
napisao Borce Vasilev » 27 Jan 2011, 00:31 » u Servisiranje CRT Televizora - 3 Odgovori
- 878 Pregledano
-
Zadnji post napisao Borce Vasilev
27 Jan 2011, 01:35
-
-
-
TV SAMSUNG CK21S4TB Chassis S15A - nece upali
napisao sacma » 17 Apr 2011, 13:06 » u Servisiranje CRT Televizora - 6 Odgovori
- 1851 Pregledano
-
Zadnji post napisao zilebukovac
18 svi 2011, 12:31
-
-
-
METZ CHASSIS 693G NECE DA UPALI (REŠENO)
napisao ilija88 » 01 svi 2011, 17:27 » u Servisiranje CRT Televizora - 6 Odgovori
- 1067 Pregledano
-
Zadnji post napisao krllebg
11 svi 2011, 08:14
-
-
-
TV TRION FX21S62B - NEĆE DA SE UPALI (Rješeno)
napisao JURI » 18 Jun 2012, 18:49 » u Servisiranje CRT Televizora - 13 Odgovori
- 2657 Pregledano
-
Zadnji post napisao alexa_pg
26 Okt 2015, 14:19
-
-
-
Sony KV-21T3K, neće da upali samo blicne led, i čuje se neko zujanje
napisao golub » 26 Apr 2020, 10:04 » u Servisiranje CRT Televizora - 7 Odgovori
- 28676 Pregledano
-
Zadnji post napisao alexa_pg
04 Jul 2020, 16:34
-

