SEG 11AK30A ne može da starta (RIJESENO)
Pravila foruma
Naslov teme treba da bude u formatu: PROIZVOĐAČ, MODEL, KRATAK OPIS KVARA
Nakon rešenog kvara zatvoriti temu >> >UPUTSTVO< u suprotnom ništa ne činiti.
HOME -- SERVISERI -- DALJINSKI -- RAZNA UPUTSTVA
Naslov teme treba da bude u formatu: PROIZVOĐAČ, MODEL, KRATAK OPIS KVARA
Nakon rešenog kvara zatvoriti temu >> >UPUTSTVO< u suprotnom ništa ne činiti.
HOME -- SERVISERI -- DALJINSKI -- RAZNA UPUTSTVA
SEG 11AK30A ne može da starta (RIJESENO)
Firma SEG
Model CTV21406
Šasija 11AK30A
MCU ST92195C3B1/MSS
Eprom 24WC08L
Vertikala TDA8174AW
Audio TDA7266L
Video STV2246H
Mreža 44608P40 k2545
His BU808DFI
Tv je došo sa neispravnim trnanzistorom u his-u. Zamijenim ga i kondenzator u njegovoj pobudi, ali tv opet neće.U st-by na izlazu iz mreže imam nešto napona, na katodama dioda
D808 12,87V
D810 0,9V
D805 1,1V
D806 0,85V
D803 9,43V
Na epromu od 5.-8. pina 5,04v
Na stabilizatorima napona na prvim pinovima(ulaz) 7808 1,2V a 7805 0,8v
Nemam šemu, a ni ideju.TV ne reaguje na start. Sa kog pina procesora ide start ka mreži. i da li ima još šta u startu kao uslov.
Model CTV21406
Šasija 11AK30A
MCU ST92195C3B1/MSS
Eprom 24WC08L
Vertikala TDA8174AW
Audio TDA7266L
Video STV2246H
Mreža 44608P40 k2545
His BU808DFI
Tv je došo sa neispravnim trnanzistorom u his-u. Zamijenim ga i kondenzator u njegovoj pobudi, ali tv opet neće.U st-by na izlazu iz mreže imam nešto napona, na katodama dioda
D808 12,87V
D810 0,9V
D805 1,1V
D806 0,85V
D803 9,43V
Na epromu od 5.-8. pina 5,04v
Na stabilizatorima napona na prvim pinovima(ulaz) 7808 1,2V a 7805 0,8v
Nemam šemu, a ni ideju.TV ne reaguje na start. Sa kog pina procesora ide start ka mreži. i da li ima još šta u startu kao uslov.
Zadnja izmena: kibsa, dana 20 Sep 2009, 23:45, ukupno menjano 4 puta.
- kisko
- Preminuo
- Postovi: 2054
- Pridružen: 12 Jun 2007, 01:51
- Location: Kovilj-na kraj sveta
- Specialty: tv-multimedia
- Lokacija: Kovilj-Novi sad
Re: SEG11AK30A ne može da starta
Evo sheme ovde http://www.eserviceinfo.com/index.php?what=search2
je zakon 
Ima,na pinu 52 (IC501 treba da je napon u rasponu 1,2V-2,4V sve van toga vraca mrezu u st.by...tebi se vraca u protekt(zastita napajanja),proveri zasto...da li ima još šta u startu kao uslov
uvek ima nesto interesantno
Re: SEG11AK30A ne može da starta
Hvala kolega , probaću kad nađem vremana, pa čujemo se.
Re: SEG 11AK30A ne može da starta
Nisu li meni naponi malo manji nego što bi trebali biti u st-by. Nadam se da me ne laže moj fluke.
- Stolle
- Preminuo
- Postovi: 19098
- Pridružen: 12 Avg 2006, 23:35
- Location: Srbija
- Specialty: tv-multimedia
- Lokacija: Dimitrovgrad
Re: SEG 11AK30A ne može da starta
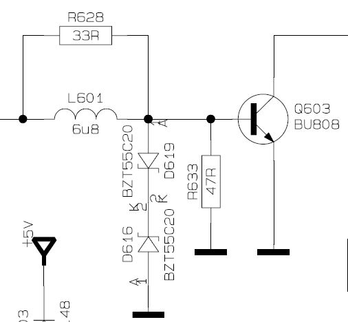
Tu su negde, proveri C619.
"29 poslednjih dana u mesecu je najteže"
- kisko
- Preminuo
- Postovi: 2054
- Pridružen: 12 Jun 2007, 01:51
- Location: Kovilj-na kraj sveta
- Specialty: tv-multimedia
- Lokacija: Kovilj-Novi sad
Re: SEG 11AK30A ne može da starta
i otkači HIS(skini BU808),stavi sijalicu na B+ (na elko)i startuj TV,ako krene onda ti je mreža OK pa ides dalje...Stolle je napisao:Tu su negde, proveri C619.
uvek ima nesto interesantno
-
ahmedamyr
- _

- Postovi: 7
- Pridružen: 21 svi 2009, 10:10
- Location: gracanica
- Contact person: damir
- Specialty: tv
- Lokacija: gracanica
Re: SEG 11AK30A ne može da starta
moze da gusi napon cesto i stv2246 pokusaj otkacit mu napajanje...
nije kriva struja kriva je zica
Re: SEG 11AK30A ne može da starta
Doso i ovaj problem na red za rjesavanje i rijesen. Dobio sam jos jedan aparat sa istom sasijom na kojoj je bio 808-ca u kratkom spoju i D616 spala sa ploce to sam rijesio a potom prenio eprom na ovaj aparat sto nije htio da starta tako da sam rijesio oba aparata. Ocitat cu sadrzaj eproma na ispravnom i snimiti, ne znam samo kojom diodom zamijeniti ovu D616, posto je ova SMD a nosi oznaku A3U. Za sada sam je posudio sa ispravne sasije.
- Stolle
- Preminuo
- Postovi: 19098
- Pridružen: 12 Avg 2006, 23:35
- Location: Srbija
- Specialty: tv-multimedia
- Lokacija: Dimitrovgrad
Re: SEG 11AK30A ne može da starta
Ako je to:
- Prilog
-
- 1.jpg (22.63 KiB) Pregledano 3047 puta.
"29 poslednjih dana u mesecu je najteže"
Re: SEG 11AK30A ne može da starta
jest jest to je to, hvala. znaci 20v zenerka
- krllebg
- ___

- Postovi: 1719
- Pridružen: 27 Avg 2006, 19:45
- Location: Beograd
- Warranty service: DeGermany
- Specialty: tv
- Lokacija: Beograd
- Kontakt:
Re: SEG 11AK30A ne može da starta RIJESENO
Zasto neposkidas sa neta par 11AK shasija da mozes da uporedis ?!
Sve si zavrsio,popravio ali kad treba da vidis vrednost elemenata to se moze samo iz sheme ... ili neko da ti kaze,ko ima shemu.Ubrzaces popravku,treba shema za mnogo stvari.
Sve si zavrsio,popravio ali kad treba da vidis vrednost elemenata to se moze samo iz sheme ... ili neko da ti kaze,ko ima shemu.Ubrzaces popravku,treba shema za mnogo stvari.
... Here lies a man whom is little known !!!
Re: SEG 11AK30A ne može da starta RIJESENO
Da ja jos dodam iako sam napiso da je rijeseno ipak nije sve rijeseno.Kad sam uspio startat seg nisam sve provjeravo vec pohitam kopirat sadrzaj eproma i kad sam donio i ugradio. ni na elitu ni na segu ne mogu da pojacam niti smanjim ton daljinskim od elita. U stvari mogu da menijem udem u opciju ton i tu pojacam ili smanjim., a direktno na tipke na daljinskom + - volume ne reaguje. dok na tv-u reaguju te tipke.
- rubin_miki
- Preminuo
- Postovi: 3382
- Pridružen: 13 Avg 2006, 00:22
- Location: Prilep Makedonija
- Specialty: tv-multimedia
- Kontakt:
Re: SEG 11AK30A ne može da starta RIJESENO
a da nadjes orig njegov daljinac od SEG-a?kibsa je napisao:ni na elitu ni na segu ne mogu da pojacam niti smanjim ton daljinskim od elita...
ce da izadjem na televizor,a????
http://www.macedonium.org/makedonija.swf
http://www.macedonium.org/makedonija.swf
Re: SEG 11AK30A ne može da starta RIJESENO-bice
Provjericu ako nadem daljinac, mislim da je doso uz tv.
Re: SEG 11AK30A ne može da starta
Izbriso sam u naslovu rijeseno, dok probam sa novim sadrzajem eproma. Pa ako neko ima i hoce da ga okaci da pokusam.Daljinac nisam pronaso.
- rubin_miki
- Preminuo
- Postovi: 3382
- Pridružen: 13 Avg 2006, 00:22
- Location: Prilep Makedonija
- Specialty: tv-multimedia
- Kontakt:
Re: SEG 11AK30A ne može da starta
ne zaglibuj dublje dok ne nadjes daljince..
ce da izadjem na televizor,a????
http://www.macedonium.org/makedonija.swf
http://www.macedonium.org/makedonija.swf
- tvmikro
- gx

- Postovi: 462
- Pridružen: 04 Jun 2007, 20:34
- Location: SRBIJA,RUMUNIJA
- Contact person: Vlada
- Phone number: 00381642517307
- Specialty: tv
- Lokacija: Veliko Gradiste,Calafat
- Kontakt:
Re: SEG 11AK30A ne može da starta
sto ti rubin kaze nadji daljince ili neki za 11ak30 sasiju vestelov kod njih ide posebno ton,a te dve su mu kursori za meni.kibsa je napisao:Izbriso sam u naslovu rijeseno, dok probam sa novim sadrzajem eproma. Pa ako neko ima i hoce da ga okaci da pokusam.Daljinac nisam pronaso.
Re: SEG 11AK30A ne može da starta
U pravu si tvmikro, sjetio sam se kod jednog poznanika ima seg sa posebnim komandama za ton, a ne lijevo i desno od menija. Sutra iz firme idem pravo do tog tipa po daljinac.
Re: SEG 11AK30A ne može da starta (RIJESENO)
ipak sa originalnim daljInskim funkcionise ton i konacno sam upisao naslov rijeseno...................... Hvala svima koji su se ukljucili u rjesavanje...............
-
- Slične teme
- Odgovori
- Pregledano
- Zadnji post
-
-
TV SEG PREMIUM, ne radi vertikala RIJEŠENO
napisao vehidc » 26 Avg 2010, 15:23 » u Servisiranje CRT Televizora - 10 Odgovori
- 1173 Pregledano
-
Zadnji post napisao Stolle
27 Avg 2010, 18:48
-
-
- 7 Odgovori
- 1631 Pregledano
-
Zadnji post napisao Majstor Duja
28 Nov 2013, 08:58
-
-
Tv SEG CT7800 chas: 11AK19E HIS problem (ODUSTAO)
napisao stingray » 18 Mar 2014, 13:01 » u Servisiranje CRT Televizora - 17 Odgovori
- 2463 Pregledano
-
Zadnji post napisao stingray
28 Mar 2014, 12:02
-
-
- 2 Odgovori
- 1815 Pregledano
-
Zadnji post napisao baracuda
20 Okt 2017, 16:39
-
-
TV SEG CTV-21406 TXT/S Chassis 11AK30-A14, greje se BU808DFX
napisao SPARTACUS » 03 Dec 2021, 19:05 » u Servisiranje CRT Televizora - 8 Odgovori
- 3082 Pregledano
-
Zadnji post napisao alexa_pg
03 Dec 2021, 22:15
-
-
-
11AK30-14A starta samo na daljinski-RIJEŠENO
napisao kibsa » 18 Dec 2012, 11:00 » u Servisiranje CRT Televizora - 9 Odgovori
- 1368 Pregledano
-
Zadnji post napisao BD-electronic
19 Dec 2012, 22:50
-
-
-
TV SAMSUNG CX542ZSE Chassis P54S - Ne starta (RESENO)
napisao borce » 26 Sep 2008, 17:55 » u Servisiranje CRT Televizora - 4 Odgovori
- 1897 Pregledano
-
Zadnji post napisao borce
30 Sep 2008, 17:12
-
-
-
TV PHILIPS 20PT1553 Chassis L61AA - Ne starta (RESENO)
napisao makedonec » 15 Okt 2008, 17:34 » u Servisiranje CRT Televizora - 4 Odgovori
- 1520 Pregledano
-
Zadnji post napisao makedonec
17 Okt 2008, 11:22
-
