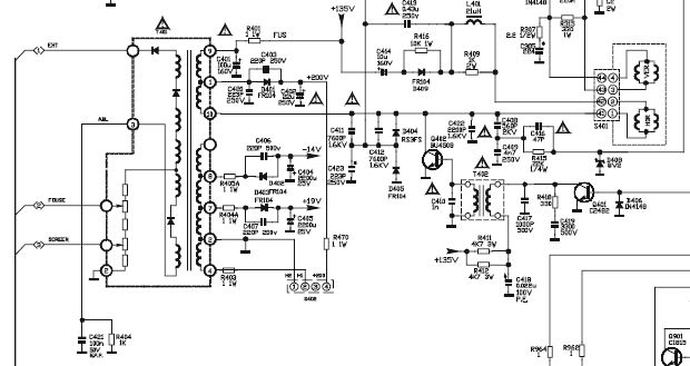
Imam problem kod nabave VN transformatora za taj model. Da li neko zna gdje se mogu nabaviti ili koja im je zamjena. Na njemu pisu sljedece oznake:
29-0179B
37- SC2901-79BOX
20040318
SAN HUA
Ne mogu ga nigdje nabaviti i nema ih u HR Diemen katalogu. Zna li netko nesto o tom transformatoru?
(Rješeno) Schneider TV29M011 chassis M36
Pravila foruma
Naslov teme treba da bude u formatu: PROIZVOĐAČ, MODEL, KRATAK OPIS KVARA
Nakon rešenog kvara zatvoriti temu >> >UPUTSTVO< u suprotnom ništa ne činiti.
HOME -- SERVISERI -- DALJINSKI -- RAZNA UPUTSTVA
Naslov teme treba da bude u formatu: PROIZVOĐAČ, MODEL, KRATAK OPIS KVARA
Nakon rešenog kvara zatvoriti temu >> >UPUTSTVO< u suprotnom ništa ne činiti.
HOME -- SERVISERI -- DALJINSKI -- RAZNA UPUTSTVA
(Rješeno) Schneider TV29M011 chassis M36
- Prilog
-
- VN trafo.jpg (43.7 KiB) Pregledano 1323 puta.
Zadnja izmena: ico, dana 29 Mar 2007, 14:35, ukupno menjano 1 put.
- fanzo
- Site Admin
- Postovi: 16010
- Pridružen: 02 Avg 2006, 06:41
- Location: Bački Petrovac, Srbija
- Phone number: 0038121781575
- Specialty: tv-multimedia
- Lokacija: Bački Petrovac
trafo ti je BSC29-0179
možeš pogledati u serv.manualu , lepo piše T401 ...u popisu komponenti.
U HR ga nisam našao , ali nisam ni apdejtovao HR bazu jedno 3-4 meseca. Ako budeš nešto upoređivao prema nekom HR trafou obrati pažnju da HR FBT obeležava u smeru kazaljke na satu (gledajući fbt od dole) dok kod tebe na šemi pinovi mogu da budu brojeni obrnuto
Ne broje svi proizvođači isto.
U mom serv.man. od TCL brojevi na FBT idu kontra nego na tvojoj šemi.Kod mene na fbt je napajanje 115V a kod tebe 135V !
možeš pogledati u serv.manualu , lepo piše T401 ...u popisu komponenti.
U HR ga nisam našao , ali nisam ni apdejtovao HR bazu jedno 3-4 meseca. Ako budeš nešto upoređivao prema nekom HR trafou obrati pažnju da HR FBT obeležava u smeru kazaljke na satu (gledajući fbt od dole) dok kod tebe na šemi pinovi mogu da budu brojeni obrnuto

U mom serv.man. od TCL brojevi na FBT idu kontra nego na tvojoj šemi.Kod mene na fbt je napajanje 115V a kod tebe 135V !
Svakodnevno usavršavanje je bolje od zakasnelog savršenstva
-
- Slične teme
- Odgovori
- Pregledano
- Zadnji post
-
-
Schneider TV21M061 ne radi - blokada mreže? (RJEŠENO)
napisao Woodland » 10 Avg 2013, 15:06 » u Servisiranje CRT Televizora - 5 Odgovori
- 1200 Pregledano
-
Zadnji post napisao Woodland
11 Avg 2013, 08:40
-
-
- 5 Odgovori
- 1275 Pregledano
-
Zadnji post napisao magicni
26 Okt 2010, 11:31
-
-
TV SCHNEIDER Chassis TV9(1) - Varnice
napisao sveta » 16 Dec 2007, 00:43 » u Servisiranje CRT Televizora - 25 Odgovori
- 5616 Pregledano
-
Zadnji post napisao magicni
20 Feb 2008, 09:58
-
-
-
TV SCHNEIDER Chassis 176 (17.6) - Blokira (RESENO)
napisao milans01 » 25 Feb 2008, 11:24 » u Servisiranje CRT Televizora - 8 Odgovori
- 1260 Pregledano
-
Zadnji post napisao milans01
04 Mar 2008, 18:36
-
-
-
TV SCHNEIDER STV550 Chassis 11AK19-5 - Ne startuje
napisao tvmen » 13 Mar 2008, 19:55 » u Servisiranje CRT Televizora - 31 Odgovori
- 4936 Pregledano
-
Zadnji post napisao tvmen
22 Mar 2008, 18:24
-
-
-
TV SCHNEIDER STV7012 Chassis STV12 - Bezi sa kanala
napisao stojkePN » 08 Avg 2008, 23:44 » u Servisiranje CRT Televizora - 14 Odgovori
- 2142 Pregledano
-
Zadnji post napisao rubin_miki
18 Avg 2008, 02:25
-
-
-
TV SCHNEIDER Chassis DTV101 - Slika deformisana (RESENO)
napisao lnicks » 16 Avg 2008, 20:55 » u Servisiranje CRT Televizora - 8 Odgovori
- 1359 Pregledano
-
Zadnji post napisao lnicks
21 Avg 2008, 09:04
-
-
-
TV SCHNEIDER STV512 Chassis TV6 - Potrebna shema (REŠENO)
napisao markovicg1 » 13 Okt 2008, 13:07 » u Servisiranje CRT Televizora - 6 Odgovori
- 1417 Pregledano
-
Zadnji post napisao markovicg1
23 Okt 2008, 14:50
-