Jos neke seme sam nalazio na netu, ali nije to to.....
TV LOEWE Planus 4572Z Chassis Q2100 - RESENO
Pravila foruma
Naslov teme treba da bude u formatu: PROIZVOĐAČ, MODEL, KRATAK OPIS KVARA
Nakon rešenog kvara zatvoriti temu >> >UPUTSTVO< u suprotnom ništa ne činiti.
HOME -- SERVISERI -- DALJINSKI -- RAZNA UPUTSTVA
Naslov teme treba da bude u formatu: PROIZVOĐAČ, MODEL, KRATAK OPIS KVARA
Nakon rešenog kvara zatvoriti temu >> >UPUTSTVO< u suprotnom ništa ne činiti.
HOME -- SERVISERI -- DALJINSKI -- RAZNA UPUTSTVA
Re: TV LOEWE Planus 4572Z Chassis Q2100 - Ekran
Pa bre Stolle gledam je ceo dan ....
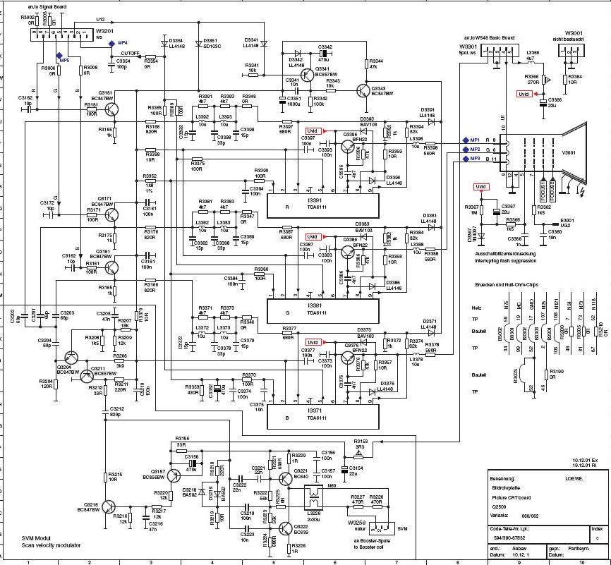
Tebi HVALA ali me sema izlude.... Na njoj postoji nekih 5-6 tranz. a na ovoj plocici kc. kod mene imaju 2 kom u to92 kucistu i nekoh 7 smd.....plus dva smd koja nedostaju.... NEKO IH JE SKINUO RANIJE
Jos neke seme sam nalazio na netu, ali nije to to.....

Jos neke seme sam nalazio na netu, ali nije to to.....
=@=@=
- nec
- Site Admin

- Postovi: 4849
- Pridružen: 17 Okt 2007, 22:15
- Location: Makedonija, Strumica
- Phone number: 0038978425778
- Specialty: tv-multimedia
- Kontakt:
Re: TV LOEWE Planus 4572Z Chassis Q2100 - Ekran
Strpi se do sutra (treba da imam u servisu), sutra proveravam i saljem 
Kad zamenimo ideje svi imamo duplo vise ideja
- nec
- Site Admin

- Postovi: 4849
- Pridružen: 17 Okt 2007, 22:15
- Location: Makedonija, Strumica
- Phone number: 0038978425778
- Specialty: tv-multimedia
- Kontakt:
Re: TV LOEWE Planus 4572Z Chassis Q2100 - Ekran
proveri dali odgovara ova
Kad zamenimo ideje svi imamo duplo vise ideja
Re: TV LOEWE Planus 4572Z Chassis Q2100 - Ekran
Gledam, i cini mi se, da je to to....
Meni su "skinuti" ovi Q3157 i Q3216.....da nadjem neke zamene i da pokusam pa se javljam..
HVALA VELIKO..
Meni su "skinuti" ovi Q3157 i Q3216.....da nadjem neke zamene i da pokusam pa se javljam..
HVALA VELIKO..
=@=@=
- Stolle
- Preminuo
- Postovi: 19098
- Pridružen: 12 Avg 2006, 23:35
- Location: Srbija
- Specialty: tv-multimedia
- Lokacija: Dimitrovgrad
Re: TV LOEWE Planus 4572Z Chassis Q2100 - Ekran
To je onda od šasije Q2500.
Zamene nisu problem, to su "obični" tranzistori.
Zamene nisu problem, to su "obični" tranzistori.
- Prilog
-
- 4.jpg (27.55 KiB) Pregledano 909 puta.
"29 poslednjih dana u mesecu je najteže"
Re: TV LOEWE Planus 4572Z Chassis Q2100 - Ekran
E sad verovali ili ne.....izgleda nije ni ovo potpuno tacno....
R3216 je 4k7.... I sa "tacke" zmedju R3215 i R3218 ima jos jedan R od 10 oma vezan, drugim krajem na C jos jednog smd tranzistora kojem E ide na masu. Baza tog tranzistora ide (stampanim vezama) preko dva otpora vrednosti 0 oma i jednog od 10K na konektor....
Stvarno vam HVALA na trudu. Ovaj Q3157 cu zameniti, ali ovog drugog opet nema na semi, mada po ovome kako je vezanmislim da je istog polariteta kao i Q3216, mada mozda i gresim
Ima li jos kakav loewe rgb slican ???

R3216 je 4k7.... I sa "tacke" zmedju R3215 i R3218 ima jos jedan R od 10 oma vezan, drugim krajem na C jos jednog smd tranzistora kojem E ide na masu. Baza tog tranzistora ide (stampanim vezama) preko dva otpora vrednosti 0 oma i jednog od 10K na konektor....
Stvarno vam HVALA na trudu. Ovaj Q3157 cu zameniti, ali ovog drugog opet nema na semi, mada po ovome kako je vezanmislim da je istog polariteta kao i Q3216, mada mozda i gresim
Ima li jos kakav loewe rgb slican ???
=@=@=
Re: TV LOEWE Planus 4572Z Chassis Q2100 - Ekran
Pogledaj na ovom linku mozda ti pomogne http://www.download-service-manuals.com ... result.php upisi LOEWE i trazi.
Re: TV LOEWE Planus 4572Z Chassis Q2100 - Ekran
Evo me ljudi, posle USPESNE MISIJE
Ubacio sam jedan NPN a drugi PNP oba su BC.... Zamenio podnozje ekrana, jer mi je nesto i prekidalo u slici, i ukljucio TV.....Morao sam samo da smanjim Ug2 zbog povratnih linija...
SLIKA KAO OGLEDALO
koliko moze biti sa sobnom antenom
Prepravite naslov u reseno (nije ekran).....ako nekome nesto bude "nejasno" pitajte..... i DA...HVALA VAM SVIMA
Ubacio sam jedan NPN a drugi PNP oba su BC.... Zamenio podnozje ekrana, jer mi je nesto i prekidalo u slici, i ukljucio TV.....Morao sam samo da smanjim Ug2 zbog povratnih linija...
SLIKA KAO OGLEDALO
Prepravite naslov u reseno (nije ekran).....ako nekome nesto bude "nejasno" pitajte..... i DA...HVALA VAM SVIMA
=@=@=
-
- Slične teme
- Odgovori
- Pregledano
- Zadnji post
-
-
TV LOEWE ARCADA 72100 Chassis Q2100 - Shema (RESENO)
napisao agatel » 28 Jan 2008, 23:38 » u Servisiranje CRT Televizora - 1 Odgovori
- 690 Pregledano
-
Zadnji post napisao fanzo
29 Jan 2008, 02:41
-
-
-
TV LOEWE CONCEPT70 110C91 Chassis C9001 (RESENO)
napisao stojkePN » 13 Nov 2007, 02:52 » u Servisiranje CRT Televizora - 27 Odgovori
- 3956 Pregledano
-
Zadnji post napisao stojkePN
27 Nov 2007, 17:57
-
-
-
TV LOEWE STUDIOS28 NE REAGIRA NA ZASICENJE BOJE(RESENO)
napisao Goran_Nik86 » 22 Jul 2013, 22:57 » u Servisiranje CRT Televizora - 34 Odgovori
- 4177 Pregledano
-
Zadnji post napisao magicni
31 Jul 2013, 10:16
-
-
-
LOEWE ART550 Krene visoki napon i ugasi se
napisao stojkePN » 30 Dec 2009, 22:35 » u Servisiranje CRT Televizora - 18 Odgovori
- 2521 Pregledano
-
Zadnji post napisao slavats
17 Jan 2010, 22:36
-
-
-
LOEWE CONTUR S124 POTREBNA ŠEMA RIJEŠENO
napisao vehidc » 17 Dec 2010, 11:30 » u Servisiranje CRT Televizora - 3 Odgovori
- 667 Pregledano
-
Zadnji post napisao vehidc
22 Dec 2010, 09:11
-
-
-
TV BEKO NR20TD1 Chassis 111 (11.1) - Potrebna chassis
napisao sveta » 06 Dec 2007, 23:41 » u Servisiranje CRT Televizora - 16 Odgovori
- 4860 Pregledano
-
Zadnji post napisao milan
08 Feb 2008, 00:32
-
-
-
TV JVC AVK21TR2 Chassis CL - Nece da startuje (RESENO)
napisao gligor popovski » 31 Okt 2007, 23:28 » u Servisiranje CRT Televizora - 9 Odgovori
- 1646 Pregledano
-
Zadnji post napisao milan
09 Nov 2007, 00:58
-
-
-
TV BEKO Chassis 126 - Problem hor. osc. (REŠENO)
napisao nec » 01 Nov 2007, 17:54 » u Servisiranje CRT Televizora - 31 Odgovori
- 5169 Pregledano
-
Zadnji post napisao filka
03 Nov 2007, 22:10
-


