Philips 28PT7306/12 EM2EAA kratkospojnik [reseno]
Pravila foruma
Naslov teme treba da bude u formatu: PROIZVOĐAČ, MODEL, KRATAK OPIS KVARA
Nakon rešenog kvara zatvoriti temu >> >UPUTSTVO< u suprotnom ništa ne činiti.
HOME -- SERVISERI -- DALJINSKI -- RAZNA UPUTSTVA
Naslov teme treba da bude u formatu: PROIZVOĐAČ, MODEL, KRATAK OPIS KVARA
Nakon rešenog kvara zatvoriti temu >> >UPUTSTVO< u suprotnom ništa ne činiti.
HOME -- SERVISERI -- DALJINSKI -- RAZNA UPUTSTVA
Philips 28PT7306/12 EM2EAA kratkospojnik [reseno]
TV Philips
100Hz
model: 28PT7306/12
šasija : EM2E AA
Otpao kratkospojnik na osnovnoj ploči.
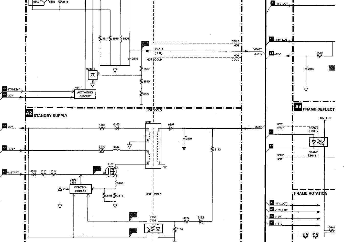
Pošto ni sa šemom ne mogu da pronađem mesto odakle se otkinula žica u bužiru sa otpornikom (R-47kΩ), molio bih kolege koje imaju u radionici ovakvu šasiju da mi pomognu. Jedan kraj otpornika je vezan na 50. pin podnožja oklopljenog SSB modula tj. kratkospojnika "9966", a drugi je u vazduhu. (obeleženo na slici) Inače TV možda ima i drugi kvar, jer kada se upali krene visoki napon i posle par sekundi se ugasi, samo trepce crvena lampica na prednjoj strani.
Hvala unapred ako neko može da pomogne.
100Hz
model: 28PT7306/12
šasija : EM2E AA
Otpao kratkospojnik na osnovnoj ploči.
Pošto ni sa šemom ne mogu da pronađem mesto odakle se otkinula žica u bužiru sa otpornikom (R-47kΩ), molio bih kolege koje imaju u radionici ovakvu šasiju da mi pomognu. Jedan kraj otpornika je vezan na 50. pin podnožja oklopljenog SSB modula tj. kratkospojnika "9966", a drugi je u vazduhu. (obeleženo na slici) Inače TV možda ima i drugi kvar, jer kada se upali krene visoki napon i posle par sekundi se ugasi, samo trepce crvena lampica na prednjoj strani.
Hvala unapred ako neko može da pomogne.
Zadnja izmena: Majstor Duja, dana 16 Apr 2012, 12:38, ukupno menjano 4 puta.
Razlog: Ispravljen naslov
Razlog: Ispravljen naslov
- Stolle
- Preminuo
- Postovi: 19098
- Pridružen: 12 Avg 2006, 23:35
- Location: Srbija
- Specialty: tv-multimedia
- Lokacija: Dimitrovgrad
Re: Philips 28PT7306/12 EM2EAA kratkospojnik
Pin 50, STAND-BY A7-1, ako sam dobro video ide na A1-1 otpornik 3538.
- Prilog
-
- 1.jpg (21.69 KiB) Pregledano 1491 put.
-
- 2.jpg (18.67 KiB) Pregledano 1488 puta.
"29 poslednjih dana u mesecu je najteže"
Re: Philips 28PT7306/12 EM2EAA kratkospojnik
Da tačno to ide sa tog otpornika (R3538 3k3), ali je to zajednička veza sa 50. pin pomenutog SSB modula. Mene interesuje gde ide drugi kraj otkinute veze sa otpornikom (R-47k) koji je u bužiru.
- krllebg
- ___

- Postovi: 1719
- Pridružen: 27 Avg 2006, 19:45
- Location: Beograd
- Warranty service: DeGermany
- Specialty: tv
- Lokacija: Beograd
- Kontakt:
Re: Philips 28PT7306/12 EM2EAA kratkospojnik
Probaj da postavis neku bolju sliku,u makro modu.Mozda neko uspe da vidi gde ide.Tu sasiju velika vecina kolega nevoli da radi tako da mislim da ce biti malo teze.
... Here lies a man whom is little known !!!
Re: Philips 28PT7306/12 EM2EAA kratkospojnik
Koliko sam ja mogao da vidim, a dosta vremena sam potrosio gledajuci dokumentaciju (servis manual), za tu sasiju EM 2 E, taj kratkospojnik ne postoji!
Cak sam konsultovao ovlascenog servisera za Philips u Novom Sadu koji je imao pri ruci rashodovanu takvu sasiju i on nije video. Po toj sasiji je uradjeno nekoliko desetina modela i moguce je da on ne postoji na svim modelima, zato mislim da je najlakse da neko sa istog modela (ako je u prilici) pregleda i ako bude raspolozen da to podeli sa nama. Kraj zice nije prelomljen i nema ostatka tj. "parce" koje bi se lakse videlo na ploci. Moguce je da je ta greska u vezi sa kvarom.
TV aparat je u zadnje vreme radio neko vreme nakom ukjlucenja, a onda nekad duze, nekad krace prekinuo bez posledica, a i ako nije to slucaj o tome cemo kasnije. Znam da je TV jako nezahvalan za popravku i da mu se majstori ne raduju. U svakom slucaju hvala, a ja cu se potruditi da postavim bolje slike.
Cak sam konsultovao ovlascenog servisera za Philips u Novom Sadu koji je imao pri ruci rashodovanu takvu sasiju i on nije video. Po toj sasiji je uradjeno nekoliko desetina modela i moguce je da on ne postoji na svim modelima, zato mislim da je najlakse da neko sa istog modela (ako je u prilici) pregleda i ako bude raspolozen da to podeli sa nama. Kraj zice nije prelomljen i nema ostatka tj. "parce" koje bi se lakse videlo na ploci. Moguce je da je ta greska u vezi sa kvarom.
TV aparat je u zadnje vreme radio neko vreme nakom ukjlucenja, a onda nekad duze, nekad krace prekinuo bez posledica, a i ako nije to slucaj o tome cemo kasnije. Znam da je TV jako nezahvalan za popravku i da mu se majstori ne raduju. U svakom slucaju hvala, a ja cu se potruditi da postavim bolje slike.
- Stolle
- Preminuo
- Postovi: 19098
- Pridružen: 12 Avg 2006, 23:35
- Location: Srbija
- Specialty: tv-multimedia
- Lokacija: Dimitrovgrad
Re: Philips 28PT7306/12 EM2EAA kratkospojnik
Stavio sam sliku u prvi post.
"29 poslednjih dana u mesecu je najteže"
Re: Philips 28PT7306/12 EM2EAA kratkospojnik
ako imas dobru lupu, a sama duzina otkinute zice ce ti odrediti krug u okviru koga se moze pronaci mesto sa kog je otkinuta.Skoro sam ima problem na jednom drugom aparatu za kojeg cak ni sema nema ali sam to uradio tako i vrlo jasno sam uocio gde je bila.Inace verovatnoca da neko ima isti takav tv je vrlo mala i nema svaki EM2EAA to i u mnogome zavisi sa kog je trzista dosao.No to nije glavni problem na tvom TV-u
- krllebg
- ___

- Postovi: 1719
- Pridružen: 27 Avg 2006, 19:45
- Location: Beograd
- Warranty service: DeGermany
- Specialty: tv
- Lokacija: Beograd
- Kontakt:
Re: Philips 28PT7306/12 EM2EAA kratkospojnik
Tesko je ovako preko slike detaljnije videti,mozda si ti prelemio te tacke ,neznam.
Ovo sam ja video.Sad dalje ti proveri sta bi od toga eventualno moglo da bude.Ali i pored toga mislim da ti imas jos neki kvarcic koji te tu muci !
Ovo sam ja video.Sad dalje ti proveri sta bi od toga eventualno moglo da bude.Ali i pored toga mislim da ti imas jos neki kvarcic koji te tu muci !
... Here lies a man whom is little known !!!
Re: Philips 28PT7306/12 EM2EAA kratkospojnik
Evo da se javim prvenstveno zbog Stolle i krllebg da ne misle da sam odustao i da se zahvalim na dobrim idejama o mom problemu. Sve je to kolege isprobano i pre nego sto sam postavio na forum. Problem je u tome sto je, prvo, ta zica sa otpornikom dosta dugacka (oko 10cm) i to pokriva vise od polovine ploce. Drugo ta zica nije licnasta, vec kruta i dosta tanka. Obicno ostane barem jedna licna i lakse je pronaci. Na samoj zici skoro i nema tinola i ona je toliko slabo bila zaletovana da nije ostavila nikakav trag. Ima jos dva kratkospojnika na ploci i kada sam prstima proveravao kako oni stoje od cetiri mesta gde su letovana, tri su otpala. Da nisam tog momenta gledao ni to se ne bi videlo. Zato se i na slici vidi kalafonijum, jer su naknadno letovana, tako da se ovde sve slozilo. Kad te hoce, hoce.
Na kraju i da nadjem neko sumnjivo mesto ne bih smeo tek tako da zaletujem, da proverim (zbog posledica) dok nisam siguran.
Vama u svakom slucaju hvala na utrosenom trudu i vremenu i zelji da pomognete. Ja razmisljam ako u dogledno vreme ne pronadjem resenje da potrazim pomoc od "Philipsa", tj. njihovog konsultanta na sajtu.
Na kraju i da nadjem neko sumnjivo mesto ne bih smeo tek tako da zaletujem, da proverim (zbog posledica) dok nisam siguran.
Vama u svakom slucaju hvala na utrosenom trudu i vremenu i zelji da pomognete. Ja razmisljam ako u dogledno vreme ne pronadjem resenje da potrazim pomoc od "Philipsa", tj. njihovog konsultanta na sajtu.
Re: Philips 28PT7306/12 EM2EAA kratkospojnik
Proslo je dosta vremena, a informacija o kratkospojniku nije bila na vidiku. Resio sam pre desetak dana da pokusam da popravim bez obzira na tu informaciju, racunajuci da mozda ta zica i nije bitna za ispravan rad TV-a. Bio sam na srecu u pravu.
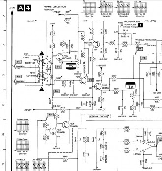
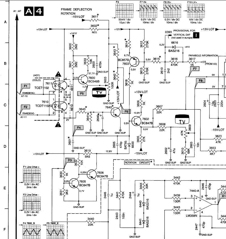
TV je svaki put pri ukljucenju krenuo da radi barem 5-10 sec, dok zastita nije proradila, a onda je otisao u standby. U tom kratkom periodu moglo se izmeriti odredjene napone i impulse i tako grubo locirati kvar. His je svaki put radio i naponi i posle hisa su bili korektni. Logicno je bilo proveriti vertikalu. Posto na izlazu vertikalnog stepena impulsa nije bilo, kvar je na neki nacin bio lociran. Jos kada sam grejanjem i ledolom "naterao" TV da proradi, makar i na kratko videlo se da neposredno pre prekida slika se skuplja po visini, pa i u liniju. Bilo je jasno da je greska u vertikali i trebalo je samo propratiti vertikalni i izlazni stepen. Merenjem impulsa F1 i F2 ispred optokaplera i impulsa F3, F4 i F5 videlo se da na kolektorskoj strani oni nedostaju. Zamenom optokaplera 7610, 7611 - TCDT1102G TV je odmah proradio i evo ga i danas besprekorno radi. Bez obzira sto je kratkospojnik ostao u vazduhu. Jos da napomenem da nisam imao original optokapler pa sam ugradio CNY17F-3 koji mi je bio pri ruci, a pokazao se mogucom zamenom. Imao sam potrebu da vam ovo ispricam u nadi da ce moje iskustvo nekome mozda biti od koristi.
TV je svaki put pri ukljucenju krenuo da radi barem 5-10 sec, dok zastita nije proradila, a onda je otisao u standby. U tom kratkom periodu moglo se izmeriti odredjene napone i impulse i tako grubo locirati kvar. His je svaki put radio i naponi i posle hisa su bili korektni. Logicno je bilo proveriti vertikalu. Posto na izlazu vertikalnog stepena impulsa nije bilo, kvar je na neki nacin bio lociran. Jos kada sam grejanjem i ledolom "naterao" TV da proradi, makar i na kratko videlo se da neposredno pre prekida slika se skuplja po visini, pa i u liniju. Bilo je jasno da je greska u vertikali i trebalo je samo propratiti vertikalni i izlazni stepen. Merenjem impulsa F1 i F2 ispred optokaplera i impulsa F3, F4 i F5 videlo se da na kolektorskoj strani oni nedostaju. Zamenom optokaplera 7610, 7611 - TCDT1102G TV je odmah proradio i evo ga i danas besprekorno radi. Bez obzira sto je kratkospojnik ostao u vazduhu. Jos da napomenem da nisam imao original optokapler pa sam ugradio CNY17F-3 koji mi je bio pri ruci, a pokazao se mogucom zamenom. Imao sam potrebu da vam ovo ispricam u nadi da ce moje iskustvo nekome mozda biti od koristi.
- Majstor Duja
- Neaktivan
- Postovi: 3136
- Pridružen: 23 Avg 2006, 17:29
- Location: Novi Sad - centar
- Warranty service: http://www.elektrocentar.com
- Contact person: Goran Duic
- Specialty: tv-multimedia
Re: Philips 28PT7306/12 EM2EAA kratkospojnik
Rule #1 "Always stand for what you believe, even if it means standing alone."
- SaleSk
- ___

- Postovi: 656
- Pridružen: 04 Nov 2006, 21:08
- Location: Skopje
- Warranty service: Siemens, Konica Minolta, Kodak, B Braun, Dade Behring, Johnson & Johnson, Drew, TerumoBCT
- Kontakt:
Re: Philips 28PT7306/12 EM2EAA kratkospojnik
Odlicno...
Jos samo da editiras naslov, u prvom postu i upises Reseno
Jos samo da editiras naslov, u prvom postu i upises Reseno
Dusevni bolesnik nikada ne napada bez razloga. U tome se razlikuje od normalnih ljudi.
Re: Philips 28PT7306/12 EM2EAA kratkospojnik [reseno]
bitno je i da nisi odustao
-
- Slične teme
- Odgovori
- Pregledano
- Zadnji post
-
-
PHILIPS Philips 21PT1654/58 GASI SE RIJEŠENO
napisao vehidc » 08 Feb 2011, 10:07 » u Servisiranje CRT Televizora - 9 Odgovori
- 3121 Pregledano
-
Zadnji post napisao stingray
18 Dec 2014, 11:10
-
-
-
TV PHILIPS Chassis FL16 - Tamna polovina (RESENO)
napisao slavko.e » 20 Nov 2007, 00:52 » u Servisiranje CRT Televizora - 22 Odgovori
- 3666 Pregledano
-
Zadnji post napisao Majstor Duja
23 Jan 2008, 10:37
-
-
-
TV PHILIPS Chassis K40 - Ima ton, nema sliku (RESENO)
napisao Japanac » 29 Nov 2007, 19:07 » u Servisiranje CRT Televizora - 11 Odgovori
- 1842 Pregledano
-
Zadnji post napisao Japanac
03 Dec 2007, 23:36
-
-
-
TV PHILIPS 29PT5342 - Los h-linearitet (RESENO)
napisao zozontv1 » 14 Dec 2007, 07:10 » u Servisiranje CRT Televizora - 10 Odgovori
- 1237 Pregledano
-
Zadnji post napisao zozontv1
16 Dec 2007, 07:32
-
-
-
TV PHILIPS 21CE1251/10B - Oznaka trafoa (RESENO)
napisao vladan80 » 25 Dec 2007, 18:15 » u Servisiranje CRT Televizora - 2 Odgovori
- 730 Pregledano
-
Zadnji post napisao vladan80
25 Dec 2007, 23:15
-
-
-
TV PHILIPS 29PT8402/58 Chassis MD211E (MD2.11E) - (RESENO)
napisao zli_vuk » 21 Jan 2008, 22:00 » u Servisiranje CRT Televizora - 13 Odgovori
- 2879 Pregledano
-
Zadnji post napisao bada
24 Avg 2016, 12:19
-
-
-
TV PHILIPS Chasiss L63 (L6.3) - Nema boju (RESENO)
napisao mancic » 22 Jan 2008, 14:44 » u Servisiranje CRT Televizora - 3 Odgovori
- 920 Pregledano
-
Zadnji post napisao Stolle
22 Jan 2008, 18:48
-
-
-
TV PHILIPS 25ML8300/OOB Chassis FL17 (FL1.7) - (RESENO)
napisao DZoni » 31 Jan 2008, 23:06 » u Servisiranje CRT Televizora - 8 Odgovori
- 1302 Pregledano
-
Zadnji post napisao SaleSk
04 Feb 2008, 01:41
-


