FIRMA: GORENJE
MODEL: TVF29S15A
CHASSIS(oznaka šasije): AK37
PCB(oznake na štampanoj ploči):
MCU(procesor): ST92195C7B1/MSC
EEPROM: 24C08
VERTIKALA: STV9306B
AUDIO:
VIDEO: STV2246H
SMPS (mreža):
FBT (vn trafo):
TUNER:
KVAR: NESTARTA
OPIS KVARA:
Lijep pozdrav.
Navedeni TV uključim, upali se crvena lampica sad uklj. preko daljinskog upali se zelena lampica kao da je sve ok, ali ništa.
Evo što sam ja uradio.
Radni napon 150V mjerio na sijalici 60W, mjerio sam i ostale napone 8V, 5V sve ok u primaru i skundaru mreže mjenjao sam sve elektrolite.
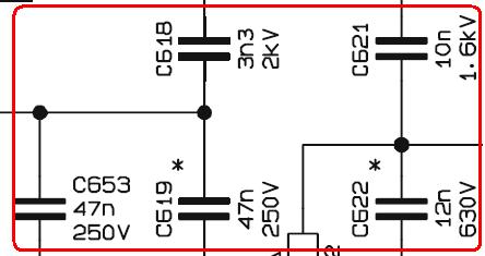
Mjerenjem sam locirao da mi neradi H-out (oscilator neradi) ic 403 pin 49 otpor R426 2K2 je izgorio znam da R426 nije bez razloga izgorio izmjerim Q601 BU2508AF dide D605 i D606 i C618, C621, C622, C625, C627 sve ispravno.
Na mjesto smd otpora probe radi (dok nekupim smd) ulemim male snage standardni otpornik, colector TR Q601 izlemim
izmjerim oscilator kao i pobudu na bazi tr Q601 sve ok polemim sve da probam TV proradio rekao bi došlo previše visokog napona ponovo izgorio otpor R426 2K2 i još otpori R639 R640 i naravno Q601 BU2508AF.
Molim ko mi može pomoć.
GORENJE TVF29S15A 11AK37S-1 NESTARTA (RIJEŠENO)
Pravila foruma
Naslov teme treba da bude u formatu: PROIZVOĐAČ, MODEL, KRATAK OPIS KVARA
Nakon rešenog kvara zatvoriti temu >> >UPUTSTVO< u suprotnom ništa ne činiti.
HOME -- SERVISERI -- DALJINSKI -- RAZNA UPUTSTVA
Naslov teme treba da bude u formatu: PROIZVOĐAČ, MODEL, KRATAK OPIS KVARA
Nakon rešenog kvara zatvoriti temu >> >UPUTSTVO< u suprotnom ništa ne činiti.
HOME -- SERVISERI -- DALJINSKI -- RAZNA UPUTSTVA
-
- _
- Postovi: 58
- Pridružen: 29 Jun 2008, 20:03
- Location: Bilje
- Specialty: computers
GORENJE TVF29S15A 11AK37S-1 NESTARTA (RIJEŠENO)
Zadnja izmena: Branko_Bird, dana 09 svi 2012, 12:43, ukupno menjano 1 put.
-
- _
- Postovi: 58
- Pridružen: 29 Jun 2008, 20:03
- Location: Bilje
- Specialty: computers
Re: GORENJE TVF29S15A 11AK37S-1 NESTARTA (RIJEŠENO)
U mom slučaju izgorio SMD rR426 te R639 10K razlog je C653 47n elementi zamjenjeni TV radi.
Hvala emem pozdrav.
Hvala emem pozdrav.
-
- Slične teme
- Odgovori
- Pregledano
- Zadnji post
-
-
TV GORENJE TVF29S15A Chassis 11AK37S - Mreza (RESENO)
napisao faca74 » 20 Avg 2008, 14:11 » u Servisiranje CRT Televizora - 8 Odgovori
- 1612 Pregledano
-
Zadnji post napisao BD-electronic
22 Avg 2008, 18:11
-
-
-
TV GORENJE TVF29S15 Chassis 11AK37S - Ne starta HIS (REŠENO)
napisao cromax » 02 Nov 2008, 13:58 » u Servisiranje CRT Televizora - 6 Odgovori
- 2647 Pregledano
-
Zadnji post napisao Stolle
14 Nov 2008, 15:45
-
-
-
TV SAMSUNG CS761APT NESTARTA RJEŠENO
napisao Branko_Bird » 10 Sep 2013, 10:22 » u Servisiranje CRT Televizora - 3 Odgovori
- 912 Pregledano
-
Zadnji post napisao Branko_Bird
13 Sep 2013, 11:01
-
-
-
TV GORENJE ORBITER TX Chassis E9 - Nema slike (RIJEŠENO)
napisao spectator » 19 Jan 2009, 10:51 » u Servisiranje CRT Televizora - 17 Odgovori
- 3843 Pregledano
-
Zadnji post napisao spectator
22 Jan 2009, 14:03
-
-
-
GORENJE chassis g2 -desni dio slike taman RIJEŠENO
napisao robert » 23 Sep 2009, 12:24 » u Servisiranje CRT Televizora - 6 Odgovori
- 1319 Pregledano
-
Zadnji post napisao tom
25 Sep 2009, 12:42
-
-
-
GORENJE K11 NEMA SLIKE NA SKARTU (RIJESENO)
napisao strule » 10 svi 2010, 23:16 » u Servisiranje CRT Televizora - 7 Odgovori
- 1217 Pregledano
-
Zadnji post napisao strule
13 svi 2010, 07:06
-
-
-
potreban dump gorenje tvf21b15a RIJESENO
napisao ahmedamyr » 01 Okt 2010, 15:47 » u Servisiranje CRT Televizora - 3 Odgovori
- 1223 Pregledano
-
Zadnji post napisao Stolle
01 Okt 2010, 22:56
-
-
-
TV VIVAX 1400NF - Nema plave boje riješeno
napisao dane » 29 Dec 2007, 12:06 » u Servisiranje CRT Televizora - 9 Odgovori
- 2094 Pregledano
-
Zadnji post napisao tv servis goranovic
03 Jan 2008, 11:29
-