FIRMA:Blaupunkt
MODEL: IS7043VT
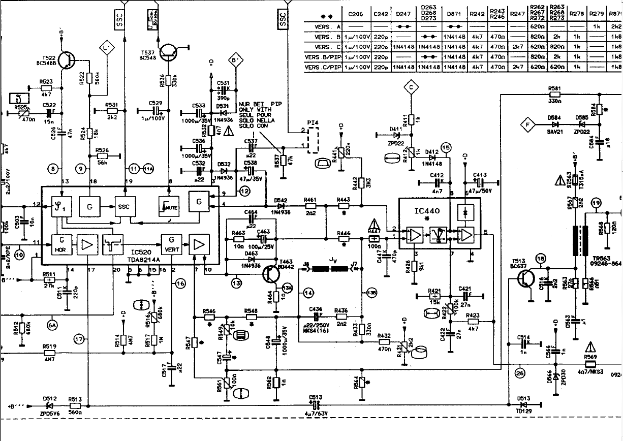
CHASSIS(oznaka šasije):FM310.32
PCB(oznake na štampanoj ploči):A29701
MCU(procesor):SDA20561
EEPROM:MCM2814
VERTIKALA:TDA8214A
AUDIO:TDA2009A
VIDEO:TDA4685
SMPS (mreža):TDA4605
FBT (vn trafo):M29201-029.01
TUNER:29504-101
KVAR:
OPIS KVARA:Covek kaze da kad upali tv posle 2-3 sata dodje slika ali sad nece uopste da se pojavi.Merenjem sam ustanovio da su prisutni svi naponi iz mreze i horizontala radi, ali nema slike ni tona.Medjutim ne postoje naponi na izlazu iz VN trafoa kao ni grejanje na cevi. Medjutim nije mi jasno zasto nema tona.



