Panasonic TX29PS12P(RJESENO)

problemi , kvarovi , sheme upload/download popravka CRT televizora
HOME -- SERVISERI -- EXPERT-TEAM -- DALJINSKI

Urednici: alexa_pg,KASA1

Pravila foruma
Naslov teme treba da bude u formatu: PROIZVOĐAČ, MODEL, KRATAK OPIS KVARA
Nakon rešenog kvara zatvoriti temu >> >UPUTSTVO< u suprotnom ništa ne činiti.

HOME -- SERVISERI -- DALJINSKI -- RAZNA UPUTSTVA
Avatar
zar099
_
_
Postovi: 196
Pridružen: 18 Nov 2013, 04:52
Location: Bosna i Hercegovina

Panasonic TX29PS12P(RJESENO)

Post napisao zar099 » 15 Okt 2015, 00:36

CRT TV
PROIZVOĐAČ:Panasonic
MODEL: TX29PS12P
MODEL DODATNO:Ceska proizvodnja
EKRAN: A68ERF182X044/M
CHASSIS:CP830FP
SMPS (mreža):2094.0047B,50M4936B4-,23805A T(801)
MCU (procesor i pozicija):SDA-55XX (IC701) nisam skidao naljepnicu
VERTIKALA (i pozicija):TDA8358J (I301)
FBT(vn trafo): 13022002D C08,50M0000301 (T402)
TUNER:UV1316/A I-4 PHILIPS (U100)
***************************************
SIMPTOMI: slika suzena po horizontali normalne vertikalne sirine i pozicije na ekranu
OPIS KVARA i PREDUZETE RADNJE:TV se po pricanju vlasnika jos za vrijeme garantnog roka kvario sporan je bio VN trafo,i poslje mu je bio problematican VN trafo vec je dva sprzio treci je sad u njemu -ovaj put je TV dosao sa izgoritim konektorom na otklonskoj kad sam direktno zalemio zicu ispod konektora na otklonskoj sa konektora na ploci dobio sam ovo sad sto imam :) sliku suzenu po horizontali na sredini normalne vertikalne visine i pozicije,ispocetka sam sumnjao samo na otklonsku al istu nisam nigdje nasao -istih otpornosti namotaja,one slicne su imale uglavnom jos uzu sliku ili priblizno istu al je nevolja u tome sto i druge pocinju smrditi kao i ova nakon izvjesnog vremena cak se pocela pusiti neki dan pa sam iskljucio na vrijeme,mjenjao sam elektrolite u napajanju 100 mikro i 47 mikro 250V,dvostruku damper diodu FMP-3FU(D404),L401,360nF(C408),cak sam spajao i anodni napon sa drugog TV prethodno iskljucivsi spulu sa Panasonic-ovog Tv-a i zicu sa stipaljkom za masu ekrana sa onog TV-a i radi super :) al je slika i tad sizena i elipticna na krajevima kao i sa anodnim priljuckom sa Panasonic-ovog VN trafoa -sto ce reci da je bar anodni napon vjerovatno dobar i koliki treba biti a nemam ga cime izmjeriti ,prilicno sam ispucao sve ideje,ako je neko imao imao isti kvar ili neki savjet molio bi da se javi ...Pozdrav svima :pivopije:
Zadnja izmena: zar099, dana 26 Okt 2015, 01:49, ukupno menjano 1 put.

Avatar
Stolle
Preminuo
Postovi: 19099
Pridružen: 12 Avg 2006, 23:35
Location: Srbija
Specialty: tv-multimedia
Lokacija: Dimitrovgrad

Re: Panasonic TX29PS12P

Post napisao Stolle » 15 Okt 2015, 10:26

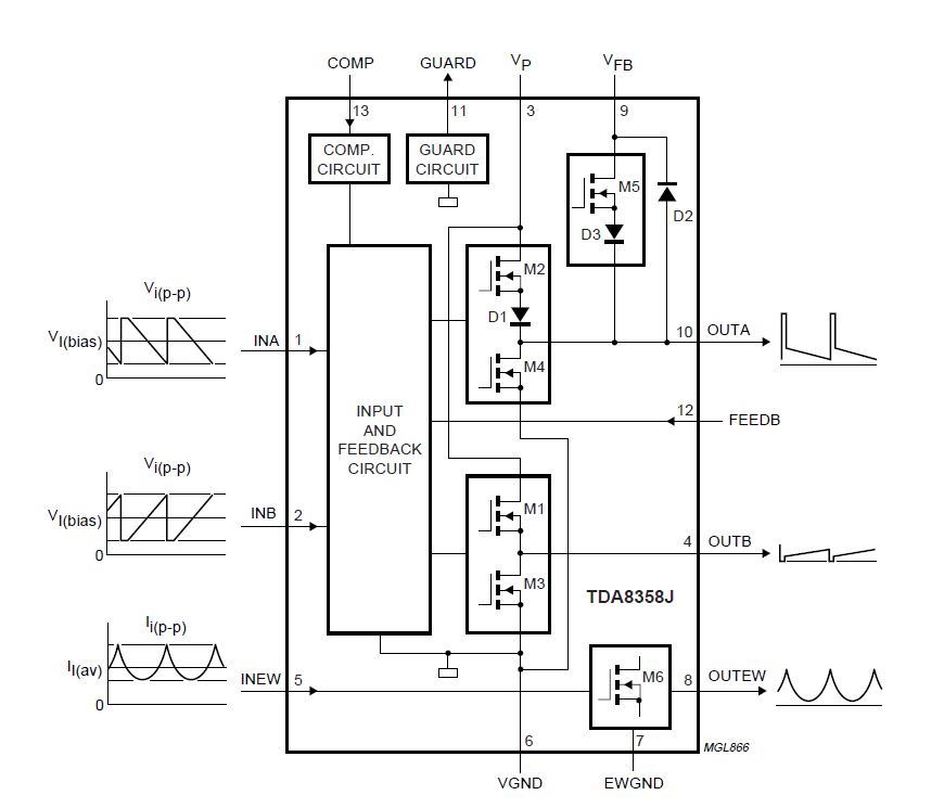
A u TDA8358J jesi li pogledao šta sve ima? I oko njega?
"29 poslednjih dana u mesecu je najteže"

Avatar
zar099
_
_
Postovi: 196
Pridružen: 18 Nov 2013, 04:52
Location: Bosna i Hercegovina

Re: Panasonic TX29PS12P

Post napisao zar099 » 15 Okt 2015, 16:50

Stolle je napisao:A u TDA8358J jesi li pogledao šta sve ima? I oko njega?
Dobro pitanje ;) i ja sam o tome razmisljo,naizgled vertikala radi dobro mozda ipak pravi problem,napajanje je dobro provjercu sicu oko kola a mogo bi i kolo na kraju zamjenit mozda ga i imam...hvala Stole

Avatar
Stolle
Preminuo
Postovi: 19099
Pridružen: 12 Avg 2006, 23:35
Location: Srbija
Specialty: tv-multimedia
Lokacija: Dimitrovgrad

Re: Panasonic TX29PS12P

Post napisao Stolle » 15 Okt 2015, 16:58

Nije vertikala, pogledaj prvo datasheet. Ne smeš da ga menjaš pre provere komponenti zbog kojih može opet odmah da crkne.
"29 poslednjih dana u mesecu je najteže"

Avatar
zar099
_
_
Postovi: 196
Pridružen: 18 Nov 2013, 04:52
Location: Bosna i Hercegovina

Re: Panasonic TX29PS12P

Post napisao zar099 » 15 Okt 2015, 19:08

Vazi drug -vec samo pogledo detaljno sve elemente na semi,naponi su svi tu negdje po semi inace i u napajanju i iz VN trafoa jos cu pogledati pdf ovog kola.Hvala

..................
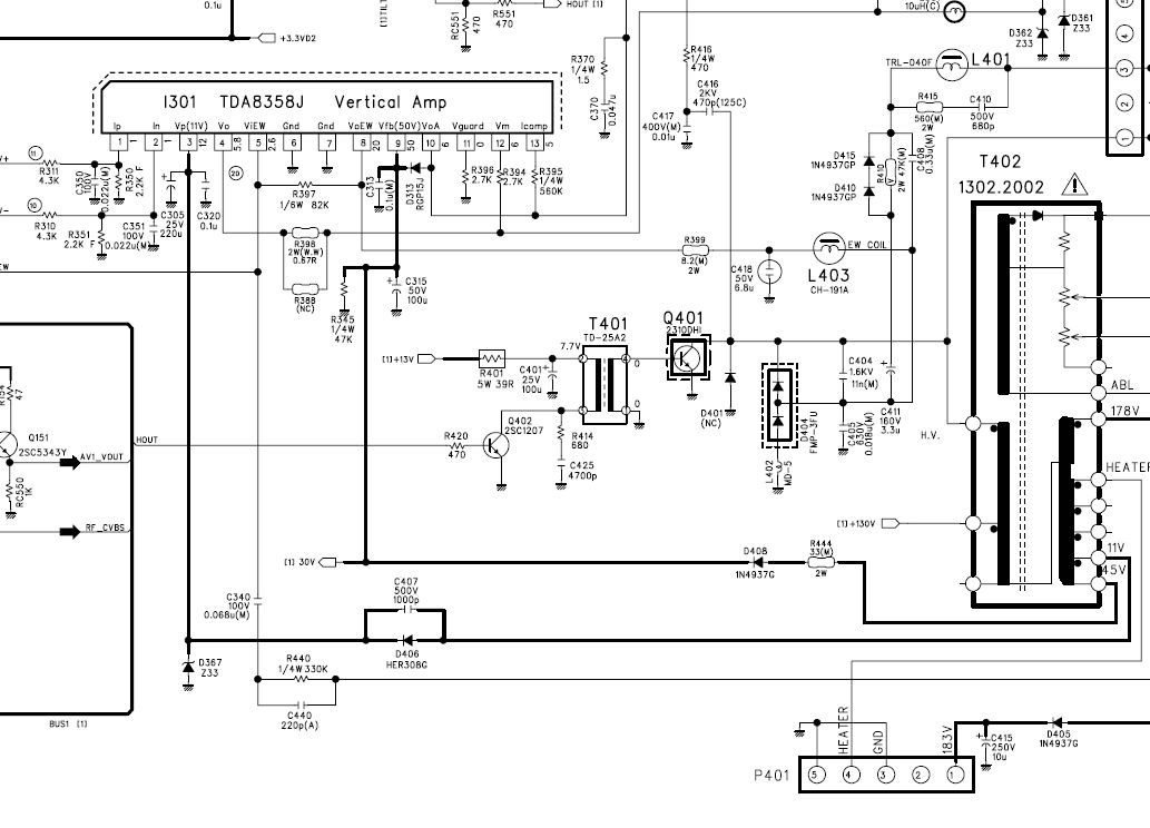
Nasao sam da je crko otpornik R399 8.2 Oma koji na 8 izvod kola za vertikalu za EW korekciju,takodje otpornik R331 koji je spojen paralelno sa kalemom otklonske za vertikalni otklon se grijao boje prstenova se promjenile izmjerim 330 Oma,boje su najslicnije naranzastoj vjerovatno jes bio 330 Oma a treba po semi bit 200 Oma mogu stavit 200 Oma ako mislite da igra neku ulogu?!

Avatar
alexa_pg
Site Admin
Site Admin
Postovi: 6029
Pridružen: 22 Avg 2006, 08:10
Location: Podgorica
Specialty: tv-multimedia

Re: Panasonic TX29PS12P

Post napisao alexa_pg » 16 Okt 2015, 23:06

Otpornik koji je vezan paralelno otklonskoj je 200 oma po semi. To sto su boje takve pa izgleda da je 330 oma, ne znaci nista.
Provjeri i ostale komponente u strujnom kolu gdje je taj otpornik R399
"I ja volim ljude ali ih sve manje podnosim"

Avatar
zar099
_
_
Postovi: 196
Pridružen: 18 Nov 2013, 04:52
Location: Bosna i Hercegovina

Re: Panasonic TX29PS12P

Post napisao zar099 » 17 Okt 2015, 06:18

Hocu,hvala obodvojici na velikoj pomoci... :pivopije:

Dobio sam rasirenu sliku nakon zamjene onih otpornika i kondenzatora C418 svu sicu sam provjerio i cak i tranzistore Q334 i Q333 slika je sad dosta rasirena,moram vratit orginalnu zavojnicu L401 pa ako se nebude dalo suziti ni u SERVICE ostaje mi jos da promjenim kolo za vertikalu sad nebi trebalo crci ako se slazete ? :) Hvala puno jos jednom

Avatar
alexa_pg
Site Admin
Site Admin
Postovi: 6029
Pridružen: 22 Avg 2006, 08:10
Location: Podgorica
Specialty: tv-multimedia

Re: Panasonic TX29PS12P

Post napisao alexa_pg » 20 Okt 2015, 16:53

Moguce je da sad ne valja dio kola za raster korekciju.
"I ja volim ljude ali ih sve manje podnosim"

Avatar
Stolle
Preminuo
Postovi: 19099
Pridružen: 12 Avg 2006, 23:35
Location: Srbija
Specialty: tv-multimedia
Lokacija: Dimitrovgrad

Re: Panasonic TX29PS12P

Post napisao Stolle » 20 Okt 2015, 17:24

Ovde imaš sve, rešavaj ga.
Prilog
1.jpg
EW.jpg
"29 poslednjih dana u mesecu je najteže"

Avatar
zar099
_
_
Postovi: 196
Pridružen: 18 Nov 2013, 04:52
Location: Bosna i Hercegovina

Re: Panasonic TX29PS12P

Post napisao zar099 » 20 Okt 2015, 20:48

Hvala potrudicu se da ovo zavrsim,vec postignut veliki napredak zahvaljujuci vasoj strucnoj pomoci na forumu... :pivopije:

-------------------------
Kaze prodavac imam dva TDA8358J,lemljeni vraceni kao fabricka greska reko mogul ja dobit jedan na probu :mrgreen: ako jedan majstor kaze da je neispravan nemora znaciti da jeste i pored najiskusnijih majstora,kolo ima sepet razloga da jesdnostavno neradi zbog neceg dobro i evo ga radi super samo trebam centrirat otklonsku i zalijepit opet pistoljem za plastiku da covjek u coski negleda u one raznobojne linije tipa == dvije tri jedna ispod druge :mrgreen: sad cu testirati ako ipak bude kolo zezalo porucicemo druga dva za rezervu :pivopije: uglavnom kvar je 100 % lokalizovan :yeah: hvala Stoli i Aleksi na velikoj i nesebicnoj prijateljskoj pomoci!! :pivopije:
Prilog
Panasonic.jpg
Evo ga na kraju stvarno dobru sliku ima jos uvjek samo da centrriram otklonsku i u service vratim lijevo poziciju slike ...
Panasonic.jpg (88.12 KiB) Pregledano 1945 puta.

Odgovori
  • Slične teme
    Odgovori
    Pregledano
    Zadnji post

Natrag na “Servisiranje CRT Televizora”