TV JVC AV2111TEE Chassis CL - Blinka led dioda(ODUSTAO)
Pravila foruma
Naslov teme treba da bude u formatu: PROIZVOĐAČ, MODEL, KRATAK OPIS KVARA
Nakon rešenog kvara zatvoriti temu >> >UPUTSTVO< u suprotnom ništa ne činiti.
HOME -- SERVISERI -- DALJINSKI -- RAZNA UPUTSTVA
Naslov teme treba da bude u formatu: PROIZVOĐAČ, MODEL, KRATAK OPIS KVARA
Nakon rešenog kvara zatvoriti temu >> >UPUTSTVO< u suprotnom ništa ne činiti.
HOME -- SERVISERI -- DALJINSKI -- RAZNA UPUTSTVA
TV JVC AV2111TEE Chassis CL - Blinka led dioda(ODUSTAO)
TV JVC AV-2111TEE chassis CL na par sekundi na ekranu ispiše X-RAY i nakon toga se ugasi i led dioda blinka. Zamjenio sam file u epromu 24c08 ali opet isto. Kad mijenjam programe brzo onda i radi tako dugo. Dali je moguće da je neispravan procesor M37212M8-050SP.
Zadnja izmena: robert, dana 03 Jun 2008, 08:38, ukupno menjano 1 put.
- Stolle
- Preminuo
- Postovi: 19098
- Pridružen: 12 Avg 2006, 23:35
- Location: Srbija
- Specialty: tv-multimedia
- Lokacija: Dimitrovgrad
Re: TV JVC AV-2111TEE chassis CL
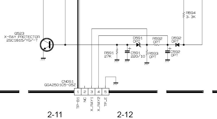
Proveri X-ray kolo
- Prilog
-
- 1.jpg (28.9 KiB) Pregledano 1337 puta.
"29 poslednjih dana u mesecu je najteže"
- fanzo
- Site Admin

- Postovi: 16038
- Pridružen: 02 Avg 2006, 06:41
- Location: Bački Petrovac, Srbija
- Phone number: 0038121781575
- Specialty: tv-multimedia
- Lokacija: Bački Petrovac
Re: TV JVC AV-2111TEE chassis CL
proveri štampu na FBT ,a usput zameni C929 (100/25)
Svakodnevno usavršavanje je bolje od zakasnelog savršenstva
Re: TV JVC AV-2111TEE chassis CL
Provjerio sam ali sve je dobro, na 48 pinu procesora bi trebalo biti 5v a ja imam 1,1v dobijem 5v tek kad odpojim taj pin pa mislim da je procesor neispravan,a i stranka kaže da misli da je to od groma.
- fanzo
- Site Admin

- Postovi: 16038
- Pridružen: 02 Avg 2006, 06:41
- Location: Bački Petrovac, Srbija
- Phone number: 0038121781575
- Specialty: tv-multimedia
- Lokacija: Bački Petrovac
Re: TV JVC AV-2111TEE chassis CL
standardni kvar sam već gore opisao , a ti si zaboravio navesti u prvom postu da je posledica udara groma...ehh...moguće je šinko..verovatnoća da je oštećen procesor je 100% , ali samo ako si dobro merio i da je napajanje korektno.
Svakodnevno usavršavanje je bolje od zakasnelog savršenstva
Re: TV JVC AV2111TEE Chassis CL - Blinka led dioda
Da napajanje je ok,ali izgleda da se IC teško nabavlja gdje sam pitao nitko nema pa će vjerojatno TV u rashod.
-
- Slične teme
- Odgovori
- Pregledano
- Zadnji post
-
-
TV SABA M5115 TX807 ne startuje blinka led dioda RESENO
napisao katicbranko » 12 Dec 2010, 21:43 » u Servisiranje CRT Televizora - 9 Odgovori
- 1945 Pregledano
-
Zadnji post napisao katicbranko
26 Jan 2011, 22:39
-
-
-
JVC C210ME CHASSIS BX Problem slika [ODUSTAO]
napisao Goran_V » 18 Mar 2012, 19:41 » u Servisiranje CRT Televizora - 6 Odgovori
- 1366 Pregledano
-
Zadnji post napisao toce
19 Mar 2012, 01:00
-
-
-
SONY KV29SE10K BX1L CHASSIS PET PUTA BLINKA CRVENA (ODUSTAO)
napisao Branko_Bird » 03 Okt 2011, 16:51 » u Servisiranje CRT Televizora - 9 Odgovori
- 2632 Pregledano
-
Zadnji post napisao Branko_Bird
05 Okt 2011, 15:52
-
-
-
Sony KV-29FX30E blinka dva puta lampica (odustao)
napisao Gundolf1 » 29 Jun 2020, 00:50 » u Servisiranje CRT Televizora - 13 Odgovori
- 5062 Pregledano
-
Zadnji post napisao Gundolf1
15 Jul 2020, 00:07
-
-
-
Vivax 2106NF dioda za B+ RESENO
napisao IvicaVS » 03 Jun 2011, 18:55 » u Servisiranje CRT Televizora - 6 Odgovori
- 1207 Pregledano
-
Zadnji post napisao IvicaVS
03 Jun 2011, 23:30
-
-
-
Beko sasija 12.1 dioda RB4410-40 [REŠENO]
napisao ljube » 23 Sep 2011, 11:06 » u Servisiranje CRT Televizora - 8 Odgovori
- 1656 Pregledano
-
Zadnji post napisao ljube
26 Sep 2011, 07:28
-
-
-
Philips 29PT8606/12 Ukljucuje zastitu i blinka led *RESENO*
napisao stojkePN » 26 Feb 2010, 15:05 » u Servisiranje CRT Televizora - 9 Odgovori
- 2858 Pregledano
-
Zadnji post napisao Majstor Duja
20 Mar 2014, 10:41
-
-
-
TV JVC AV28GS1E Chassis MXI - Gasi se (RESENO)
napisao mancic » 31 Mar 2008, 14:46 » u Servisiranje CRT Televizora - 10 Odgovori
- 1498 Pregledano
-
Zadnji post napisao Majstor Duja
03 Apr 2008, 19:55
-

