TV TEVION MD7110VTSA Chassis TV17XL - Ne startuje (ODUSTAO)
Pravila foruma
Naslov teme treba da bude u formatu: PROIZVOĐAČ, MODEL, KRATAK OPIS KVARA
Nakon rešenog kvara zatvoriti temu >> >UPUTSTVO< u suprotnom ništa ne činiti.
HOME -- SERVISERI -- DALJINSKI -- RAZNA UPUTSTVA
Naslov teme treba da bude u formatu: PROIZVOĐAČ, MODEL, KRATAK OPIS KVARA
Nakon rešenog kvara zatvoriti temu >> >UPUTSTVO< u suprotnom ništa ne činiti.
HOME -- SERVISERI -- DALJINSKI -- RAZNA UPUTSTVA
- filka
- gx

- Postovi: 1986
- Pridružen: 13 Avg 2006, 10:38
- Location: Kavadarci Makedonija
- Warranty service: Fuego Grundig LG Beko Samsung
- Specialty: tv
Re: TV TEVION MD7110VTSA Chassis TV17XL - Nece da startuje
To je 100HZ sasija i za probu mozes da stavis BU2527 i ako radi onda mozis da trazis original....
-će izginemo ki Mančester
- milan
- Preminuo
- Postovi: 4426
- Pridružen: 19 Avg 2006, 22:38
- Location: Novi Sad
- Specialty: tv-multimedia
Re: TV TEVION MD7110VTSA Chassis TV17XL - Nece da startuje
Evo ti sema mreze.Napon za HIS je 145v.Poslusaj savete kolega da sredis prvo mrezu da dobro radi,
sa opterecenjem ili bez.Pa tek onda TV pustis u rad.Savetovali su te da zamenis sve elektrolitske kondenzatore u
primaru i sekundaru da bi obezbedio stabilnos u radu.Mrezni elko ako ima 300v nemoras menjati.
sa opterecenjem ili bez.Pa tek onda TV pustis u rad.Savetovali su te da zamenis sve elektrolitske kondenzatore u
primaru i sekundaru da bi obezbedio stabilnos u radu.Mrezni elko ako ima 300v nemoras menjati.
- Prilog
-
Schneider sch TV17.pdf- Sema mreze
- (107.2 KiB) Preuzeto 173 puta.
- Ribery
- gx

- Postovi: 665
- Pridružen: 28 Okt 2008, 20:21
- Location: Beograd
- Contact person: Darko
- Specialty: tv-multimedia
- Lokacija: Beograd-Zvezdara
- Kontakt:
Re: TV TEVION MD7110VTSA Chassis TV17XL - Nece da startuje
Kolega HVALA TI PUNO za semu mreze, to je ta mreza ali imam sve napone u mrezi. Mislim da me sada muci BU tranzistor ali neznam koji da stavim. Stavljao sam S2055, BU508a S2000 i nista se nedesava jer neznam koji je pravi. Prvi BU koji je bio imao je oznaku C5129 ali mi je jedan majstor rekao da to nije pravi tranzistor. VISE NI JA NEZNAM KOJI JE PRAVI???milan je napisao:Evo ti sema mreze.Napon za HIS je 145v.Poslusaj savete kolega da sredis prvo mrezu da dobro radi,
sa opterecenjem ili bez.Pa tek onda TV pustis u rad.Savetovali su te da zamenis sve elektrolitske kondenzatore u
primaru i sekundaru da bi obezbedio stabilnos u radu.Mrezni elko ako ima 300v nemoras menjati.
Posao TV servisera moras da volis da bi radio takav posao. Ovaj posao niko ne uci samo zbog novca.
- Stolle
- Preminuo
- Postovi: 19098
- Pridružen: 12 Avg 2006, 23:35
- Location: Srbija
- Specialty: tv-multimedia
- Lokacija: Dimitrovgrad
Re: TV TEVION MD7110VTSA Chassis TV17XL - Nece da startuje
Filka ti je napisao kako da uradiš.Ti tranzistori nisu retki i lako ćeš ih naći.Od tvojih ni jedan ne može.
C5129 je dobar.
C5129 je dobar.
"29 poslednjih dana u mesecu je najteže"
Re: TV TEVION MD7110VTSA Chassis TV17XL - Nece da startuje
Mozda ti ovo pomogne
- Prilog
-
2SC5129.rar- pogledaj sam
- (160.86 KiB) Preuzeto 143 puta.
Sigurno mu pregoreo neki otpornik
- krllebg
- ___

- Postovi: 1719
- Pridružen: 27 Avg 2006, 19:45
- Location: Beograd
- Warranty service: DeGermany
- Specialty: tv
- Lokacija: Beograd
- Kontakt:
Re: TV TEVION MD7110VTSA Chassis TV17XL - Nece da startuje
Pravo da ti kazem - divim se tvojoj hrabrosti ! Od tog aparata beze mnogo majstori koji imaju 10-tak godina iskustva u popravkama.Mislim da bi trebalo da postavis neke granice,u odnosu na svoje znanje.Neuzimaj da radis sasije sa digi boxom,greske ce biti placene iz tvog dzepa ... predlog,ti kako hoces.
Prosle nove godine,radio sam i tu nesrecnu nedelju,i dodje mi Schneider.Razmisljao da li da ga radim,ocu-necu i uzmem.
Taj mi je televizor izasao na nos.Stranka dosadna,kvar zajeban.Nervirao me ceo dan.Uradim nekako,izdam tv i sutra naravno on zove i kune me,reklamacija,nema tv za novu god.Preselo i njemu i meni ... Od tada SCHENIDER nema sta da trazi u mojoj radnji,makar samo osigurac bio neispravan.NEPRIMAM Schneider.Kad vidim SMD eprom,odmah ga se setim !
Kao nocna mora !!!
Prosle nove godine,radio sam i tu nesrecnu nedelju,i dodje mi Schneider.Razmisljao da li da ga radim,ocu-necu i uzmem.
Taj mi je televizor izasao na nos.Stranka dosadna,kvar zajeban.Nervirao me ceo dan.Uradim nekako,izdam tv i sutra naravno on zove i kune me,reklamacija,nema tv za novu god.Preselo i njemu i meni ... Od tada SCHENIDER nema sta da trazi u mojoj radnji,makar samo osigurac bio neispravan.NEPRIMAM Schneider.Kad vidim SMD eprom,odmah ga se setim !
Kao nocna mora !!!
... Here lies a man whom is little known !!!
- Ribery
- gx

- Postovi: 665
- Pridružen: 28 Okt 2008, 20:21
- Location: Beograd
- Contact person: Darko
- Specialty: tv-multimedia
- Lokacija: Beograd-Zvezdara
- Kontakt:
Re: TV TEVION MD7110VTSA Chassis TV17XL - Nece da startuje
Slazem se sa tobom ali isla je nova godina i trebale su mi pareOd tog aparata beze mnogo majstori koji imaju 10-tak godina iskustva u popravkama.Mislim da bi trebalo da postavis neke granice,u odnosu na svoje znanje.Neuzimaj da radis sasije sa digi boxom,greske ce biti placene iz tvog dzepa ...
@Ribery : vodi racuna kako citiras jer u suprotnom tvoji postovi nemaju smisla - Duja
Posao TV servisera moras da volis da bi radio takav posao. Ovaj posao niko ne uci samo zbog novca.
- krllebg
- ___

- Postovi: 1719
- Pridružen: 27 Avg 2006, 19:45
- Location: Beograd
- Warranty service: DeGermany
- Specialty: tv
- Lokacija: Beograd
- Kontakt:
Re: TV TEVION MD7110VTSA Chassis TV17XL - Nece da startuje
da,uvek nesto naidje ... ovo ipak moze da ti bude velika skola za ubuduce.razmisli ...
... Here lies a man whom is little known !!!
- munja
- _

- Postovi: 102
- Pridružen: 02 Sep 2006, 01:40
- Location: Zemun
- Contact person: Sasa
- Phone number: +381112617401
- Specialty: tv-multimedia
- Lokacija: Zemun
Re: TV TEVION MD7110VTSA Chassis TV17XL - Nece da startuje
Kolega nas mladi,Krlle je potpuno u pravu,to su zajebani televizori koji zahtevaju dosta iskustva i ne retko je opravka jako skupa,pre izvesnog vremena sam imao slican kvar na takvom TV,i proradio je posle zamene DIGI-BOXa,koji mi je pozajmio Zoki iz Modula da probam da pokrenem TV,koji nije hteo da startuje sa visokim naponom.Zamenio sam ceo BOX i on je proradio,ali sam pre toga DOBRO pretresao mrezu i horizontalu,znaci elemenat po elemenat kod tako zeznutih kvarova.Mislim da ti taj novi BU nece resiti problem
- Ribery
- gx

- Postovi: 665
- Pridružen: 28 Okt 2008, 20:21
- Location: Beograd
- Contact person: Darko
- Specialty: tv-multimedia
- Lokacija: Beograd-Zvezdara
- Kontakt:
Re: TV TEVION MD7110VTSA Chassis TV17XL - Nece da startuje
Sutra cu da probam sa tranzistorom BU2527dx a ako ni onda ne proradi vracam ga gazdi. Jako sam uporan i ne odustajem tako lako a s' obzirom koliko godina imam znam MNOGO vise nego svi moji vrsnjaci zajedno. Elektroniku OBOZAVAM i moj je cilj da budem jednog dana majstor broj 1 u Zrenjaninu a to cu i biti jer sam uporan.
Posao TV servisera moras da volis da bi radio takav posao. Ovaj posao niko ne uci samo zbog novca.
- Majstor Duja
- Neaktivan
- Postovi: 3136
- Pridružen: 23 Avg 2006, 17:29
- Location: Novi Sad - centar
- Warranty service: http://www.elektrocentar.com
- Contact person: Goran Duic
- Specialty: tv-multimedia
Re: TV TEVION MD7110VTSA Chassis TV17XL - Nece da startuje
...za to ti ne treba niti znanje niti upornost nego obraz k'o djon i jak zeludac...moj je cilj da budem jednog dana majstor broj 1 u Zrenjaninu a to cu i biti jer sam uporan.
Rule #1 "Always stand for what you believe, even if it means standing alone."
- munja
- _

- Postovi: 102
- Pridružen: 02 Sep 2006, 01:40
- Location: Zemun
- Contact person: Sasa
- Phone number: +381112617401
- Specialty: tv-multimedia
- Lokacija: Zemun
Re: TV TEVION MD7110VTSA Chassis TV17XL - Nece da startuje
Za zeludac radi preventive moze da uzme sodu bikarbobu,a kasnije ce da je miksuje sa Ranisanom i Bensedinom,kad bude resavao TV 3 dana pa nocu pocne da mu se "javlja"moguci kvar.Ustajanje u 4 ujutro odlazak u radionicu i proba one mogucnosti koja mu se u snu javila.E,moj momcino koliko treba ....da pojedes i da se izmazes da bi postao kako ti kazes PRVI.A pitanje je da li je to sve pametno a kasnije i isplativo.I zapamti u ovom poslu NIKAD KRAJA ucenje.
- Liskun Elektronik
- gx

- Postovi: 1608
- Pridružen: 13 Avg 2006, 10:37
- Location: Srbija
- Warranty service: ERG-VOX
- Specialty: tv-multimedia
- Lokacija: Stara Pazova
Re: TV TEVION MD7110VTSA Chassis TV17XL - Nece da startuje
Da od tog TV-a definitivno treba bezati,jer je sr...nje veliko,dok radi radi ali kad krene da crkava onda nema kraja,kao sto Krlle rece taj tv ni kod mene u radnju neulazi vise.
Mora da se zna ko namesta antenu, a ko vice ne valja :)
- Ribery
- gx

- Postovi: 665
- Pridružen: 28 Okt 2008, 20:21
- Location: Beograd
- Contact person: Darko
- Specialty: tv-multimedia
- Lokacija: Beograd-Zvezdara
- Kontakt:
Re: TV TEVION MD7110VTSA Chassis TV17XL - Nece da startuje
Stavio sam novi BU2527dx i sada mi TV sam startuje, pa se sam ugasi i vrati se u stand-bye pa se opet sam startuje pa se opet ugasi i tako stalno.................
Posao TV servisera moras da volis da bi radio takav posao. Ovaj posao niko ne uci samo zbog novca.
- Liskun Elektronik
- gx

- Postovi: 1608
- Pridružen: 13 Avg 2006, 10:37
- Location: Srbija
- Warranty service: ERG-VOX
- Specialty: tv-multimedia
- Lokacija: Stara Pazova
Re: TV TEVION MD7110VTSA Chassis TV17XL - Nece da startuje
Ima tu jos dosta elemenata oko BU-a,koje bi trebalo zameniti,iako pokazuju da su dobri,ali ovo je javni deo...Nego sta htedoh reci,najgora stvar u svemu tome je sto iako ga popravis i on lepo radi dan dva ti ga testiras i sav kao srecan e ala sam ga opravio,vrnes ga musteriji i naravno lepo naplatis posle sve te zajebancije,kad posle par dana vidis njegov broj na mobilnom e tu onda pocinje ono sa zelucem i sodom bikarbonom sto je neko spominjao.Ali posto verujem da si zadrt i uporan kao i mi svi ovde koji se profesionalno bavimo ovim poslom tj.zivimo od tog posla,onda i znam da ces se dozvati pameti tek posle par takvih Schneidera koji ce ti pokidati zivce i onda ces jednom reci e sad mi je dosta
.Iskreno ti zelim da ga popravis i da ti se nevrati u skorije vreme tj.bolje nikad vise 
Mora da se zna ko namesta antenu, a ko vice ne valja :)
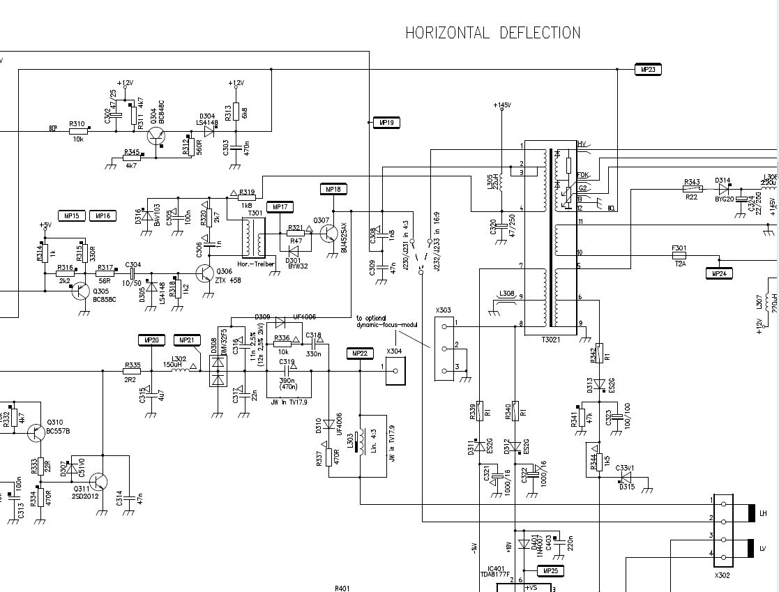
Re: TV TEVION MD7110VTSA Chassis TV17XL - Nece da startuje
E ovako mladi kolega.Tv nemoj vracati jer si se na njemu dosta namucio i potrebno je jos samo
narednu gresku otkloniti.Naime radi se kako su vec kolege i adm.napomenuli o tv Sshneider 17.1
100hz i u HIS nemozes bilo sto ugradjivati najbolje orginal tran BU4525ax a ukoliko je model
17.3 ekran 80cmm onda tr 2SC5129.Ukoliko nemas orginal ugradi provjereni 2SC5331.Svi slabiji
tranzistori griju i otkazuju u radu nakon odredjenog perioda. Obzirom da si mrezu doveo u
ispravno stanje sada zamijeni IC uvertikalnom stepenu TDA8177F. Ukoliko nemas moze tu i STV9379F
ili FA nije bitno.Prethodno oko vertikale provjeri otpore 0,22ohma i diode UF4006 a koji su ti
upisani pod R339 R340 R342 D311 D312 D313. Ukoliko je ispravan split trafo HR8196 tv bi trebnormalno proraditi.
I u znak podrske ohrabrujem te nemoj se plasiti ovihtv novije generacije,digitala-feature box koistih veoma
rijetko odlazi. Lijep pozdrav
narednu gresku otkloniti.Naime radi se kako su vec kolege i adm.napomenuli o tv Sshneider 17.1
100hz i u HIS nemozes bilo sto ugradjivati najbolje orginal tran BU4525ax a ukoliko je model
17.3 ekran 80cmm onda tr 2SC5129.Ukoliko nemas orginal ugradi provjereni 2SC5331.Svi slabiji
tranzistori griju i otkazuju u radu nakon odredjenog perioda. Obzirom da si mrezu doveo u
ispravno stanje sada zamijeni IC uvertikalnom stepenu TDA8177F. Ukoliko nemas moze tu i STV9379F
ili FA nije bitno.Prethodno oko vertikale provjeri otpore 0,22ohma i diode UF4006 a koji su ti
upisani pod R339 R340 R342 D311 D312 D313. Ukoliko je ispravan split trafo HR8196 tv bi trebnormalno proraditi.
I u znak podrske ohrabrujem te nemoj se plasiti ovihtv novije generacije,digitala-feature box koistih veoma
rijetko odlazi. Lijep pozdrav
-
Palme
- ___

- Postovi: 378
- Pridružen: 25 Jun 2007, 20:32
- Location: Sweden
- Contact person: Damir
- Phone number: 0046 31 811238
- Specialty: tv-multimedia
Re: TV TEVION MD7110VTSA Chassis TV17XL - Nece da startuje
Samo naprijed,,ako zelis biti super u ovom nasem poslu,,nema razloga se "bojati"popravljati a ja uvijek podrzavam mlade ljude koji su zakoracili(makar tek odskrinuli vrata) u ovaj nas svijet servisiranja.Na koncu sa nostalgijom se sjetim sebe,,i sretan sam sto su me starije kolege puno toga naucile.Trudi se,korektno radi i bit ces mozda broj jedan sto se servisiranja tice.Imas moju podrsku,,tu na forumu.

Usput,,kolega Nusret je u postu prije mog odlicno opisao problem te vjerujem da ce ti pomoci.
Usput,,kolega Nusret je u postu prije mog odlicno opisao problem te vjerujem da ce ti pomoci.
- krllebg
- ___

- Postovi: 1719
- Pridružen: 27 Avg 2006, 19:45
- Location: Beograd
- Warranty service: DeGermany
- Specialty: tv
- Lokacija: Beograd
- Kontakt:
Re: TV TEVION MD7110VTSA Chassis TV17XL - Nece da startuje
s obzirom koliko se servisa zatvorilo i svakim danom ih je sve manje ,vrlo brzo ces biti BR.1 ... a mozda i jedini.
U svakom slucaju,na ovom forumu ces naci pomoc za sve sto ti bude trebalo (u okviru pravila foruma).
U svakom slucaju,na ovom forumu ces naci pomoc za sve sto ti bude trebalo (u okviru pravila foruma).
... Here lies a man whom is little known !!!
- chellawy
- gx

- Postovi: 3186
- Pridružen: 12 Avg 2006, 22:25
- Location: Bačka Palanka
- Contact person: SIX
- Specialty: tv
Re: TV TEVION MD7110VTSA Chassis TV17XL - Nece da startuje
@krlle
od sad sve schneider TV salji kod mene
, i sam imam jedan DTV3 i ne dam ga ni za koje pare.
A sto se tice zivacaa tusi u pravu, treba puno kila ..
ali retko da ikada izadje iz mog servisa a da ga nisam resio. Eventulano ako musterija odustane zbog cene...
Volim schneider sasije ...
Tako je u ovom poslu .... nekome vise lezi ovo , nekom nesto drugo.... ima i za to logickih objasnjenja ali dane duzim ....
od sad sve schneider TV salji kod mene
A sto se tice zivacaa tusi u pravu, treba puno kila ..
ali retko da ikada izadje iz mog servisa a da ga nisam resio. Eventulano ako musterija odustane zbog cene...
Volim schneider sasije ...
Tako je u ovom poslu .... nekome vise lezi ovo , nekom nesto drugo.... ima i za to logickih objasnjenja ali dane duzim ....
Kompletna ponuda rezervnih delova koja će biti veoma ažurirana u narednih dve ,dve i po godine :)
https://www.kupindo.com/Clan/chellawy/SpisakPredmeta
https://www.kupindo.com/Clan/chellawy/SpisakPredmeta
-
- Slične teme
- Odgovori
- Pregledano
- Zadnji post
-
-
Tevion MD21028-S BEKO 22.1ME chassis
napisao milans01 » 30 Sep 2009, 19:02 » u Servisiranje CRT Televizora - 15 Odgovori
- 1785 Pregledano
-
Zadnji post napisao Stolle
03 Okt 2009, 10:53
-
-
-
BEKO NR21T44 E1 chassis STARTUJE I UGASI SE (odustao)
napisao katicbranko » 28 Apr 2011, 21:39 » u Servisiranje CRT Televizora - 7 Odgovori
- 2246 Pregledano
-
Zadnji post napisao bogoljub
26 Jun 2013, 13:17
-
-
-
Vivax TV2909 , Ne startuje..ODUSTAO
napisao milans01 » 24 Feb 2012, 08:36 » u Servisiranje CRT Televizora - 23 Odgovori
- 3329 Pregledano
-
Zadnji post napisao milans01
06 Mar 2012, 09:05
-
-
-
TV Panasonic TX32PS11D ne startuje (ODUSTAO)
napisao Ribery » 08 Jul 2013, 11:35 » u Servisiranje CRT Televizora - 8 Odgovori
- 1369 Pregledano
-
Zadnji post napisao Ribery
08 Jul 2013, 21:56
-
-
-
Silva Schneider PT92 - startuje pa se vratu u stby-ODUSTAO
napisao majstorr » 19 Avg 2013, 00:36 » u Servisiranje CRT Televizora - 11 Odgovori
- 1973 Pregledano
-
Zadnji post napisao Ribery
21 Avg 2013, 17:05
-
-
-
Kopernikus 21C99/EX1A2 ne startuje ODUSTAO
napisao Ribery » 24 Feb 2014, 16:03 » u Servisiranje CRT Televizora - 3 Odgovori
- 1521 Pregledano
-
Zadnji post napisao Ribery
27 Feb 2014, 00:21
-
-
-
Vivax TV2901SF Nece da startuje VN *ODUSTAO*
napisao stojkePN » 18 Jun 2015, 01:27 » u Servisiranje CRT Televizora - 15 Odgovori
- 3970 Pregledano
-
Zadnji post napisao zar099
03 Jul 2015, 15:51
-
-
-
VOX J2133 tesko startuje ODUSTAO
napisao Ribery » 02 svi 2016, 11:11 » u Servisiranje CRT Televizora - 12 Odgovori
- 3414 Pregledano
-
Zadnji post napisao Ribery
06 svi 2016, 08:11
-
