Stranica: 1/1.

TV GOLDSTAR CF14A80B MC41B Potrebna šema RIJEŠENO

Napisan post: 30 Nov 2010, 10:14
napisao vehidc
FIRMA: GOLDSTAR
MODEL: CF14A80B
CHASSIS(oznaka šasije): MC41B
PCB(oznake na štampanoj ploči): MC-41B-111-M72B
MCU(procesor): GS843403A (GS8434-03A)
EEPROM: 24C02
VERTIKALA: TA8445
AUDIO: TDA2006
VIDEO: TA8690AN
SMPS (mreža):
FBT (vn trafo): 154064P (154-064P)
TUNER: 113118F (113-118F)
KVAR: STRADAO APARAT OD GRMLJAVINE
OPIS KVARA: Dosta elemenata se raspalo od udara grmljavine u mreži, tako da bez šeme nemogu ni pokušati da pravim. Izgled je kao STRS5707 u mreži ali nisam siguran. Ako neko ima šemu dobro bi došla da pokušam ako nebude stradao i procesor.

Re: GOLDSTAR CF-14A80B POTREBNA ŠEMA

Napisan post: 30 Nov 2010, 12:04
napisao dzafer
ukucas ovako broj shassije i dobices ako je u javnom dijelu foruma
pretrazivanje.jpg
pretrazivanje.jpg (3.99 KiB) Pregledano 1234 puta.
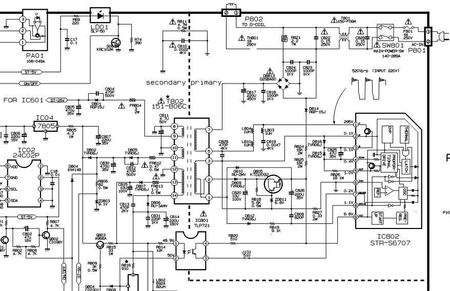
a posto nije u javnom dijlu evo ti mrezni stepen
mc41b.jpg

Re: TV GOLDSTAR CF14A80B MC41B Potrebna šema

Napisan post: 30 Nov 2010, 14:08
napisao toce

Re: TV GOLDSTAR CF14A80B MC41B Potrebna šema

Napisan post: 13 Dec 2010, 17:20
napisao vehidc
Hvala kolegama na pomoći, nisam imao svih dijelova za mrežu. Sad sam dobio, poredao sve imam st. ali mi neradi oscilator. Naponi na sekundaru su mi prema šemi svi umanjeni, B+ 80V , ovaj drugi na šemi 25V ja imam 17V. Malo mi je gužva pa ću još pogledati.

Re: TV GOLDSTAR CF14A80B MC41B Potrebna šema

Napisan post: 13 Dec 2010, 20:06
napisao spagagz
Provjeri stabilizaciju mreze.

Re: TV GOLDSTAR CF14A80B MC41B Potrebna šema

Napisan post: 17 Dec 2010, 11:12
napisao vehidc
Riješio sam problem, neispravan je bio tranzistor Q804 kao i dioda ZD803, sad sve radi. Hvala svima na pomoći.