BESTWELL 2116 CYPH9381DV potrebna sema RESENO
Pravila foruma
Naslov teme treba da bude u formatu: PROIZVOĐAČ, MODEL, KRATAK OPIS KVARA
Nakon rešenog kvara zatvoriti temu >> >UPUTSTVO< u suprotnom ništa ne činiti.
HOME -- SERVISERI -- DALJINSKI -- RAZNA UPUTSTVA
Naslov teme treba da bude u formatu: PROIZVOĐAČ, MODEL, KRATAK OPIS KVARA
Nakon rešenog kvara zatvoriti temu >> >UPUTSTVO< u suprotnom ništa ne činiti.
HOME -- SERVISERI -- DALJINSKI -- RAZNA UPUTSTVA
BESTWELL 2116 CYPH9381DV potrebna sema RESENO
FIRMA: bestwell
MODEL: 2116
CHASSIS(oznaka šasije): cy ph9381dv ver1.1
PCB(oznake na štampanoj ploči):
MCU(procesor): ntda9351c315dg
EEPROM: 24co8a
VERTIKALA: la7804on
AUDIO: an17821
VIDEO:
SMPS (mreža):
FBT (vn trafo):
TUNER: 2k70127cr
KVAR:
OPIS KVARA:potrebna mi je sema, problem u rgb-u izlaznom delu od grejanja plocica se ugljenisala kao i delovi - unapred hvala.
MODEL: 2116
CHASSIS(oznaka šasije): cy ph9381dv ver1.1
PCB(oznake na štampanoj ploči):
MCU(procesor): ntda9351c315dg
EEPROM: 24co8a
VERTIKALA: la7804on
AUDIO: an17821
VIDEO:
SMPS (mreža):
FBT (vn trafo):
TUNER: 2k70127cr
KVAR:
OPIS KVARA:potrebna mi je sema, problem u rgb-u izlaznom delu od grejanja plocica se ugljenisala kao i delovi - unapred hvala.
Zadnja izmena: nesko62, dana 08 svi 2011, 12:07, ukupno menjano 1 put.
Re: TV BESTWELL model cy-ph9381dv potrebna sema
10 dana trazim ovu semu i nemogu da je nadjem, Pomagajte?
- tom
- gxu
- Postovi: 2297
- Pridružen: 23 Apr 2007, 20:01
- Location: Strumica
- Contact person: TOME
- Specialty: tv
- Lokacija: Makedonija
Re: TV BESTWELL model cy-ph9381dv potrebna sema
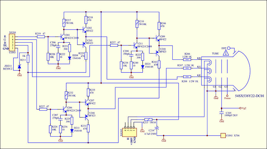
Pošto nisi napisao pozicije elemenata koje tražiš evo jedna pretpostavljena šema koja možda ti pomogne...
TOME
Re: TV BESTWELL model cy-ph9381dv potrebna sema
videcu sa ovoj semi, kod mene je sa dva tranzistora po topu a elementi nisam mogo da procitam zato sto se ta plocica ugljenisala
- Stolle
- Preminuo
- Postovi: 19098
- Pridružen: 12 Avg 2006, 23:35
- Location: Srbija
- Specialty: tv-multimedia
- Lokacija: Dimitrovgrad
Re: TV BESTWELL model cy-ph9381dv potrebna sema
Onda napiši pozicije tranzistora ako se vide, stavi sliku ako možeš.
Ajde vidi i ovu:
Ajde vidi i ovu:
"29 poslednjih dana u mesecu je najteže"
Re: TV BESTWELL model cy-ph9381dv potrebna sema
Pogledaj i ovu semu mozda pase RGB..http://www.eserviceinfo.com/downloadsm/ ... hina_.html
TOCE
Re: TV BESTWELL model cy-ph9381dv potrebna sema
sinoc mi je stigo isti takav tv, skinuo plocicu i napravio novu, jeste bilo je malo tesko i dok sam je razvio i izbusio i nabacao deleove nove, tranzistori su bili bf422 i bf423 oni su u izlaznom delu po jednom topu, trazio sam semu jer se plocica prosto ugljenisala a delovi izgoreli i da sam znao koji su nije postojalo gde da ih zalemim ili da vise u vazduh,razlog je bio nigde kalaja? ipak resenje je bilo nova plocica i novi delovi, hvala toceju,stoletu i tome, Pozdrav
Re: TV BESTWELL model cy-ph9381dv potrebna sema RESENO
Jel mozes da slikas plocicu da vidim kako si je odradio posto imam i ja jedan isti treba i ja da odradim jednu plocicu. 

TOCE
Re: TV BESTWELL model cy-ph9381dv potrebna sema
http://forum.eshop.bg/attach/download.php?fileid=340617Stolle je napisao:.. napišipozicije
tranzistora ...

da pijemo zajedno 

Re: BESTWELL 2116 CYPH9381DV potrebna sema RESENO
Da ne otvaram novu temu zamolio bi vas ako neko ima semu za sasiju CY-PH9381DV-VER1.1,TV FUEGO FE-21CSM5D ?Hvala unaprijed pozzz...
- alexa_pg
- Site Admin
- Postovi: 6029
- Pridružen: 22 Avg 2006, 08:10
- Location: Podgorica
- Specialty: tv-multimedia
Re: BESTWELL 2116 CYPH9381DV potrebna sema RESENO
Za TV TV FUEGO FE-21CSM5D semu imas na http://elektrotanya.com/magnum_ctv-2120 ... nload.html
Da li idgovara ili ne, provjeri.
PS. Ako mislis da diskutujes o kvaru koji imas na tom TV-u otvorices novu temu. Ova je zavrsena prije 4 godine.
Da li idgovara ili ne, provjeri.
PS. Ako mislis da diskutujes o kvaru koji imas na tom TV-u otvorices novu temu. Ova je zavrsena prije 4 godine.
"I ja volim ljude ali ih sve manje podnosim"
Re: BESTWELL 2116 CYPH9381DV potrebna sema RESENO
Hvala, Alexa puno ako bude potrebno otvoricu novu temu... 
Jos jedan RJESEN uspjesno sa istim kvarovima vise je bilo ovakvih televizora posljednjih godina C436 keramicki eksplodirao sav ugljenisan 680 pF 2KV,elektrolit C558 puko,zamjenjeni poslje TV proradio i ono tipicno za ovu sasiju tranzistori za boje BF432 i BF 433 po dva komada za svaku boju ,jedan je BF432 bio u prekidu jedan PN spoj ostali izgledaju ispravni ali tek kad se svi zamjene uspostavi se balans boja,mislim da je ovde pozeljno da svi tranzistori PNP i NPN tipa budi isti -i od istog proizvodjaca i istog serijskog broja,ja ih skinem sve sa plocice nekog rashodovanog TV-a i dobije se stvarno savrsen sklad boja.Mozda nekom bude od pomoci ... pozzz

Jos jedan RJESEN uspjesno sa istim kvarovima vise je bilo ovakvih televizora posljednjih godina C436 keramicki eksplodirao sav ugljenisan 680 pF 2KV,elektrolit C558 puko,zamjenjeni poslje TV proradio i ono tipicno za ovu sasiju tranzistori za boje BF432 i BF 433 po dva komada za svaku boju ,jedan je BF432 bio u prekidu jedan PN spoj ostali izgledaju ispravni ali tek kad se svi zamjene uspostavi se balans boja,mislim da je ovde pozeljno da svi tranzistori PNP i NPN tipa budi isti -i od istog proizvodjaca i istog serijskog broja,ja ih skinem sve sa plocice nekog rashodovanog TV-a i dobije se stvarno savrsen sklad boja.Mozda nekom bude od pomoci ... pozzz
-
- Slične teme
- Odgovori
- Pregledano
- Zadnji post
-
-
BESTWELL KN2103 problem audio RESENO delimicno
napisao enis.tz » 30 Mar 2010, 17:05 » u Servisiranje CRT Televizora - 5 Odgovori
- 1020 Pregledano
-
Zadnji post napisao enis.tz
02 Apr 2010, 17:21
-
-
-
TV PANASONIC FX74 - Potrebna sema (RESENO)
napisao bucko » 20 Nov 2007, 20:19 » u Servisiranje CRT Televizora - 5 Odgovori
- 866 Pregledano
-
Zadnji post napisao bucko
21 Nov 2007, 16:45
-
-
-
TV ORION TV1470MTX Chassis TM8402A - Potrebna šema (RESENO)
napisao Boban » 28 Dec 2007, 19:47 » u Servisiranje CRT Televizora - 3 Odgovori
- 1279 Pregledano
-
Zadnji post napisao nikola
30 Dec 2007, 20:13
-
-
-
TV SAMSUNG CZ20F42T Chassis KS1A - Potrebna sema (RESENO)
napisao djtesla » 18 Jun 2008, 15:46 » u Servisiranje CRT Televizora - 1 Odgovori
- 1748 Pregledano
-
Zadnji post napisao nec
18 Jun 2008, 15:59
-
-
-
TV GRUNDIG MFW82710 Chassis CUC1931 - Potrebna sema (RESENO)
napisao slavko.e » 03 Jul 2008, 23:04 » u Servisiranje CRT Televizora - 4 Odgovori
- 872 Pregledano
-
Zadnji post napisao Palme
09 Jul 2008, 19:41
-
-
-
NEO 2166tX - POTREBNA SEMA (RESENO)
napisao kirka » 08 Avg 2009, 20:04 » u Servisiranje CRT Televizora - 7 Odgovori
- 2164 Pregledano
-
Zadnji post napisao kirka
16 Avg 2009, 21:42
-
-
-
NEO - TV2166TX-potrebna sema - problem mreza - reseno
napisao sveta » 18 Dec 2009, 18:29 » u Servisiranje CRT Televizora - 8 Odgovori
- 2486 Pregledano
-
Zadnji post napisao sveta
07 Jan 2010, 16:32
-
-
-
TV SAMSUNG CZ20H32T Potrebna sema problem HIS (RESENO)
napisao tihi » 11 svi 2010, 21:58 » u Servisiranje CRT Televizora - 5 Odgovori
- 1618 Pregledano
-
Zadnji post napisao tihi
14 svi 2010, 20:45
-