MODEL: tv85 sts
CHASSIS(oznaka šasije): E9
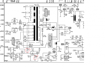
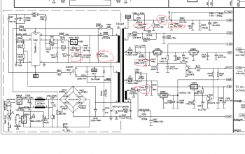
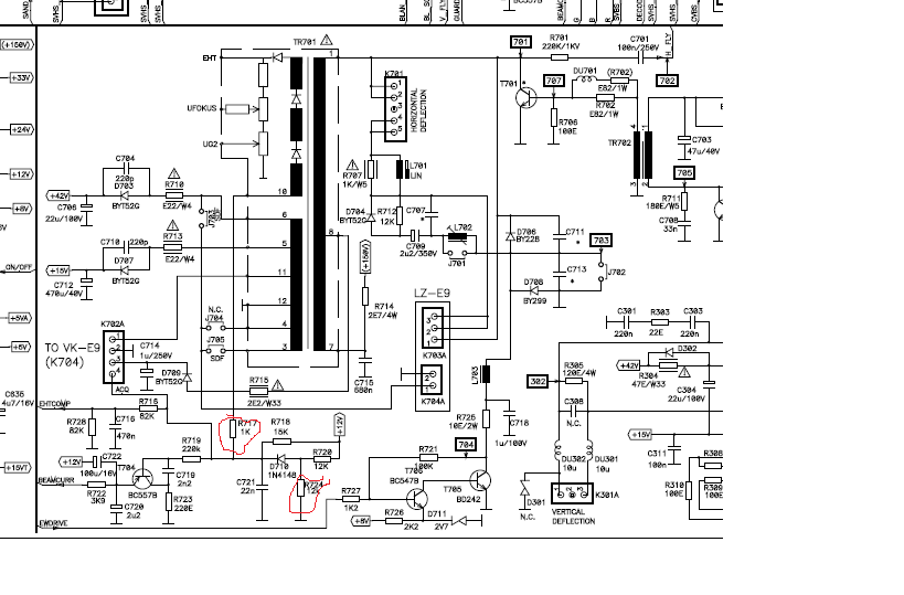
KVAR:nema stand-by
OPIS KVARA: u tv prvo pumpala mreza ,posle zamene elektorolita c606,c619,c626,c613,c614 , i pregorelih du601 ,r717,r724, tv se upalio sa veoma tamnom slikom ,osd je bio uredu to je trajalo par sekundi i ugasio se sada nema ni stand by samo na 12v snizen na 8v
svaka pomoc dobro dosla
