FIRMA: Kendo
MODEL: Ne znam,otpala naljepnica na poklopcu,skroz ravni ekran Thomson A68ELM021X121
CHASSIS: 11AK53-3 Vestel
SIMPTOMI:
TV se gasio nakon,sto bi skonto da nema slike,iako grijanje katodne radi,okreto dugme za svetlimu na VN pa skonto da nekad dobijem lijep komadic restera mozda jednu traku dobre horizontalno dobro rasirene,pa se opet ugasi ili blicne crta iznad donje polovine ekrana u trenutku kad se ugasi sam.
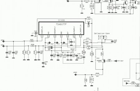
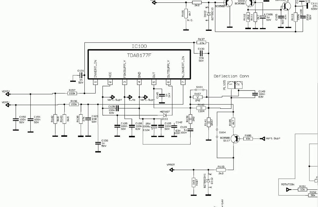
DETALJAN OPIS KVARA i PREDUZETE RADNJE:Sumnjam da moze bit do kola za vertikalu TDA8177F,jer bez kola dobijem ton i liniju horizontalnu po sred ekrana.Za TDA8177F nije isti kao TDA8177 po PDF-ovima prvi ima flyback supply drugi to nema.Sta mislite li probati sa STV9379FA,isti raspored pinova i ima FB Supply?Hvala unaprijed
