TV AIWA TVSE211EH - Problem vertikalna amplituda(odustao)
Pravila foruma
Naslov teme treba da bude u formatu: PROIZVOĐAČ, MODEL, KRATAK OPIS KVARA
Nakon rešenog kvara zatvoriti temu >> >UPUTSTVO< u suprotnom ništa ne činiti.
HOME -- SERVISERI -- DALJINSKI -- RAZNA UPUTSTVA
Naslov teme treba da bude u formatu: PROIZVOĐAČ, MODEL, KRATAK OPIS KVARA
Nakon rešenog kvara zatvoriti temu >> >UPUTSTVO< u suprotnom ništa ne činiti.
HOME -- SERVISERI -- DALJINSKI -- RAZNA UPUTSTVA
- nec
- Site Admin
- Postovi: 4849
- Pridružen: 17 Okt 2007, 22:15
- Location: Makedonija, Strumica
- Phone number: 0038978425778
- Specialty: tv-multimedia
- Kontakt:
TV AIWA TVSE211EH - Problem vertikalna amplituda(odustao)
shasija PWB TV-01 8Z-JB4-601-31
choper STR6707
FBT HTF3607(sanyo)
IC vert. LA7832
vid.proces. TB1240AN
ekran AIWA A51KPD12XX 93
tuner 115-B-8026EV(sanyo)
proces. TMP87CP38N
eeprom KS24C04
tr.HIS 2SD2333
imam problem sa vertikalnom amplitudom(slika je preklopljena pri vrhu) zamenio sam sve elkose u vertukali zamenjen je i IC LA7832 problem je ostao isti. ako neko zna nesto vise o vom prolemu neka pomogne HVALA
choper STR6707
FBT HTF3607(sanyo)
IC vert. LA7832
vid.proces. TB1240AN
ekran AIWA A51KPD12XX 93
tuner 115-B-8026EV(sanyo)
proces. TMP87CP38N
eeprom KS24C04
tr.HIS 2SD2333
imam problem sa vertikalnom amplitudom(slika je preklopljena pri vrhu) zamenio sam sve elkose u vertukali zamenjen je i IC LA7832 problem je ostao isti. ako neko zna nesto vise o vom prolemu neka pomogne HVALA
Zadnja izmena: nec, dana 24 Dec 2007, 13:03, ukupno menjano 1 put.
Kad zamenimo ideje svi imamo duplo vise ideja
- tv servis goranovic
- ___
- Postovi: 204
- Pridružen: 22 Avg 2007, 19:40
- Lokacija: Niksic
- Majstor Duja
- Neaktivan
- Postovi: 3136
- Pridružen: 23 Avg 2006, 17:29
- Location: Novi Sad - centar
- Warranty service: http://www.elektrocentar.com
- Contact person: Goran Duic
- Specialty: tv-multimedia
- nec
- Site Admin
- Postovi: 4849
- Pridružen: 17 Okt 2007, 22:15
- Location: Makedonija, Strumica
- Phone number: 0038978425778
- Specialty: tv-multimedia
- Kontakt:
napon na izlazu je 25V zamenio sam i otpornka i diodu koji se nalaze na tom stepenu problem je isti, menjao sam i TB1240AN posto sam imao neki problem i sa tonom to je sredzeno jedino nemam neki drugi dupm za ovaj model za probu(dump koji je upisam preuzet je sa interneta-nije orginalam)
Kad zamenimo ideje svi imamo duplo vise ideja
- SaleSk
- ___
- Postovi: 656
- Pridružen: 04 Nov 2006, 21:08
- Location: Skopje
- Warranty service: Siemens, Konica Minolta, Kodak, B Braun, Dade Behring, Johnson & Johnson, Drew, TerumoBCT
- Kontakt:
Probaj ovaj...
- Prilog
-
TVSE211K 24C04.rar
- (410 bajtova) Preuzeto 135 puta.
Dusevni bolesnik nikada ne napada bez razloga. U tome se razlikuje od normalnih ljudi.
- SaleSk
- ___
- Postovi: 656
- Pridružen: 04 Nov 2006, 21:08
- Location: Skopje
- Warranty service: Siemens, Konica Minolta, Kodak, B Braun, Dade Behring, Johnson & Johnson, Drew, TerumoBCT
- Kontakt:
proveri vrednost otpora oko vertikale....cesto to zna biti problem takve prirode...a nije lose i one sitne blokove da izmenjas....ima ih malo...samo ih promeni, nemoj da ih meris...
Po servisnom uputstvu koliko sam zapisao ovde vidim da treba da se promeni i Otpor R617.......Znaci kada se menja eprom onda se menja i ovaj R (390 K 1/4w) koj se nalazi iza visokonaponskog trafoa...
Po servisnom uputstvu koliko sam zapisao ovde vidim da treba da se promeni i Otpor R617.......Znaci kada se menja eprom onda se menja i ovaj R (390 K 1/4w) koj se nalazi iza visokonaponskog trafoa...
Dusevni bolesnik nikada ne napada bez razloga. U tome se razlikuje od normalnih ljudi.
- Majstor Duja
- Neaktivan
- Postovi: 3136
- Pridružen: 23 Avg 2006, 17:29
- Location: Novi Sad - centar
- Warranty service: http://www.elektrocentar.com
- Contact person: Goran Duic
- Specialty: tv-multimedia
Da li je 25V na 3. i 6. nozici? za ne bi trebao da bude na jednoj od njih (3.pin) oko od 35-50V kad vert. amp radi zbog voltage booster-a (pump-up stepen)...nec je napisao:napon na izlazu je 25V zamenio sam i otpornka i diodu koji se nalaze na tom stepenu problem je isti, menjao sam i TB1240AN posto sam imao neki problem i sa tonom to je sredzeno jedino nemam neki drugi dupm za ovaj model za probu(dump koji je upisam preuzet je sa interneta-nije orginalam)
Rule #1 "Always stand for what you believe, even if it means standing alone."
- nec
- Site Admin
- Postovi: 4849
- Pridružen: 17 Okt 2007, 22:15
- Location: Makedonija, Strumica
- Phone number: 0038978425778
- Specialty: tv-multimedia
- Kontakt:
zamenio sam i sve sitne kondenzatore i otpornik R617 problem je isti
naponi po nogama IC su
1.GND
2.17,9V
3.24,3V
4.0,6V
5.0,7V
6.24,1V
7.1,0V
isto da kazem da je probano i sa drugom otklonskom zavojnicom sve je isto, ako neko zna nesto sto nisam probao neka predlozi
naponi po nogama IC su
1.GND
2.17,9V
3.24,3V
4.0,6V
5.0,7V
6.24,1V
7.1,0V
isto da kazem da je probano i sa drugom otklonskom zavojnicom sve je isto, ako neko zna nesto sto nisam probao neka predlozi
Kad zamenimo ideje svi imamo duplo vise ideja
- tom
- gxu
- Postovi: 2297
- Pridružen: 23 Apr 2007, 20:01
- Location: Strumica
- Contact person: TOME
- Specialty: tv
- Lokacija: Makedonija
Re: TV AIWA TVSE211EH - Problem vertikalna amplituda
A da probaš drugi IC ......po mogućnosti sa ispravne šasijenec je napisao:... zamenjen je i IC LA7832.....

TOME
- milan
- Preminuo
- Postovi: 4426
- Pridružen: 19 Avg 2006, 22:38
- Location: Novi Sad
- Specialty: tv-multimedia
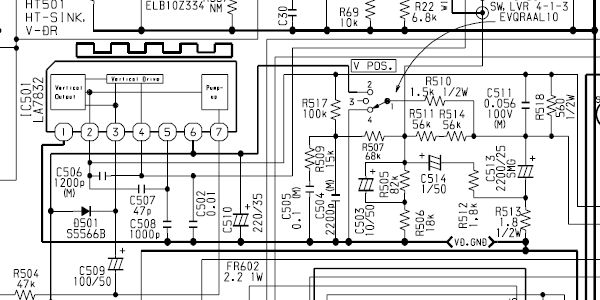
Ova sema se razlikuje od tvoje ali radi preglednosti je stavljam.
Da li si zamenuo bas sve elektrolite, iproverio otpornike koji ide prema
otklonskoj jedinici i prema masi sa otklonske.
Da li si zamenuo bas sve elektrolite, iproverio otpornike koji ide prema
otklonskoj jedinici i prema masi sa otklonske.
- Prilog
-
- Aiwa.jpg (52.51 KiB) Pregledano 2505 puta.
-
- Aiwa tv-se211 vertikala
- Aiwa se-211.jpg (60.21 KiB) Pregledano 2505 puta.
Imas ovde damp ali nije ti problem od dampa nego od vertikale ima neki elko zaboravio si da zamenis .
http://master-tv.com/proshivki/tv/Aiwa- ... -dump.html
http://master-tv.com/proshivki/tv/Aiwa- ... -dump.html
TOCE
- nec
- Site Admin
- Postovi: 4849
- Pridružen: 17 Okt 2007, 22:15
- Location: Makedonija, Strumica
- Phone number: 0038978425778
- Specialty: tv-multimedia
- Kontakt:
koliko sam mogao da vidim u tom stepenu su 6(sest) elkos-a i to
C513 2200uf
C514 1uf
C503 10uf
C510 220uf
C509 100uf
C610 1000uf
sto se tice IC-a mislim da ne moze novi da napravi tacno isti problem kao stari(mislim da se slazete sa mnon) to se desilo kod mene u 1 od 1000 slucajeva posredi je nesto sto nisam otkrio
C513 2200uf
C514 1uf
C503 10uf
C510 220uf
C509 100uf
C610 1000uf
sto se tice IC-a mislim da ne moze novi da napravi tacno isti problem kao stari(mislim da se slazete sa mnon) to se desilo kod mene u 1 od 1000 slucajeva posredi je nesto sto nisam otkrio
Kad zamenimo ideje svi imamo duplo vise ideja
-
- Slične teme
- Odgovori
- Pregledano
- Zadnji post
-
-
TV CROWN K25200 - Vertikalna linija (RESENO)
napisao Milorad » 20 Feb 2008, 20:31 » u Servisiranje CRT Televizora - 6 Odgovori
- 1318 Pregledano
-
Zadnji post napisao Milorad
21 Feb 2008, 19:37
-
-
-
TV SAMSUNG P2003 vertikalna sinhronizacija (Reseno)
napisao ljube » 09 Jan 2010, 12:22 » u Servisiranje CRT Televizora - 15 Odgovori
- 2248 Pregledano
-
Zadnji post napisao ljube
11 Jan 2010, 14:25
-
-
-
samsung CB389ZS P50 1 vertikalna [reseno]
napisao Djoko Hristovski » 25 Mar 2010, 14:15 » u Servisiranje CRT Televizora - 7 Odgovori
- 773 Pregledano
-
Zadnji post napisao Djoko Hristovski
26 Mar 2010, 13:01
-
-
-
Blaupunkt FM10047 Vertikalna sinhronizacija (RESHENO)
napisao cacko85 » 17 Dec 2010, 01:34 » u Servisiranje CRT Televizora - 5 Odgovori
- 942 Pregledano
-
Zadnji post napisao cacko85
17 Dec 2010, 17:22
-
-
- 9 Odgovori
- 1420 Pregledano
-
Zadnji post napisao klasi
04 Feb 2010, 13:10
-
- 10 Odgovori
- 1549 Pregledano
-
Zadnji post napisao DSsasa
08 Jun 2010, 12:51
-
-
TV AIWA AT215KH eksplodira STRS6707 (reseno)
napisao sacma » 30 Jun 2011, 18:17 » u Servisiranje CRT Televizora - 8 Odgovori
- 1093 Pregledano
-
Zadnji post napisao Stolle
01 Jul 2011, 17:33
-
-
-
AIWA TV215KE pregoreva mrezni osigurac RESENO
napisao perolujic » 07 Sep 2011, 13:13 » u Servisiranje CRT Televizora - 18 Odgovori
- 2129 Pregledano
-
Zadnji post napisao Majstor Duja
13 Sep 2011, 12:15
-