TV PHILIPS 14PV354/01 Chassis Epsilon - Nema svetla na ekran

problemi , kvarovi , sheme upload/download popravka CRT televizora
HOME -- SERVISERI -- EXPERT-TEAM -- DALJINSKI

Urednici: alexa_pg,KASA1

Pravila foruma
Naslov teme treba da bude u formatu: PROIZVOĐAČ, MODEL, KRATAK OPIS KVARA
Nakon rešenog kvara zatvoriti temu >> >UPUTSTVO< u suprotnom ništa ne činiti.

HOME -- SERVISERI -- DALJINSKI -- RAZNA UPUTSTVA
sharp666
_
_
Postovi: 30
Pridružen: 09 svi 2007, 13:51

TV PHILIPS 14PV354/01 Chassis Epsilon - Nema svetla na ekran

Post napisao sharp666 » 01 Avg 2008, 18:40

FIRMA:philips
MODEL:14pv354/01
CHASSIS:
PCB:
MCU:
EEPROM:24c08 smd :shock:
VERTIKALA: tda8356
AUDIO:
VIDEO:
SMPS:
FBT:
TUNER:
KVAR:ne startuje
OPIS KVARA:
pri ukljucenju u mrezni napon upali crvenu signalnu diodu.
Kada se startuje preko daljinskog dioda samo zatreperi.
Nekad se cuje da proradi visoki napon ali nema svetla na ekranu
Napon na colectoru his tranzistora bul310fp stabilnih 92v
Posto ovaj model ima i video ,normalno primi kasetu dovede je u ra dni polozaj.
Komandom na dugme play glava se zavrti ali se onda iskljuci
Crvena lampica i dalje svetli.
Na komande sa daljinskog odgovara samo treperenjem
Probano sa dampom -nista.
Semu imam al slabo pomaze .
Naponi mreze normalni po semi
Da li je neko mozda imao slican kvar .
Svaka pomoc dobro dosla.
procesor-tda9560ps/n1/3/0411

Palme
___
___
Postovi: 378
Pridružen: 25 Jun 2007, 20:32
Location: Sweden
Contact person: Damir
Phone number: 0046 31 811238
Specialty: tv-multimedia

Re: philips 14pv354/01

Post napisao Palme » 01 Avg 2008, 19:28

Dump nije problem i nemoj se time baviti.
Problem moze biti;
Dioda D6355(BZX 79-F33)
a ako nije ona onda je 99%
Tranzistor 7381(BC557)

U prilogu i slika sasije;
Prilog
14PV172_13.jpg

sharp666
_
_
Postovi: 30
Pridružen: 09 svi 2007, 13:51

Re: philips 14pv354/01

Post napisao sharp666 » 01 Avg 2008, 19:47

to je ta sasija idem odmah da vidim ijavljam rezultat

sharp666
_
_
Postovi: 30
Pridružen: 09 svi 2007, 13:51

Re: TV PHILIPS 14PV354/01 - Nema svetla na ekranu

Post napisao sharp666 » 03 Avg 2008, 12:05

Moja greska valjda sam sludjen.Tv je slican al izgleda da ima manje razlike .
Ta dioda 6355 je zenerica ali ja imam 33v-stabilne,provereno ispravna.
Ali ovaj tranzistor 7381-bc557 ja ne mogu da nadjem reci mi u kom je sklopu ako ti nije problem.

Avatar
milan
Preminuo
Postovi: 4426
Pridružen: 19 Avg 2006, 22:38
Location: Novi Sad
Specialty: tv-multimedia

Re: TV PHILIPS 14PV354/01 - Nema svetla na ekranu

Post napisao milan » 03 Avg 2008, 16:36

Taj deo je u ispravljacu za chassis Delta, mislim da je kod tebe chassis Epsilon.Koja je kod tebe?
Prilog
BC557C 7381.jpg

sharp666
_
_
Postovi: 30
Pridružen: 09 svi 2007, 13:51

Re: TV PHILIPS 14PV354/01 - Nema svetla na ekranu

Post napisao sharp666 » 03 Avg 2008, 17:01

evo seme za ovaj tv koji je kod mene
Prilog
phillips_epsilon-2001.zip
(735.72 KiB) Preuzeto 134 puta.

Avatar
Stolle
Preminuo
Postovi: 19098
Pridružen: 12 Avg 2006, 23:35
Location: Srbija
Specialty: tv-multimedia
Lokacija: Dimitrovgrad

Re: TV PHILIPS 14PV354/01 - Nema svetla na ekranu

Post napisao Stolle » 03 Avg 2008, 23:28

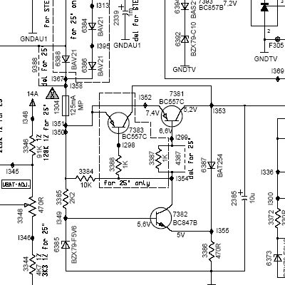
Kod Epsilon šasije je 7361:
Prilog
1.jpg
1.jpg (13.21 KiB) Pregledano 1619 puta.
"29 poslednjih dana u mesecu je najteže"

sharp666
_
_
Postovi: 30
Pridružen: 09 svi 2007, 13:51

Re: TV PHILIPS 14PV354/01 Chassis Epsilon - Nema svetla na ekran

Post napisao sharp666 » 06 Avg 2008, 21:28

nije do njega, probano -ludilo,naponi mreze normalni.
Nemam napajanje kola za vertikalu kad ga raskacim pojavi se.Al nije do kola.
Nekd se pri ukljucenju yacuje visoki al bez svetla.
Nema ni grjanja ekrana.
Naponi sve tri boje 140v
ne radi pal.
ma sve mi mirise na ovaj tda9560nasao sam njegove karakteristike ....pa sve je u njemu
Al se jos uvek nadam.

Avatar
rubin_miki
Preminuo
Postovi: 3382
Pridružen: 13 Avg 2006, 00:22
Location: Prilep Makedonija
Specialty: tv-multimedia
Kontakt:

Re: TV PHILIPS 14PV354/01 Chassis Epsilon - Nema svetla na ekran

Post napisao rubin_miki » 06 Avg 2008, 23:34

info ti je stvarno cudno.....
nemas visoki, zato i nemas grejanje a ni pal ne radi.....
ce da izadjem na televizor,a????
http://www.macedonium.org/makedonija.swf

Avatar
toce
gx
gx
Postovi: 2290
Pridružen: 25 Apr 2007, 22:41
Location: Makedonija

Re: TV PHILIPS 14PV354/01 Chassis Epsilon - Nema svetla na ekran

Post napisao toce » 07 Avg 2008, 04:54

A jesi li zamenio ic koje na semi pise TDA93XX ili cini mi se da je tako obelezeno 7200-C :?:
TOCE

Odgovori
  • Slične teme
    Odgovori
    Pregledano
    Zadnji post

Natrag na “Servisiranje CRT Televizora”