TV MASTER CTV2103 TXT Chassis 3Y11 - Problem ton(RESENO)
Pravila foruma
Naslov teme treba da bude u formatu: PROIZVOĐAČ, MODEL, KRATAK OPIS KVARA
Nakon rešenog kvara zatvoriti temu >> >UPUTSTVO< u suprotnom ništa ne činiti.
HOME -- SERVISERI -- DALJINSKI -- RAZNA UPUTSTVA
Naslov teme treba da bude u formatu: PROIZVOĐAČ, MODEL, KRATAK OPIS KVARA
Nakon rešenog kvara zatvoriti temu >> >UPUTSTVO< u suprotnom ništa ne činiti.
HOME -- SERVISERI -- DALJINSKI -- RAZNA UPUTSTVA
TV MASTER CTV2103 TXT Chassis 3Y11 - Problem ton(RESENO)
FIRMA: Master
MODEL: CTV-2103 TXT
CHASSIS(oznaka šasije): 3y11
PCB(oznake na štampanoj ploči):
MCU(procesor): LC863324
EEPROM: 24c04
VERTIKALA: LA7840
AUDIO: LA4285
VIDEO: LA76810
SMPS (mreža): STRG6653
FBT (vn trafo):
TUNER:
KVAR: Regulacija na ton
OPIS KVARA: Na prvo ukljucenje nema ton a kad menjas program na kratko dodje ton pa se odma gubi.Vizuelno video sam da je integralno kolo za skart CD4053 je izgoreno i dva otpornika od 75 omi okolu integralec .Promenio sam i integralno i otpornike ali tv isto se ponasa.Smenio sam i izlas za ton LA4285 i sad ton je na maksimumu i nema regulacije.Kad je tv bez signala( bez antena) Treba ton da je kao na mute ali Ton ima na maksimumu ( Susti kao na stare modele kad je na ekranu sneg).da napomenem da sam promenio i LA76810, eprom24c04, Elektoliti okolo tonskok stepena ali problem je isti.Molimo vas ako neko zna sta moze da bude ili sekakva pomoc je dobro dosla.Unapred fala i pozdrav.
MODEL: CTV-2103 TXT
CHASSIS(oznaka šasije): 3y11
PCB(oznake na štampanoj ploči):
MCU(procesor): LC863324
EEPROM: 24c04
VERTIKALA: LA7840
AUDIO: LA4285
VIDEO: LA76810
SMPS (mreža): STRG6653
FBT (vn trafo):
TUNER:
KVAR: Regulacija na ton
OPIS KVARA: Na prvo ukljucenje nema ton a kad menjas program na kratko dodje ton pa se odma gubi.Vizuelno video sam da je integralno kolo za skart CD4053 je izgoreno i dva otpornika od 75 omi okolu integralec .Promenio sam i integralno i otpornike ali tv isto se ponasa.Smenio sam i izlas za ton LA4285 i sad ton je na maksimumu i nema regulacije.Kad je tv bez signala( bez antena) Treba ton da je kao na mute ali Ton ima na maksimumu ( Susti kao na stare modele kad je na ekranu sneg).da napomenem da sam promenio i LA76810, eprom24c04, Elektoliti okolo tonskok stepena ali problem je isti.Molimo vas ako neko zna sta moze da bude ili sekakva pomoc je dobro dosla.Unapred fala i pozdrav.
Zadnja izmena: makedonec, dana 04 Dec 2008, 22:08, ukupno menjano 1 put.
makedon
- Stolle
- Preminuo
- Postovi: 19098
- Pridružen: 12 Avg 2006, 23:35
- Location: Srbija
- Specialty: tv-multimedia
- Lokacija: Dimitrovgrad
Re: TV MASTER CTV-2103 TXT Chassis 3Y11 - Problem ton
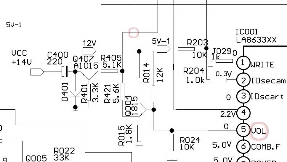
Proprati regulaciju od procesora:
"29 poslednjih dana u mesecu je najteže"
Re: TV MASTER CTV-2103 TXT Chassis 3Y11 - Problem ton
REGULACIJA NEMA-NA 5 OD PROCESORA IMA 5.1V NAMESTO 0V.
makedon
- mreza65
- _

- Postovi: 115
- Pridružen: 01 Okt 2008, 14:23
- Location: Prilep-Makedonija
- Contact person: Ljupco
- Specialty: tv
Re: TV MASTER CTV-2103 TXT Chassis 3Y11 - Problem ton
Jesi li promenio samo eeprom ili eeprom i damp zaedno?Ako nisi promenio damp obavezno promeni!!!!!!!!
"Nisu loša vremena, nego covek."
- Stolle
- Preminuo
- Postovi: 19098
- Pridružen: 12 Avg 2006, 23:35
- Location: Srbija
- Specialty: tv-multimedia
- Lokacija: Dimitrovgrad
Re: TV MASTER CTV2103 TXT Chassis 3Y11 - Problem ton
Mala slova!!! 
"29 poslednjih dana u mesecu je najteže"
- bogoslav
- gx

- Postovi: 996
- Pridružen: 10 Dec 2006, 01:41
- Location: Nikšić
- Phone number: 0038268000267
- Specialty: tv-multimedia
- Lokacija: niksic
Re: TV MASTER CTV2103 TXT Chassis 3Y11 - Problem ton(RESENO)
To je čest kvar kod ove šasije da zbog procesora nema tona.
-
- Slične teme
- Odgovori
- Pregledano
- Zadnji post
-
-
TV MASTER CTV2103 Chassis 3Y11 - Ekran (RESENO)
napisao Mlinko » 17 Dec 2008, 13:18 » u Servisiranje CRT Televizora - 8 Odgovori
- 1807 Pregledano
-
Zadnji post napisao toce
17 Dec 2008, 21:44
-
-
-
tv teletech ctv2140tx chassis 3y11 nema sliku i ton RESENO
napisao milivojsa » 05 Jul 2009, 15:40 » u Servisiranje CRT Televizora - 10 Odgovori
- 2627 Pregledano
-
Zadnji post napisao milivojsa
09 Jul 2009, 09:58
-
-
-
TV Philips 29PT8001 MG2.1 TXT problem RESENO
napisao Grubiz » 21 Feb 2011, 11:46 » u Servisiranje CRT Televizora - 3 Odgovori
- 874 Pregledano
-
Zadnji post napisao Grubiz
22 Feb 2011, 10:27
-
-
-
Quadro 55x10 txt-Problem vertikala [RESENO]
napisao chon-ji » 27 Avg 2015, 23:41 » u Servisiranje CRT Televizora - 13 Odgovori
- 4247 Pregledano
-
Zadnji post napisao tom
31 Avg 2015, 17:51
-
-
-
TV QUADRO CTV55S10 Chassis 3Y11 - Ne radi mreza( RESENO)
napisao kirka » 27 Mar 2008, 23:29 » u Servisiranje CRT Televizora - 23 Odgovori
- 5795 Pregledano
-
Zadnji post napisao kirka
03 Apr 2008, 15:12
-
-
- 11 Odgovori
- 2339 Pregledano
-
Zadnji post napisao krllebg
07 Jul 2010, 21:02
-
-
TV SEG CTV-21406 TXT/S Chassis 11AK30-A14, greje se BU808DFX
napisao SPARTACUS » 03 Dec 2021, 19:05 » u Servisiranje CRT Televizora - 8 Odgovori
- 3270 Pregledano
-
Zadnji post napisao alexa_pg
03 Dec 2021, 22:15
-
-
-
QUADRO CTV-55SF65 TXT A3P52E POTREBNA SEMA (RESENO)
napisao virtual » 22 Jun 2011, 12:47 » u Servisiranje CRT Televizora - 8 Odgovori
- 3082 Pregledano
-
Zadnji post napisao stingray
04 Feb 2014, 18:50
-
