MODEL: CTV2003R
CHASSIS(oznaka šasije): ???
PCB(oznake na štampanoj ploči): 2103-V1
MCU(procesor): ST6367B1/BAK
EEPROM: N/A
VERTIKALA: TRANZISTORSKA
AUDIO: TDA1905
VIDEO: TDA8362
SMPS (mreža): BUT11AX, + 4 mali Tranz..
FBT (vn trafo): 154-138W
TUNER: UVE33-W14
KVAR: Mreza sad za sad
OPIS KVARA:
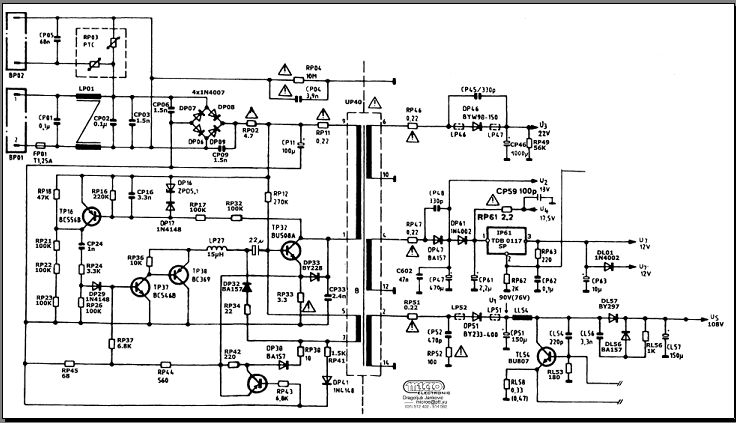
Jaglenisani neki otpornici t.e. R122,121,120 ne se vidit boi pa ako neko zna ko sasiju e ovi CROWN da nadzem semu ??? Evo i sliku
Sad za sad kvar e u mreza u puno elkosi u HIS i sec..
da resim mrezu pa ondak ke kaze za sledice :)
