Pioneer DVR640H
Pravila foruma
Naslov teme treba da bude u formatu: PROIZVOĐAČ, MODEL, KRATAK OPIS KVARA
Nakon rešenog kvara zatvoriti temu >> >UPUTSTVO< u suprotnom ništa ne činiti.
RAZNA UPUTSTVA
Naslov teme treba da bude u formatu: PROIZVOĐAČ, MODEL, KRATAK OPIS KVARA
Nakon rešenog kvara zatvoriti temu >> >UPUTSTVO< u suprotnom ništa ne činiti.
RAZNA UPUTSTVA
-
- _
- Postovi: 42
- Pridružen: 13 Okt 2007, 17:09
- Location: Mostar
- Contact person: Nermin
- Specialty: tv-multimedia
Pioneer DVR640H
Pozdrav.
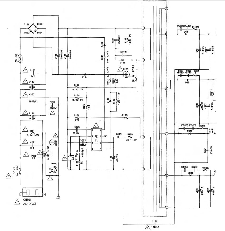
Na popravku mi dosao Pioneer DVR640H, stradao od udara groma. Nasao sam i zamjenio sve komponente u mrezi koje su stradale osim IC-a u primaru pod oznakom 1H05N20, pozicija IC101. Njega nemogu nikako da nadjem, nezna ni google ni niko. Nemogu da nadjem datasheet, pa da vidim jel moze nesto drugo da se stavi na ovo mjesto, ako je neko imao ovako nesto, bio bi zahvalam na svakoj informaciji.
U prilogu je sema mreznog stepena.
Na popravku mi dosao Pioneer DVR640H, stradao od udara groma. Nasao sam i zamjenio sve komponente u mrezi koje su stradale osim IC-a u primaru pod oznakom 1H05N20, pozicija IC101. Njega nemogu nikako da nadjem, nezna ni google ni niko. Nemogu da nadjem datasheet, pa da vidim jel moze nesto drugo da se stavi na ovo mjesto, ako je neko imao ovako nesto, bio bi zahvalam na svakoj informaciji.
U prilogu je sema mreznog stepena.
Servis Linux Box-eva; dreambox, Azbox, Vu, Openbox i sve vrste prijemnika na Linux-u.
- Stolle
- Preminuo
- Postovi: 19099
- Pridružen: 12 Avg 2006, 23:35
- Location: Srbija
- Specialty: tv-multimedia
- Lokacija: Dimitrovgrad
Re: Pioneer DVR640H
Stavi sliku IC101 da se vidi.
Šemu bolje ovako.
VWR1401
Šemu bolje ovako.
VWR1401
"29 poslednjih dana u mesecu je najteže"
-
- _
- Postovi: 42
- Pridružen: 13 Okt 2007, 17:09
- Location: Mostar
- Contact person: Nermin
- Specialty: tv-multimedia
Re: Pioneer DVR640H
Kad dodjem kuci, uslikat cu, pa cu okaciti. Hvala na odgovoru. Pozdrav
Servis Linux Box-eva; dreambox, Azbox, Vu, Openbox i sve vrste prijemnika na Linux-u.
- Stolle
- Preminuo
- Postovi: 19099
- Pridružen: 12 Avg 2006, 23:35
- Location: Srbija
- Specialty: tv-multimedia
- Lokacija: Dimitrovgrad
Re: Pioneer DVR640H
Evo nekih sa takvim rasporedom, pogledaj datasheetove, zabavljaj se malo:
DAP006 (DAP6A)
DAP008 (DAP08A)
DAP011A/B/D (DAP11)
DAP07
FA5530,FA5531,FA5532
FA5540,FA5541,FA5542
FA5546,FA5547
FA5553,FA5554,FA5547N
FA5558,FA5587, FA5588, FA5589, FA5581, FA5582, FA5583, FA5584
FA5571,FA5572,FA5573,FA5574,FA5570
FA5596,FA5597
FA5598,FA5599
GR8876A
LD7575
LD7576
LD7750H
NCP1201
NCP1203
NCP1207
NCP1217
NCP1308
NCP1337
NCP1377
DAP006 (DAP6A)
DAP008 (DAP08A)
DAP011A/B/D (DAP11)
DAP07
FA5530,FA5531,FA5532
FA5540,FA5541,FA5542
FA5546,FA5547
FA5553,FA5554,FA5547N
FA5558,FA5587, FA5588, FA5589, FA5581, FA5582, FA5583, FA5584
FA5571,FA5572,FA5573,FA5574,FA5570
FA5596,FA5597
FA5598,FA5599
GR8876A
LD7575
LD7576
LD7750H
NCP1201
NCP1203
NCP1207
NCP1217
NCP1308
NCP1337
NCP1377
"29 poslednjih dana u mesecu je najteže"
- milan
- Preminuo
- Postovi: 4426
- Pridružen: 19 Avg 2006, 22:38
- Location: Novi Sad
- Specialty: tv-multimedia
Re: Pioneer DVR640H
1H05N20 nije komercijalna oznaka
a nije ni ova na slici,1H06129, jedino probati to sto je stolle napisao
a nije ni ova na slici,1H06129, jedino probati to sto je stolle napisao
-
- _
- Postovi: 42
- Pridružen: 13 Okt 2007, 17:09
- Location: Mostar
- Contact person: Nermin
- Specialty: tv-multimedia
Re: Pioneer DVR640H
To je ta mreza, probat cu nesto kad dodjem kuci. Hvala na odgovorima.
Servis Linux Box-eva; dreambox, Azbox, Vu, Openbox i sve vrste prijemnika na Linux-u.
Re: Pioneer DVR640H
Ja pronadjoh nesto da je na modelu DVR541H-S ic101 UPC3345GC-YEB-A [http://www.manual-buddy.com/p/pioneer/d ... anual.html]
- Stolle
- Preminuo
- Postovi: 19099
- Pridružen: 12 Avg 2006, 23:35
- Location: Srbija
- Specialty: tv-multimedia
- Lokacija: Dimitrovgrad
Re: Pioneer DVR640H
Nema to nikakve veze sa mrežom. Drugi je to IC101.
"29 poslednjih dana u mesecu je najteže"
- milan
- Preminuo
- Postovi: 4426
- Pridružen: 19 Avg 2006, 22:38
- Location: Novi Sad
- Specialty: tv-multimedia
Re: Pioneer DVR640H
Ima podatak i kod Rusa za FA5518
Koji je kod tebe taj drugi broj?PIONEER DVR 440-540
Вместо FA5518 подошла NCP1377
-
- _
- Postovi: 42
- Pridružen: 13 Okt 2007, 17:09
- Location: Mostar
- Contact person: Nermin
- Specialty: tv-multimedia
Re: Pioneer DVR640H
Hvala na odgovorima, ali nemam nista dostupno od ovoga sto je kolega Stolle naveo, jedino sto sam nasao, a da je meni dostupno je od NCP1200 do NCP1238, kod primotronica, pogledat cu malo datasheet-ove, pa naruciti, jes da treba malo cekati ali cu se prepasati. Cim stigne isprobam pa javim. Hvala jos jednom na odgovorima.
Servis Linux Box-eva; dreambox, Azbox, Vu, Openbox i sve vrste prijemnika na Linux-u.
-
- _
- Postovi: 42
- Pridružen: 13 Okt 2007, 17:09
- Location: Mostar
- Contact person: Nermin
- Specialty: tv-multimedia
Re: Pioneer DVR640H
Dobio sam odgovor, jedino dostopno sa ovog spiska imam LD7575 i NCP1207, sad cu malo pogledati datasheet-ove, da vidim dali se moze sto staviti.
Servis Linux Box-eva; dreambox, Azbox, Vu, Openbox i sve vrste prijemnika na Linux-u.
-
- _
- Postovi: 42
- Pridružen: 13 Okt 2007, 17:09
- Location: Mostar
- Contact person: Nermin
- Specialty: tv-multimedia
Re: Pioneer DVR640H
E ovako, 1H05N20/1H06129= FA5518, a umjesto FA5518 moze se staviti NCP1377 i LD7575. Meni je stigao NCP1377, stavio sam ga, uredjaj je upalio, sat na displayu, ali kad podjem da ga ukljucim na displeyu ispise power on i nestane, opet se pojavi sat. Svi naponi su prisutni, ali su inverzno polarisani, pregledao sam sve komponente u primaru i sekundaru, sve je ok, jedino na sto sumnjam jeste Q401 ( oznaka na njemu je A2733), koji se nalazi u sekundaru. Ima li neko podatak koji je integralac u pitanju, jer ga na ovoj semi od uredjaja koja je kod mene, nema. Pozdrav
Servis Linux Box-eva; dreambox, Azbox, Vu, Openbox i sve vrste prijemnika na Linux-u.
-
- _
- Postovi: 42
- Pridružen: 13 Okt 2007, 17:09
- Location: Mostar
- Contact person: Nermin
- Specialty: tv-multimedia
Re: Pioneer DVR640H
Evo i ja upravo gledam tu semu, oznaka je Q401, ali je integralac sa 8 pinova u pitanju, jedino da ga skinem da vidim ispod sto je u pitanju. Nema koji drugi biti.
Servis Linux Box-eva; dreambox, Azbox, Vu, Openbox i sve vrste prijemnika na Linux-u.
- Stolle
- Preminuo
- Postovi: 19099
- Pridružen: 12 Avg 2006, 23:35
- Location: Srbija
- Specialty: tv-multimedia
- Lokacija: Dimitrovgrad
Re: Pioneer DVR640H
"29 poslednjih dana u mesecu je najteže"
-
- Slične teme
- Odgovori
- Pregledano
- Zadnji post
-
- 8 Odgovori
- 2073 Pregledano
-
Zadnji post napisao milan
20 Mar 2008, 10:05
-
- 1 Odgovori
- 1094 Pregledano
-
Zadnji post napisao emem
30 Mar 2009, 14:12
-
- 7 Odgovori
- 2733 Pregledano
-
Zadnji post napisao miodrag popovic
24 Dec 2018, 10:23
-
-
Pioneer hdd/dvd recorder DVR-560HX-daljinski ne radi
napisao orion52 » 23 Okt 2019, 19:01 » u Servisiranje DVD VCR - 6 Odgovori
- 4654 Pregledano
-
Zadnji post napisao orion52
26 Okt 2019, 19:20
-