Samsung DVD Home cinema system HTUP30 RESENO
Pravila foruma
Naslov teme treba da bude u formatu: PROIZVOĐAČ, MODEL, KRATAK OPIS KVARA
Nakon rešenog kvara zatvoriti temu >> >UPUTSTVO< u suprotnom ništa ne činiti.
RAZNA UPUTSTVA
Naslov teme treba da bude u formatu: PROIZVOĐAČ, MODEL, KRATAK OPIS KVARA
Nakon rešenog kvara zatvoriti temu >> >UPUTSTVO< u suprotnom ništa ne činiti.
RAZNA UPUTSTVA
- munja
- _
- Postovi: 102
- Pridružen: 02 Sep 2006, 01:40
- Location: Zemun
- Contact person: Sasa
- Phone number: +381112617401
- Specialty: tv-multimedia
- Lokacija: Zemun
Samsung DVD Home cinema system HTUP30 RESENO
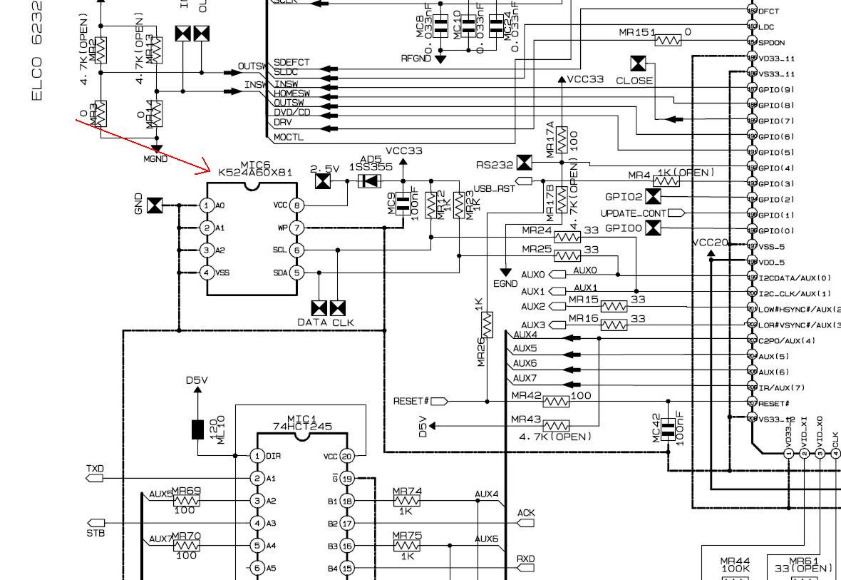
Postovanje kolege,da li neko poseduje sadrzaj memorije za ovaj DVD.Naime DVD radi sem izbacivanja kolica,kada ispisuje poruku na displeju OPEN LOCK.Kada preko dugmeta FUNCTION isprebacujem funkcje aparata do DVD/CD izbaci kolica,nakon ponovnog ubacivanja diska opet ispisuje poruku da je zakljucan.Procesor je oznake ES 6698 a memorija K524A60XB1.Probao sam da resetujem uredjaj na fabricka podesavanja,ali ni tu funkciju ne radi
Zadnja izmena: munja, dana 04 Jul 2009, 02:59, ukupno menjano 1 put.
- nec
- Site Admin
- Postovi: 4848
- Pridružen: 17 Okt 2007, 22:15
- Location: Makedonija, Strumica
- Phone number: 0038978425778
- Specialty: tv-multimedia
- Kontakt:
Re: Samsung DVD Home cinema system HT-UP30
Tu ti netreba dump (ako imas korisnicko uputstvo treba tamo da imas opisano kako se brise ta komanda)
Probaj kad je upaljen DVD zadrzati dugme STOP na DVD-u (nekih 10sek.)
Probaj kad je upaljen DVD zadrzati dugme STOP na DVD-u (nekih 10sek.)
Kad zamenimo ideje svi imamo duplo vise ideja
- munja
- _
- Postovi: 102
- Pridružen: 02 Sep 2006, 01:40
- Location: Zemun
- Contact person: Sasa
- Phone number: +381112617401
- Specialty: tv-multimedia
- Lokacija: Zemun
Re: Samsung DVD Home cinema system HT-UP30
To je druze moj vec probano,da vratim uredjaj na fabricka podesavanja,i sve odradi sem otkljucavanja kolica.Sumnjam da je problem u programu ili procesora ili memorije,iako imam komunikaciju izmedju procesora i memorije korektnu(gledano osciloskopom)kada menjam funkcije DVD-a,medjutim na pinu procesora za otvaranje kolica (pin 169),nemam signala za otvaranje kada pritisnem dugme OPEN,samo na displeju ispise OPEN LOCK
Re: Samsung DVD Home cinema system HT-UP30
Edit
Poslao sam Munji na PP proceduru otkljucavanja.Pa sam izbrisao odavde
Ako sme da bude i ovde javite da postavim 

Poslao sam Munji na PP proceduru otkljucavanja.Pa sam izbrisao odavde


Sto vise ucim sve vise vidim koliko neznam :plaz:
- munja
- _
- Postovi: 102
- Pridružen: 02 Sep 2006, 01:40
- Location: Zemun
- Contact person: Sasa
- Phone number: +381112617401
- Specialty: tv-multimedia
- Lokacija: Zemun
Re: Samsung DVD Home cinema system HT-UP30
Stojke druze,HVALA ti.Resenje je bila cetvrta opcija sa spiska koji si mi poslao.Moje misljenje je da to treba podeliti sa narodom.Dakle otkljucan je DVD
Re: Samsung DVD Home cinema system HT-UP30-RESENO
bravo
Ja ovo saljem Fanzi na PP a on nek odluci gde ce ga i da li treba da se postavi ovde
Lakse mi je tako nego da se objasnjavam sto sam mozda prekrsio pravila

Ja ovo saljem Fanzi na PP a on nek odluci gde ce ga i da li treba da se postavi ovde



Sto vise ucim sve vise vidim koliko neznam :plaz:
- Tehnik
- gx
- Postovi: 265
- Pridružen: 22 Avg 2006, 11:05
- Location: Makedonija
- Warranty service: BT:Gorenje,Bosch, Beko
ELE: LG,Fuego, Grundig - Contact person: Vane
- Phone number: 0038934344995
- Specialty: tv-multimedia
- Lokacija: Strumica
Re: Samsung DVD Home cinema system HT-UP30-RESENO
I jas imam isti slucaj ne otvare vraticka probav so spindle motor so step motor i so stop vo stand by ama ne saka .. dali ima nekoe resenie za ova DVD
- Tehnik
- gx
- Postovi: 265
- Pridružen: 22 Avg 2006, 11:05
- Location: Makedonija
- Warranty service: BT:Gorenje,Bosch, Beko
ELE: LG,Fuego, Grundig - Contact person: Vane
- Phone number: 0038934344995
- Specialty: tv-multimedia
- Lokacija: Strumica
Re: Samsung DVD Home cinema system HT-UP30-RESENO
Smenet i driver 5954 pak isto...nekoja ideja...da otvoram nova tema ako ne tuka da ne pisam?
- cacko85
- gx
- Postovi: 1746
- Pridružen: 03 Dec 2008, 17:51
- Location: Macedonia
- Contact person: Slavche
- Specialty: tv-multimedia
- Lokacija: Sveti Nikole
- Kontakt:
Re: Samsung DVD Home cinema system HTUP30 RESENO
A shta se deshava kad pritisnesh OPEN, dal ispishe "OPEN" na display a ne otvara ili ... shta se deshava ?
Probaj izbaci EEPROM K524A60X81 vidi kako ce reagishe najverojatno treba da e koci da ne cita i da ne otvara, ondak stavi prazan EEPROM za probu moze i 24C08 ili 24C16, probaj pa javi.
Probaj izbaci EEPROM K524A60X81 vidi kako ce reagishe najverojatno treba da e koci da ne cita i da ne otvara, ondak stavi prazan EEPROM za probu moze i 24C08 ili 24C16, probaj pa javi.
www.facebook.com/slavceelectronics
- Tehnik
- gx
- Postovi: 265
- Pridružen: 22 Avg 2006, 11:05
- Location: Makedonija
- Warranty service: BT:Gorenje,Bosch, Beko
ELE: LG,Fuego, Grundig - Contact person: Vane
- Phone number: 0038934344995
- Specialty: tv-multimedia
- Lokacija: Strumica
Re: Samsung DVD Home cinema system HTUP30 RESENO
OK utre ke probam.. koga ke pritisnam open i samo open si stoe na displejot drugo nema nisto..ne reagire laseorot ...sum imal par slucaeva da ne cini drajverot na taa malata ploca ili pak napojuvanje da me nu ide na drajverot ...aj utre ke probam pa pisam so ke bide...
- Tehnik
- gx
- Postovi: 265
- Pridružen: 22 Avg 2006, 11:05
- Location: Makedonija
- Warranty service: BT:Gorenje,Bosch, Beko
ELE: LG,Fuego, Grundig - Contact person: Vane
- Phone number: 0038934344995
- Specialty: tv-multimedia
- Lokacija: Strumica
Re: Samsung DVD Home cinema system HTUP30 RESENO
probav i so prazen eprom ne saka pak isto ...
Re: Samsung DVD Home cinema system HTUP30 RESENO
Probaj da li hoce OPEN preko daljinca da nije u Child Lock. Druga stvar je da zamenis sve motore.... jer hoce kad jedan pravi glupost da ne primetis sve ostalo (sto se tice mehanizma) zabrljavi.
Sto vise ucim sve vise vidim koliko neznam :plaz:
-
- Slične teme
- Odgovori
- Pregledano
- Zadnji post
-
-
Bluray home theater system HTBD2 ne radi mreza ODUSTAO
napisao Ribery » 19 Sep 2013, 12:36 » u Servisiranje DVD VCR - 4 Odgovori
- 3543 Pregledano
-
Zadnji post napisao Ribery
19 Okt 2013, 09:41
-
-
-
samsung HTUP30 kucni bioskop (reseno)
napisao bobanservis » 06 Nov 2010, 12:16 » u Servisiranje DVD VCR - 4 Odgovori
- 1321 Pregledano
-
Zadnji post napisao bobanservis
09 Nov 2010, 17:10
-
-
- 8 Odgovori
- 1660 Pregledano
-
Zadnji post napisao zozontv1
08 Dec 2007, 08:25
-
-
Home Theatre Panasonic SC-HT535, error F61
napisao tv312jf » 12 Apr 2009, 15:54 » u Servisiranje DVD VCR - 8 Odgovori
- 1932 Pregledano
-
Zadnji post napisao tv312jf
20 Apr 2009, 16:09
-
-
-
DVD Xwave-7200 Nece DVD , CD Radi(RESENO)
napisao zlix » 06 Jan 2008, 17:31 » u Servisiranje DVD VCR - 7 Odgovori
- 2649 Pregledano
-
Zadnji post napisao zlix
08 Jan 2008, 00:05
-
-
- 5 Odgovori
- 2168 Pregledano
-
Zadnji post napisao dane
23 Sep 2008, 23:34
-
- 13 Odgovori
- 3686 Pregledano
-
Zadnji post napisao SaleSk
28 Nov 2008, 17:21
-
- 4 Odgovori
- 1427 Pregledano
-
Zadnji post napisao milan
06 Feb 2009, 15:34