Tranzistor MOSFET kao prekidac RESENO
Urednik: alexa_pg
Pravila foruma
Praktikujemo da na kraju opišemo kako smo rešili problem. Zatim zatvorimo temu >UPUTSTVO<
Praktikujemo da na kraju opišemo kako smo rešili problem. Zatim zatvorimo temu >UPUTSTVO<
- marko50
- _
- Postovi: 102
- Pridružen: 02 Okt 2014, 21:47
- Location: Novi Sad Srbija
- Contact person: Marko
- Phone number: 0038121544487
- Specialty: tv-multimedia
- Lokacija: Novi Sad
Tranzistor MOSFET kao prekidac RESENO
Pozdrav ljudi, imam sledeci problem radio sam neki lcd monitor, izgoreo mu je mrezni stepen, ne mogu da ga sredim... ubacio sam drugi mrezni stepen iz nekog drugog monitora i prepakovao konektor znaci na procesorsku ide 5v, brightnes, on/off, i gnd i radi monitor ali ne pali lampe zapravo procesorska na on/off salje 2,3v a ovom napajanju da bi pokrenuo inverter treba 12v i sada kada dovedem 12v na tu tacku osvetljenje radi ali onda kad ugasim monitor i dalje radi osvetljenje, zapravo meni treba nekako elektronsko resenje kako da propustim 12v kada stigne sa procesorske 2,3v znaci kao neki prekidac koji kad dobije 2,3 v spoji a kad ima 0v odvoji, ako se ne varam to moze da odradi npn tranzistor ali ja nikako ne mogu da dobijem to sto mi treba, ako neko moze da pomogne bio bih mu zahvalan
Zadnja izmena: marko50, dana 30 Mar 2015, 21:35, ukupno menjano 1 put.
- alexa_pg
- Site Admin
- Postovi: 6029
- Pridružen: 22 Avg 2006, 08:10
- Location: Podgorica
- Specialty: tv-multimedia
Re: Tranzistor MOSFET kao prekidac
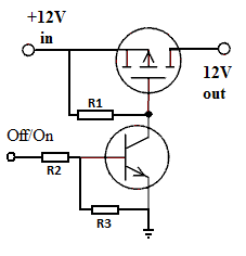
Na slici ti je principijelna sema P mosfet prekidaca.
Koji ces mosfet upotrijebiti zavisi koliku struju vuku te lampe. Rds mora da bude sto manji, u miliomima.
Na bazu npn-a dolazi signal off/on. Oba otpornika stavi po 10K.
Koji ces mosfet upotrijebiti zavisi koliku struju vuku te lampe. Rds mora da bude sto manji, u miliomima.
Na bazu npn-a dolazi signal off/on. Oba otpornika stavi po 10K.
"I ja volim ljude ali ih sve manje podnosim"
Re: Tranzistor kao prekidac
evo ti jos jedna pa proceni , sa fetom je bolje..
paint mi ne radi bem ti trunje 


- Prilog
-
- untitled.JPG (14.75 KiB) Pregledano 4391 put.
Zadnja izmena: alexa_pg, dana 27 Mar 2015, 17:44, ukupno menjano 1 put.
Razlog: Postavljena slika da se odmah vidi.
Razlog: Postavljena slika da se odmah vidi.
proradijo mi net zahvaljujuci fanzi
- marko50
- _
- Postovi: 102
- Pridružen: 02 Okt 2014, 21:47
- Location: Novi Sad Srbija
- Contact person: Marko
- Phone number: 0038121544487
- Specialty: tv-multimedia
- Lokacija: Novi Sad
Re: Tranzistor kao prekidac
e to mi trebaa hvalaa vam, sve mi je sad jasno osim toga da je na slici N mosfet ako se ne varam alexa_pg kazes P, jel mogu ako je N da stavim bs170? on je 500mA RDS on 5 oma, npn cu staviti bc547, jel moze samo neka preporuka za taj mosfet? 

- milan
- Preminuo
- Postovi: 4426
- Pridružen: 19 Avg 2006, 22:38
- Location: Novi Sad
- Specialty: tv-multimedia
Re: Tranzistor kao prekidac
alexa_pg, vracamo u skolu
a i tebe bi mogli

a i tebe bi mogli

- Prilog
-
- pchannelpower.jpg (10.52 KiB) Pregledano 4401 put.
- alexa_pg
- Site Admin
- Postovi: 6029
- Pridružen: 22 Avg 2006, 08:10
- Location: Podgorica
- Specialty: tv-multimedia
Re: Tranzistor kao prekidac
Nisam najbolje razumio ovaj tvoj komentar.
Da li hoces da kazes da sam zaboravio da nacrtam diodu u mosfet tranzistoru?
Ako je to, vracam se u skolu.
Ako je nesto drugo sto ti ne znas, prilazam semu Pilipsovog prekidaca za OFF-ON panela. Ovdje se umjesto standardnog mosfet tranazistora koristi mosfet u kucistu kao IC ali je princip isti. Nadam se da ne treba da crtam ekvivalentnu semu. Upotrebljen je takodje P kanalni mosfet Si4835DDY.
http://www.vishay.com/docs/69953/si4835dd.pdf @marko50
Ne moze da se ugradi tranzistor kome je otpor 5 oma. Napisao sam ti da mora da bude u miliomima.
Da li hoces da kazes da sam zaboravio da nacrtam diodu u mosfet tranzistoru?
Ako je to, vracam se u skolu.
Ako je nesto drugo sto ti ne znas, prilazam semu Pilipsovog prekidaca za OFF-ON panela. Ovdje se umjesto standardnog mosfet tranazistora koristi mosfet u kucistu kao IC ali je princip isti. Nadam se da ne treba da crtam ekvivalentnu semu. Upotrebljen je takodje P kanalni mosfet Si4835DDY.
http://www.vishay.com/docs/69953/si4835dd.pdf @marko50
Ne moze da se ugradi tranzistor kome je otpor 5 oma. Napisao sam ti da mora da bude u miliomima.
"I ja volim ljude ali ih sve manje podnosim"
- milan
- Preminuo
- Postovi: 4426
- Pridružen: 19 Avg 2006, 22:38
- Location: Novi Sad
- Specialty: tv-multimedia
Re: Tranzistor kao prekidac
Komentar je na ovaj deo teksta, a dodate i slika za simbole P i N Fet, pa ko je pogresio neka ide u skolu.sve mi je sad jasno osim toga da je na slici N mosfet ako se ne varam alexa_pg kazes P,
Dioda nema veze....
- Majstor Duja
- Neaktivan
- Postovi: 3136
- Pridružen: 23 Avg 2006, 17:29
- Location: Novi Sad - centar
- Warranty service: http://www.elektrocentar.com
- Contact person: Goran Duic
- Specialty: tv-multimedia
Re: Tranzistor kao prekidac
Evo, Marko50, sad cu ja direktno da ti objasnim:
Da bi saradjivali na ovom forumu, ti kao clan moras da imas osnovno znanje iz elektronike - koje, gledano iz prilozenog, nemas.
Nemam nista protiv da pises u delu foruma o kompjuterima, softveru, hardveru - ako znas o cemu pises a da radis to sto radis iz elektronike za sebe.
Vise puta ti je skrenuta paznja da osnove moras sam da naucis negde drugde - savet koji si ti ignorisao i nastavio da zamajavas ljude po forumu sa banalnostima.
Rasprava je zavrsena, receno je sve sto je trebalo - snadji se dalje.
Da bi saradjivali na ovom forumu, ti kao clan moras da imas osnovno znanje iz elektronike - koje, gledano iz prilozenog, nemas.
Nemam nista protiv da pises u delu foruma o kompjuterima, softveru, hardveru - ako znas o cemu pises a da radis to sto radis iz elektronike za sebe.
Vise puta ti je skrenuta paznja da osnove moras sam da naucis negde drugde - savet koji si ti ignorisao i nastavio da zamajavas ljude po forumu sa banalnostima.
Rasprava je zavrsena, receno je sve sto je trebalo - snadji se dalje.
Rule #1 "Always stand for what you believe, even if it means standing alone."
- marko50
- _
- Postovi: 102
- Pridružen: 02 Okt 2014, 21:47
- Location: Novi Sad Srbija
- Contact person: Marko
- Phone number: 0038121544487
- Specialty: tv-multimedia
- Lokacija: Novi Sad
Re: Tranzistor kao prekidac
Nisam imao nameru ni ukom slucaju da uvredim nekoga, jako sam zahvalan na svim savetima i svemu sto sam pokupio odavde znam da je forum za ozbiljne majstore i da nemate vremena da se zamajavate sa ovakvim stvarima sve mi je to jasno, srednja skola sam mucim se i borim da bi nesto naucio i savladao nigde ne mogu da upadnem da ucim niko nece ni gram znanja da da sto je i opravdano svi se borimo nema se novca niko ne voli konkurenciju, verovatno ste i vi bili na pocetku pa donekle cete razumeti nebih vas vise zamajavao samo sam mislio da je na slici N mosfet a ne P nesto sam strelicu obrnuo moja greska izvinite jos jednom svi...
- Majstor Duja
- Neaktivan
- Postovi: 3136
- Pridružen: 23 Avg 2006, 17:29
- Location: Novi Sad - centar
- Warranty service: http://www.elektrocentar.com
- Contact person: Goran Duic
- Specialty: tv-multimedia
Re: Tranzistor kao prekidac
@Marko: jos jednom: imas pristup na internet, tamo ima more informacija, a mi, matori, nismo imali nista od toga pa smo tu gde smo.
E sad, ne budi lenj i kreni vise u strebanje, manje porno sajtova i online igara i bice sve ok...

E sad, ne budi lenj i kreni vise u strebanje, manje porno sajtova i online igara i bice sve ok...

Rule #1 "Always stand for what you believe, even if it means standing alone."
- marko50
- _
- Postovi: 102
- Pridružen: 02 Okt 2014, 21:47
- Location: Novi Sad Srbija
- Contact person: Marko
- Phone number: 0038121544487
- Specialty: tv-multimedia
- Lokacija: Novi Sad
Re: Tranzistor kao prekidac
Hvala vaaam drago mi je da me niste blokirali nisam nista lose stvarno hteoo trazio sam ja pre toga na internetu pa bezuspesno proslo, svakako izvinjavam se alexa_pg nisam nista lose mislio, odradicu ja to kao sto je na vrhu teme napisano i ako vam treba segrt zovite ( znam da nema para mnogo u poslu ali sta cu kad me zanima i volim to da radim) 

- marko50
- _
- Postovi: 102
- Pridružen: 02 Okt 2014, 21:47
- Location: Novi Sad Srbija
- Contact person: Marko
- Phone number: 0038121544487
- Specialty: tv-multimedia
- Lokacija: Novi Sad
Re: Tranzistor kao prekidac
Ljudi samo da se javim i da zavrsim temu, prekidac sam uspesno napravio ali malom prepravkom seme, po gore navedenoj semi npn odma izgori, ja sam prepravio po MUN2211, iz gore navedene philips-ove seme sa dva otpora od po 10k, evo je konacna sema prekidaca ako nekome zatreba,
Delovi koji su koristeni:
P mosfet IRF9540
NPN tranzistor BD241C
otpori (R1,R2,R3) - 10K
Delovi koji su koristeni:
P mosfet IRF9540
NPN tranzistor BD241C
otpori (R1,R2,R3) - 10K
- alexa_pg
- Site Admin
- Postovi: 6029
- Pridružen: 22 Avg 2006, 08:10
- Location: Podgorica
- Specialty: tv-multimedia
Re: Tranzistor kao prekidac
Lijepo sto si to napravio i nesto i naucio.
Otpornik u bazi za ogranicenje struje baze (R2) se podrazumijeva da mora da bude jer ako prikljucis bez njega direktno na neki plus, normalno je da izgori tranzistor. Nisi morao BD241 da ugradjujes, mogao si i neki slabiji.
Praktikujemo da na kraju otvorimo svoj prvi post (UREDI) i dopišemo u naslov jedno od: REŠENO/NEREŠENO/INFO.
Otpornik u bazi za ogranicenje struje baze (R2) se podrazumijeva da mora da bude jer ako prikljucis bez njega direktno na neki plus, normalno je da izgori tranzistor. Nisi morao BD241 da ugradjujes, mogao si i neki slabiji.

Praktikujemo da na kraju otvorimo svoj prvi post (UREDI) i dopišemo u naslov jedno od: REŠENO/NEREŠENO/INFO.
"I ja volim ljude ali ih sve manje podnosim"
-
- Slične teme
- Odgovori
- Pregledano
- Zadnji post
-
- 8 Odgovori
- 1868 Pregledano
-
Zadnji post napisao ahim
30 Jul 2009, 22:24
-
- 2 Odgovori
- 2263 Pregledano
-
Zadnji post napisao darko080372
19 Avg 2010, 23:39
-
- 6 Odgovori
- 4638 Pregledano
-
Zadnji post napisao tom
21 Jan 2012, 00:06
-
- 5 Odgovori
- 1755 Pregledano
-
Zadnji post napisao Majstor Duja
01 Nov 2007, 09:33
-
- 6 Odgovori
- 1329 Pregledano
-
Zadnji post napisao djuras
16 Jul 2009, 10:44
-
- 7 Odgovori
- 2128 Pregledano
-
Zadnji post napisao stojkePN
02 Apr 2014, 21:34
-
- 6 Odgovori
- 971 Pregledano
-
Zadnji post napisao KASA1
13 Mar 2025, 12:25